Скачать Серия 1.462.3-22 Выпуск 1. Прогоны сквозные пролетом 12 м из двутавров с параллельными гранями полок. Чертежи КМДата актуализации: 01.01.2021
|
| Обозначение: | Серия 1.462.3-22 |
| Обозначение англ: | Series 1.462.3-22 |
| Статус: | действует |
| Название рус.: | Выпуск 1. Прогоны сквозные пролетом 12 м из двутавров с параллельными гранями полок. Чертежи КМ |
| Дата добавления в базу: | 01.09.2013 |
| Дата актуализации: | 01.01.2021 |
| Дата введения: | 01.02.1989 |
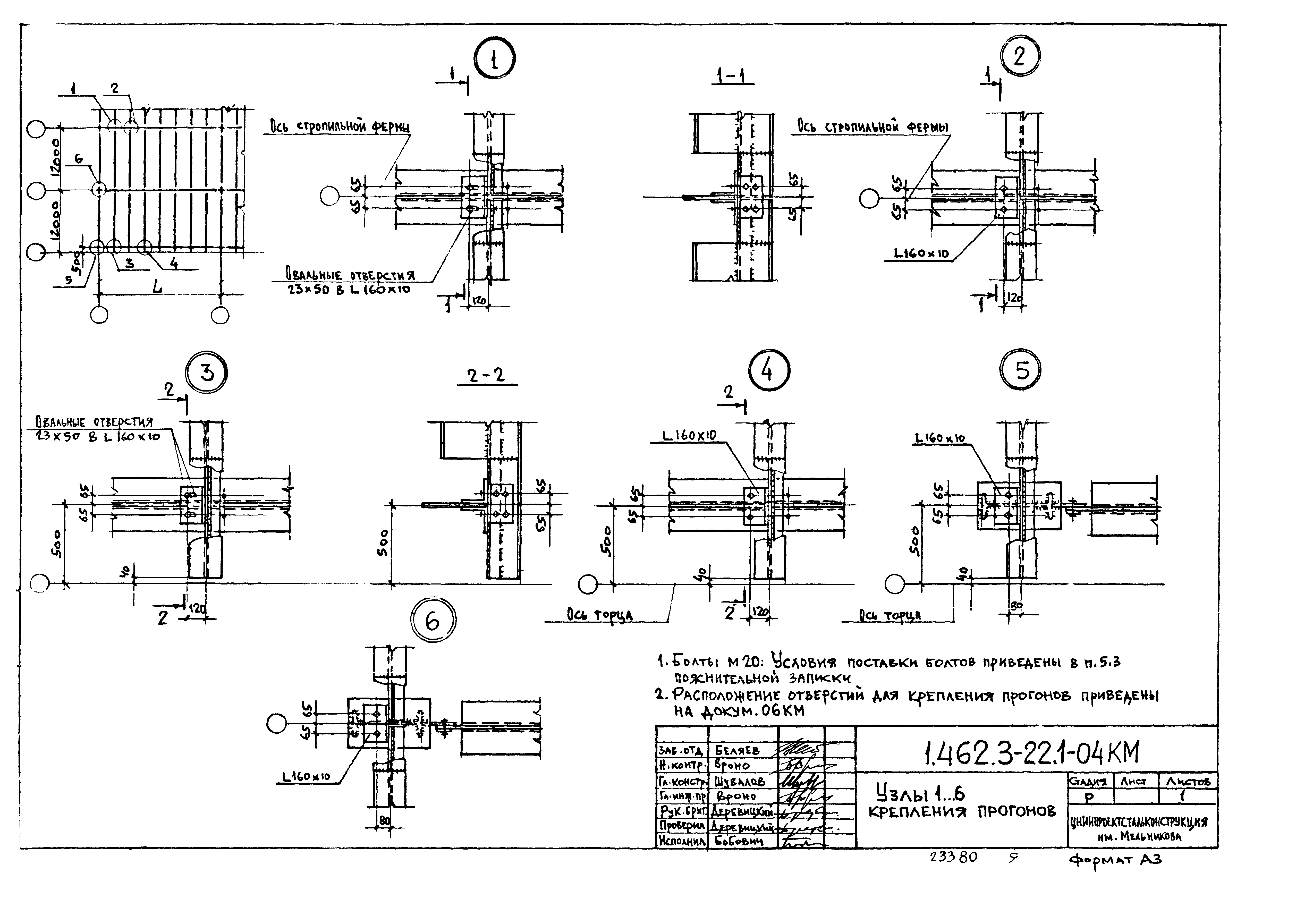
| Оглавление: | 1.462.3-22.1-00ПЗ Пояснительная записка 1.462.3-22.1-01КМ Схемы расположения прогонов и таблица для выбора марок прогонов 1.462.3-22.1-02КМ Прогон рядовой ПС, прогон концевой ПСК. Схемы и сортамент 1.462.3-22.1-03КМ Узлы 1...6 прогонов. Схемы роспуска исходных двутавров 1.462.3-22.1-04КМ Узлы 1...6 крепления прогонов 1.462.3-22.1-05КМ Узлы крепления вертикальных связей 1.462.3-22.1-06КМ Расположение обязательных отверстий для крепления прогонов в верхних поясах стропильных ферм и в опорных стойках 1.462.3-22.1-07КМ Спецификация стали |
| Разработан: | ЦНИИПСК им. Мельникова |
| Утверждён: | 20.05.1988 Госстрой СССР (Государственный комитет Совета Министров СССР по делам строительства) (USSR Gosstroy 6/6-1031) |
| Издан: | ЦИТП Госстроя СССР (CITP, Gosstroy (USSR) 1988 г. ) |












