Скачать Серия 1.822.1-6 Выпуск 10с. Рамы пролетом 12, 18 и 21 м с высотой стойки 3,75 м. Материалы для проектирования зданий с расчетной сейсмичностью 9 балловДата актуализации: 01.01.2021
|
| Обозначение: | Серия 1.822.1-6 |
| Обозначение англ: | Series 1.822.1-6 |
| Статус: | не определен законодательством |
| Название рус.: | Выпуск 10с. Рамы пролетом 12, 18 и 21 м с высотой стойки 3,75 м. Материалы для проектирования зданий с расчетной сейсмичностью 9 баллов |
| Дата добавления в базу: | 01.09.2013 |
| Дата актуализации: | 01.01.2021 |
| Дата введения: | 01.09.1991 |
| Дата окончания срока действия: | 30.06.2003 |
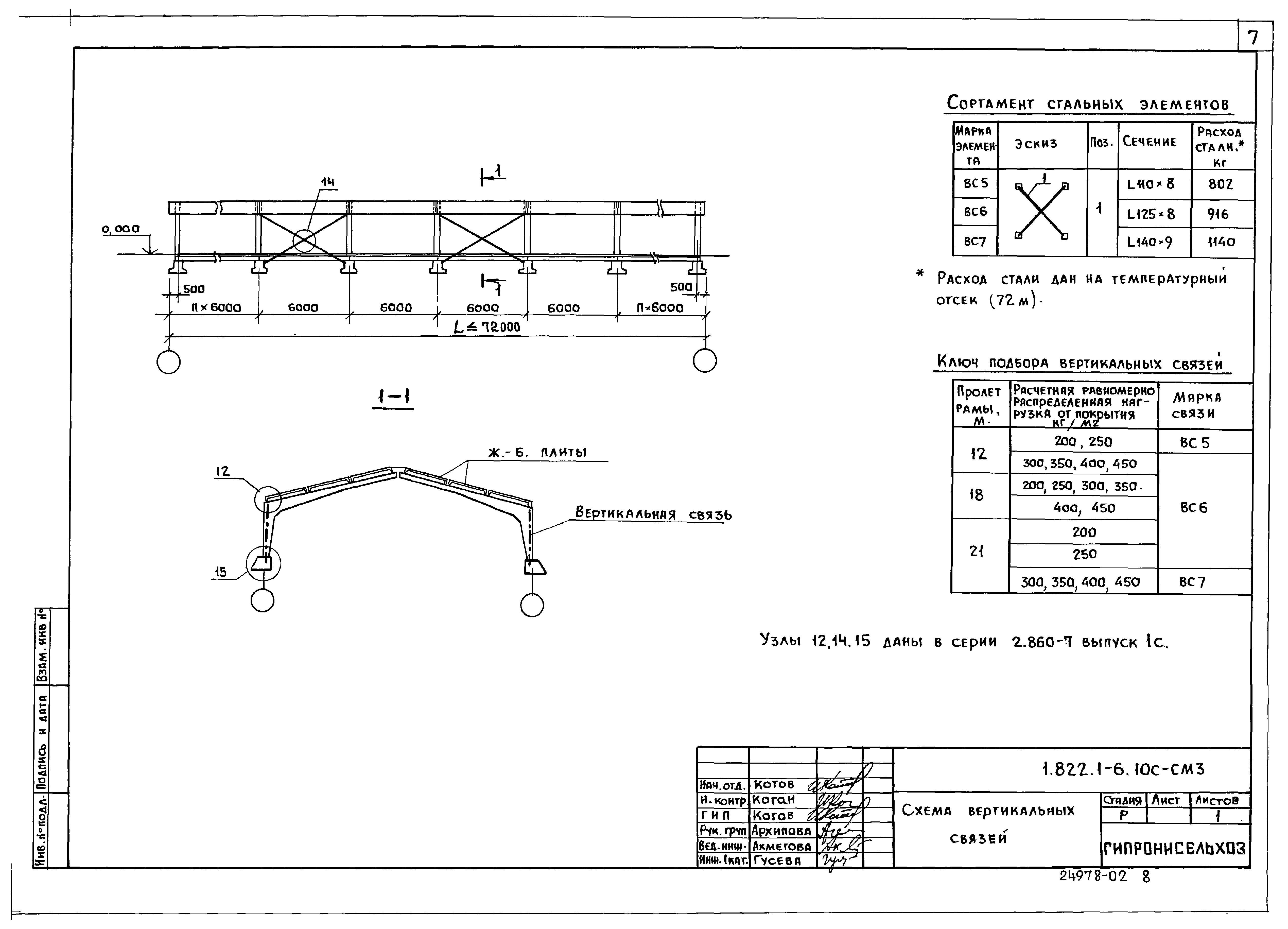
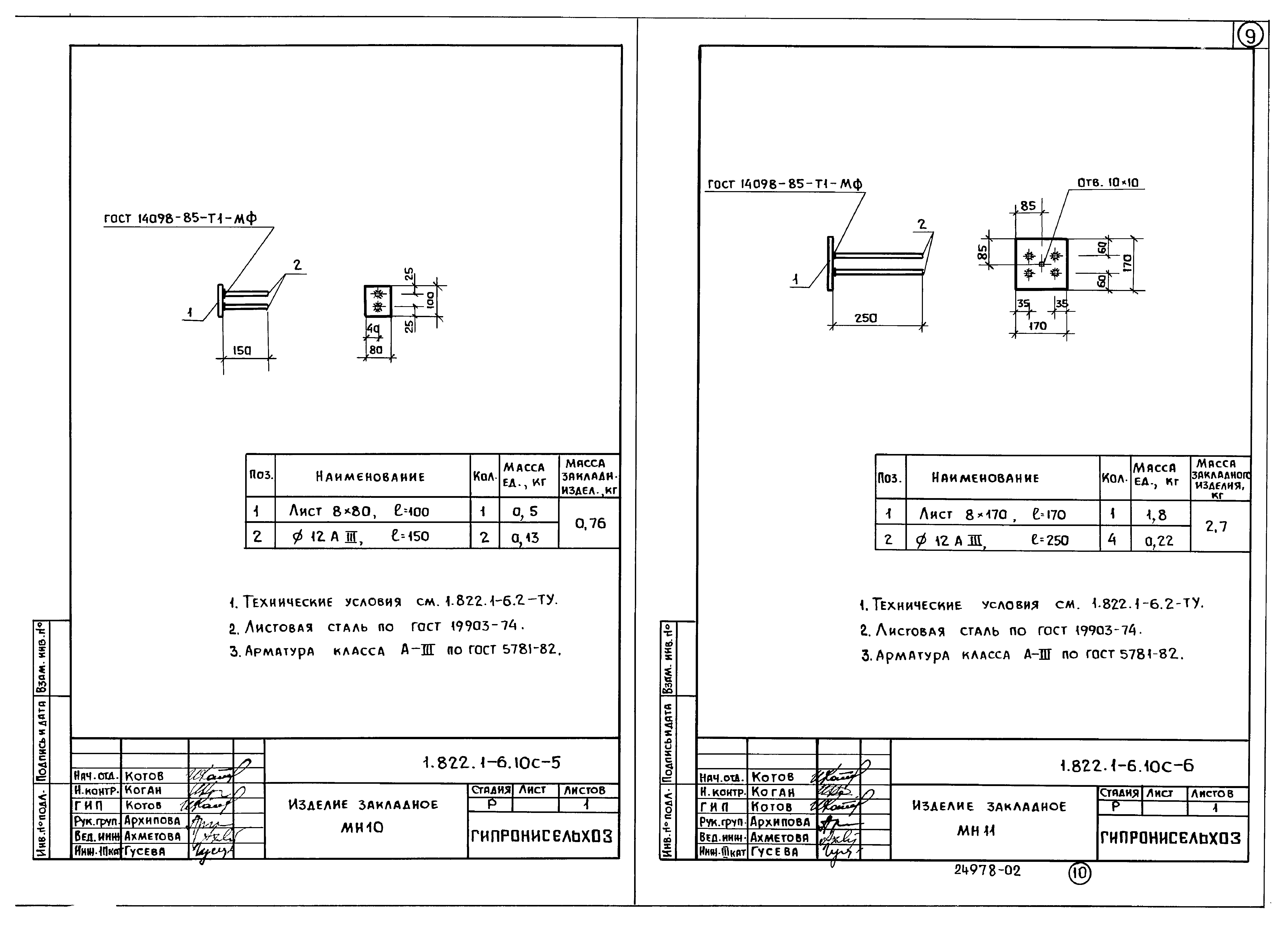
| Оглавление: | 1.822.1-6.10с-ПЗ Пояснительная записка 1.822.1-6.10с-СМ1 Схема расположения элементов рамы 1.822.1-6.10с-СМ2 Схема расположения плит покрытия. Пример 1.822.1-6.10с-СМ3 Схема вертикальных связей 1.822.1-6.10с-СМ4 Положение закладных изделий для крепления железобетонных плит, стенового ограждения и вертикальных связей. Дополнительное отверстие в полураме 1.822.1-6.10с-СМ5 Изделие закладнон МН10 1.822.1-6.10с-СМ6 Изделие закладнон МН11 |
| Разработан: | ЦНИИСК им. В.А. Кучеренко ЦНИИЭПсельстрой ГипроНИсельхоз (Институт Гипронисельхоз ) |
| Утверждён: | 26.03.1991 Главпроект Госстроя СССР (5/6-82) |









