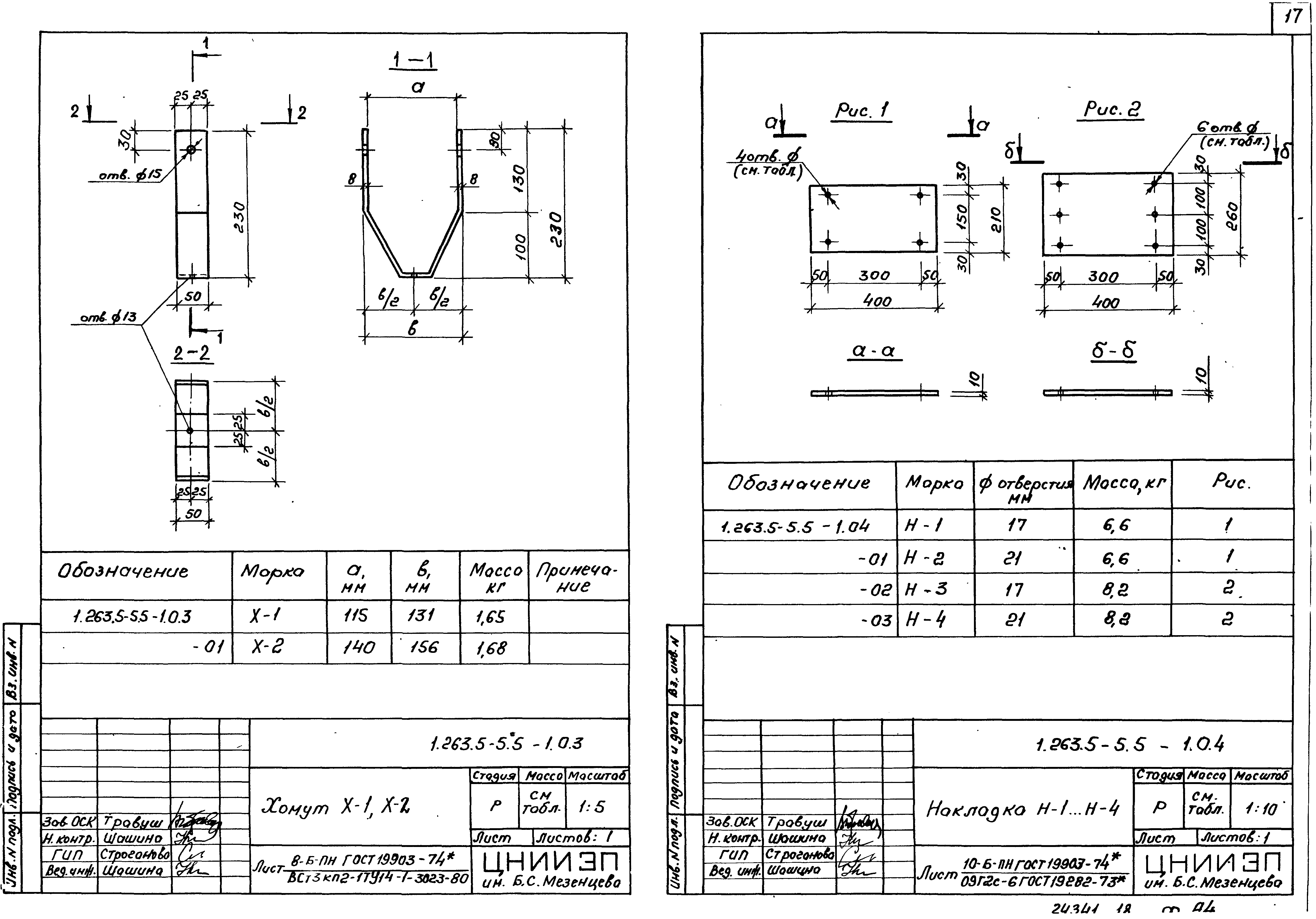
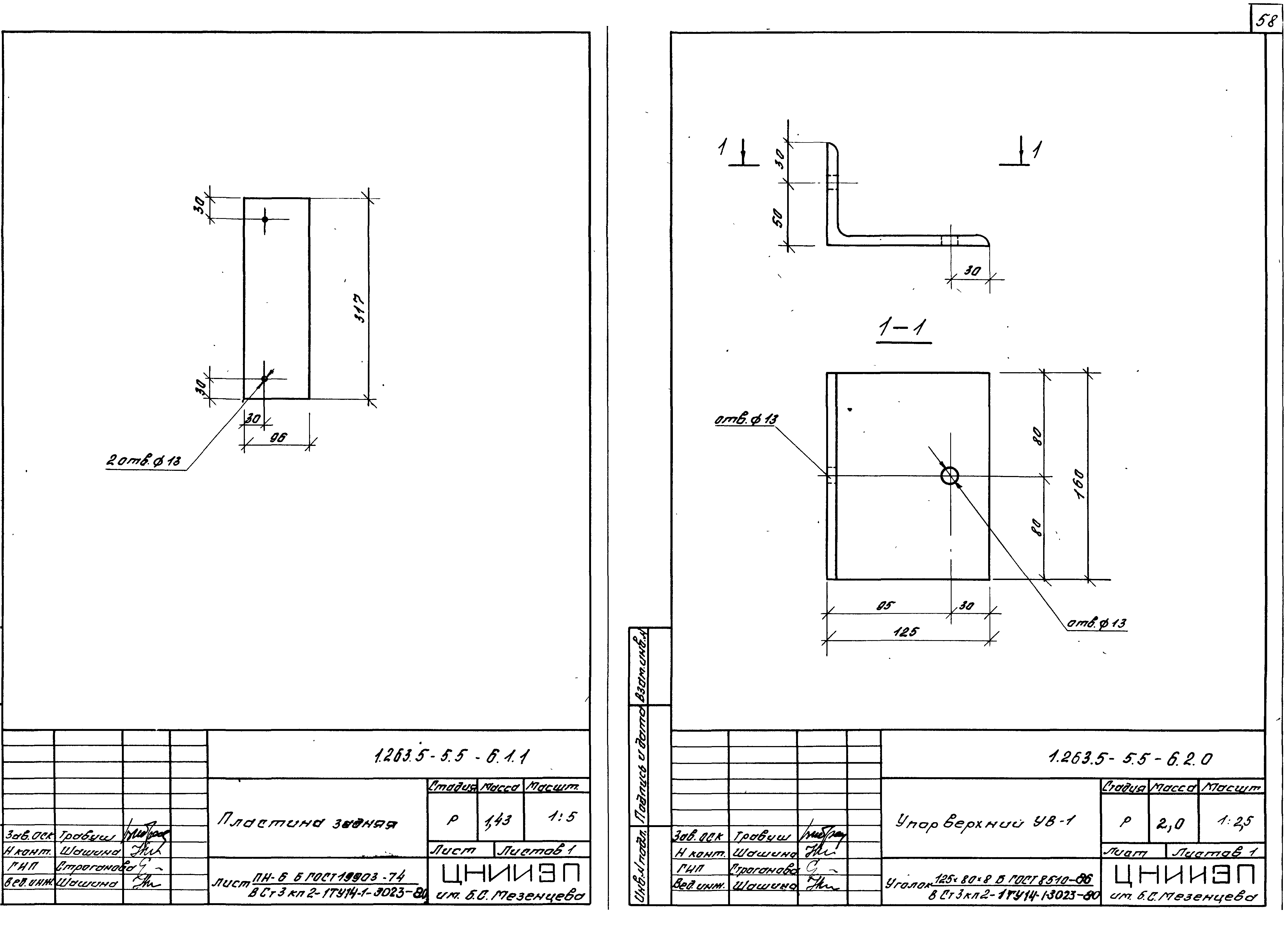
Скачать Серия 1.263.5-5 Выпуск 5. Трехшарнирные круговые арки пролетом 21, 24, 36, 42 м, шаг 3 и 4,5 м. Рабочие чертежиДата актуализации: 01.01.2021 Серия 1.263.5-5
Выпуск 5. Трехшарнирные круговые арки пролетом 21, 24, 36, 42 м, шаг 3 и 4,5 м. Рабочие чертежи| Обозначение: | Серия 1.263.5-5 | | Обозначение англ: | Series 1.263.5-5 | | Статус: | не определен законодательством | | Название рус.: | Выпуск 5. Трехшарнирные круговые арки пролетом 21, 24, 36, 42 м, шаг 3 и 4,5 м. Рабочие чертежи | | Дата добавления в базу: | 01.09.2013 | | Дата актуализации: | 01.01.2021 | | Дата введения: | 01.10.1990 | | Дата окончания срока действия: | 30.06.2003 | | Разработан: | ЦНИИЭП им. Б.С. Мезенцева Госгражданстроя
| | Утверждён: | 30.03.1990 Государственный комитет по гражданскому строительству и архитектуре при Госстрое СССР (26)
| | Издан: | ЦИТП Госстроя СССР (CITP, Gosstroy (USSR) 1990 г. )
|
                                                                
|