Скачать Серия 1.426.2-6 Выпуск 2. Балки пролетом 12 м. Чертежи КМДата актуализации: 01.01.2021
|
| Обозначение: | Серия 1.426.2-6 |
| Обозначение англ: | Series 1.426.2-6 |
| Статус: | действует |
| Название рус.: | Выпуск 2. Балки пролетом 12 м. Чертежи КМ |
| Дата добавления в базу: | 01.09.2013 |
| Дата актуализации: | 01.01.2021 |
| Дата введения: | 01.10.1989 |
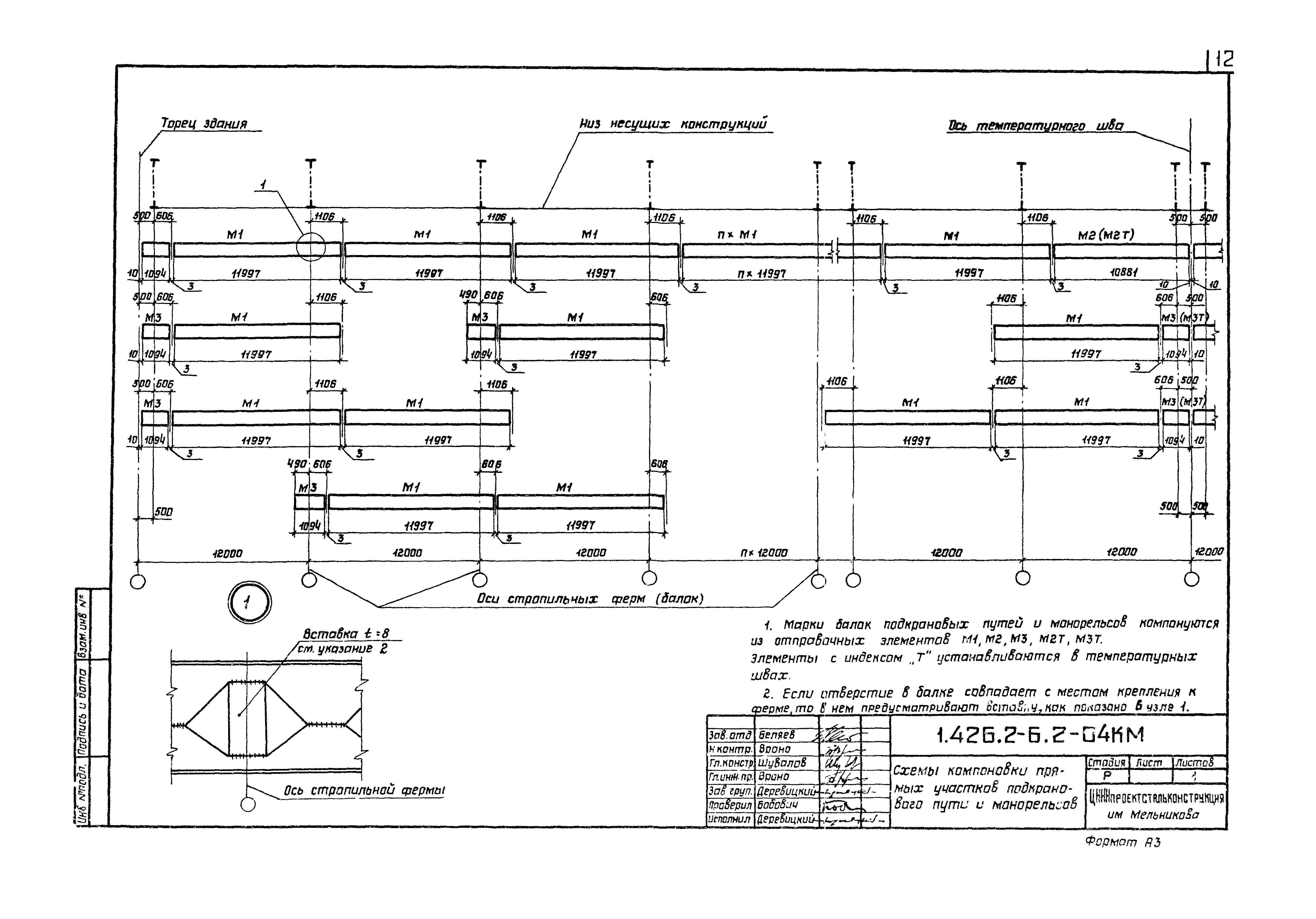
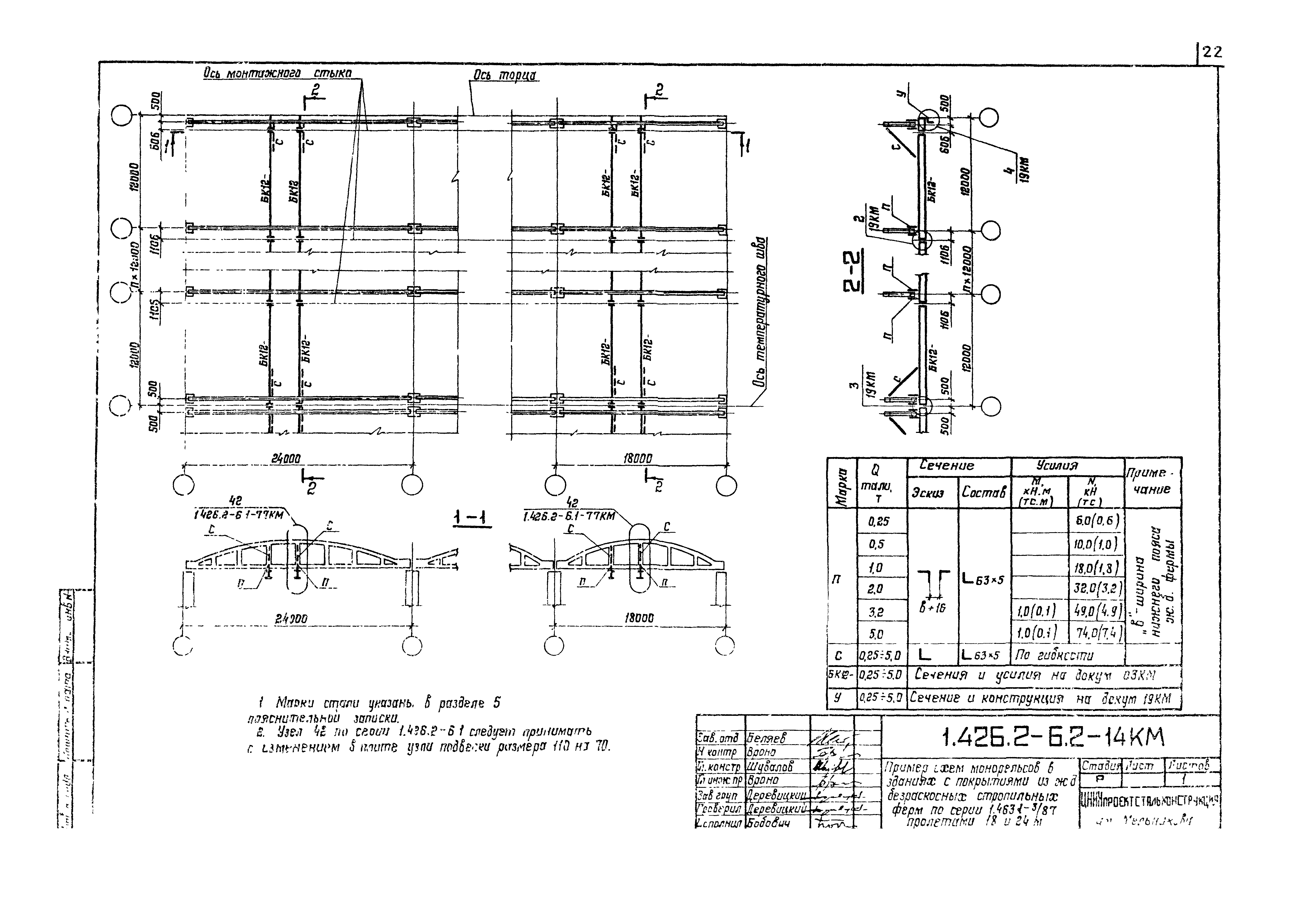
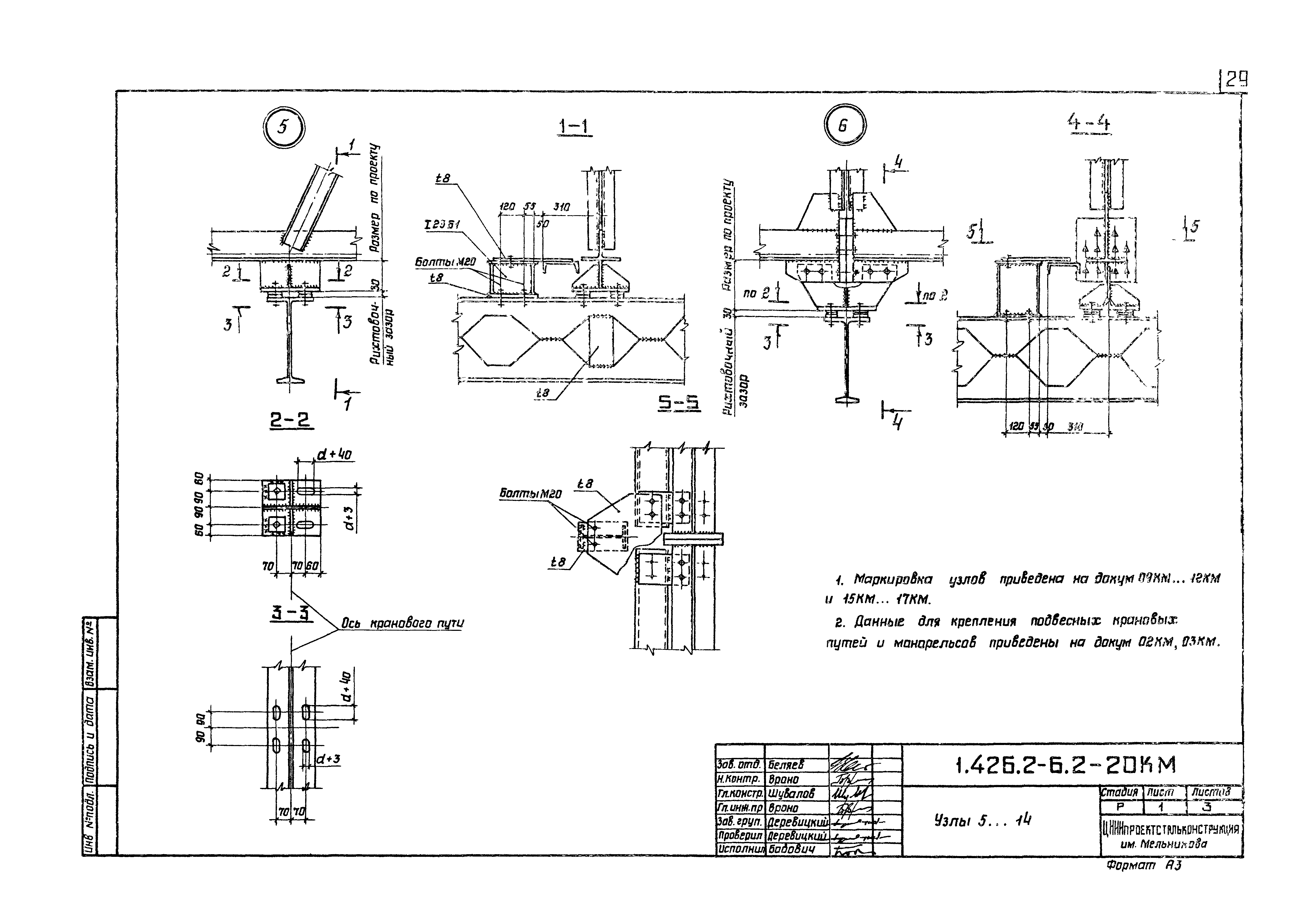
| Оглавление: | 1.426.2-6.2-00ПЗКМ Пояснительная записка 1.426.2-6.2-01КМ Нагрузки от подвесных кранов 1.426.2-6.2-02КМ Данные для выбора марок балок путей подвесных кранов и их креплений 1.426.2-6.2-03КМ Данные для выбора марок монорельсов и их креплений 1.426.2-6.2-04КМ Схемы компоновки прямых участков подкранового пути и монорельсов 1.426.2-6.2-05КМ Пример схем путей подвесных кранов грузоподъемностью до 5 т в зданиях с покрытиями из ж.б. сегментных ферм по серии ПК-01-129/78 пролетом 18 м 1.426.2-6.2-06КМ Пример схем путей подвесных кранов грузоподъемностью до 5 т в зданиях с покрытиями из ж.б. сегментных ферм по серии ПК-01-129/78 пролетом 24 м 1.426.2-6.2-07КМ Пример схем путей подвесных кранов грузоподъемностью до 5 т в зданиях с покрытиями из ж.б. безраскосных стропильных ферм по серии 1.463.1-3/87 пролетом 18 и 24 м. Вариант 1 1.426.2-6.2-08КМ Пример схем путей подвесных кранов грузоподъемностью до 5 т в зданиях с покрытиями из ж.б. безраскосных стропильных ферм по серии 1.463.1-3/87 пролетом 18 и 24 м. Вариант 2 1.426.2-6.2-09КМ Пример схем путей подвесных кранов грузоподъемностью до 5 т в зданиях с покрытиями из стальных ферм с поясами из тавров и уголков 1.426.2-6.2-10КМ Пример схем путей подвесных кранов грузоподъемностью до 10 т в зданиях с покрытиями из стальных ферм с поясами из тавров и уголков 1.426.2-6.2-11КМ Схемы путей подвесных кранов грузоподъемностью до 5 т в зданиях пролетом 18 м с каркасами типа "Канск" по шифру 11-2537КМ 1.426.2-6.2-12КМ Схемы путей подвесных кранов грузоподъемностью до 5 т в зданиях пролетом 24 м с каркасами типа "Канск" по шифру 11-2537КМ 1.426.2-6.2-13КМ Пример схем монорельсов в зданиях с покрытиями из ж.б. сегментных стропильных ферм по серии 7К-01-129/78 пролетами 18 и 24 м 1.426.2-6.2-14КМ Пример схем монорельсов в зданиях с покрытиями из ж.б. безраскосных стропильных ферм по серии 1.463.1-3/87 пролетами 18 и 24 м 1.426.2-6.2-15КМ Пример схем монорельсов в зданиях с покрытиями из стальных ферм с поясами из тавров и уголков 1.426.2-6.2-16КМ Пример схем криволинейных участков монорельсового пути в зданиях с покрытием из ж.б. сегментных ферм 1.426.2-6.2-17КМ Пример схем криволинейных участков подвесного монорельсового пути в зданиях с покрытием из стальных ферм с поясами из тавров и уголков 1.426.2-6.2-18КМ Отправочные элементы балок подкрановых путей и монорельсов 1.426.2-6.2-19КМ Узлы 2,3,4 1.426.2-6.2-20КМ Узлы 5...14 1.426.2-6.2-21КМ Геометрические характеристики балок подкрановых путей и монорельсов 1.426.2-6.2-22КМ Расчетные нагрузки на фермы от подвесных кранов 1.426.2-6.2-23КМ Нагрузки от подвесных кранов первой категории по ГОСТ 7890-84 |
| Разработан: | ЦНИИПСК им. Мельникова |
| Утверждён: | 13.01.1989 Госстрой СССР (Государственный комитет Совета Министров СССР по делам строительства) (USSR Gosstroy 4/6-82) |
| Издан: | ЦИТП Госстроя СССР (CITP, Gosstroy (USSR) 1989 г. ) |


































