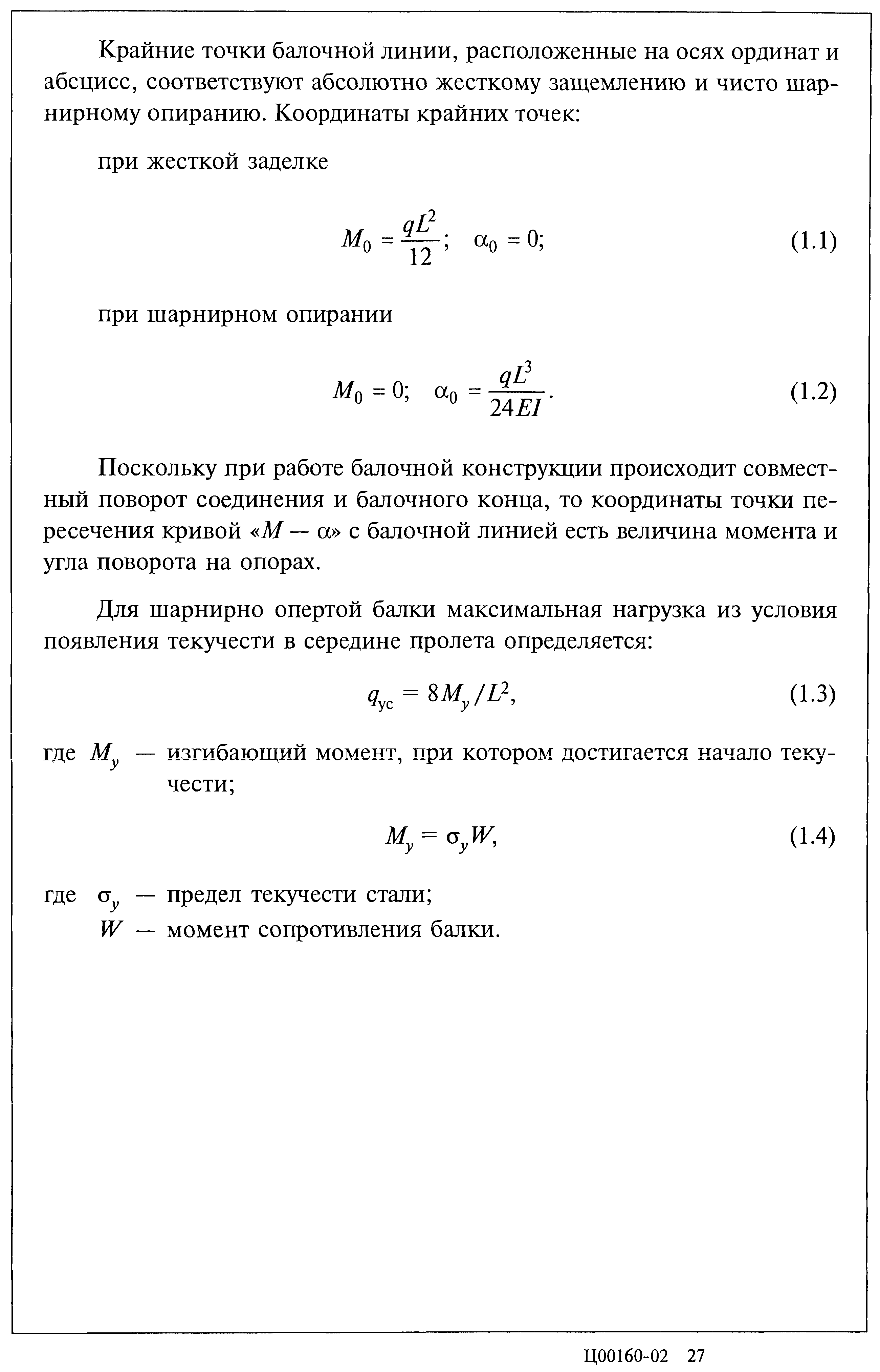
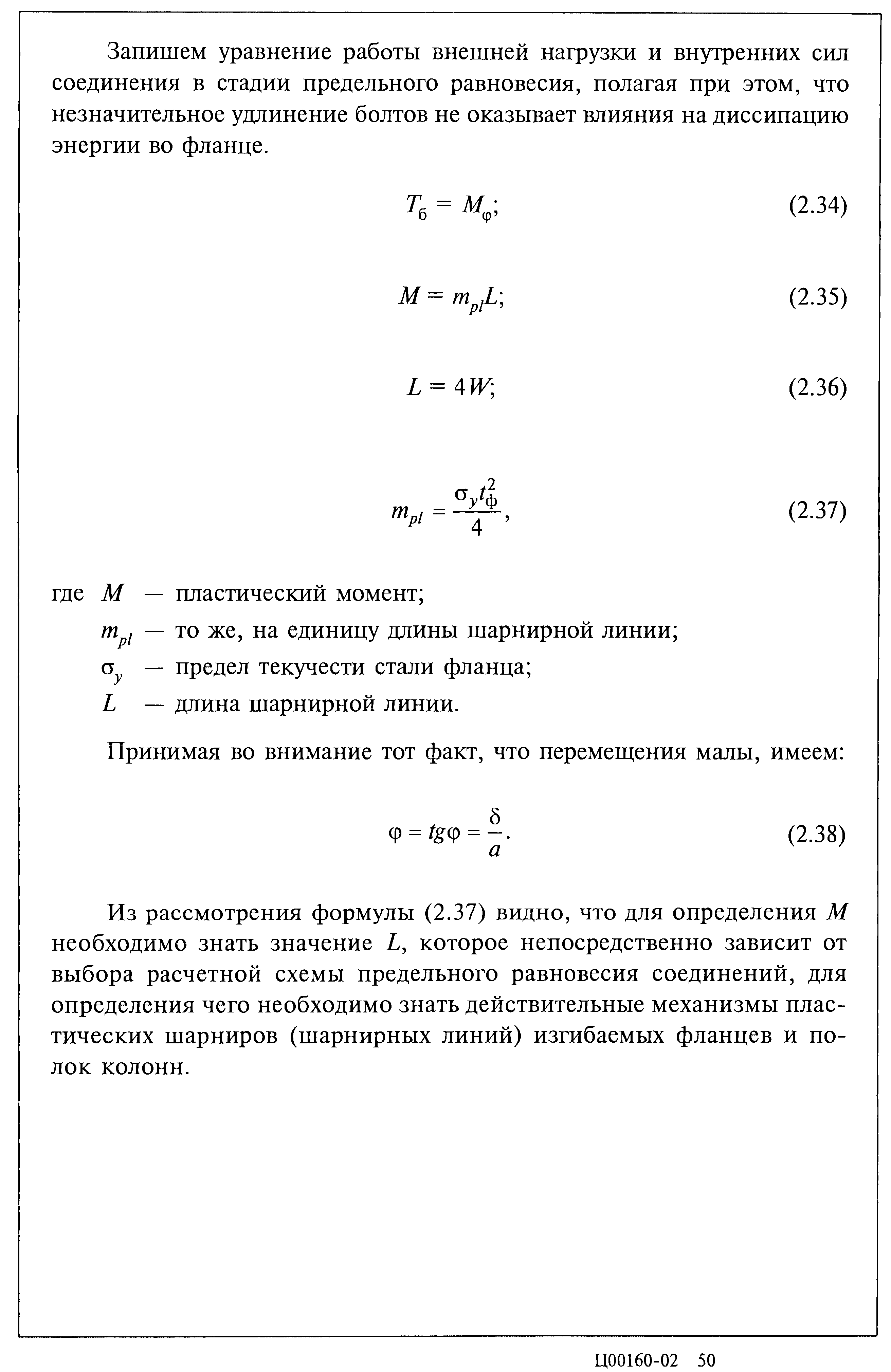
Скачать Серия 2.440-2 Выпуск 7. Болтовые фланцевые рамные соединения балок с колоннами стальных каркасов зданий и сооружений. Материалы для проектирования и рабочие чертежи с программным обеспечением

Дата актуализации: 01.01.2021

Серия 2.440-2

Выпуск 7. Болтовые фланцевые рамные соединения балок с колоннами стальных каркасов зданий и сооружений. Материалы для проектирования и рабочие чертежи с программным обеспечением

Обозначение: Серия 2.440-2
Обозначение англ: Series 2.440-2
Статус:не определен законодательством
Название рус.:Выпуск 7. Болтовые фланцевые рамные соединения балок с колоннами стальных каркасов зданий и сооружений. Материалы для проектирования и рабочие чертежи с программным обеспечением
Дата добавления в базу:01.09.2013
Дата актуализации:01.01.2021
Дата введения:01.02.1994
Дата окончания срока действия:30.06.2003
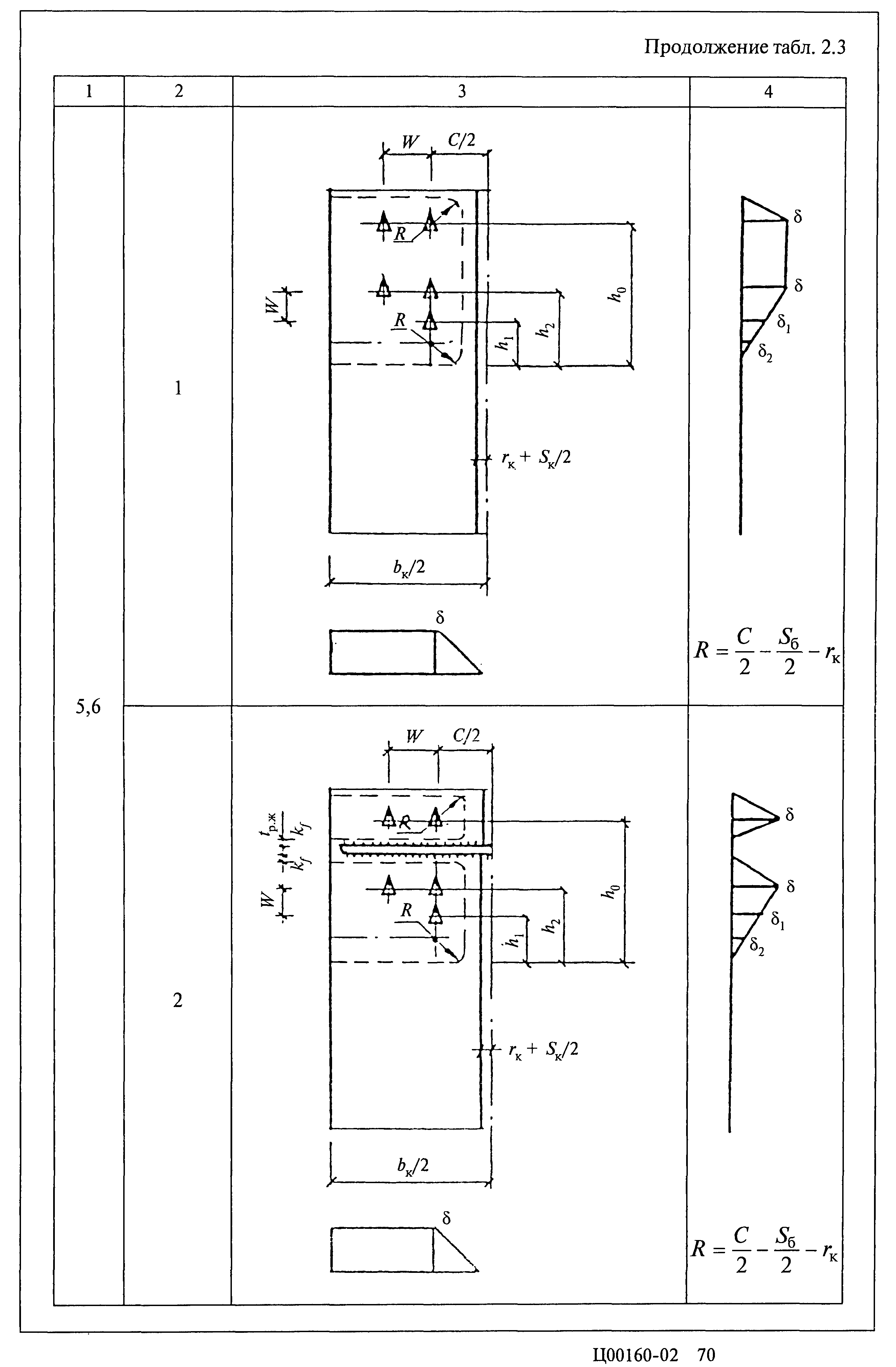
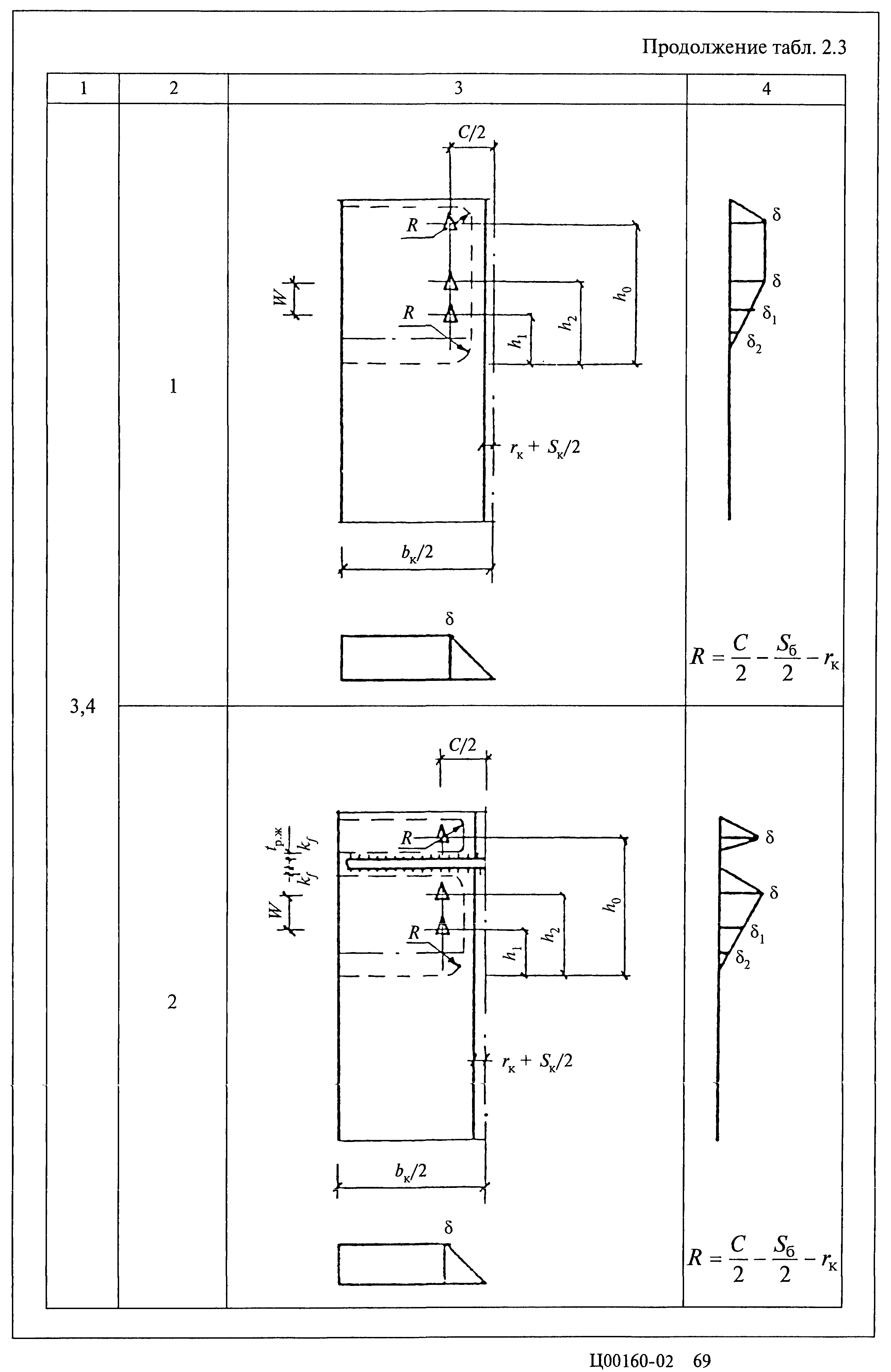
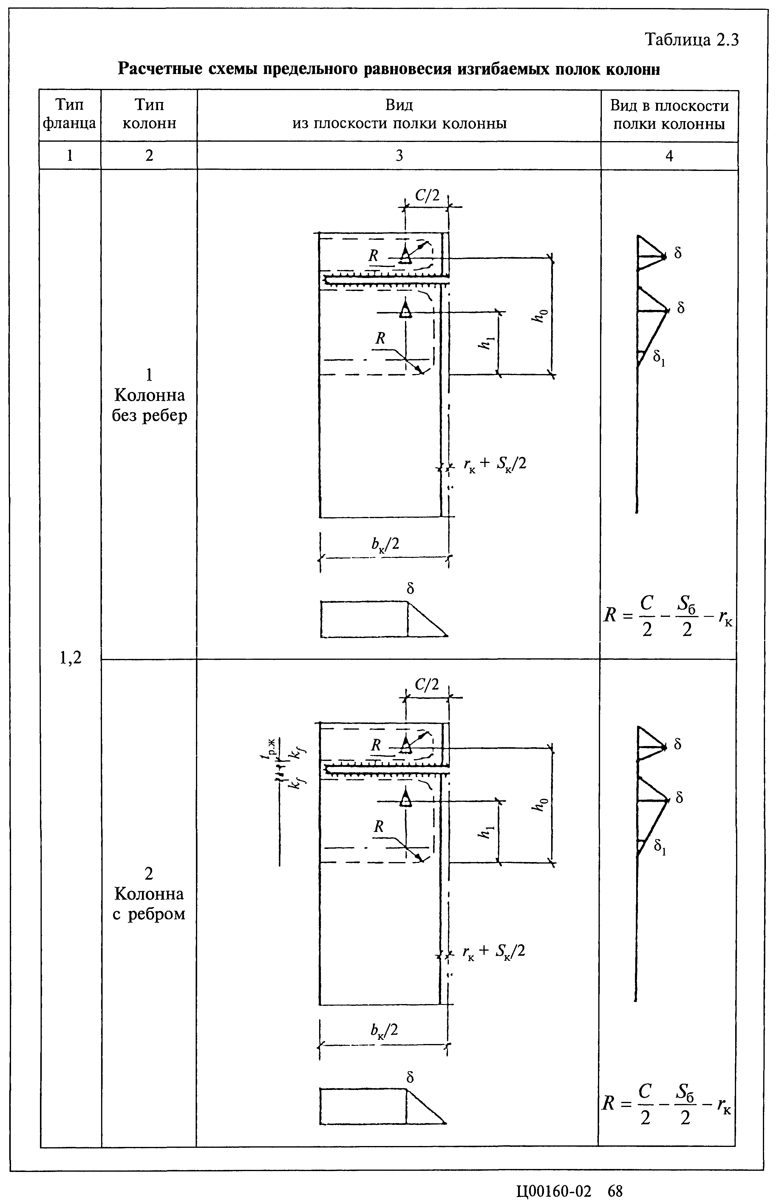
Оглавление:Раздел 1 Пояснительная записка к программному обеспечению
Раздел 2 Методика расчета прочности, жесткости и деформативности рамных фланцевых соединений
Разработан: НИПИПромстальконструкция
Утверждён:29.12.1993 Госстрой России (Russian Federation Gosstroy 9-3-3/306)
Серия 2.440-2Серия 2.440-2Серия 2.440-2Серия 2.440-2Серия 2.440-2Серия 2.440-2Серия 2.440-2Серия 2.440-2Серия 2.440-2Серия 2.440-2Серия 2.440-2Серия 2.440-2Серия 2.440-2Серия 2.440-2Серия 2.440-2Серия 2.440-2Серия 2.440-2Серия 2.440-2Серия 2.440-2Серия 2.440-2Серия 2.440-2Серия 2.440-2Серия 2.440-2Серия 2.440-2Серия 2.440-2Серия 2.440-2Серия 2.440-2Серия 2.440-2Серия 2.440-2Серия 2.440-2Серия 2.440-2Серия 2.440-2Серия 2.440-2Серия 2.440-2Серия 2.440-2Серия 2.440-2Серия 2.440-2Серия 2.440-2Серия 2.440-2Серия 2.440-2Серия 2.440-2Серия 2.440-2Серия 2.440-2Серия 2.440-2Серия 2.440-2Серия 2.440-2Серия 2.440-2Серия 2.440-2Серия 2.440-2Серия 2.440-2Серия 2.440-2Серия 2.440-2Серия 2.440-2Серия 2.440-2Серия 2.440-2Серия 2.440-2Серия 2.440-2Серия 2.440-2Серия 2.440-2Серия 2.440-2Серия 2.440-2Серия 2.440-2Серия 2.440-2Серия 2.440-2Серия 2.440-2Серия 2.440-2Серия 2.440-2Серия 2.440-2Серия 2.440-2Серия 2.440-2Серия 2.440-2Серия 2.440-2Серия 2.440-2Серия 2.440-2Серия 2.440-2Серия 2.440-2Серия 2.440-2Серия 2.440-2Серия 2.440-2Серия 2.440-2Серия 2.440-2Серия 2.440-2Серия 2.440-2