Скачать Серия 1.090.1-1/88 Выпуск 2-4. Панели наружных стен трехслойные на жестких связях. Рабочие чертежиДата актуализации: 01.01.2021
|
| Обозначение: | Серия 1.090.1-1/88 |
| Обозначение англ: | Series 1.090.1-1/88 |
| Статус: | действует |
| Название рус.: | Выпуск 2-4. Панели наружных стен трехслойные на жестких связях. Рабочие чертежи |
| Дата добавления в базу: | 01.09.2013 |
| Дата актуализации: | 01.01.2021 |
| Дата введения: | 01.10.1989 |
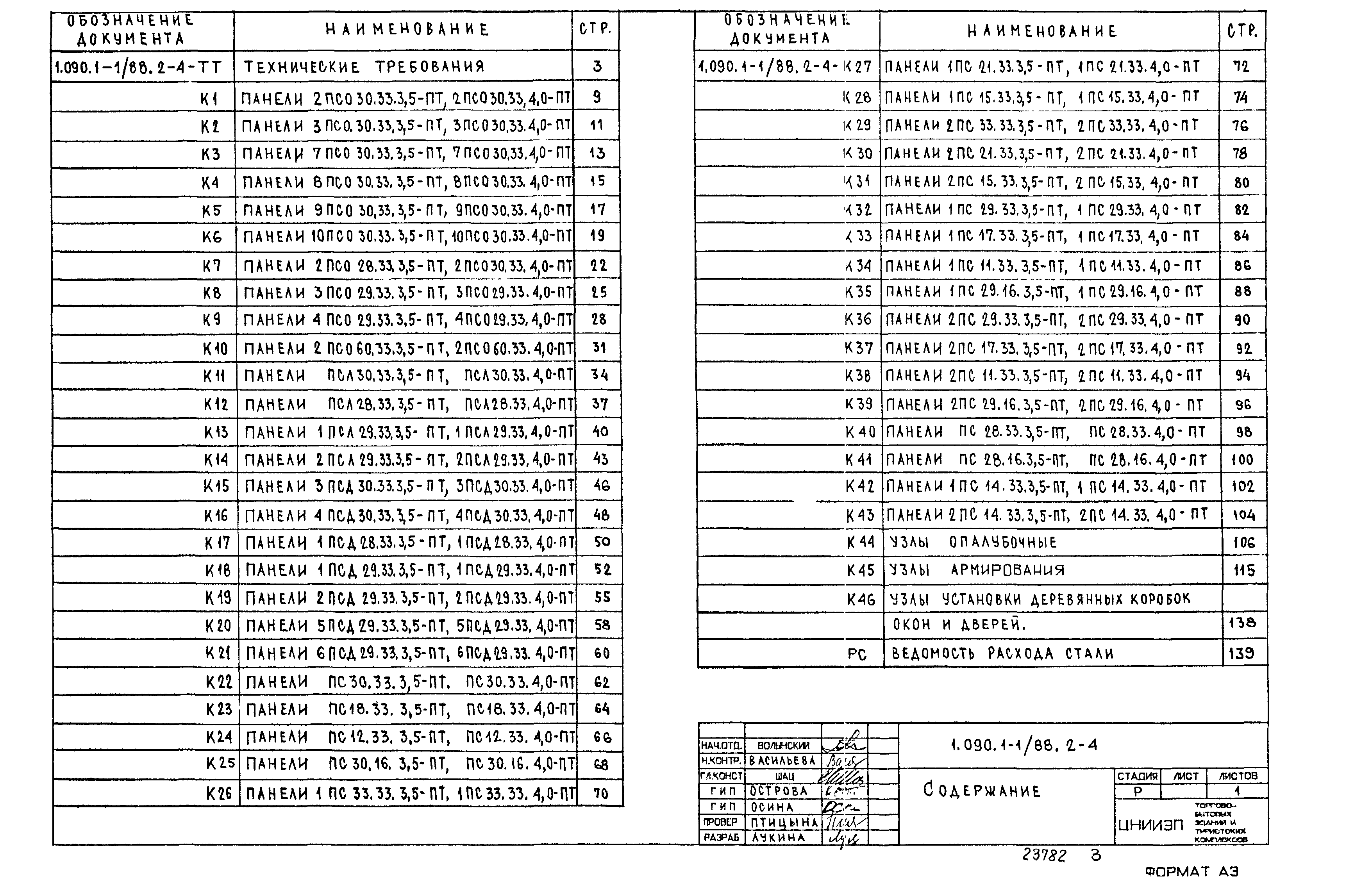
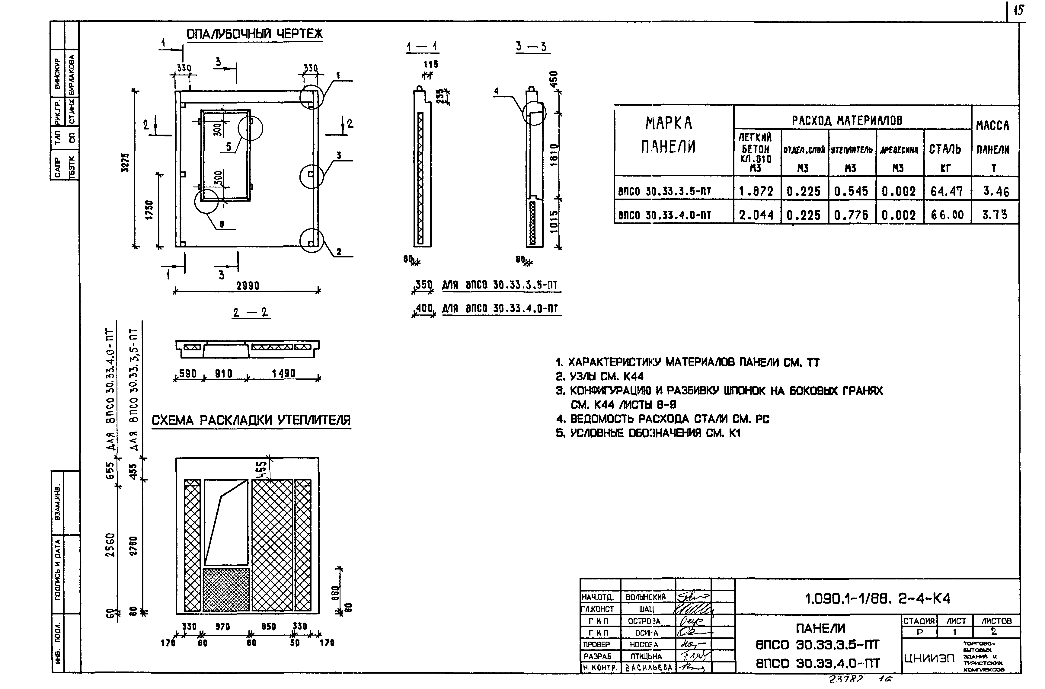
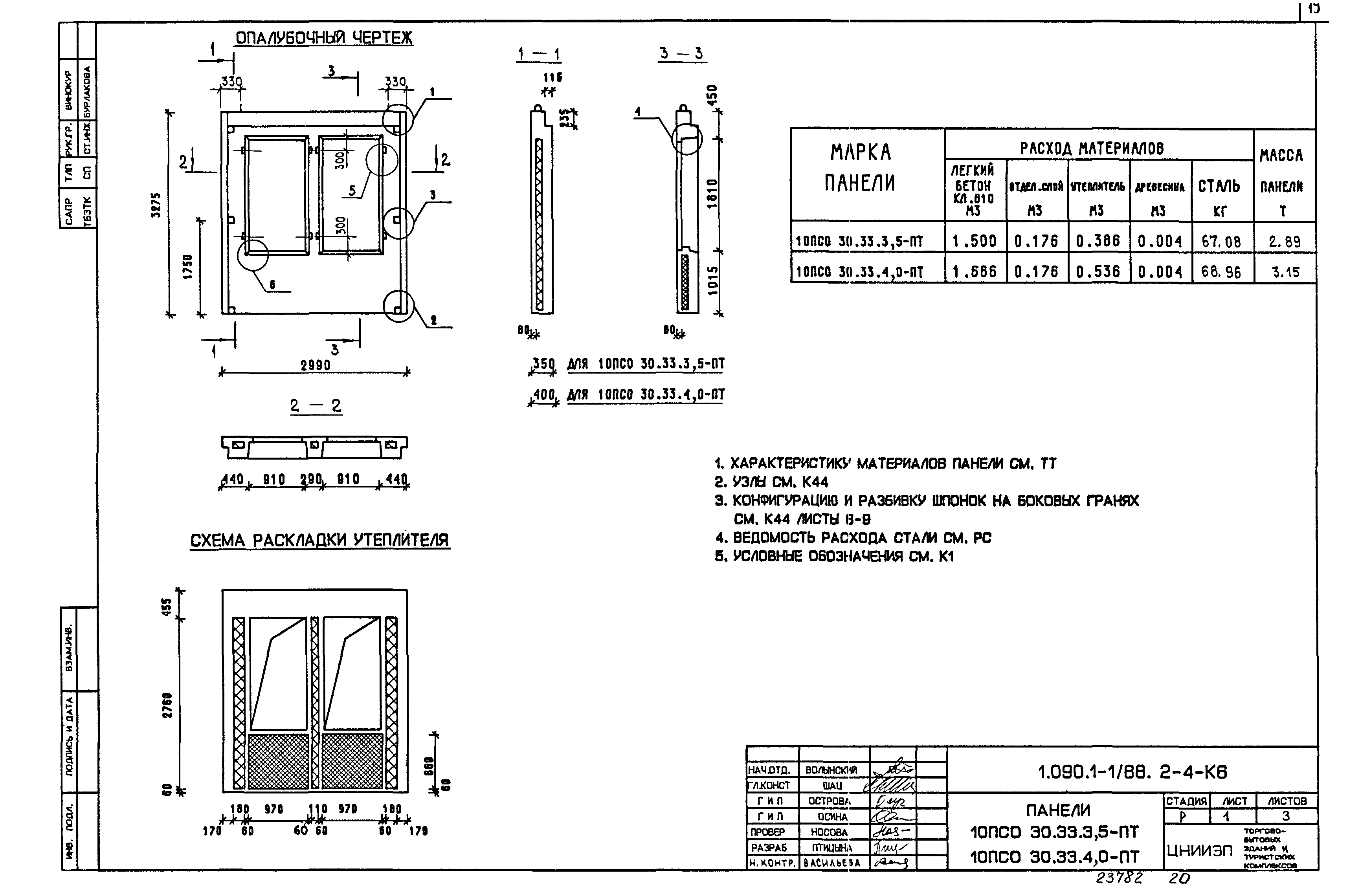
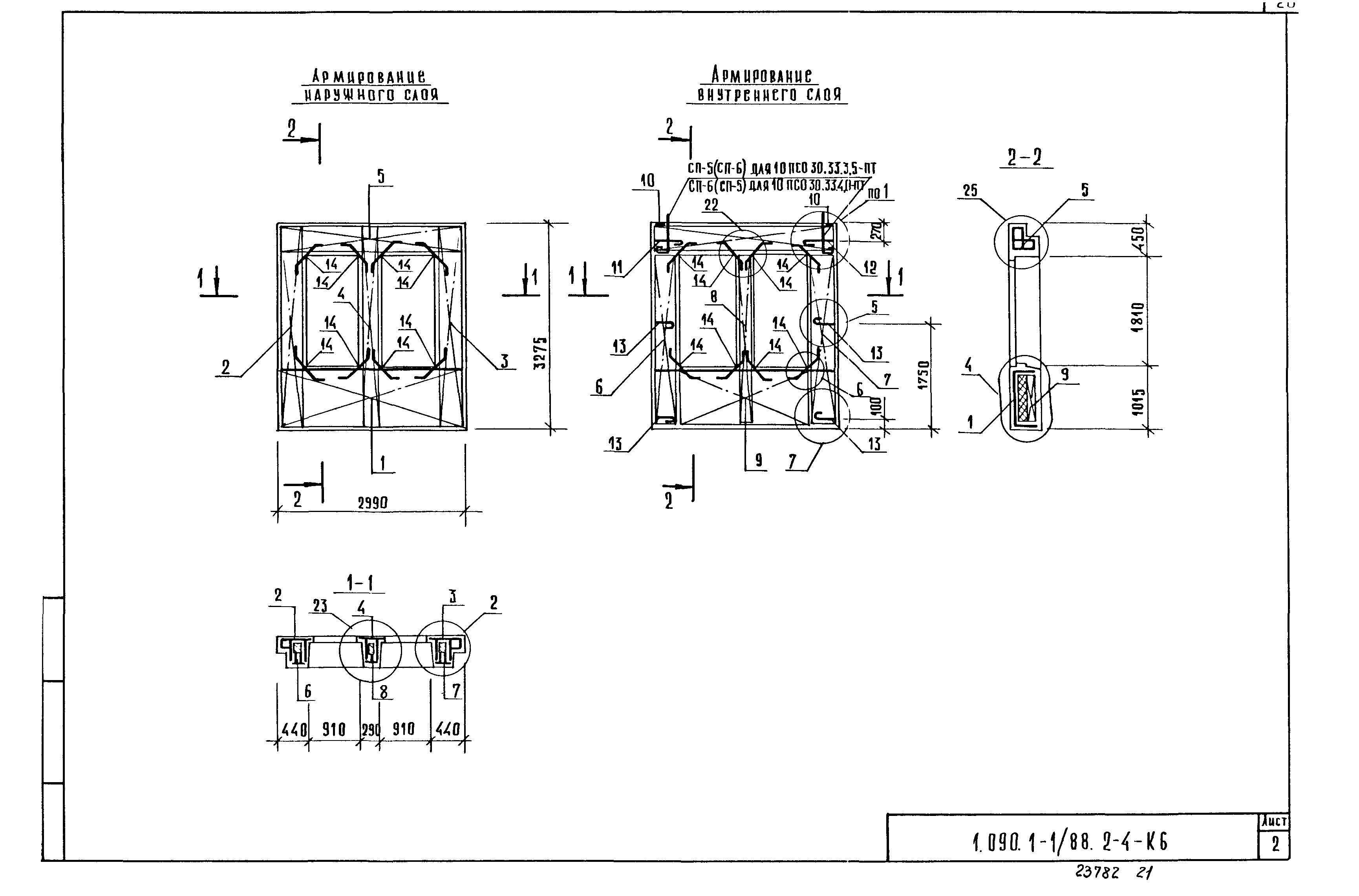
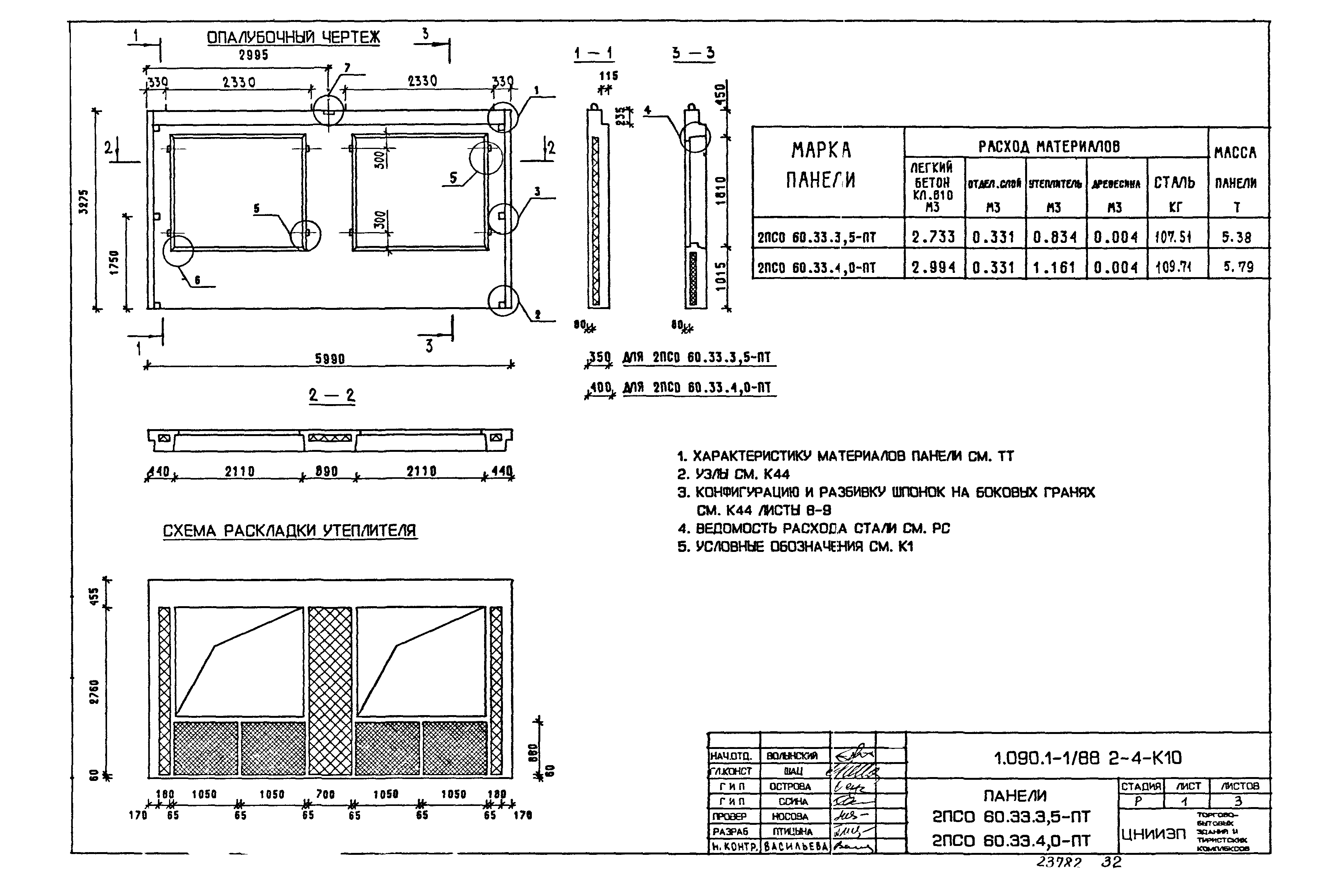
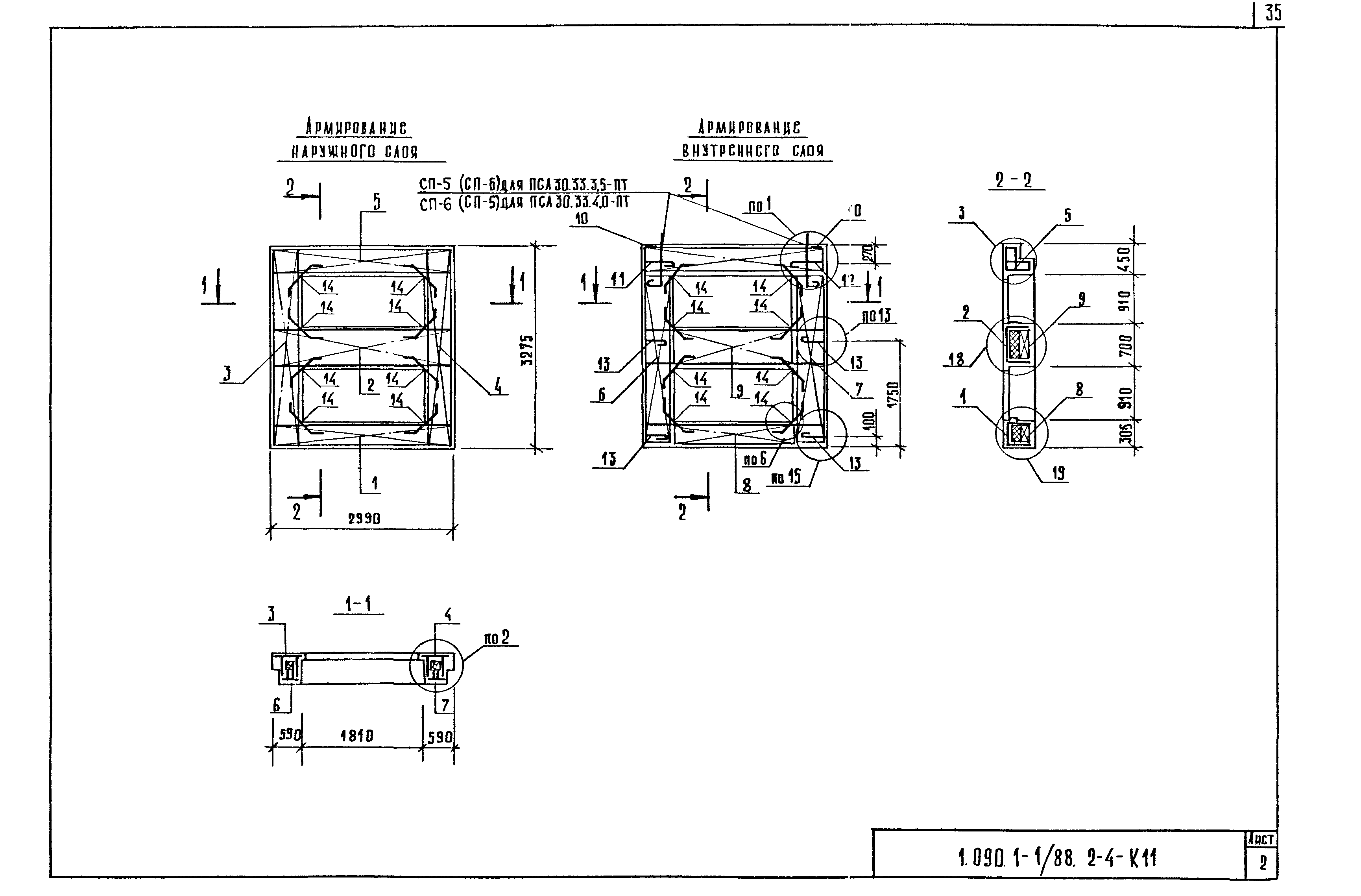
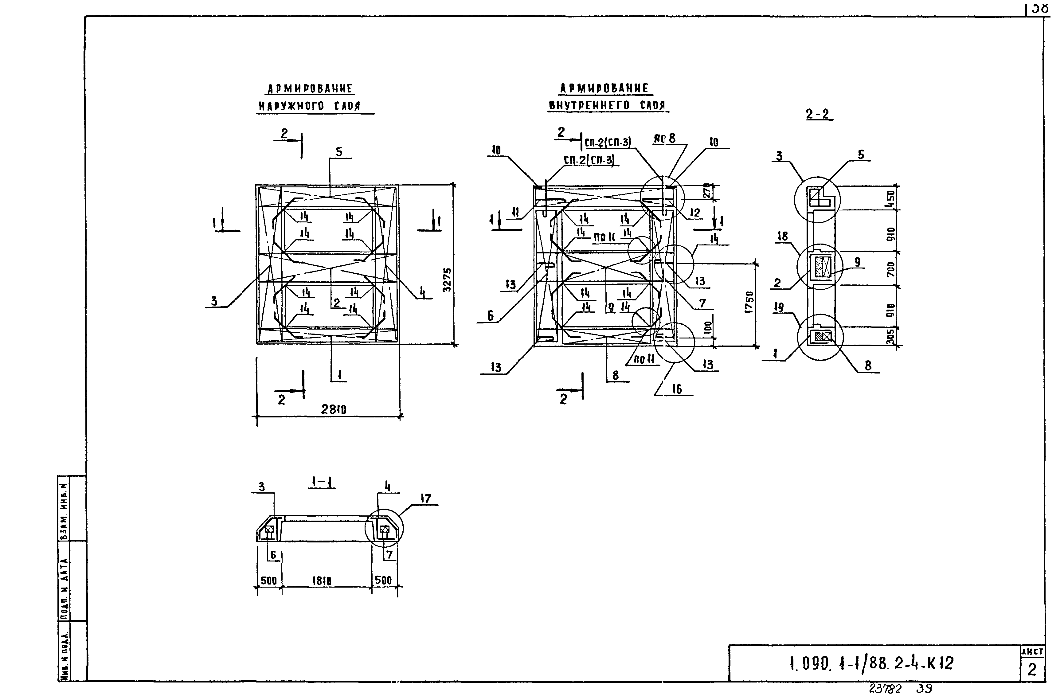
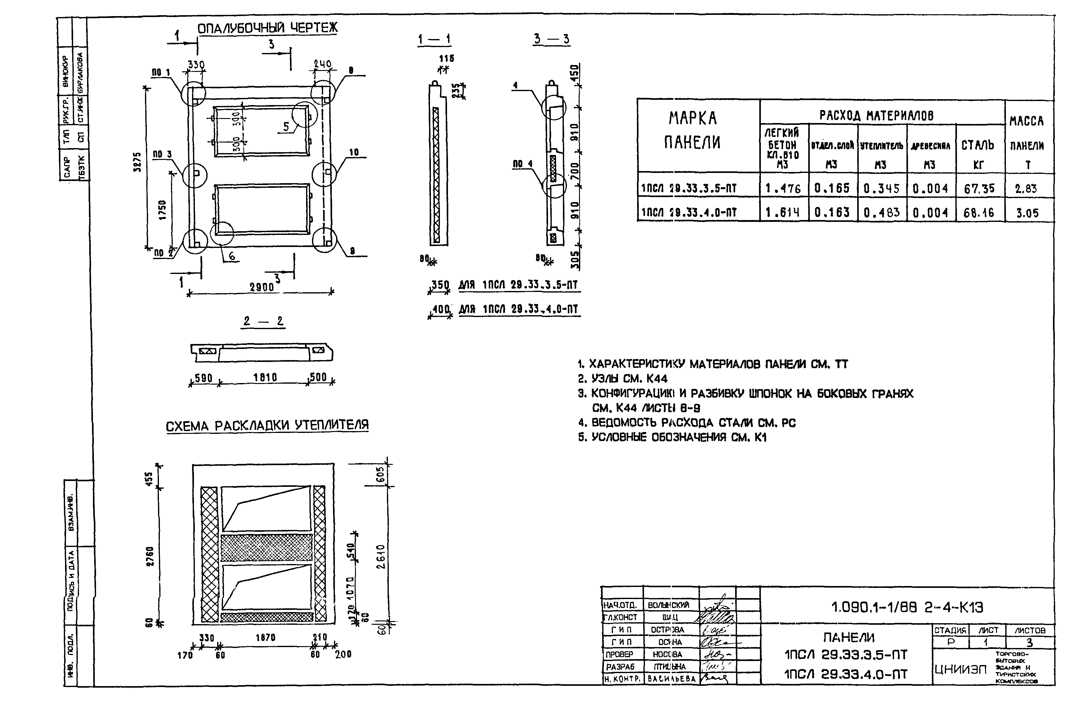
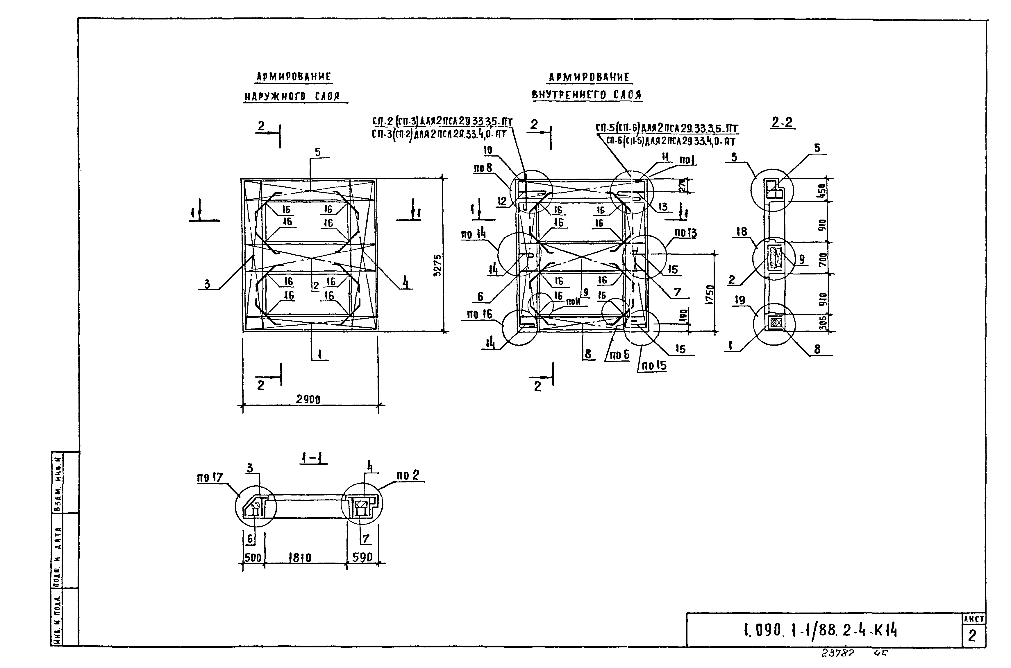
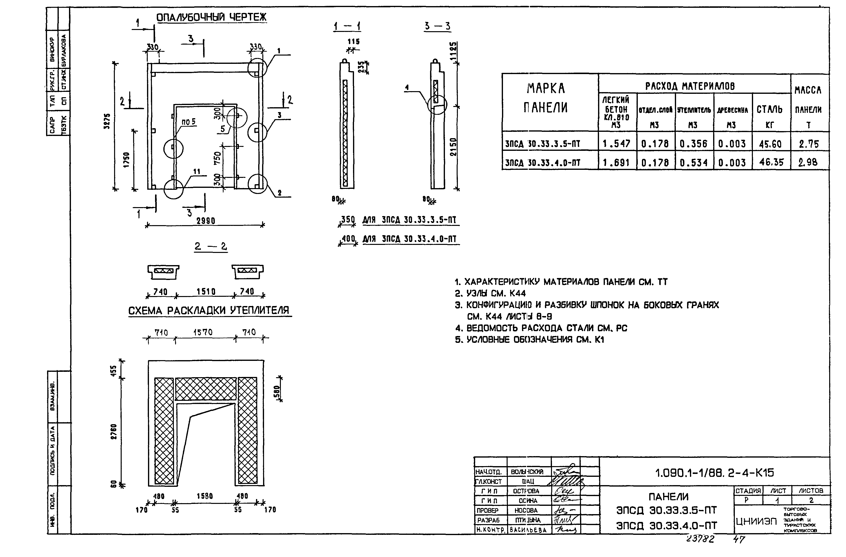
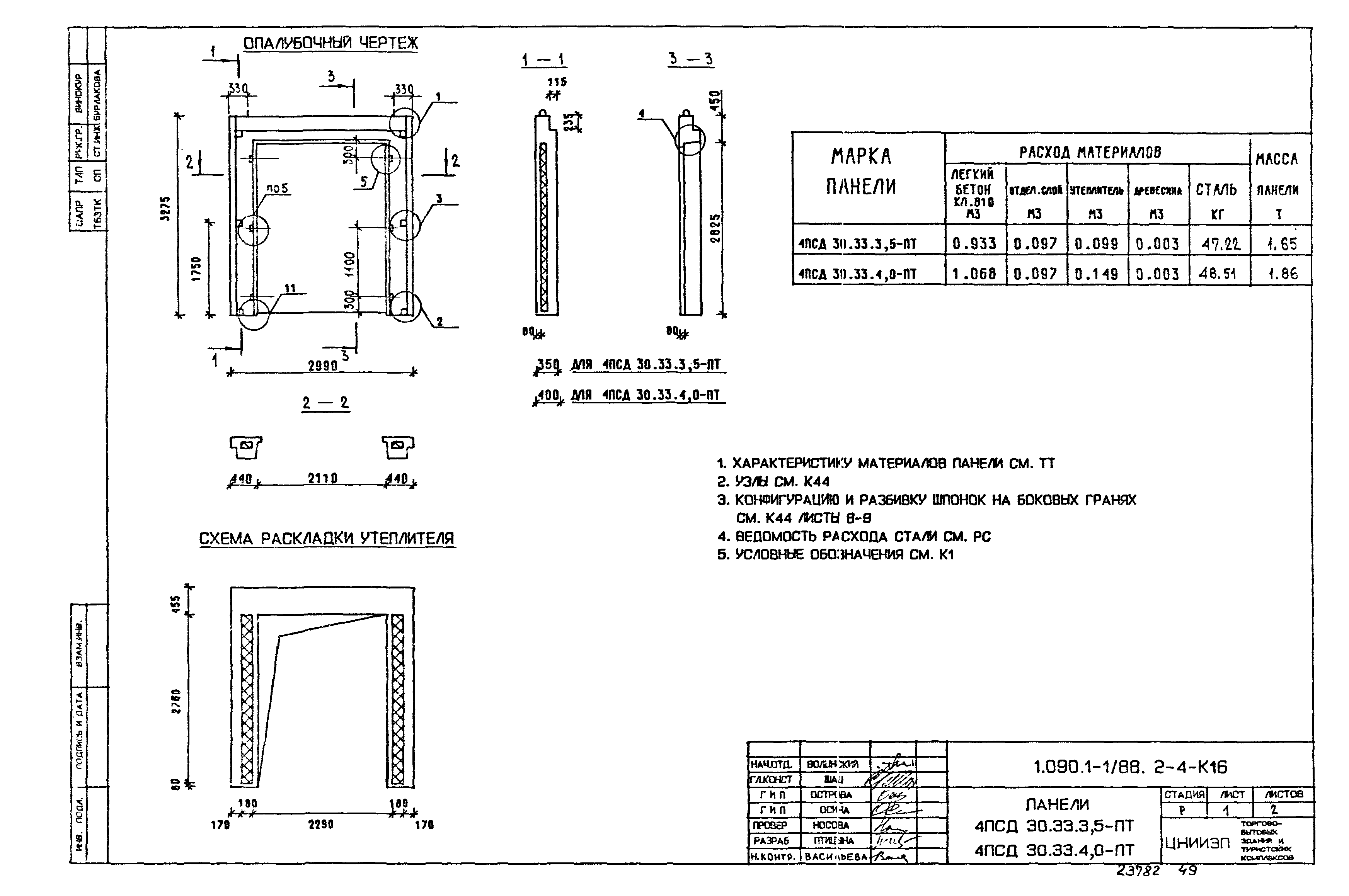
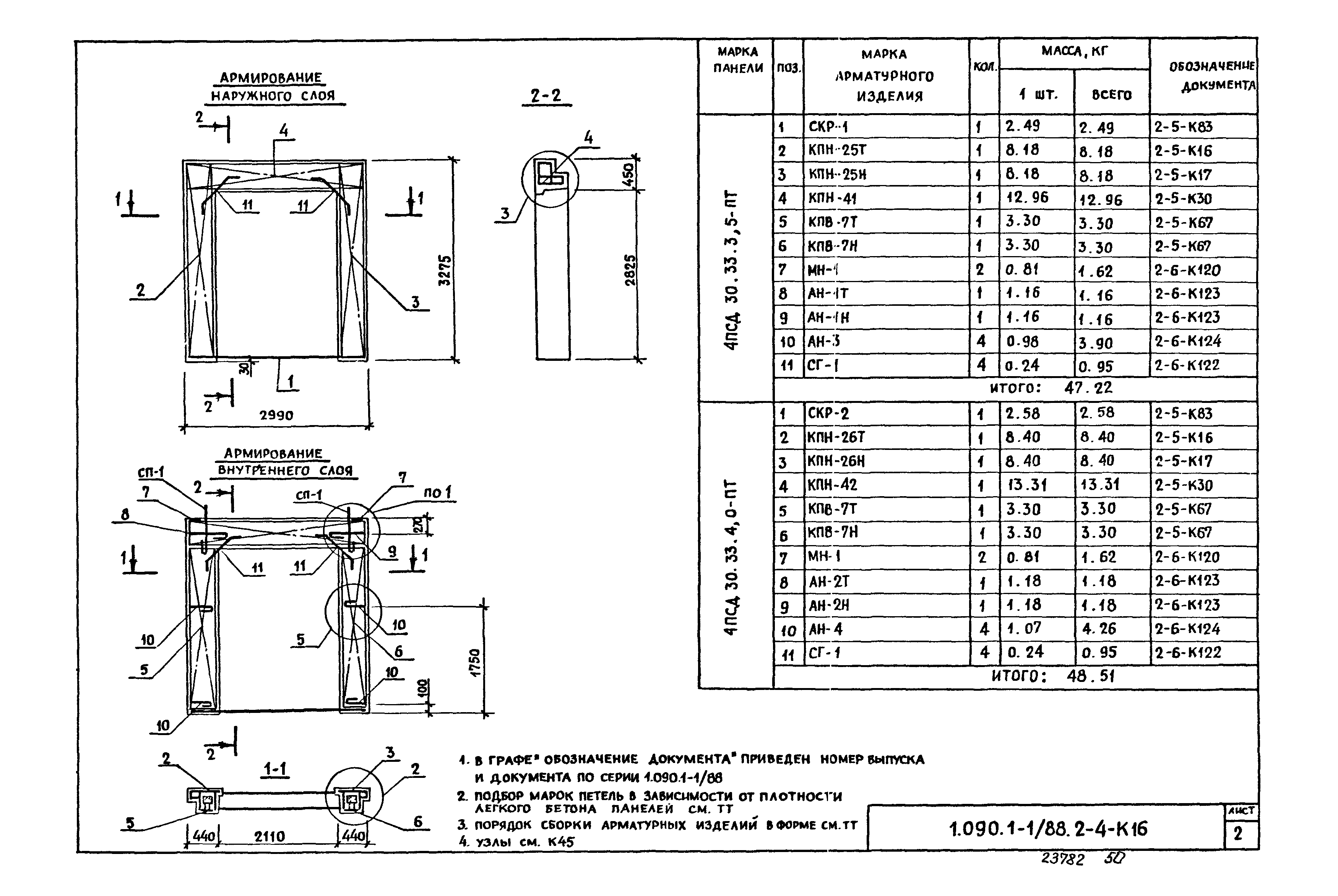
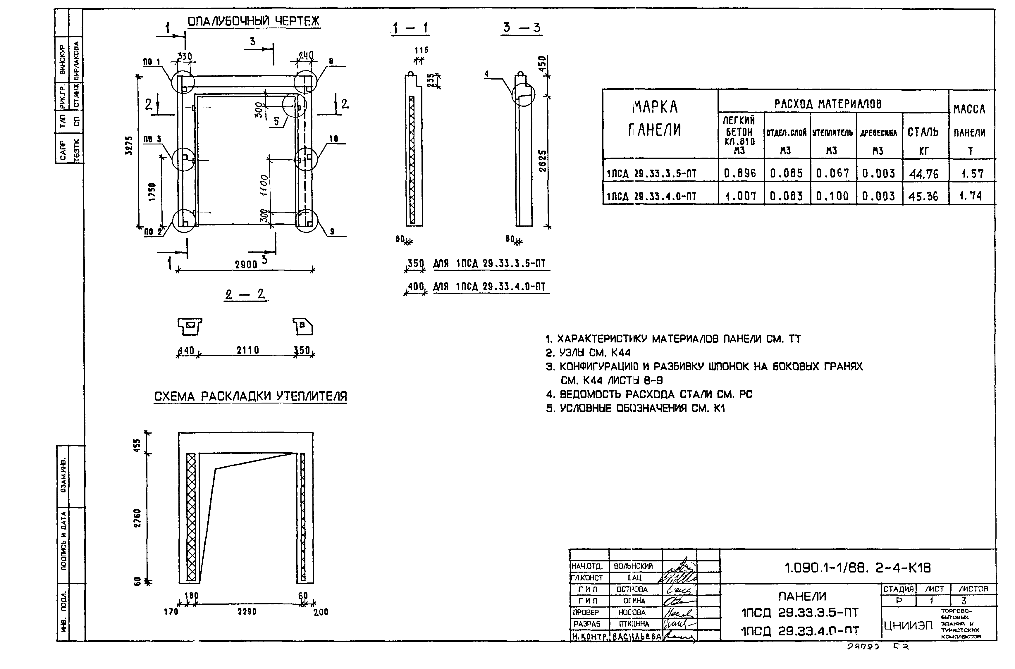
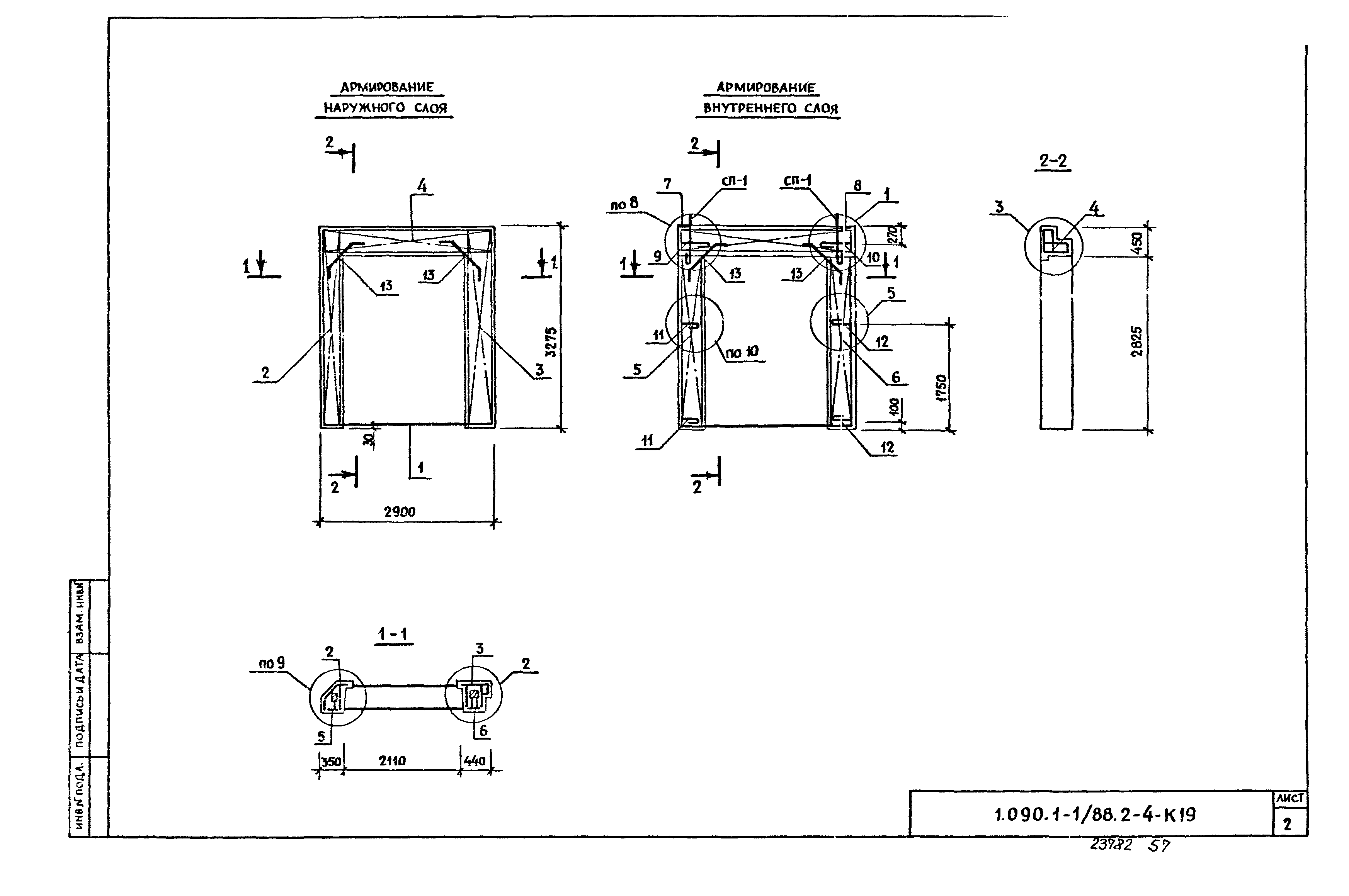
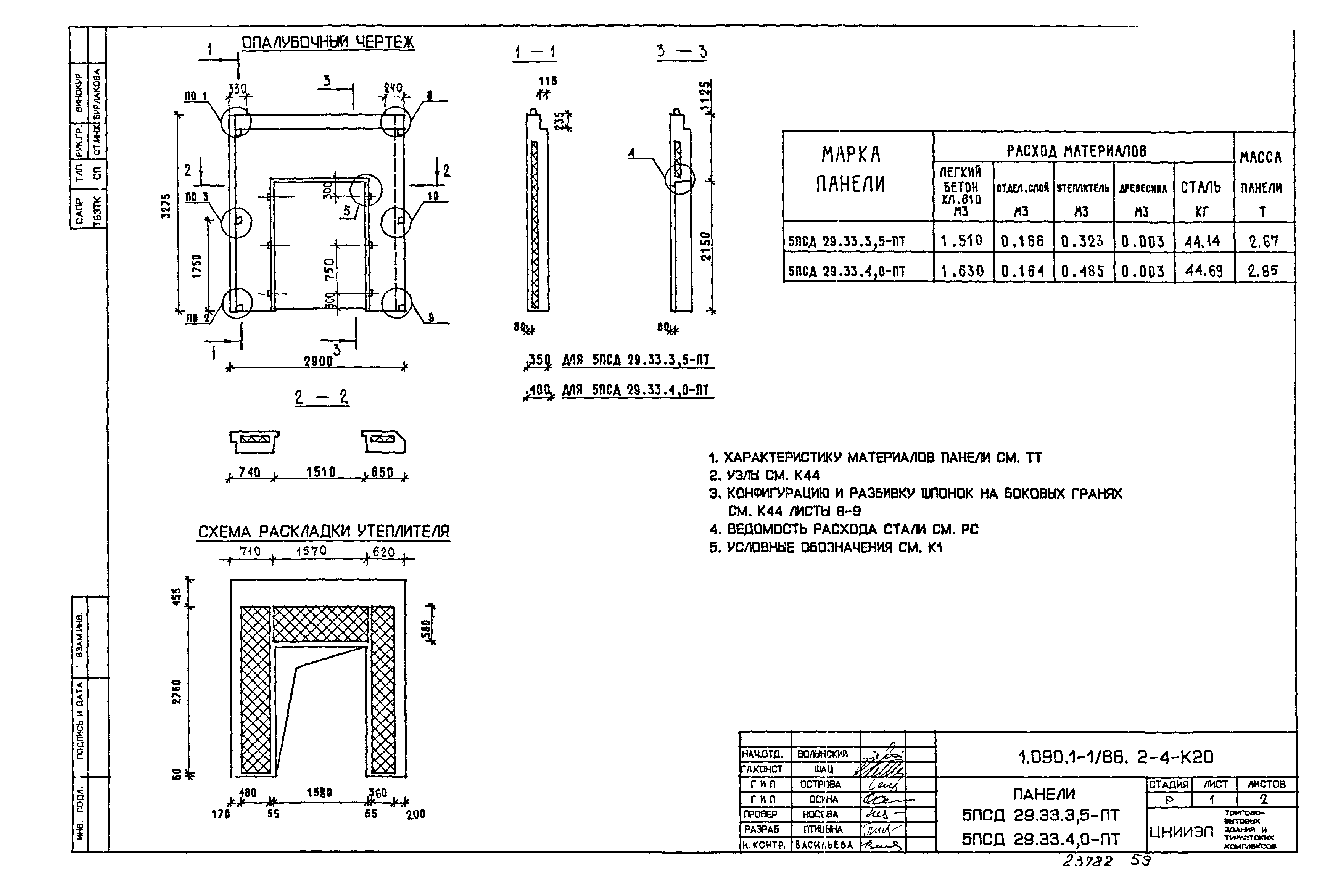
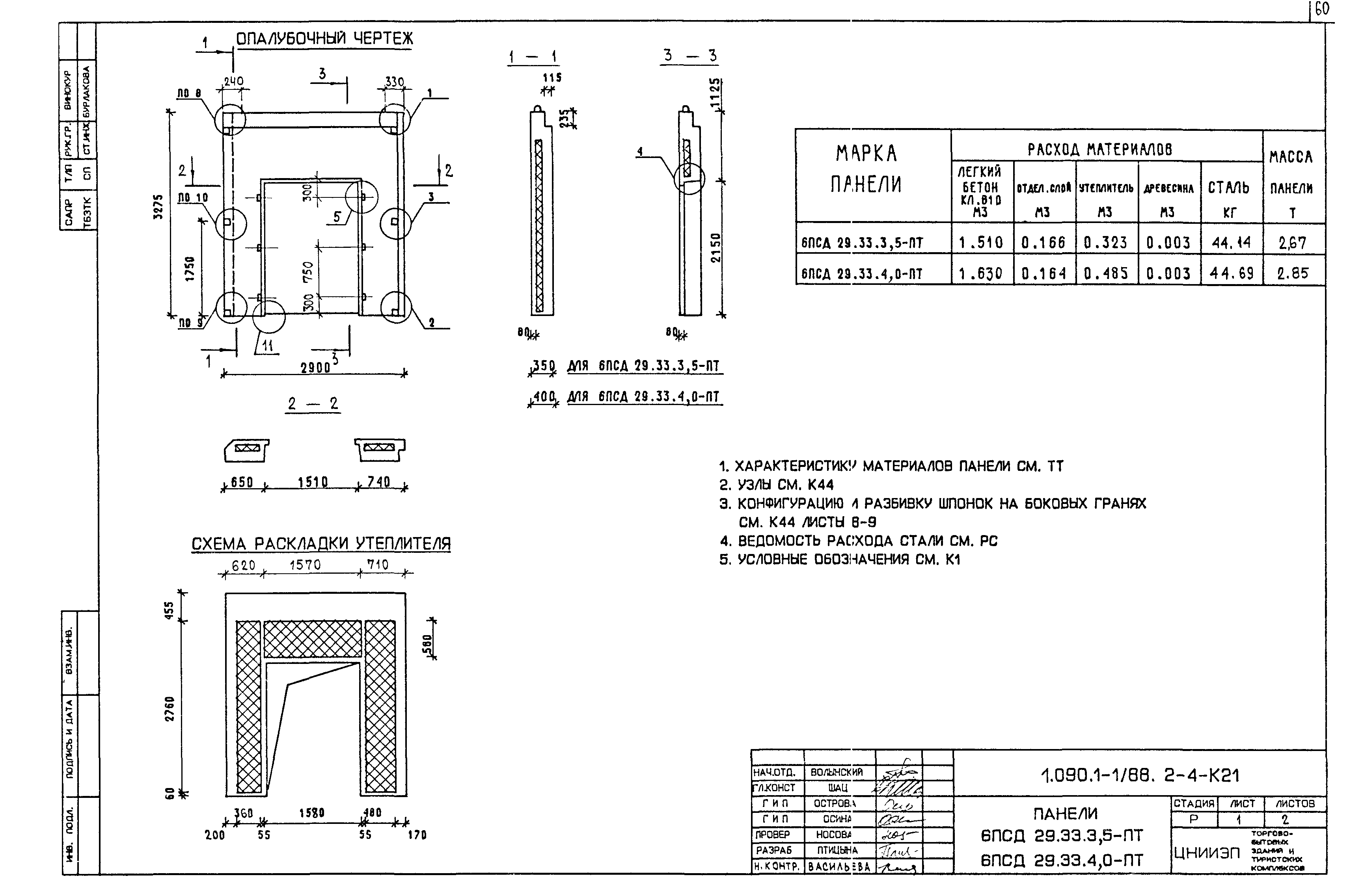
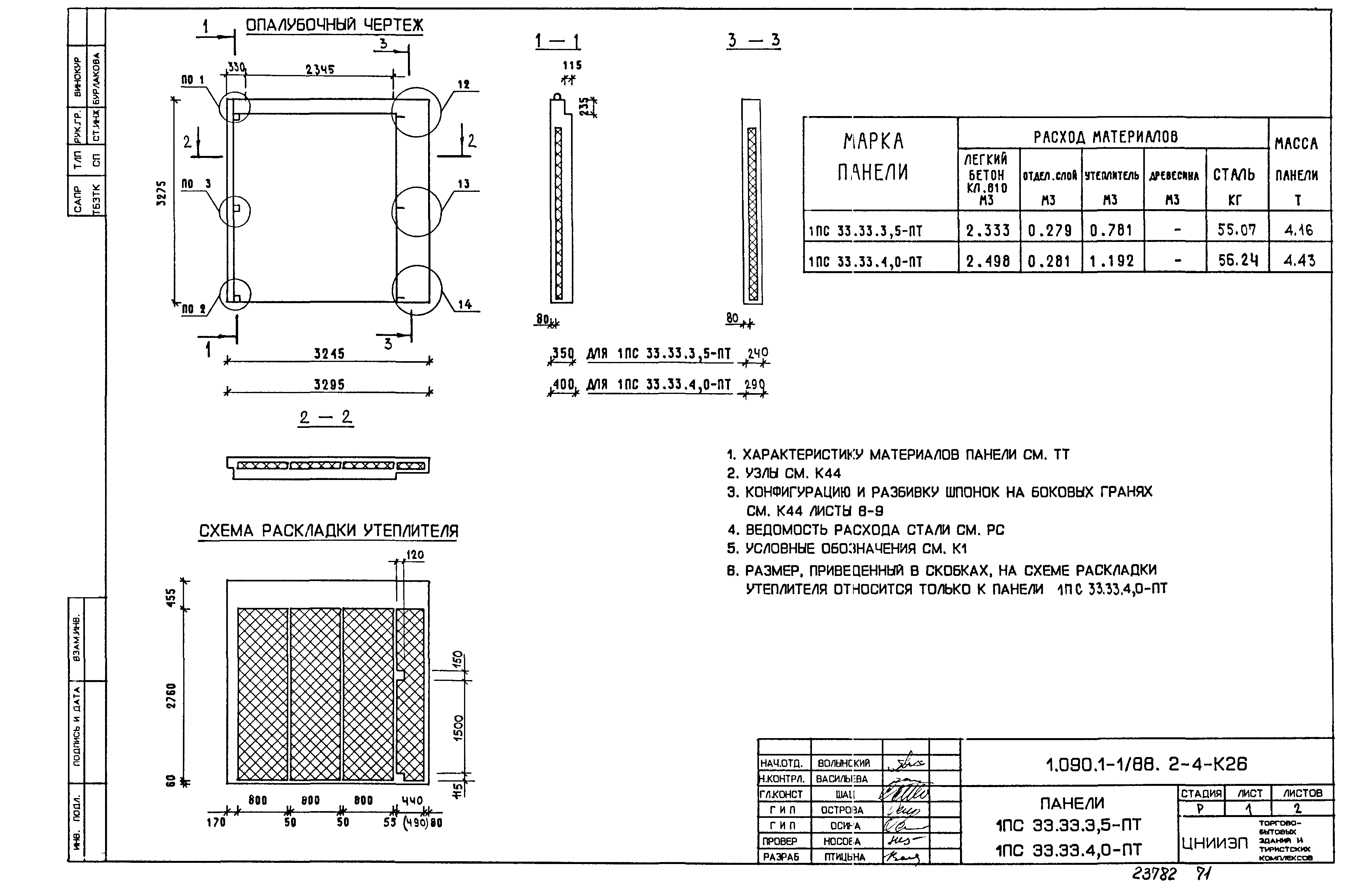
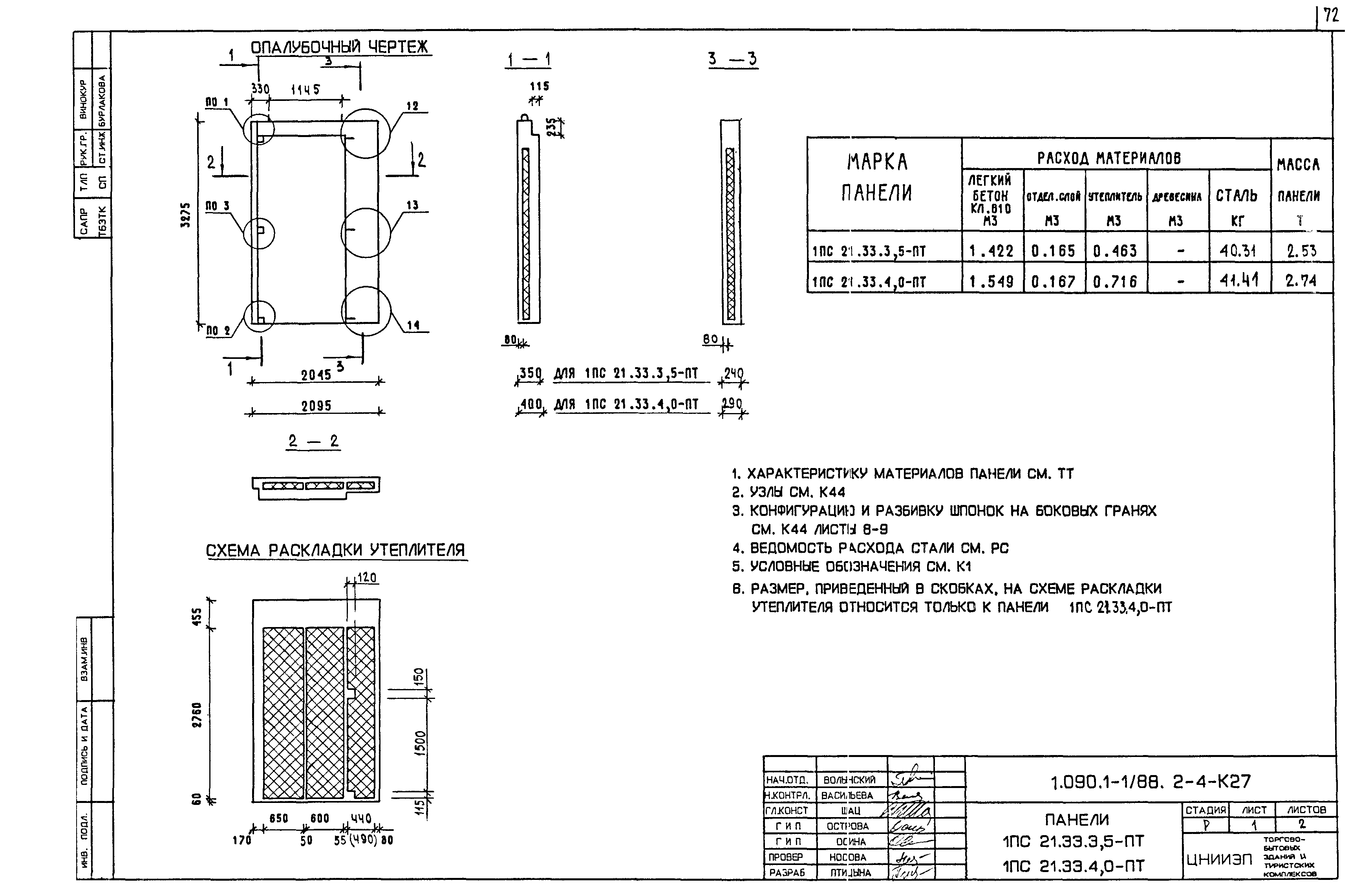
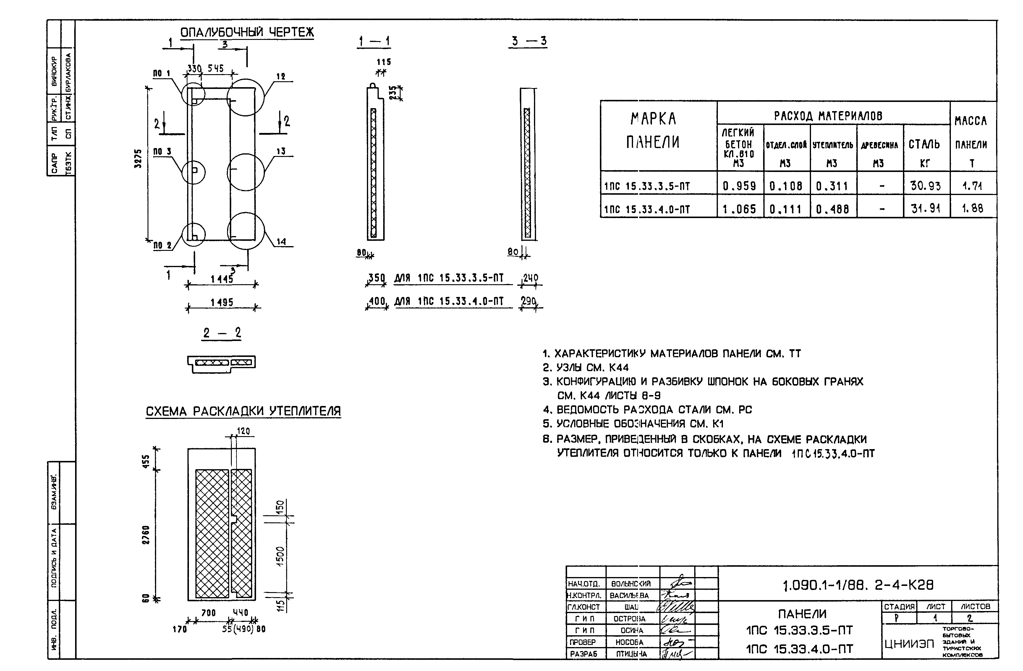
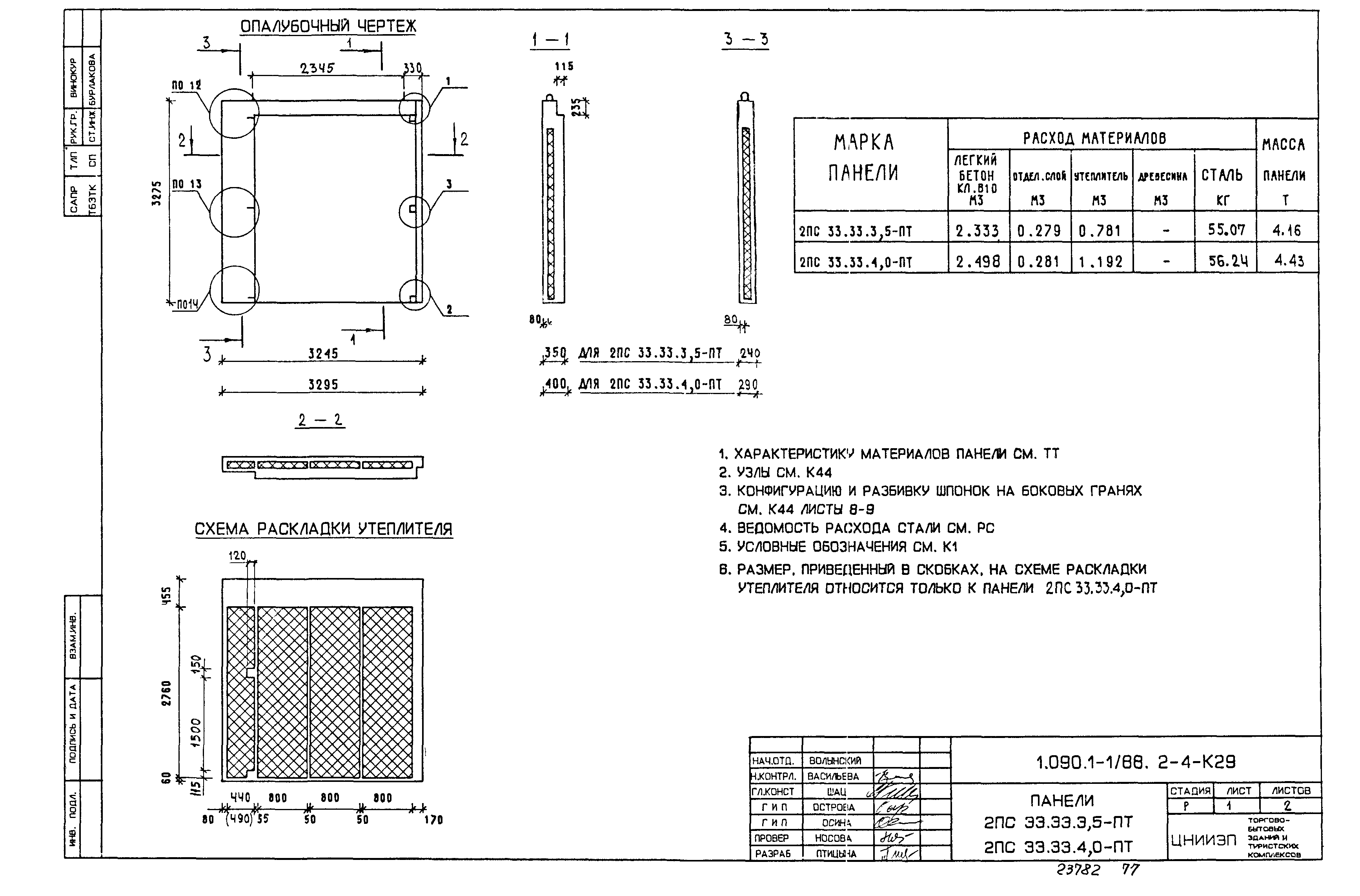
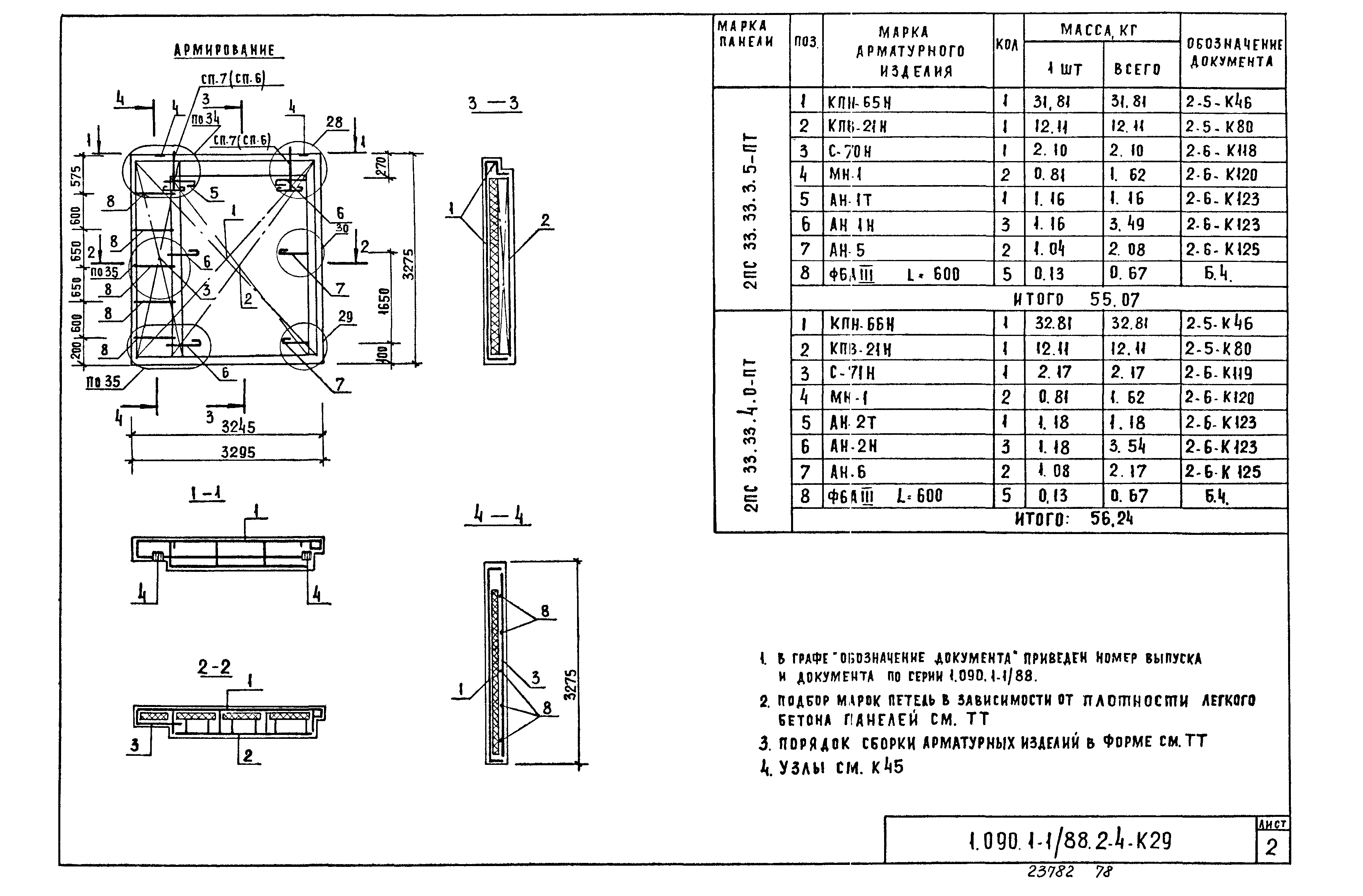
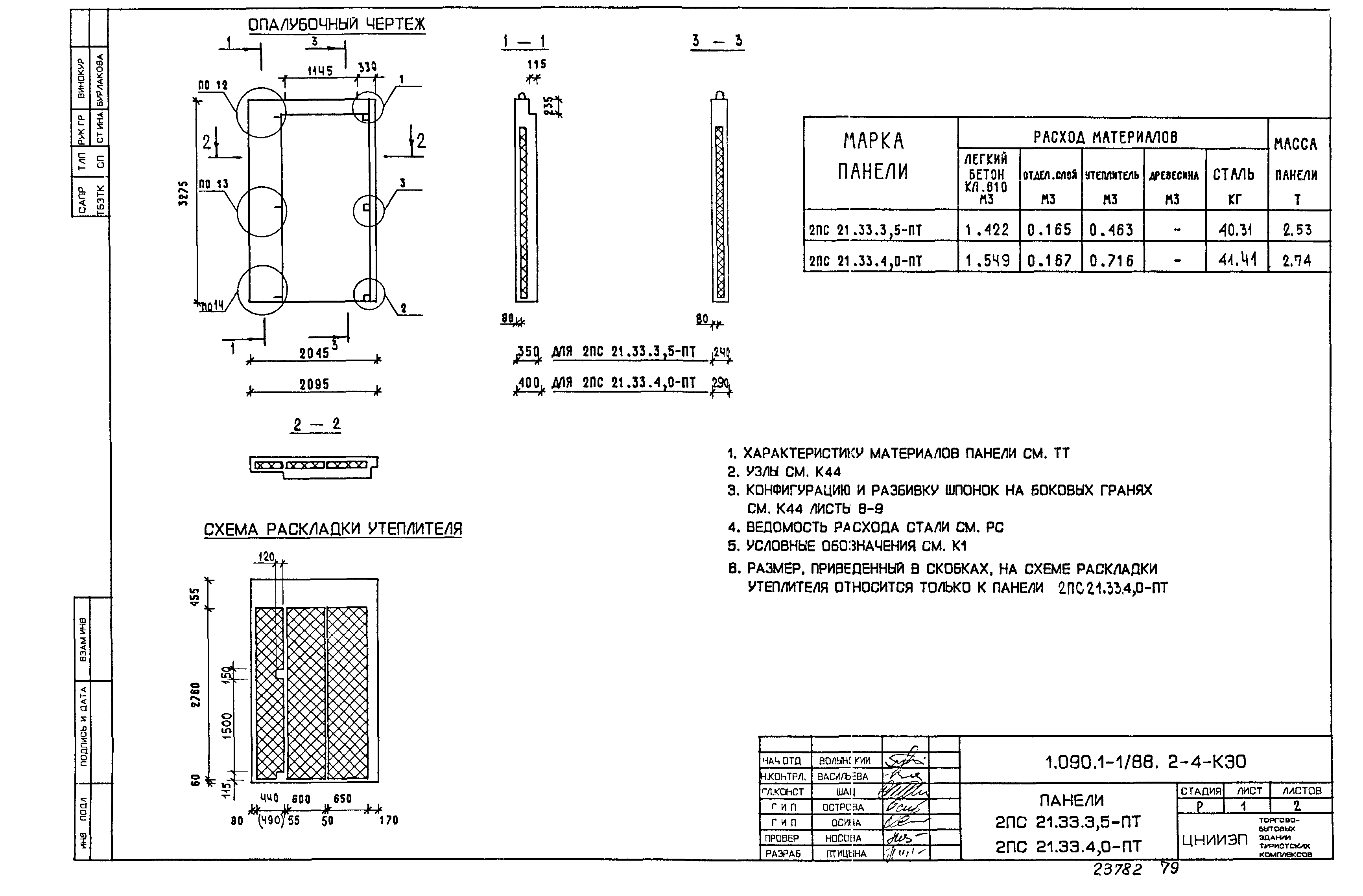
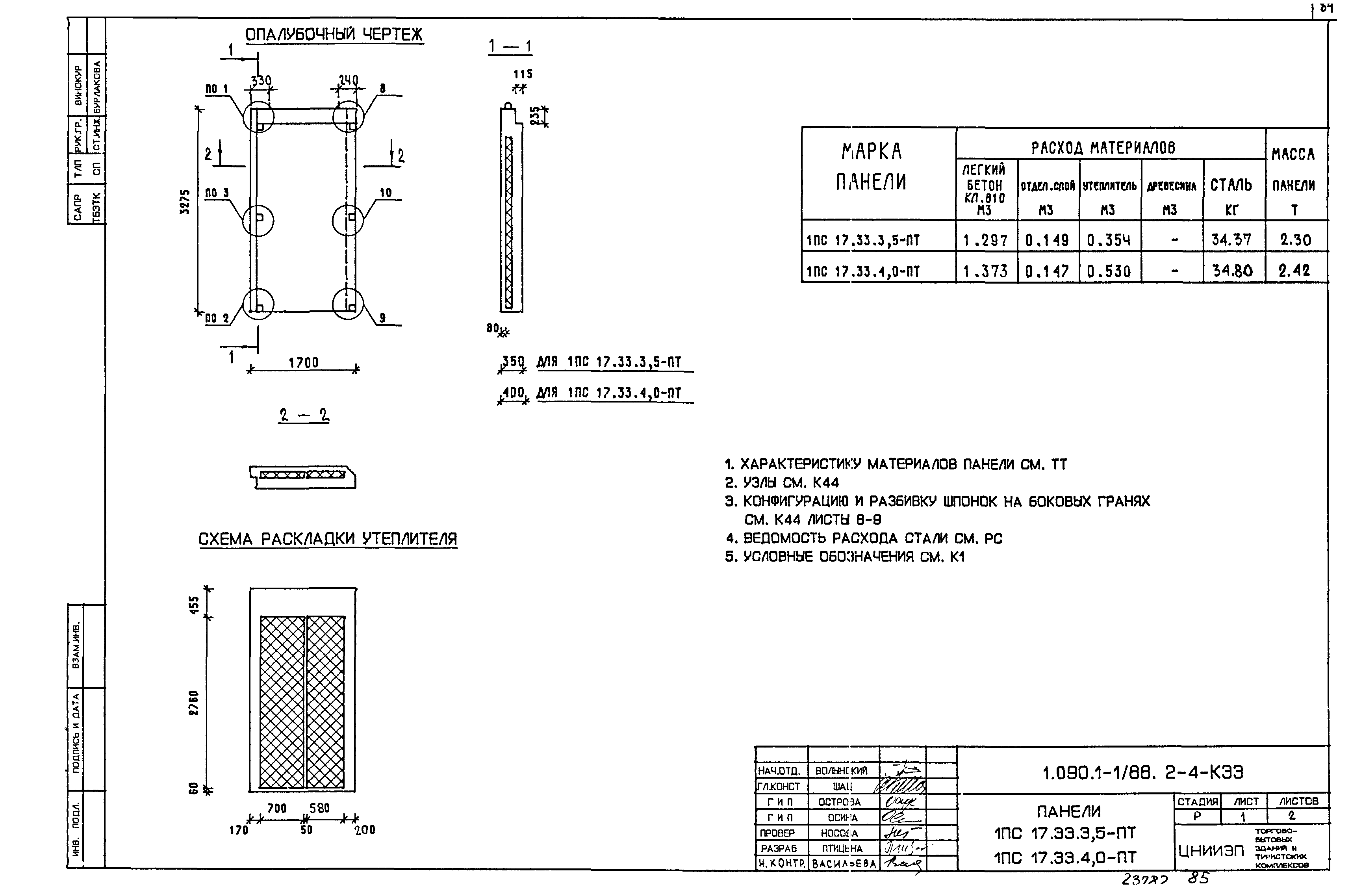
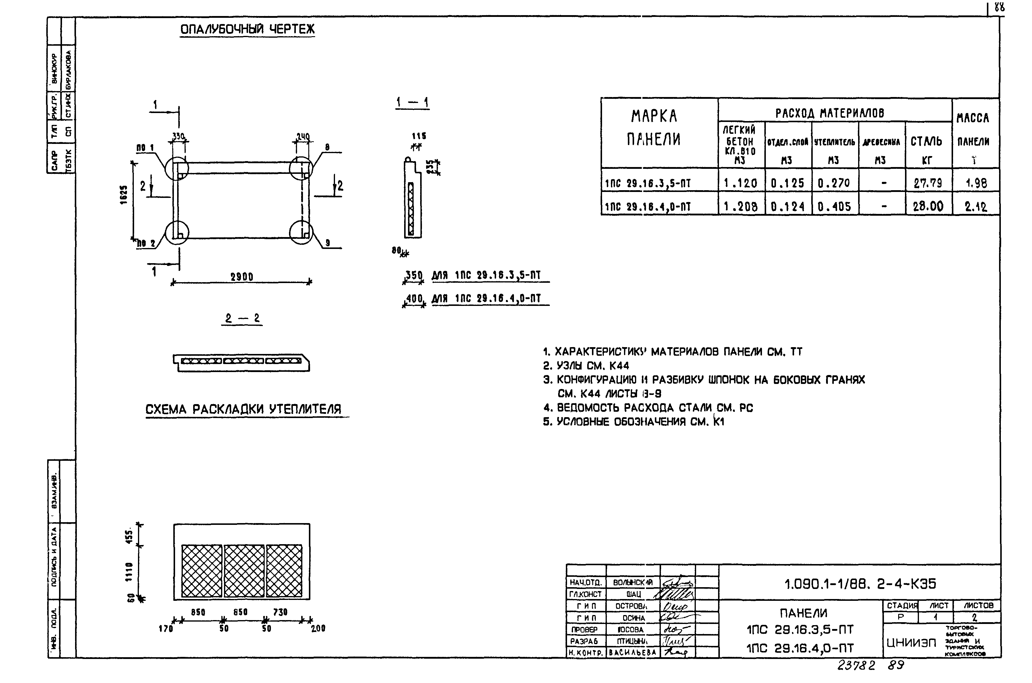
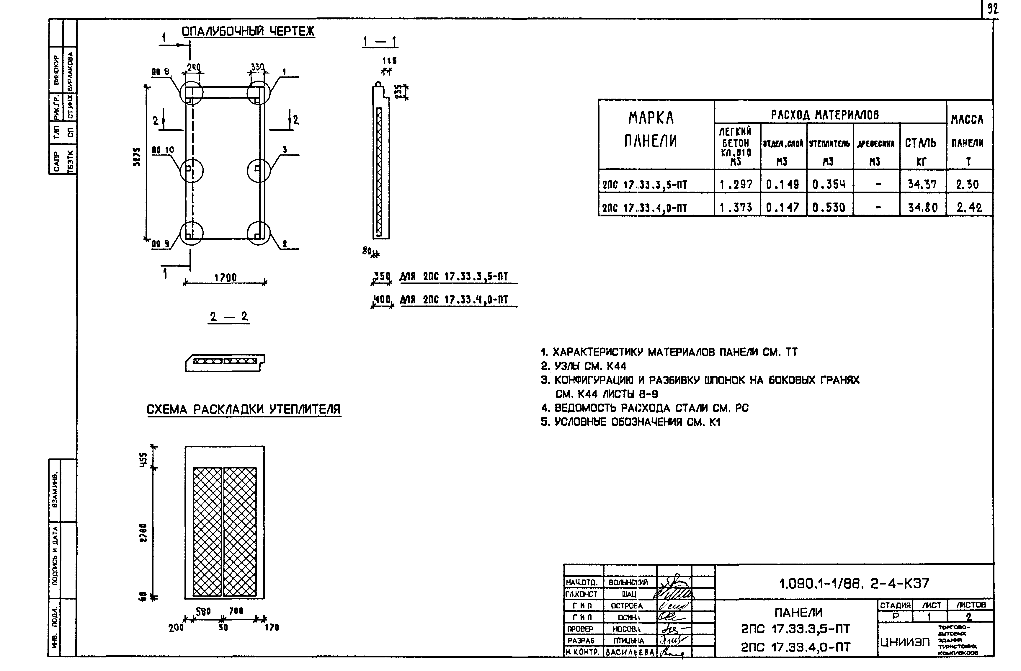
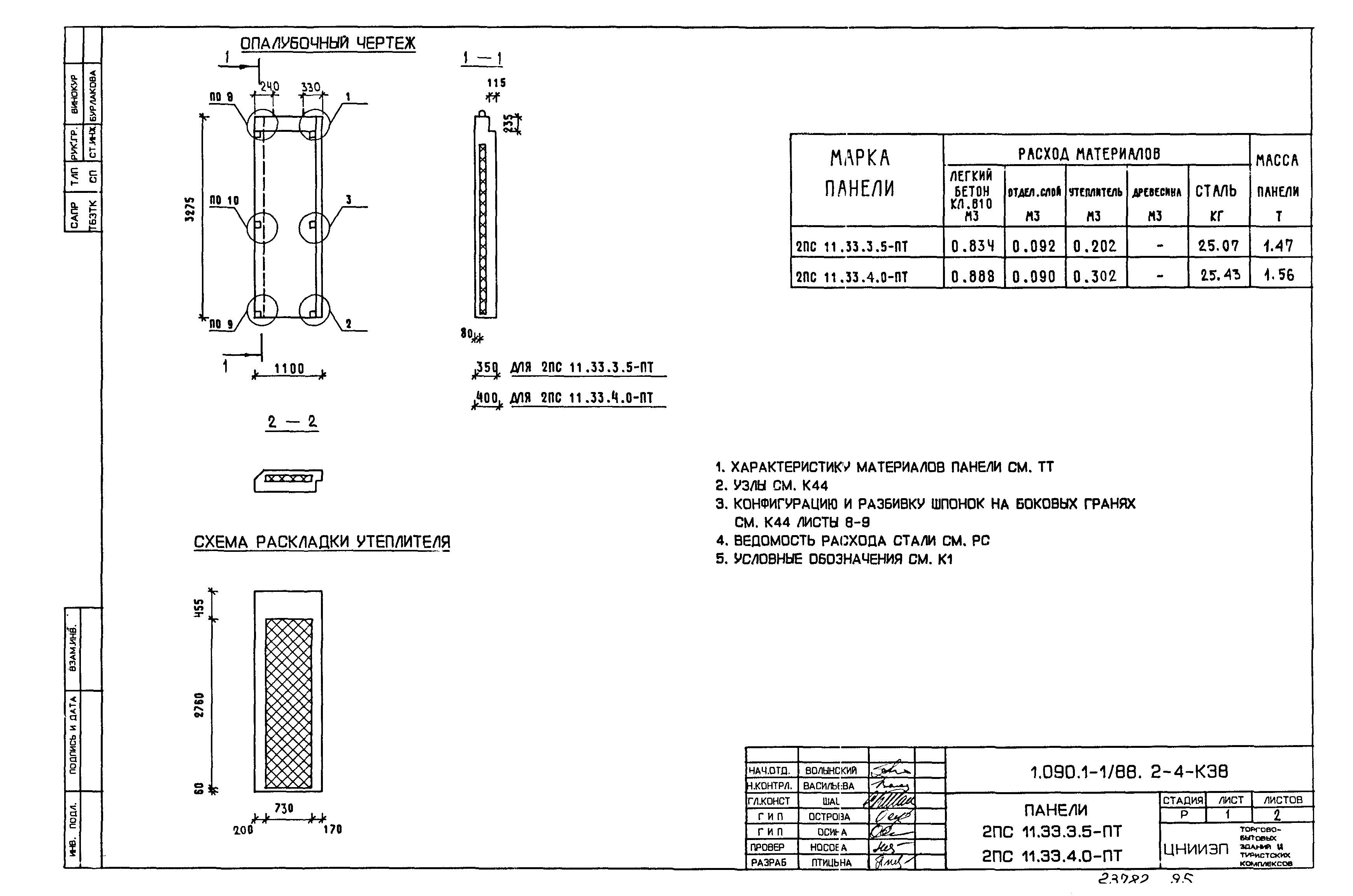
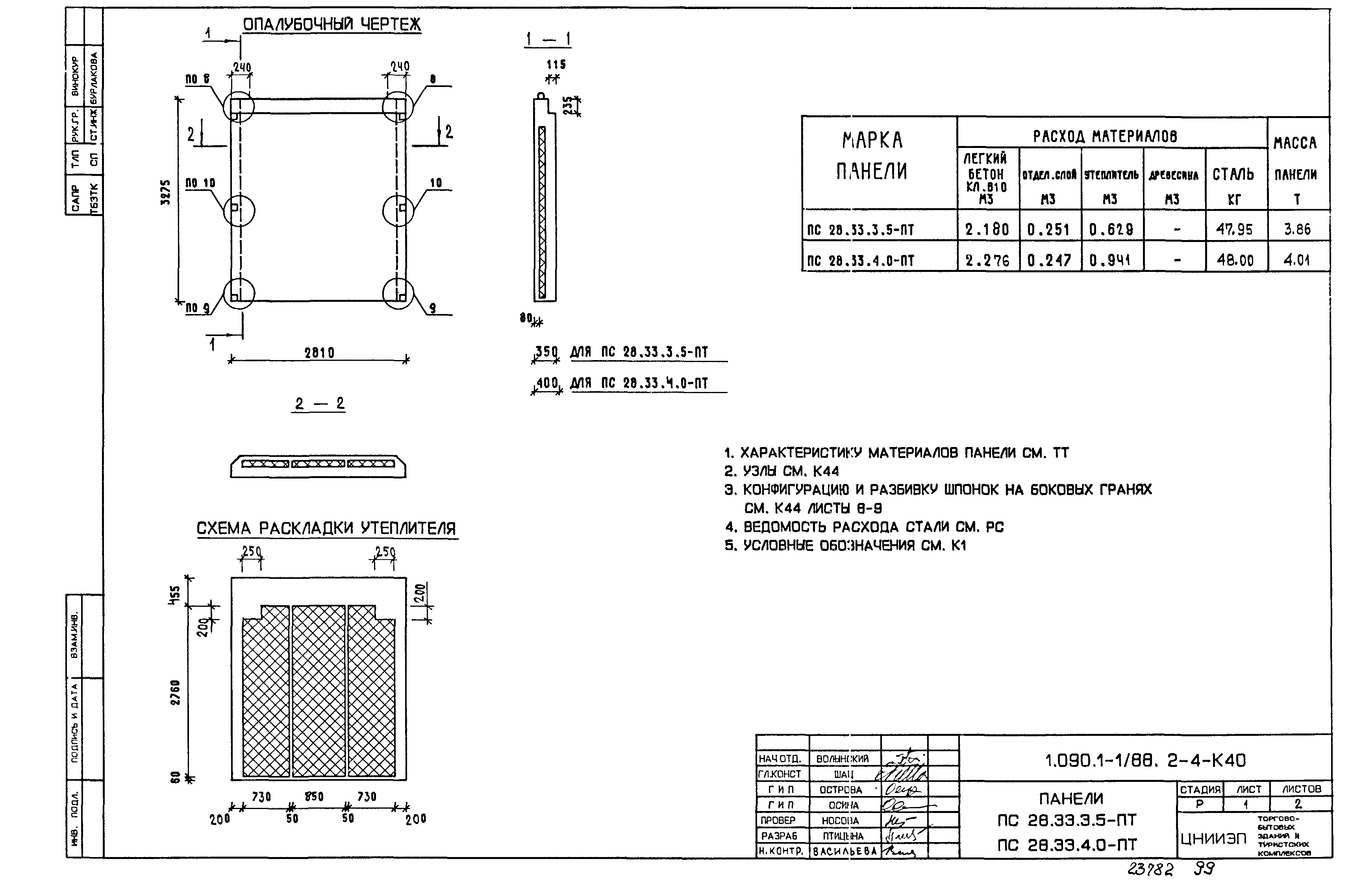
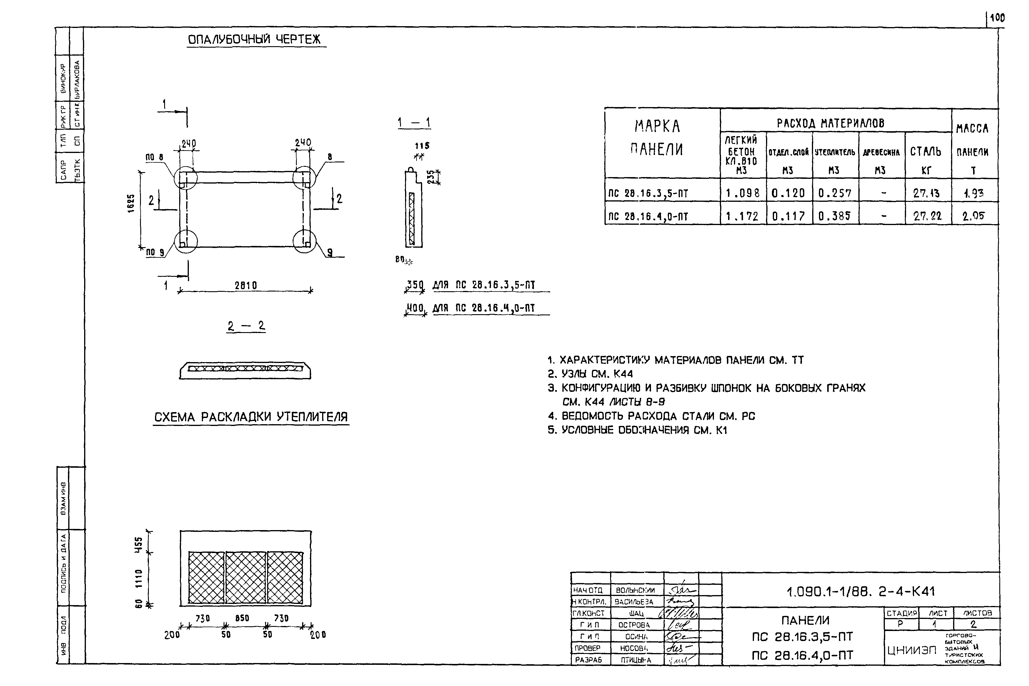
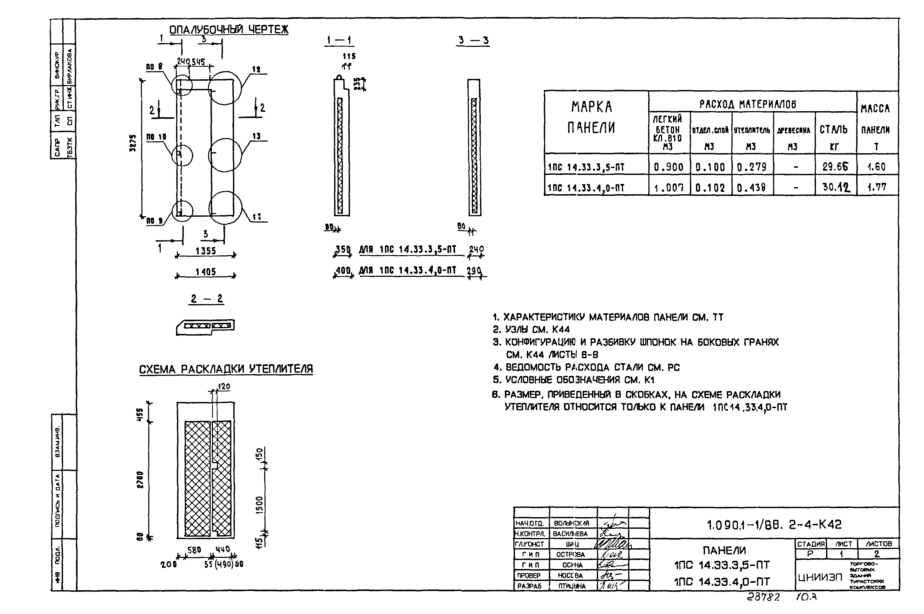
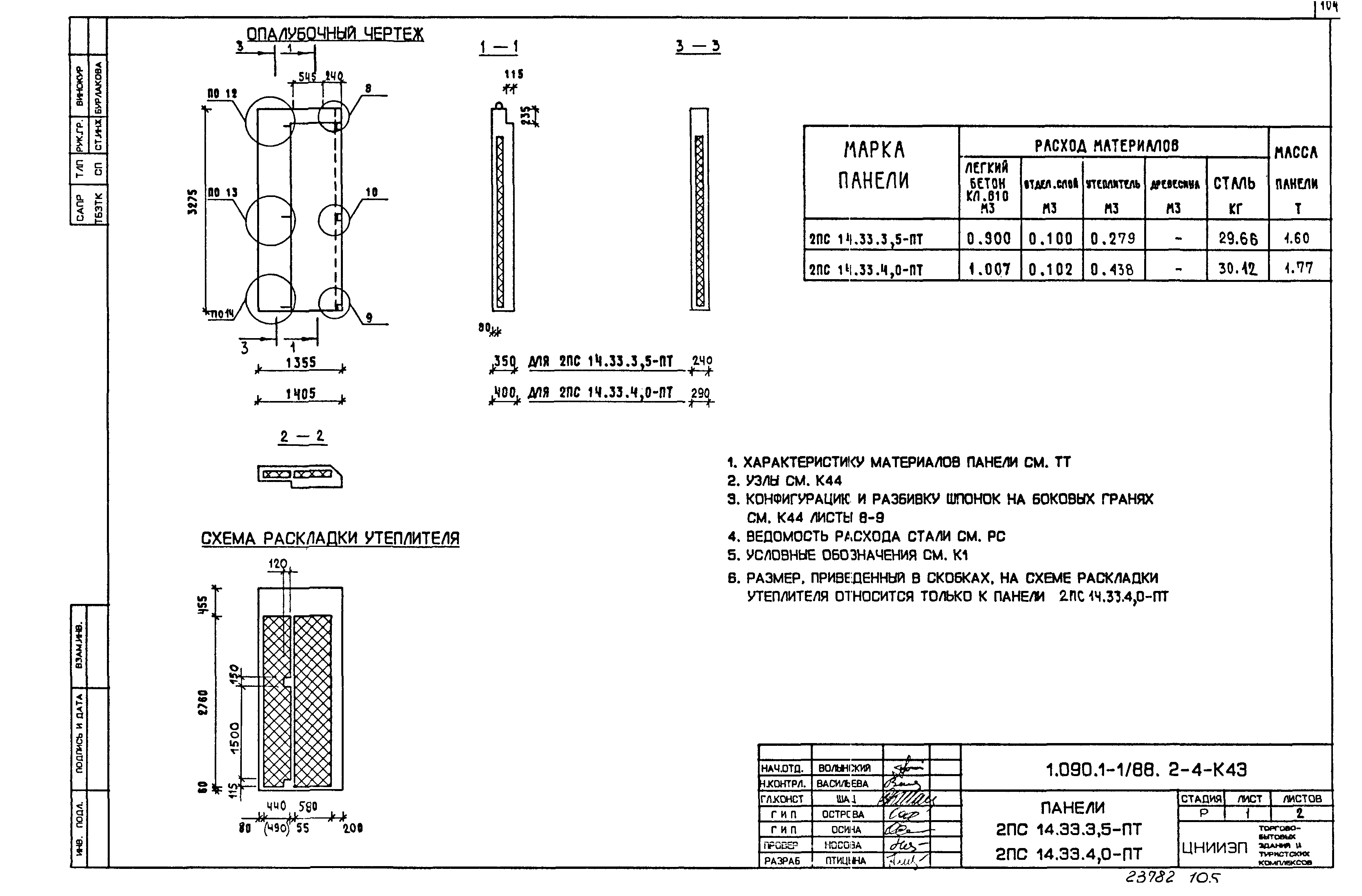
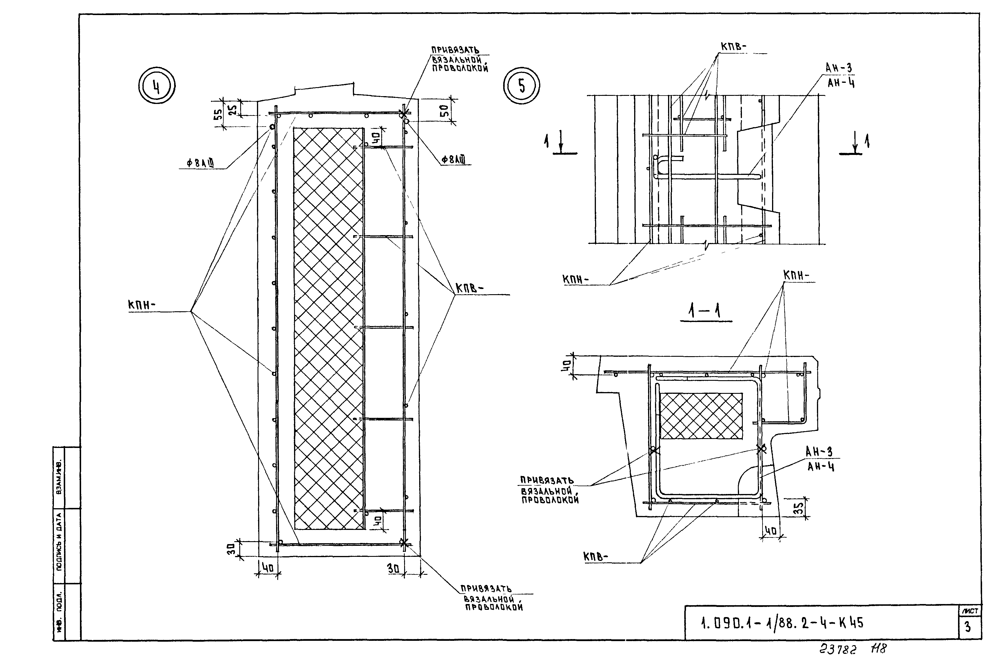
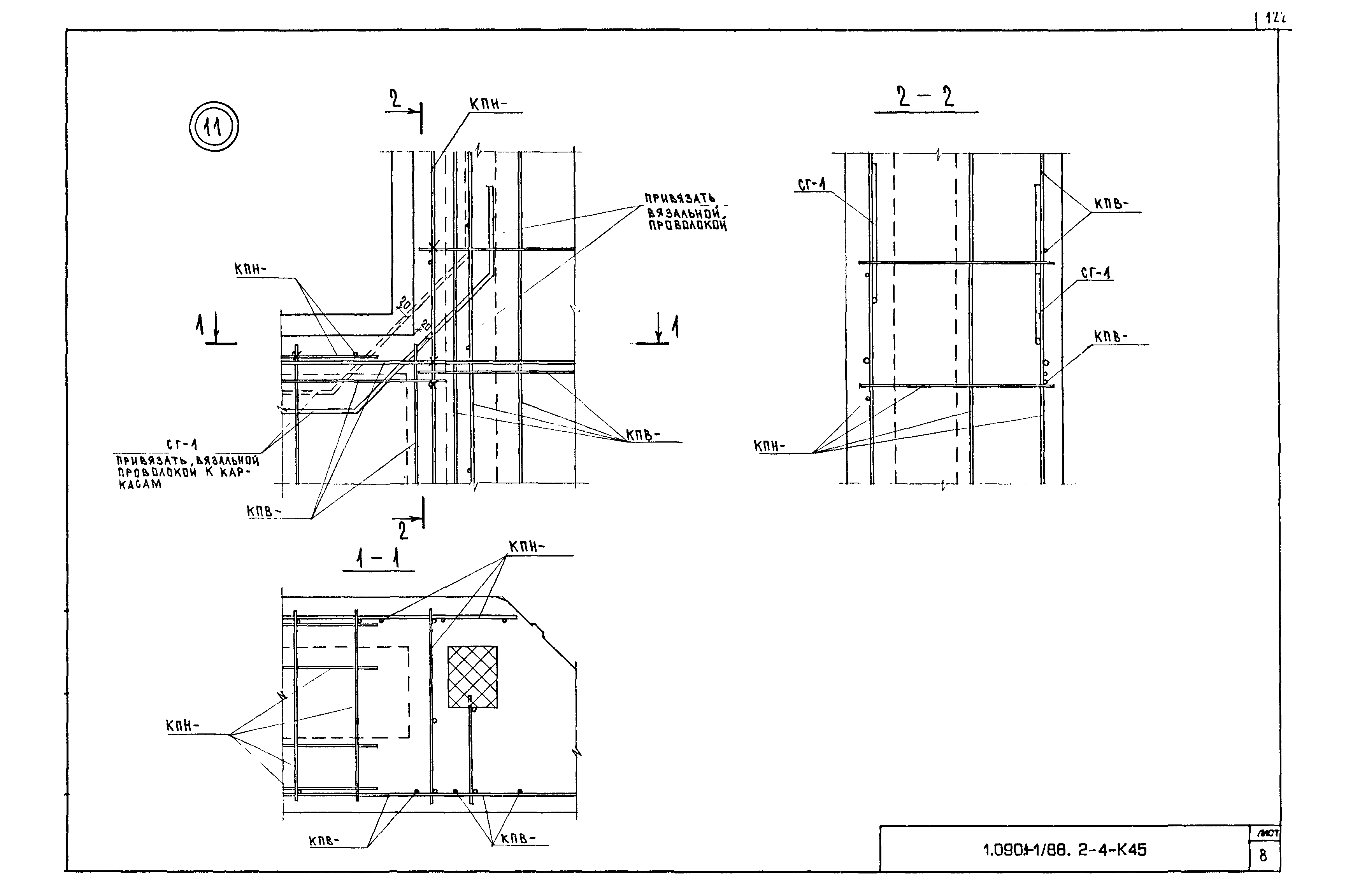
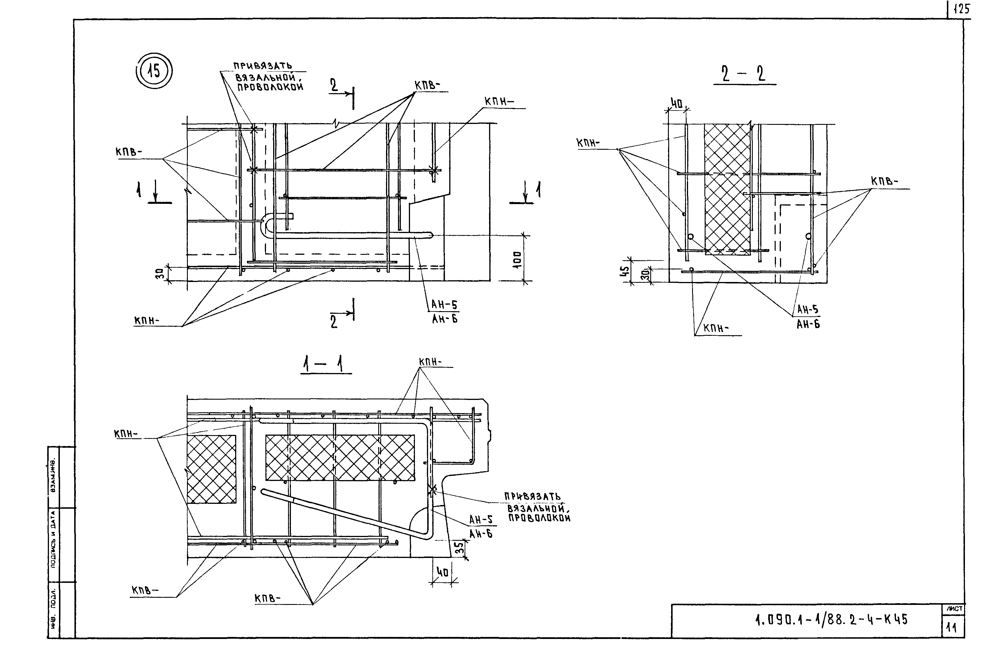
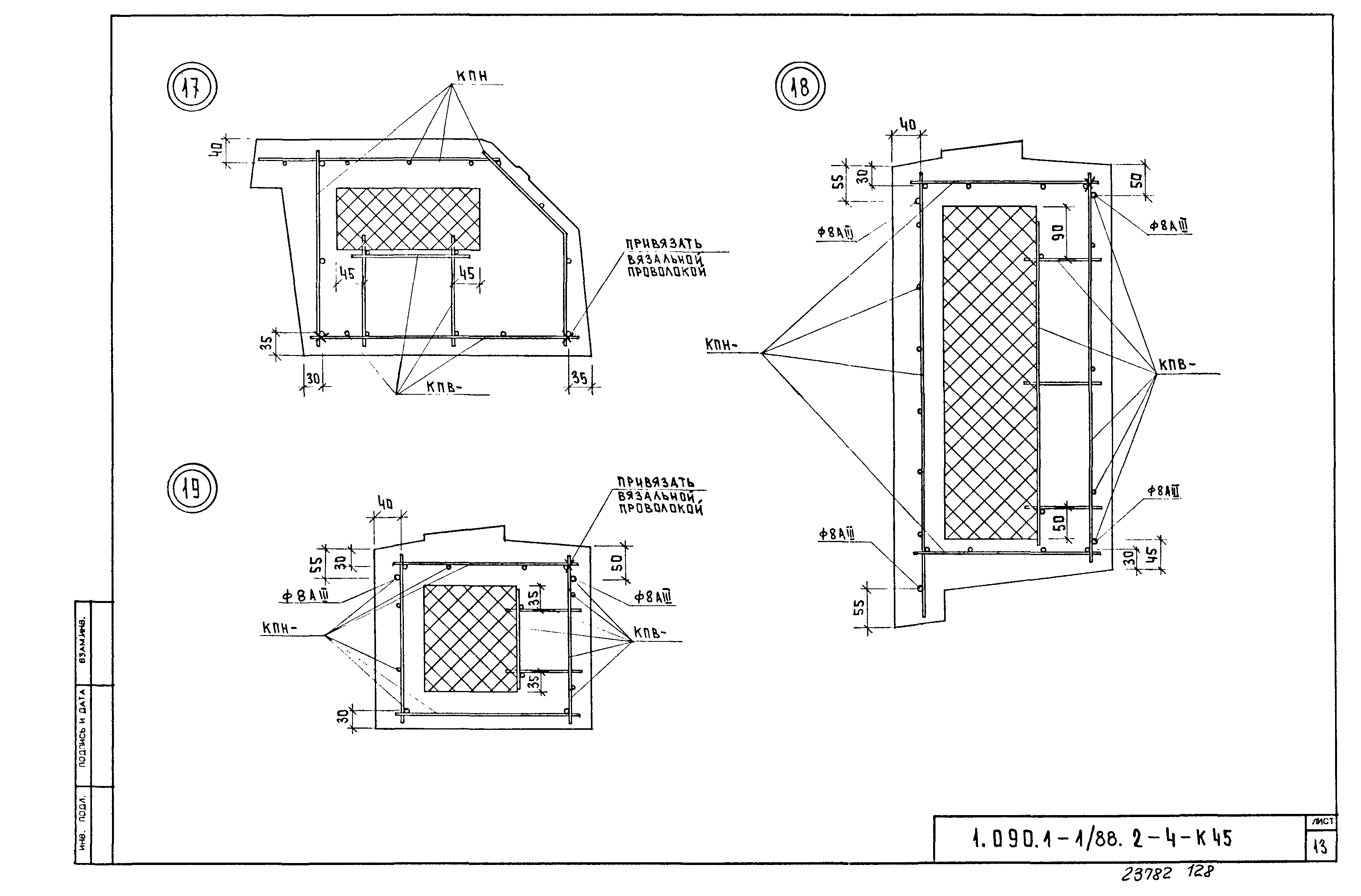
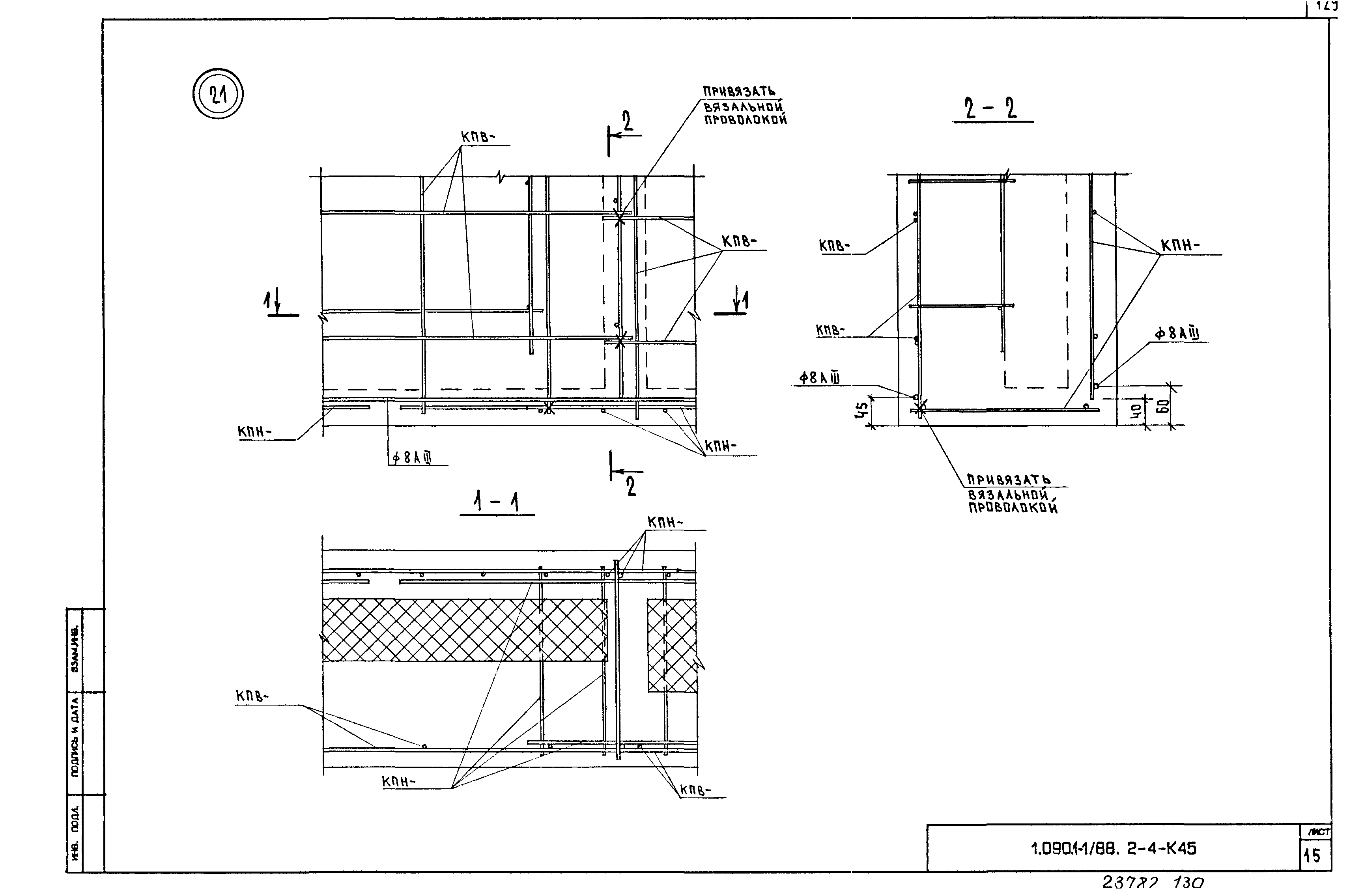
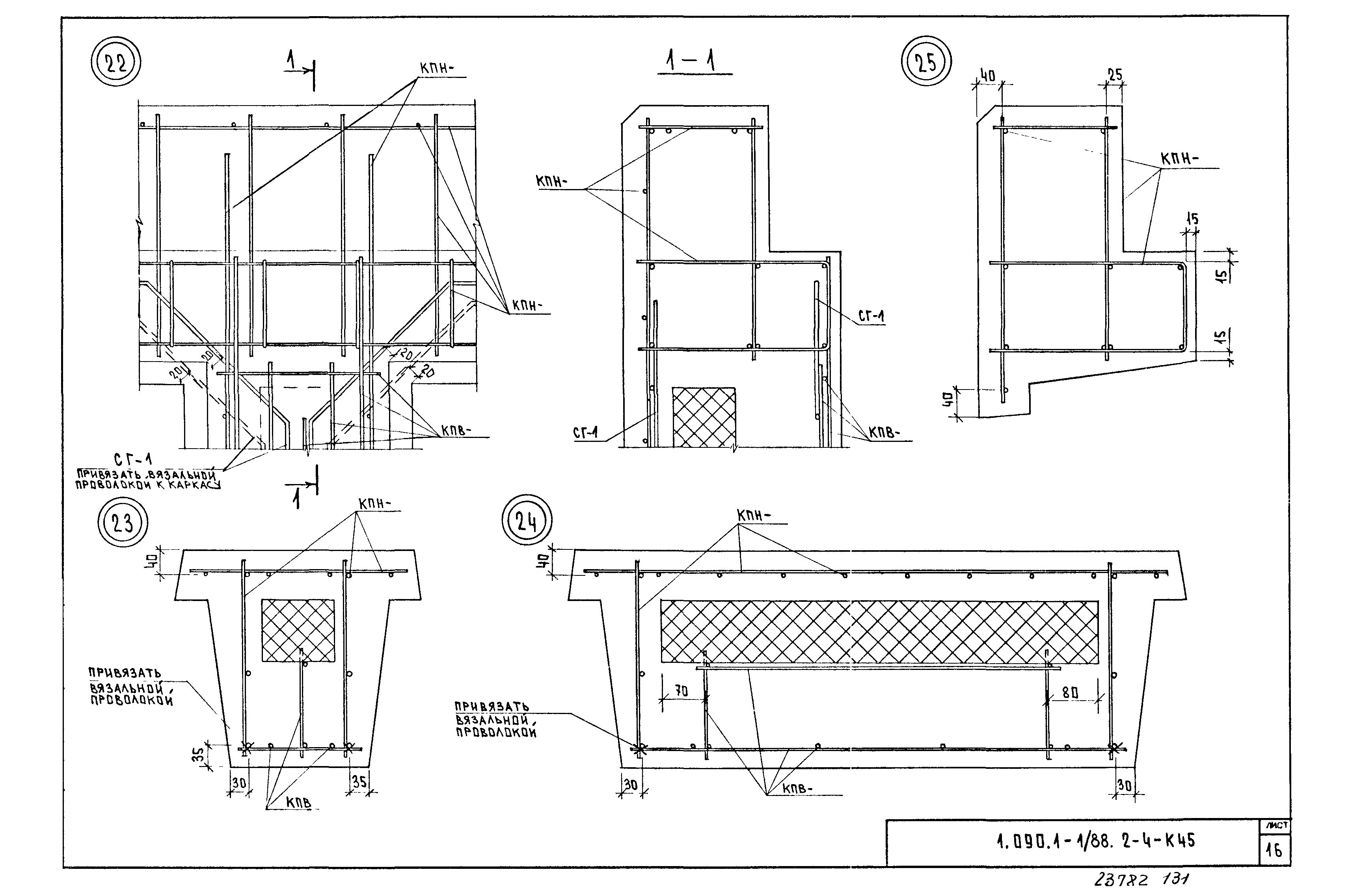
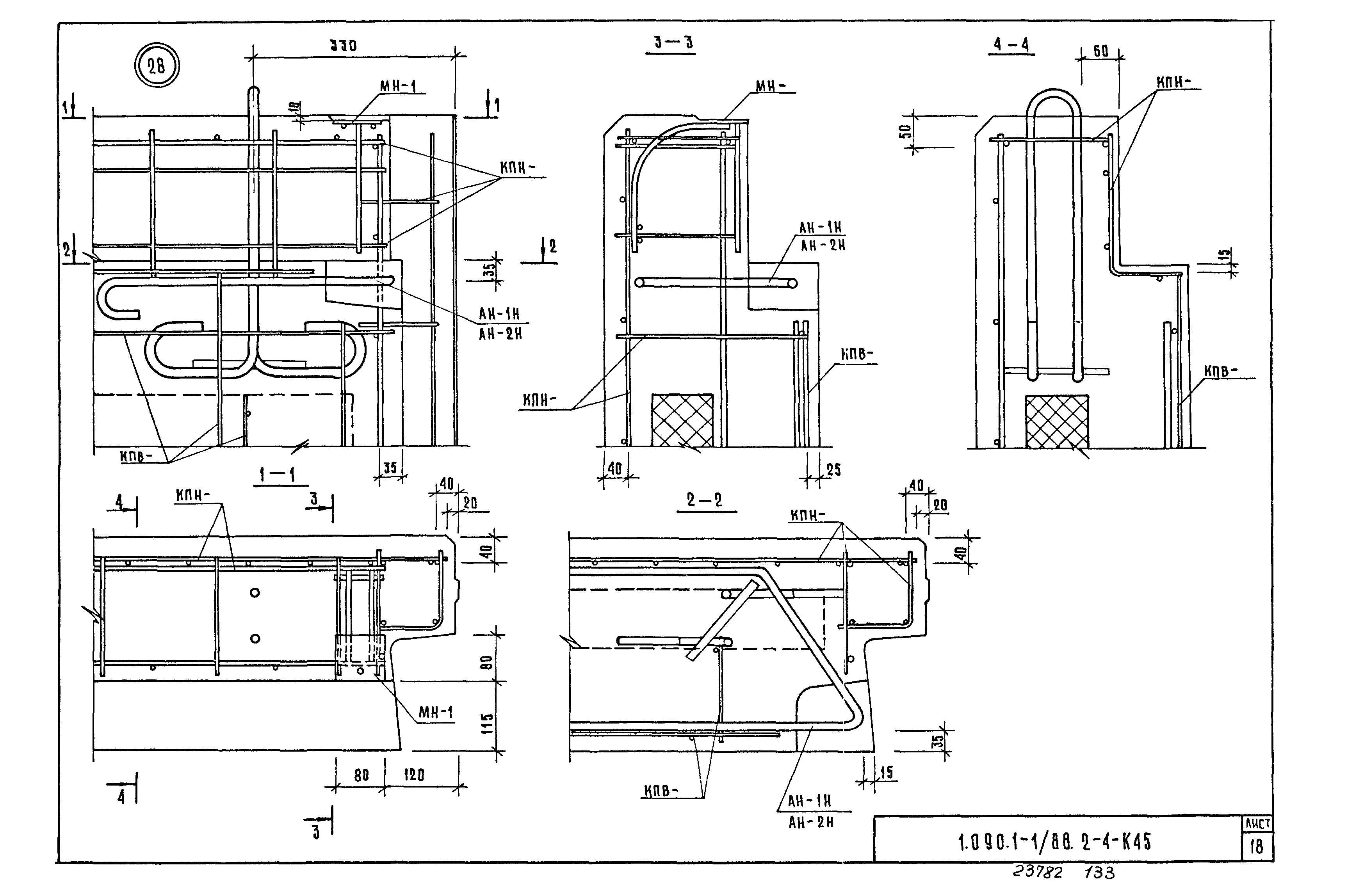
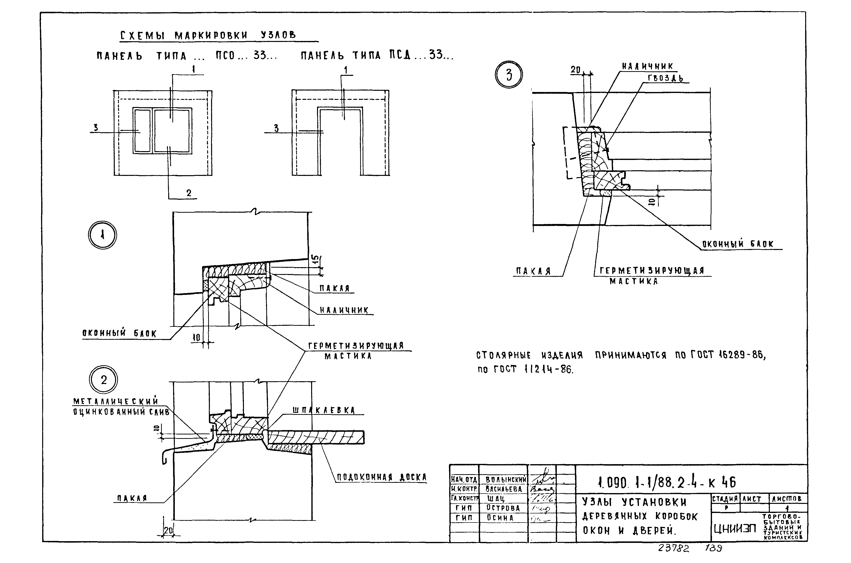
| Оглавление: | 1.090.1-1/88.2-4-ТТ Технические требования 1.090.1-1/88.2-4-К1 Панели 2ПСО30.33.3,5-ПТ,2ПСО30.33.4,0-ПТ 1.090.1-1/88.2-4-К2 Панели 3ПСО30.33.3,5-ПТ,3ПСО30.33.4,0-ПТ 1.090.1-1/88.2-4-К3 Панели 7ПСО30.33.3,5-ПТ,7ПСО30.33.4,0-ПТ 1.090.1-1/88.2-4-К4 Панели 8ПСО30.33.3,5-ПТ,8ПСО30.33.4,0-ПТ 1.090.1-1/88.2-4-К5 Панели 9ПСО30.33.3,5-ПТ,9ПСО30.33.4,0-ПТ 1.090.1-1/88.2-4-К6 Панели 10ПСО30.33.3,5-ПТ,10ПСО30.33.4,0-ПТ 1.090.1-1/88.2-4-К7 Панели 2ПСО28.33.3,5-ПТ,2ПСО28.33.4,0-ПТ 1.090.1-1/88.2-4-К8 Панели 3ПСО29.33.3,5-ПТ,3ПСО29.33.4,0-ПТ 1.090.1-1/88.2-4-К9 Панели 4ПСО29.33.3,5-ПТ,4ПСО29.33.4,0-ПТ 1.090.1-1/88.2-4-К10 Панели 2ПСО60.33.3,5-ПТ,2ПСО60.33.4,0-ПТ 1.090.1-1/88.2-4-К11 Панели ПСЛ30.33.3,5-ПТ,ПСЛ30.33.4,0-ПТ 1.090.1-1/88.2-4-К12 Панели ПСЛ28.33.3,5-ПТ,ПСЛ28.33.4,0-ПТ 1.090.1-1/88.2-4-К13 Панели 1ПСЛ29.33.3,5-ПТ,1ПСЛ29.33.4,0-ПТ 1.090.1-1/88.2-4-К14 Панели 2ПСЛ29.33.3,5-ПТ,2ПСЛ29.33.4,0-ПТ 1.090.1-1/88.2-4-К15 Панели 3ПСД30.33.3,5-ПТ,3ПСД30.33.4,0-ПТ 1.090.1-1/88.2-4-К16 Панели 4ПСД30.33.3,5-ПТ,4ПСД30.33.4,0-ПТ 1.090.1-1/88.2-4-К17 Панели 1ПСД28.33.3,5-ПТ,1ПСД28.33.4,0-ПТ 1.090.1-1/88.2-4-К18 Панели 1ПСД29.33.3,5-ПТ,1ПСД29.33.4,0-ПТ 1.090.1-1/88.2-4-К19 Панели 2ПСД29.33.3,5-ПТ,2ПСД29.33.4,0-ПТ 1.090.1-1/88.2-4-К20 Панели 5ПСД29.33.3,5-ПТ,5ПСД29.33.4,0-ПТ 1.090.1-1/88.2-4-К21 Панели 6ПСД29.33.3,5-ПТ,6ПСД29.33.4,0-ПТ 1.090.1-1/88.2-4-К22 Панели ПС30.33.3,5-ПТ,ПС30.33.4,0-ПТ 1.090.1-1/88.2-4-К23 Панели ПС18.33.3,5-ПТ,ПС18.33.4,0-ПТ 1.090.1-1/88.2-4-К24 Панели ПС12.33.3,5-ПТ,ПС12.33.4,0-ПТ 1.090.1-1/88.2-4-К25 Панели ПС30.16.3,5-ПТ,ПС30.16.4,0-ПТ 1.090.1-1/88.2-4-К26 Панели 1ПС33.33.3,5-ПТ,ПС33.33.4,0-ПТ 1.090.1-1/88.2-4-К27 Панели 1ПС21.33.3,5-ПТ,ПС21.33.4,0-ПТ 1.090.1-1/88.2-4-К28 Панели 1ПС15.33.3,5-ПТ,1ПС15.33.4,0-ПТ 1.090.1-1/88.2-4-К29 Панели 2ПС33.33.3,5-ПТ,2ПС33.33.4,0-ПТ 1.090.1-1/88.2-4-К30 Панели 2ПС21.33.3,5-ПТ,2ПС21.33.4,0-ПТ 1.090.1-1/88.2-4-К31 Панели 2ПС15.33.3,5-ПТ,2ПС15.33.4,0-ПТ 1.090.1-1/88.2-4-К32 Панели 1ПС29.33.3,5-ПТ,1ПС29.33.4,0-ПТ 1.090.1-1/88.2-4-К33 Панели 1ПС17.33.3,5-ПТ,1ПС17.33.4,0-ПТ 1.090.1-1/88.2-4-К34 Панели 1ПС11.33.3,5-ПТ,1ПС11.33.4,0-ПТ 1.090.1-1/88.2-4-К35 Панели 1ПС29.16.3,5-ПТ,1ПС29.16.4,0-ПТ 1.090.1-1/88.2-4-К36 Панели 2ПС29.33.3,5-ПТ,2ПС29.33.4,0-ПТ 1.090.1-1/88.2-4-К37 Панели 2ПС17.33.3,5-ПТ,2ПС17.33.4,0-ПТ 1.090.1-1/88.2-4-К38 Панели 2ПС11.33.3,5-ПТ,2ПС11.33.4,0-ПТ 1.090.1-1/88.2-4-К39 Панели 2ПС29.16.3,5-ПТ,2ПС29.16.4,0-ПТ 1.090.1-1/88.2-4-К40 Панели ПС28.33.3,5-ПТ,ПС28.33.4,0-ПТ 1.090.1-1/88.2-4-К41 Панели ПС28.16.3,5-ПТ,ПС28.16.4,0-ПТ 1.090.1-1/88.2-4-К42 Панели 1ПС14.33.3,5-ПТ,1ПС14.33.4,0-ПТ 1.090.1-1/88.2-4-К43 Панели 2ПС14.33.3,5-ПТ,2ПС14.33.4,0-ПТ 1.090.1-1/88.2-4-К44 Узлы опалубочные 1.090.1-1/88.2-4-К45 Узлы армирования 1.090.1-1/88.2-4-К46 Узлы установки деревянных коробок окон и дверей 1.090.1-1/88.2-4-РС Ведомость расхода стали |
| Разработан: | ЦНИИЭП торгово-бытовых зданий и туристских комплексов |
| Утверждён: | 28.03.1989 Госстрой СССР (Государственный комитет Совета Министров СССР по делам строительства) (USSR Gosstroy АЧ-14) |
| Издан: | ЦИТП Госстроя СССР (CITP, Gosstroy (USSR) 1989 г. ) |































































































































































