Скачать Серия 1.090.1-1/88 Выпуск 2-6. Панели наружных стен трехслойные на жестких связях. Арматурные и закладные изделия. Рабочие чертежиДата актуализации: 01.01.2021
|
| Обозначение: | Серия 1.090.1-1/88 |
| Обозначение англ: | Series 1.090.1-1/88 |
| Статус: | не определен законодательством |
| Название рус.: | Выпуск 2-6. Панели наружных стен трехслойные на жестких связях. Арматурные и закладные изделия. Рабочие чертежи |
| Дата добавления в базу: | 01.09.2013 |
| Дата актуализации: | 01.01.2021 |
| Дата введения: | 01.10.1989 |
| Дата окончания срока действия: | 30.06.2003 |
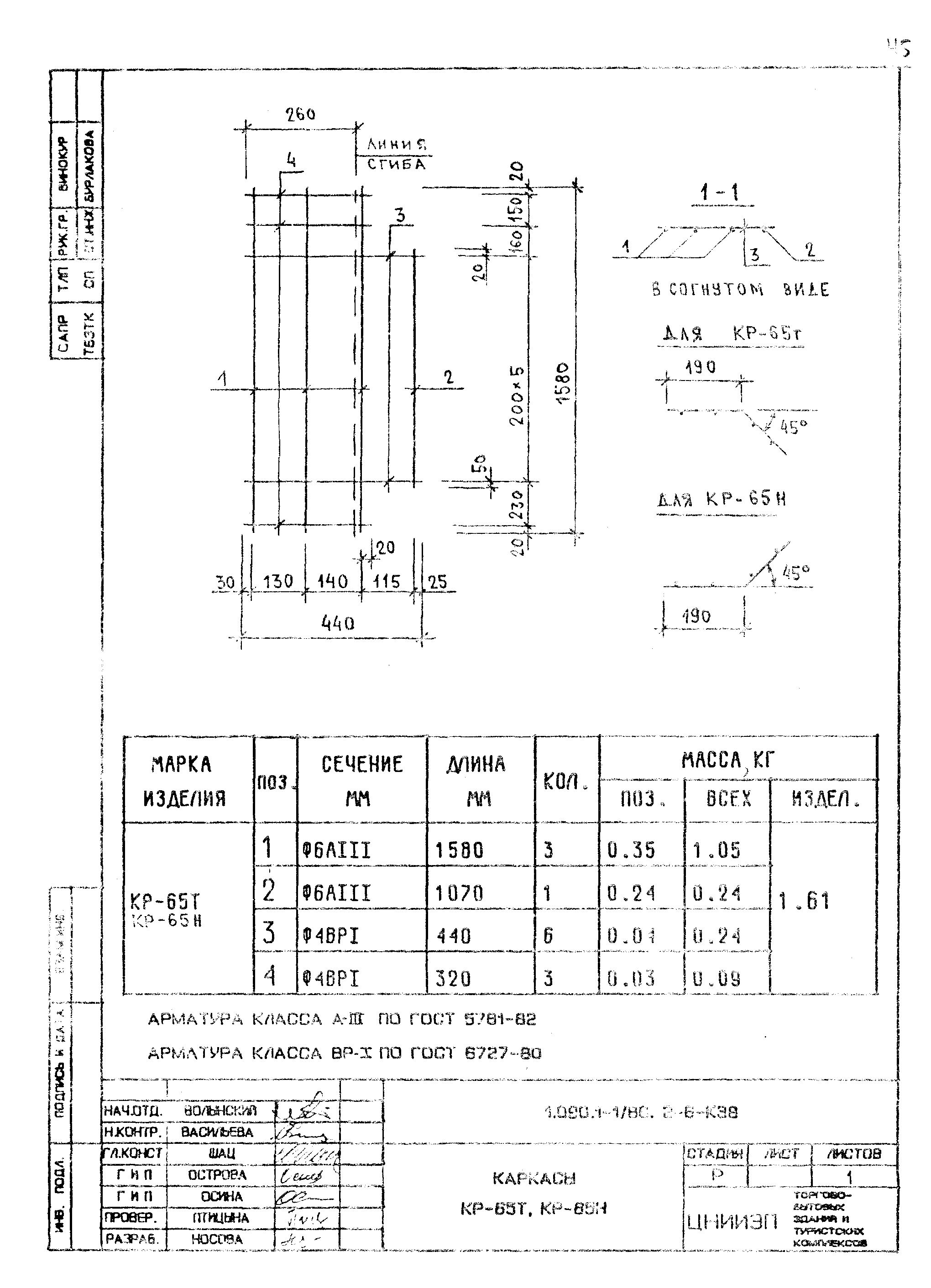
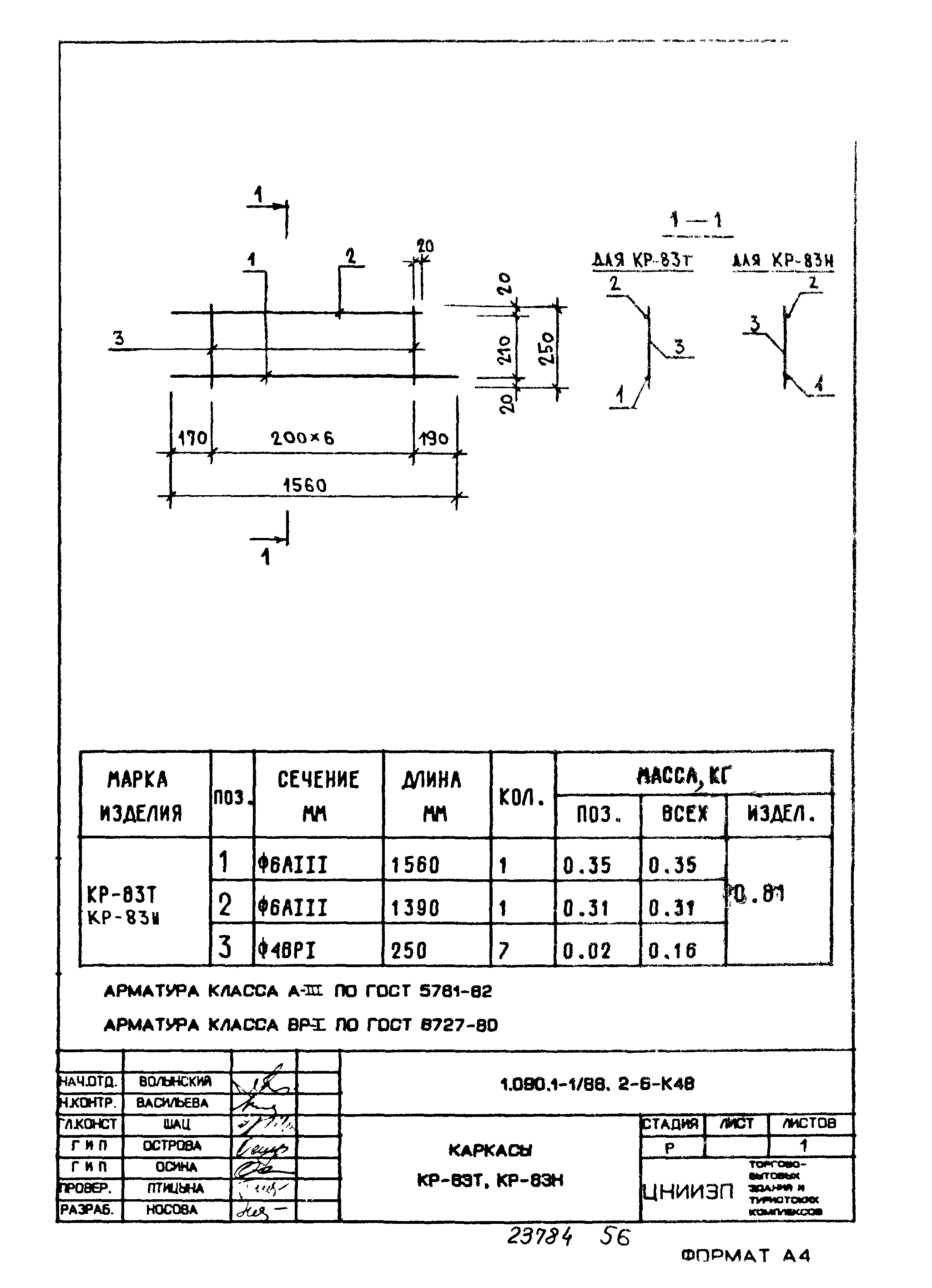
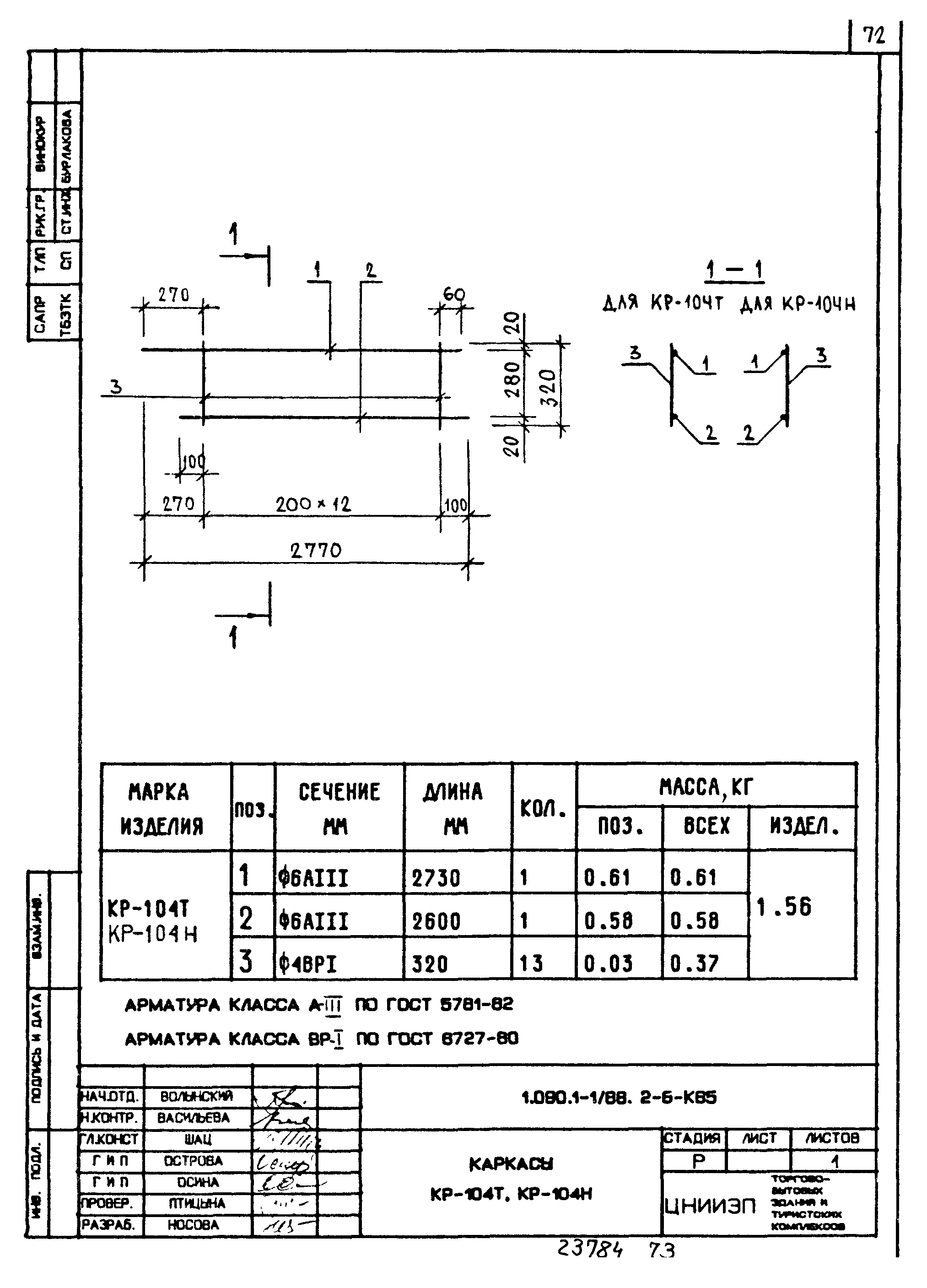
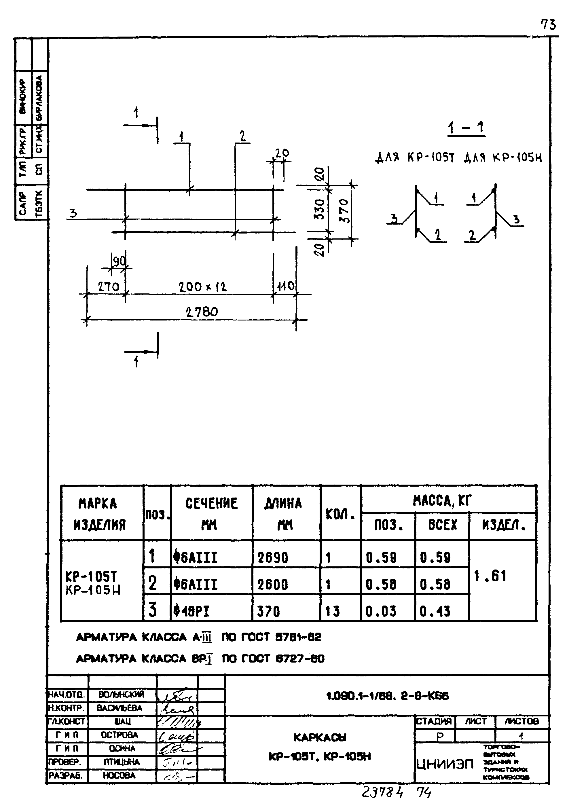
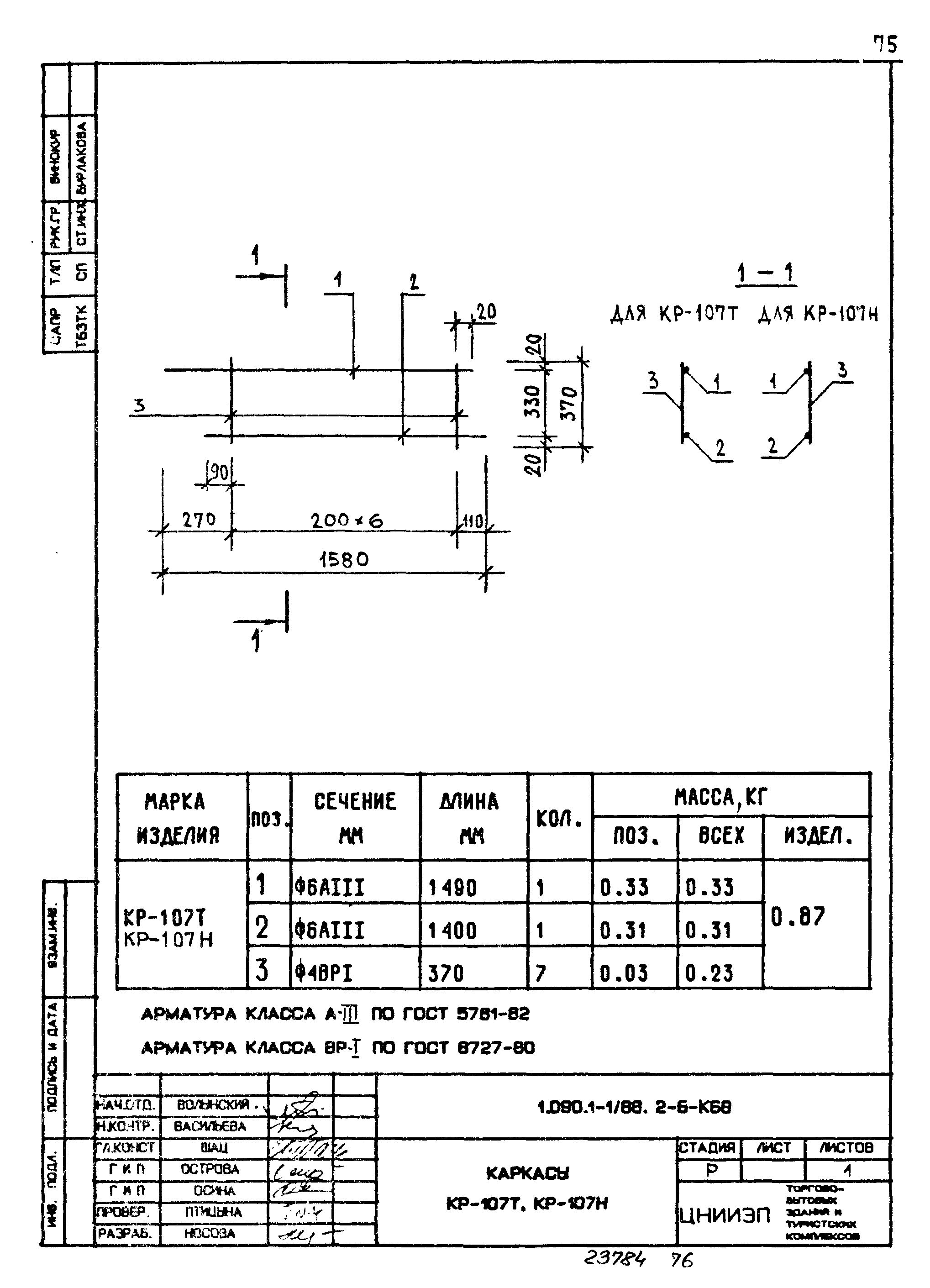
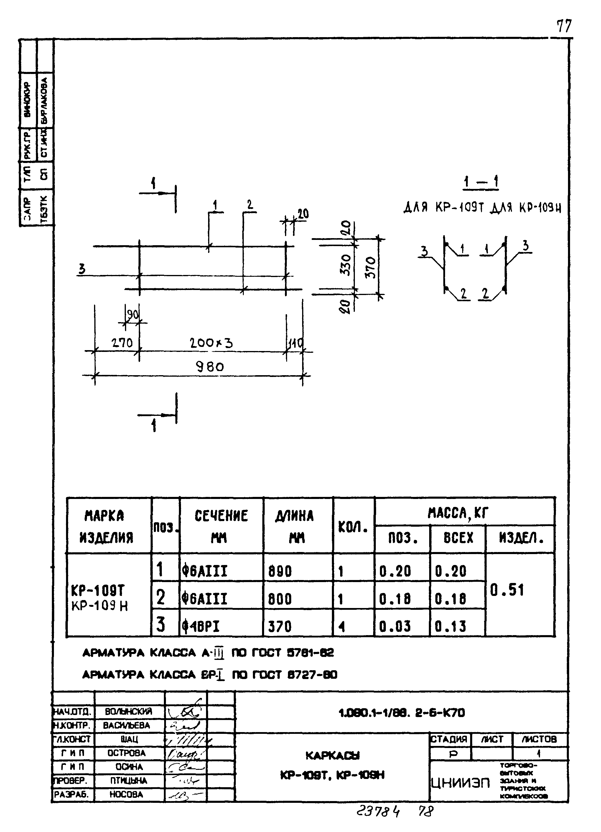
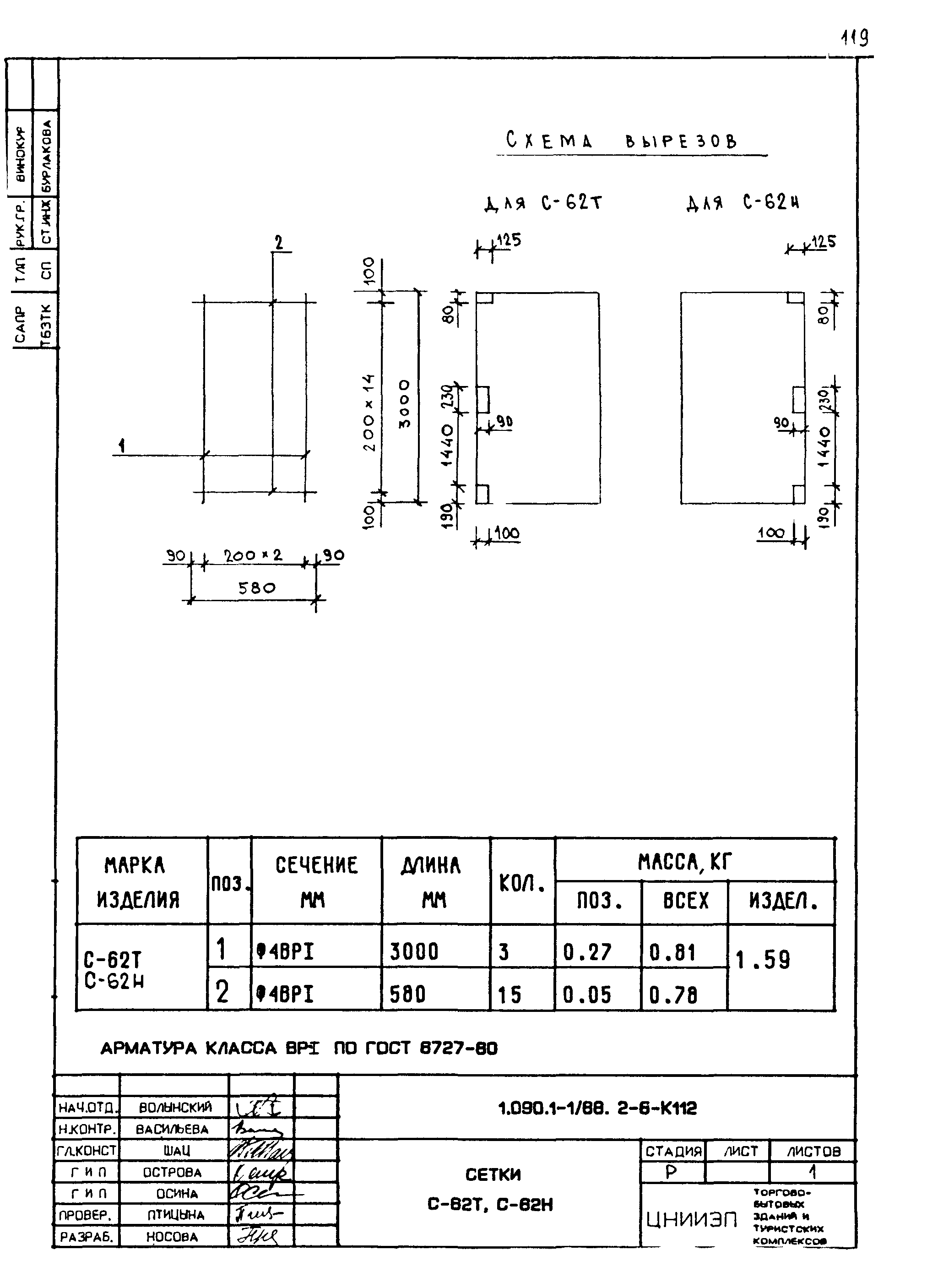
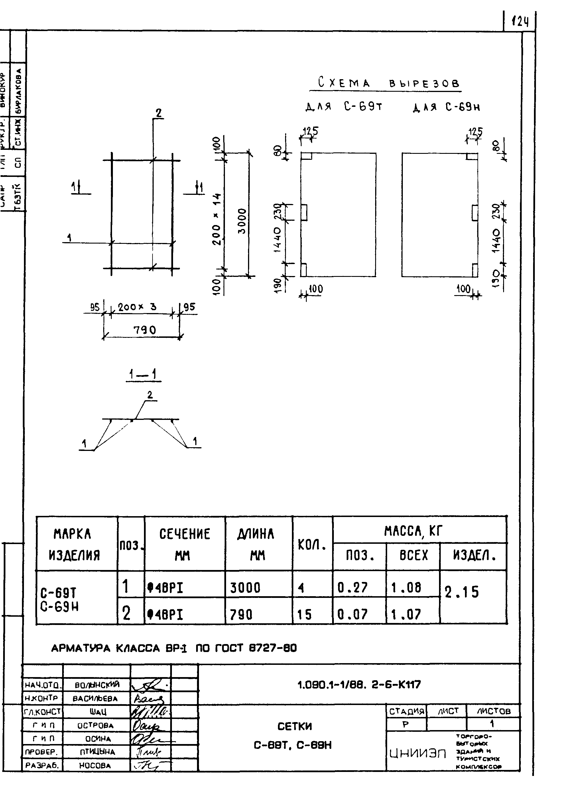
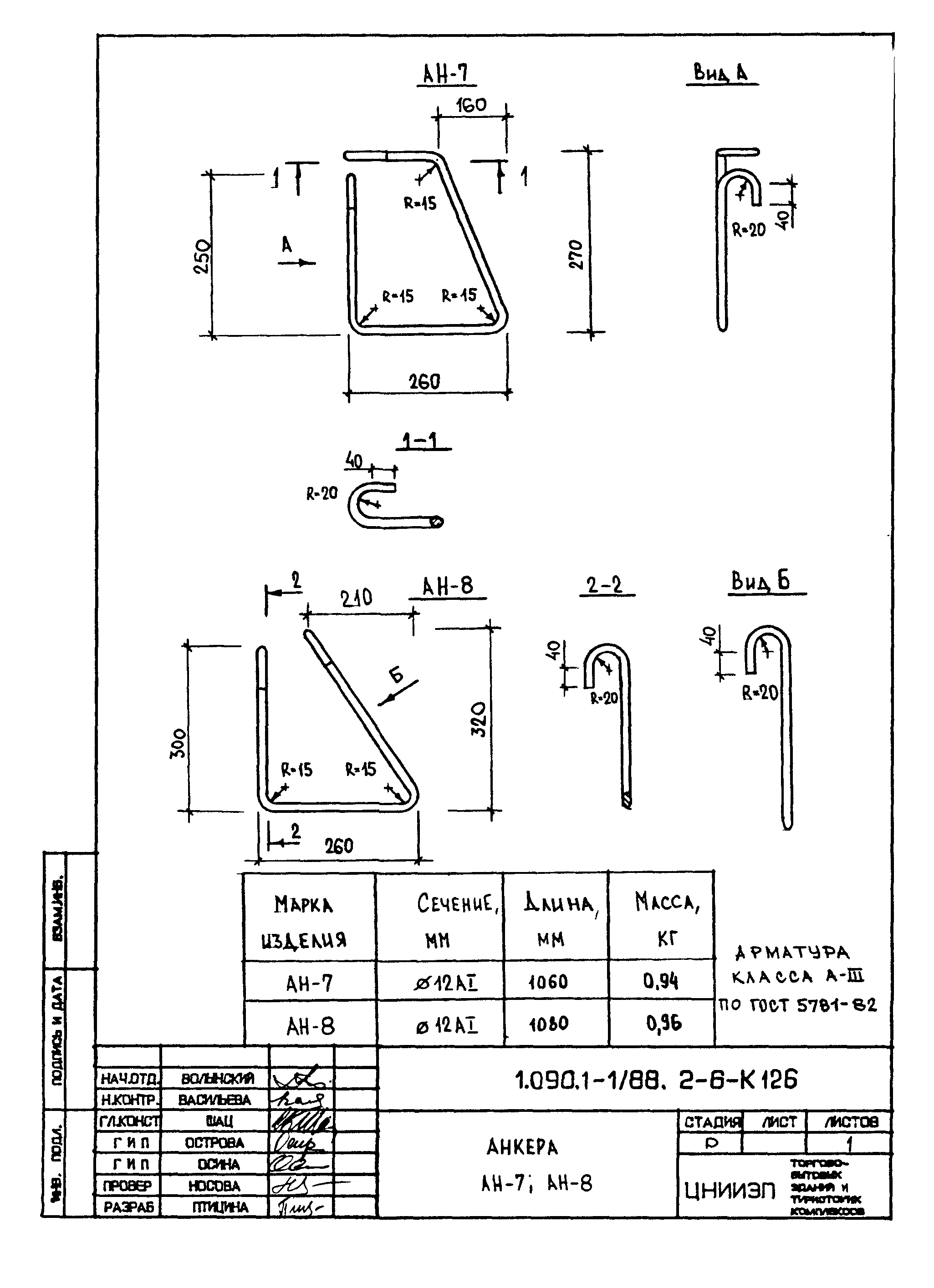
| Оглавление: | 1.090.1-1/88.2-6-ТТ Технические требования 1.090.1-1/88.2-6-К1 Каркасы КР-1,КР-2 1.090.1-1/88.2-6-К2 Каркас КР-3 1.090.1-1/88.2-6-К3 Каркас КР-4 1.090.1-1/88.2-6-К4 Каркасы КР-5Т,КР-5Н 1.090.1-1/88.2-6-К5 Каркасы КР-6Т,КР-6Н 1.090.1-1/88.2-6-К6 Каркасы КР-7,КР-9,КР-11,КР-13 1.090.1-1/88.2-6-К7 Каркасы КР-8,КР-10,КР-12,КР-14 1.090.1-1/88.2-6-К8 Каркасы КР-15,КР-17 1.090.1-1/88.2-6-К9 Каркасы КР-16,КР-18 1.090.1-1/88.2-6-К10 Каркасы КР-19,КР-20 1.090.1-1/88.2-6-К11 Каркасы КР-21Т,КР-21Н 1.090.1-1/88.2-6-К12 Каркасы КР-22Т,КР-22Н 1.090.1-1/88.2-6-К13 Каркасы КР-23Т,КР-23Н 1.090.1-1/88.2-6-К14 Каркасы КР-24Т,КР-24Н 1.090.1-1/88.2-6-К15 Каркас КР-25 1.090.1-1/88.2-6-К16 Каркас КР-26 1.090.1-1/88.2-6-К17 Каркасы КР-27,КР-28 1.090.1-1/88.2-6-К18 Каркасы КР-29,КР-30,КР-31,КР-32 1.090.1-1/88.2-6-К19 Каркасы КР-33Т,КР-33Н,КР-34Т,КР-34Н 1.090.1-1/88.2-6-К20 Каркасы КР-35,КР-36,КР-37,КР-38 1.090.1-1/88.2-6-К21 Каркасы КР-39,КР-40 1.090.1-1/88.2-6-К22 Каркасы КР-41,КР-42,КР-43,КР-44 1.090.1-1/88.2-6-К23 Каркасы КР-45,КР-46,КР-47 1.090.1-1/88.2-6-К24 Каркасы КР-48Т,КР-48Н 1.090.1-1/88.2-6-К25 Каркасы КР-49Т,КР-49Н 1.090.1-1/88.2-6-К26 Каркасы КР-50Т,КР-50Н 1.090.1-1/88.2-6-К27 Каркасы КР-51Т,КР-51Н 1.090.1-1/88.2-6-К28 Каркасы КР-52Т,КР-52Н 1.090.1-1/88.2-6-К29 Каркасы КР-53Т,КР-53Н 1.090.1-1/88.2-6-К30 Каркасы КР-54,КР-55 1.090.1-1/88.2-6-К31 Каркасы КР-56Т,КР-56Н 1.090.1-1/88.2-6-К32 Каркасы КР-57Т,КР-57Н 1.090.1-1/88.2-6-К33 Каркасы КР-58Т,КР-58Н 1.090.1-1/88.2-6-К34 Каркасы КР-59Т,КР-59Н 1.090.1-1/88.2-6-К35 Каркасы КР-60,КР-61 1.090.1-1/88.2-6-К36 Каркасы КР-62,КР-63 1.090.1-1/88.2-6-К37 Каркасы КР-64Т,КР-64Н 1.090.1-1/88.2-6-К38 Каркасы КР-65Т,КР-65Н 1.090.1-1/88.2-6-К39 Каркас КР-66 1.090.1-1/88.2-6-К40 Каркас КР-67 1.090.1-1/88.2-6-К41 Каркасы КР-68,КР-70,КР-72 1.090.1-1/88.2-6-К42 Каркасы КР-69,КР-71,КР-73 1.090.1-1/88.2-6-К43 Каркасы КР-74,КР-76,КР-78 1.090.1-1/88.2-6-К44 Каркасы КР-75,КР-77,КР-79 1.090.1-1/88.2-6-К45 Каркасы КР-80Т,КР-80Н 1.090.1-1/88.2-6-К46 Каркасы КР-81Т,КР-81Н 1.090.1-1/88.2-6-К47 Каркасы КР-82Т,КР-82Н 1.090.1-1/88.2-6-К48 Каркасы КР-83Т,КР-83Н 1.090.1-1/88.2-6-К49 Каркасы КР-84Т,КР-84Н 1.090.1-1/88.2-6-К50 Каркасы КР-85Т,КР-85Н 1.090.1-1/88.2-6-К51 Каркас КР-86 1.090.1-1/88.2-6-К52 Каркас КР-87 1.090.1-1/88.2-6-К53 Каркасы КР-88Т,КР-88Н 1.090.1-1/88.2-6-К54 Каркасы КР-89Т,КР-89Н 1.090.1-1/88.2-6-К55 Каркасы КР-90,КР-91 1.090.1-1/88.2-6-К56 Каркасы КР-92,КР-93 1.090.1-1/88.2-6-К57 Каркасы КР-94,КР-95 1.090.1-1/88.2-6-К58 Каркасы КР-96,КР-97 1.090.1-1/88.2-6-К59 Каркасы КР-98Т,КР-98Н 1.090.1-1/88.2-6-К60 Каркасы КР-99Т,КР-99Н 1.090.1-1/88.2-6-К61 Каркасы КР-100Т,КР-100Н 1.090.1-1/88.2-6-К62 Каркасы КР-101Т,КР-101Н 1.090.1-1/88.2-6-К63 Каркасы КР-102Т,КР-102Н 1.090.1-1/88.2-6-К64 Каркасы КР-103Т,КР-103Н 1.090.1-1/88.2-6-К65 Каркасы КР-104Т,КР-104Н 1.090.1-1/88.2-6-К66 Каркасы КР-105Т,КР-105Н 1.090.1-1/88.2-6-К67 Каркасы КР-106Т,КР-106Н 1.090.1-1/88.2-6-К68 Каркасы КР-107Т,КР-107Н 1.090.1-1/88.2-6-К69 Каркасы КР-108Т,КР-108Н 1.090.1-1/88.2-6-К70 Каркасы КР-109Т,КР-109Н 1.090.1-1/88.2-6-К71 Каркас КР-110 1.090.1-1/88.2-6-К72 Каркас КР-111 1.090.1-1/88.2-6-К73 Каркасы КР-112Т,КР-112Н 1.090.1-1/88.2-6-К74 Каркасы КР-113Т,КР-113Н 1.090.1-1/88.2-6-К75 Каркас КР-114 1.090.1-1/88.2-6-К76 Каркас КР-115 1.090.1-1/88.2-6-К77 Каркас КР-116 1.090.1-1/88.2-6-К78 Каркасы КР-117Т,КР-117Н 1.090.1-1/88.2-6-К79 Каркасы КР-118Т,КР-118Н 1.090.1-1/88.2-6-К80 Каркасы КР-119Т,КР-119Н 1.090.1-1/88.2-6-К81 Каркасы КР-120,КР-121 1.090.1-1/88.2-6-К82 Каркасы КР-122Т,КР-122Н 1.090.1-1/88.2-6-К83 Каркасы КР-123Т,КР-123Н 1.090.1-1/88.2-6-К84 Сетки С-1,С-2 1.090.1-1/88.2-6-К85 Сетки С-3,С-4 1.090.1-1/88.2-6-К86 Сетка С-5 1.090.1-1/88.2-6-К87 Сетки С-6,С-7 1.090.1-1/88.2-6-К88 Сетки С-8,С-9,С-10 1.090.1-1/88.2-6-К89 Сетки С-11,С-12,С-13 1.090.1-1/88.2-6-К90 Сетки С-14,С-15 1.090.1-1/88.2-6-К91 Сетки С-16,С-17,С-18 1.090.1-1/88.2-6-К92 Сетки С-19,С-21 1.090.1-1/88.2-6-К93 Сетки С-20,С-22 1.090.1-1/88.2-6-К94 Сетки С-23,С-24 1.090.1-1/88.2-6-К95 Сетка С-25 1.090.1-1/88.2-6-К96 Сетки С-26,С-27 1.090.1-1/88.2-6-К97 Сетки С-28Т,С-28Н,С-29Т,С-29Н 1.090.1-1/88.2-6-К98 Сетки С-30Т,С-30Н,С-31Т,С-31Н 1.090.1-1/88.2-6-К99 Сетка С-32 1.090.1-1/88.2-6-К100 Сетка С-33 1.090.1-1/88.2-6-К101 Сетки С-34,С-36,С-37 1.090.1-1/88.2-6-К102 Сетка С-35 1.090.1-1/88.2-6-К103 Сетки С-38,С-39,С-40 1.090.1-1/88.2-6-К104 Сетки С-41,С-43,С-45 1.090.1-1/88.2-6-К105 Сетки С-32,С-44,С-46 1.090.1-1/88.2-6-К106 Сетки С-47,С-49,С-51 1.090.1-1/88.2-6-К107 Сетки С-48,С-50,С-52 1.090.1-1/88.2-6-К108 Сетки С-53,С-54,С-55 1.090.1-1/88.2-6-К109 Сетки С-56,С-57,С-58 1.090.1-1/88.2-6-К110 Сетки С-59,С-60 1.090.1-1/88.2-6-К111 Сетка С-61 1.090.1-1/88.2-6-К112 Сетки С-62Т,С-62Н 1.090.1-1/88.2-6-К113 Сетка С-63 1.090.1-1/88.2-6-К114 Сетки С-64,С-65,С-66 1.090.1-1/88.2-6-К115 Сетки С-67Т,С-67Н 1.090.1-1/88.2-6-К116 Сетки С-68Т,С-68Н 1.090.1-1/88.2-6-К117 Сетки С-69Т,С-69Н 1.090.1-1/88.2-6-К118 Сетки С-70Т,С-70Н 1.090.1-1/88.2-6-К119 Сетки С-71Т,С-71Н 1.090.1-1/88.2-6-К120 Закладная деталь МН-1 1.090.1-1/88.2-6-К121 Закладная деталь МН-2 1.090.1-1/88.2-6-К122 Стержень гнутый СГ-1 1.090.1-1/88.2-6-К123 Анкера АН-1Т,АН-1Н,АН-2Т,АН-2Н 1.090.1-1/88.2-6-К124 Анкера АН-3,АН-4 1.090.1-1/88.2-6-К125 Анкера АН-5,АН-6 1.090.1-1/88.2-6-К126 Анкера АН-7,АН-8 1.090.1-1/88.2-6-К127 Анкера АН-9,АН-10 1.090.1-1/88.2-6-К128 Петля строповочная СП-1 1.090.1-1/88.2-6-К129 Петли строповочные СП-2,СП-3 1.090.1-1/88.2-6-К130 Петля строповочная СП-4 1.090.1-1/88.2-6-К131 Петли строповочные СП-5,СП-6 1.090.1-1/88.2-6-К132 Петля строповочная СП-7 |
| Разработан: | ЦНИИЭП ТБЗ и ТК |
| Утверждён: | 28.03.1989 Госстрой СССР (Государственный комитет Совета Министров СССР по делам строительства) (USSR Gosstroy АЧ-14) |









































































































































