Скачать Серия 1.090.1-1/88 Выпуск 5-1. Плиты перекрытий многопустотные и ребристые высотой 220 мм, длиной 2980 мм, армированные стержнями из стали класса А-III, длиной 5980, 6580 и 7180 мм, армированные напрягаемой арматурой из стали класса Ат-V. Рабочие чертежиДата актуализации: 01.01.2021
|
| Обозначение: | Серия 1.090.1-1/88 |
| Обозначение англ: | Series 1.090.1-1/88 |
| Статус: | не определен законодательством |
| Название рус.: | Выпуск 5-1. Плиты перекрытий многопустотные и ребристые высотой 220 мм, длиной 2980 мм, армированные стержнями из стали класса А-III, длиной 5980, 6580 и 7180 мм, армированные напрягаемой арматурой из стали класса Ат-V. Рабочие чертежи |
| Дата добавления в базу: | 01.09.2013 |
| Дата актуализации: | 01.01.2021 |
| Дата введения: | 01.10.1989 |
| Дата окончания срока действия: | 30.06.2003 |
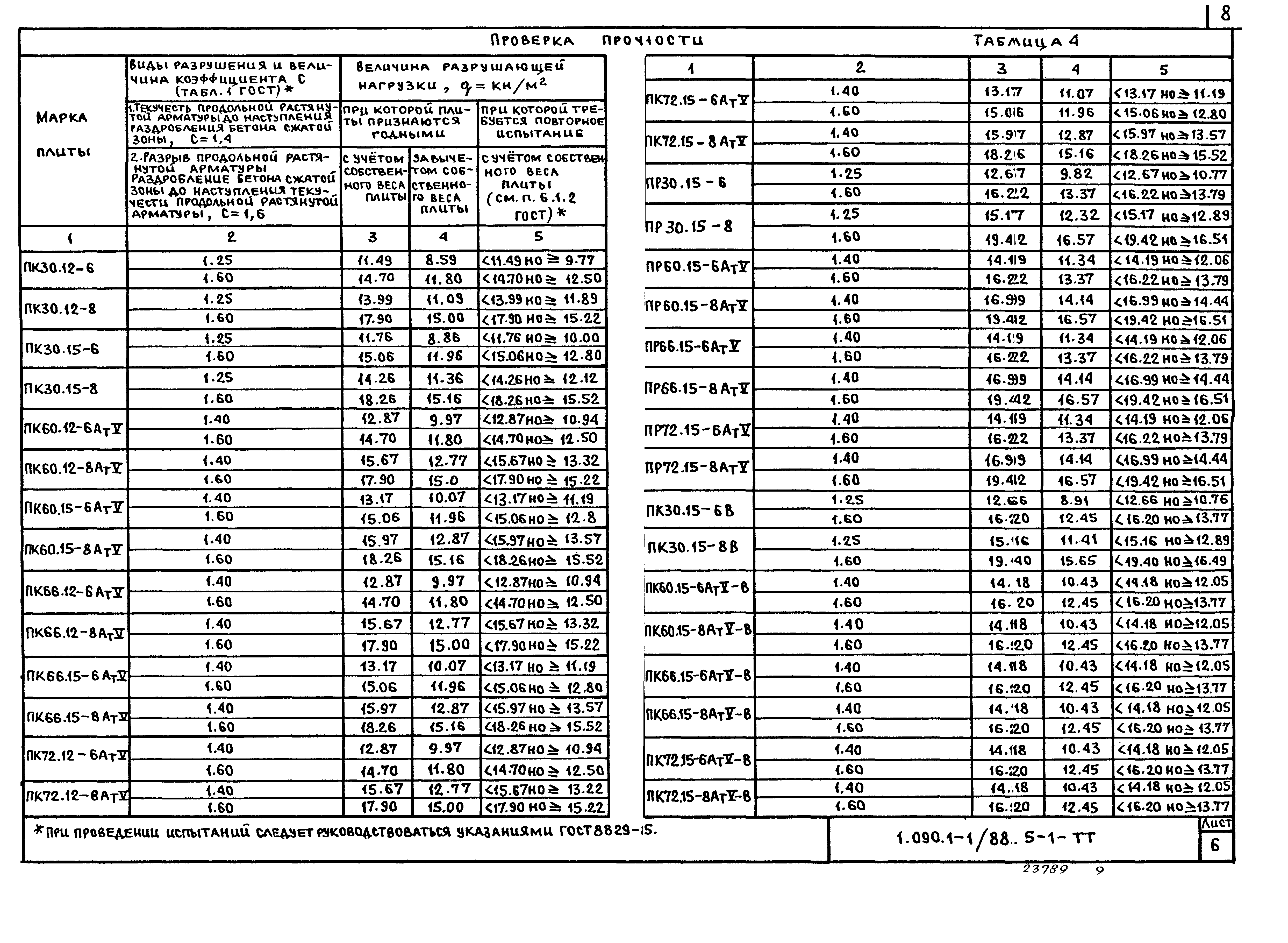
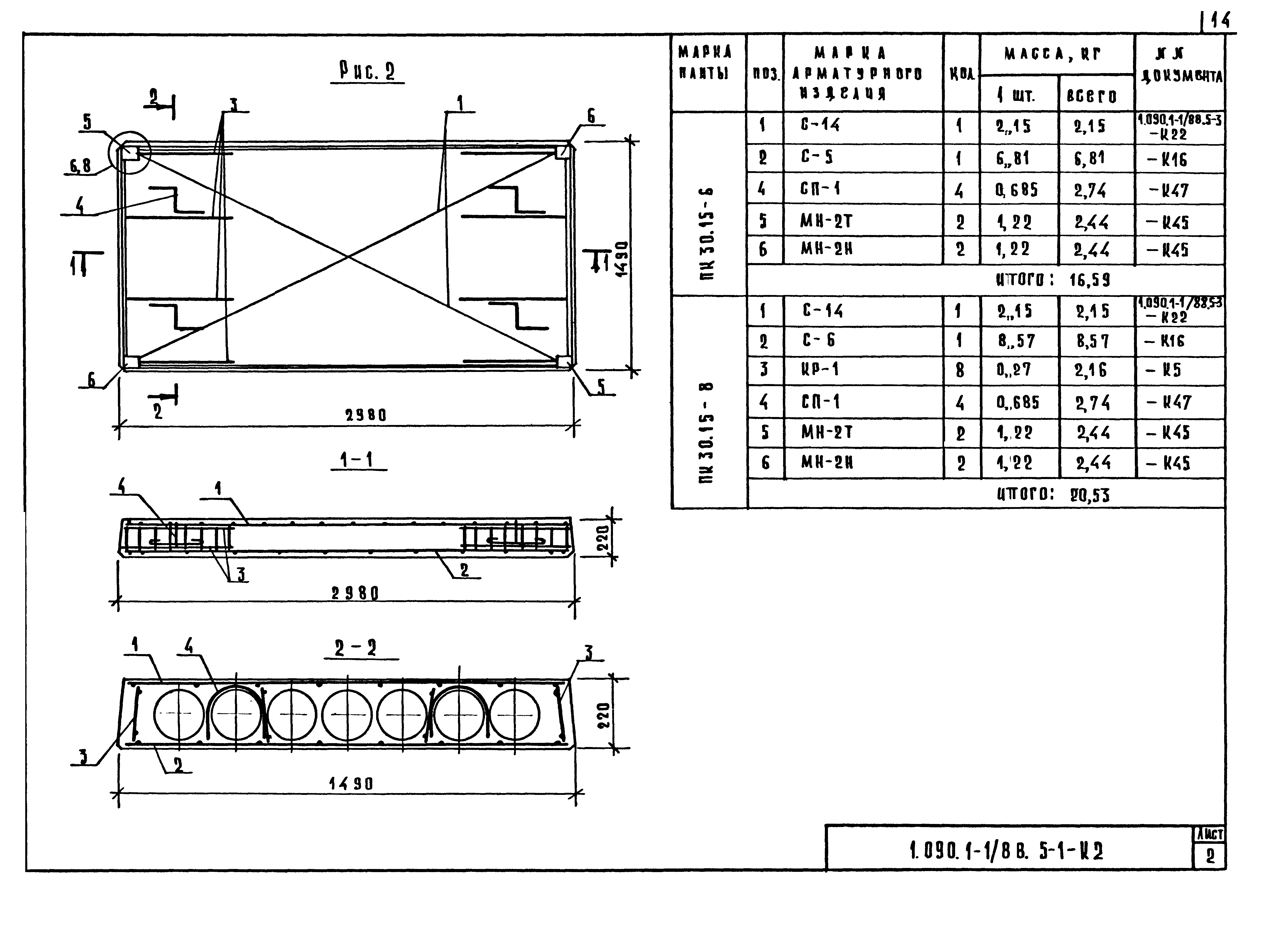
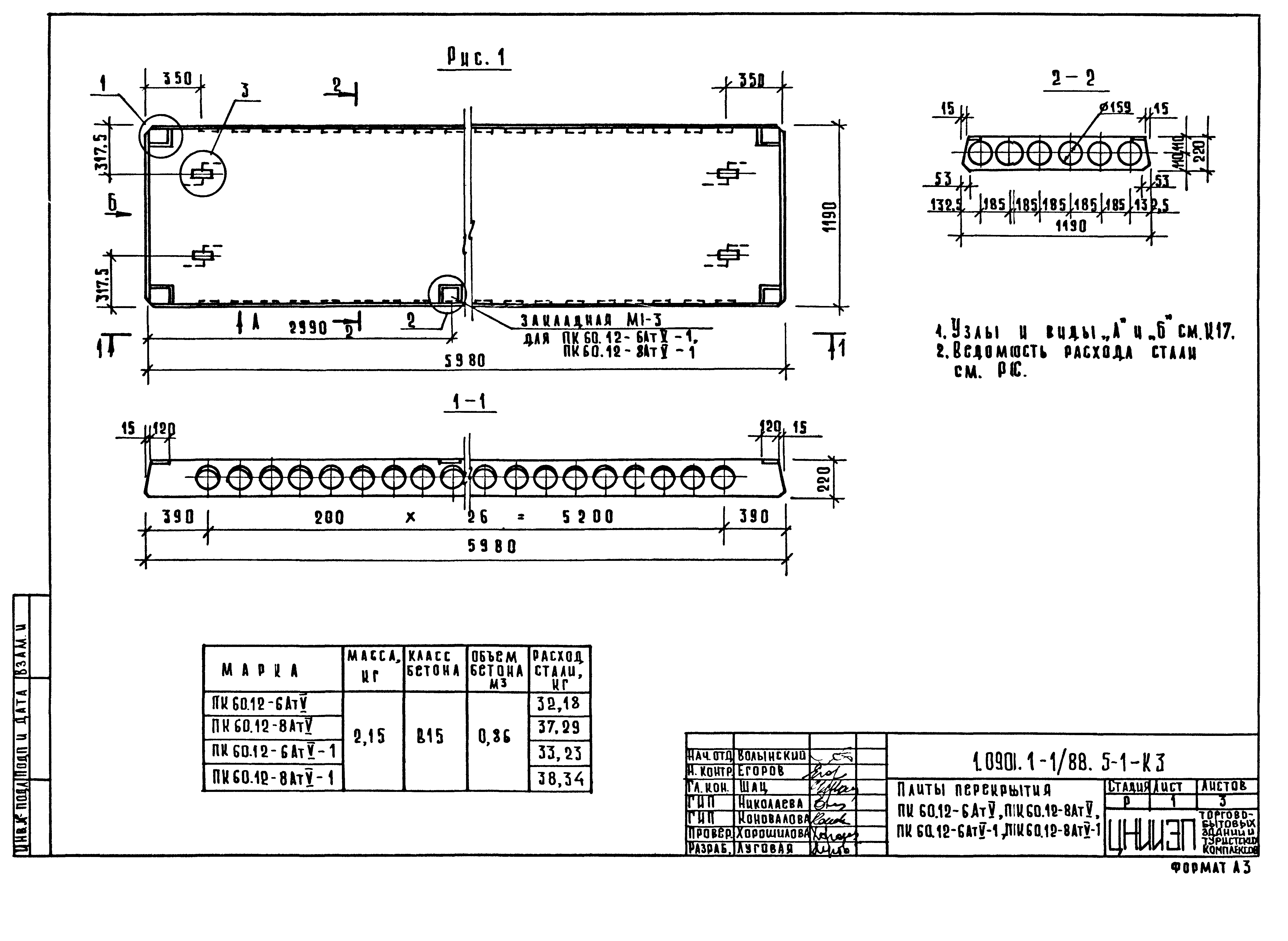
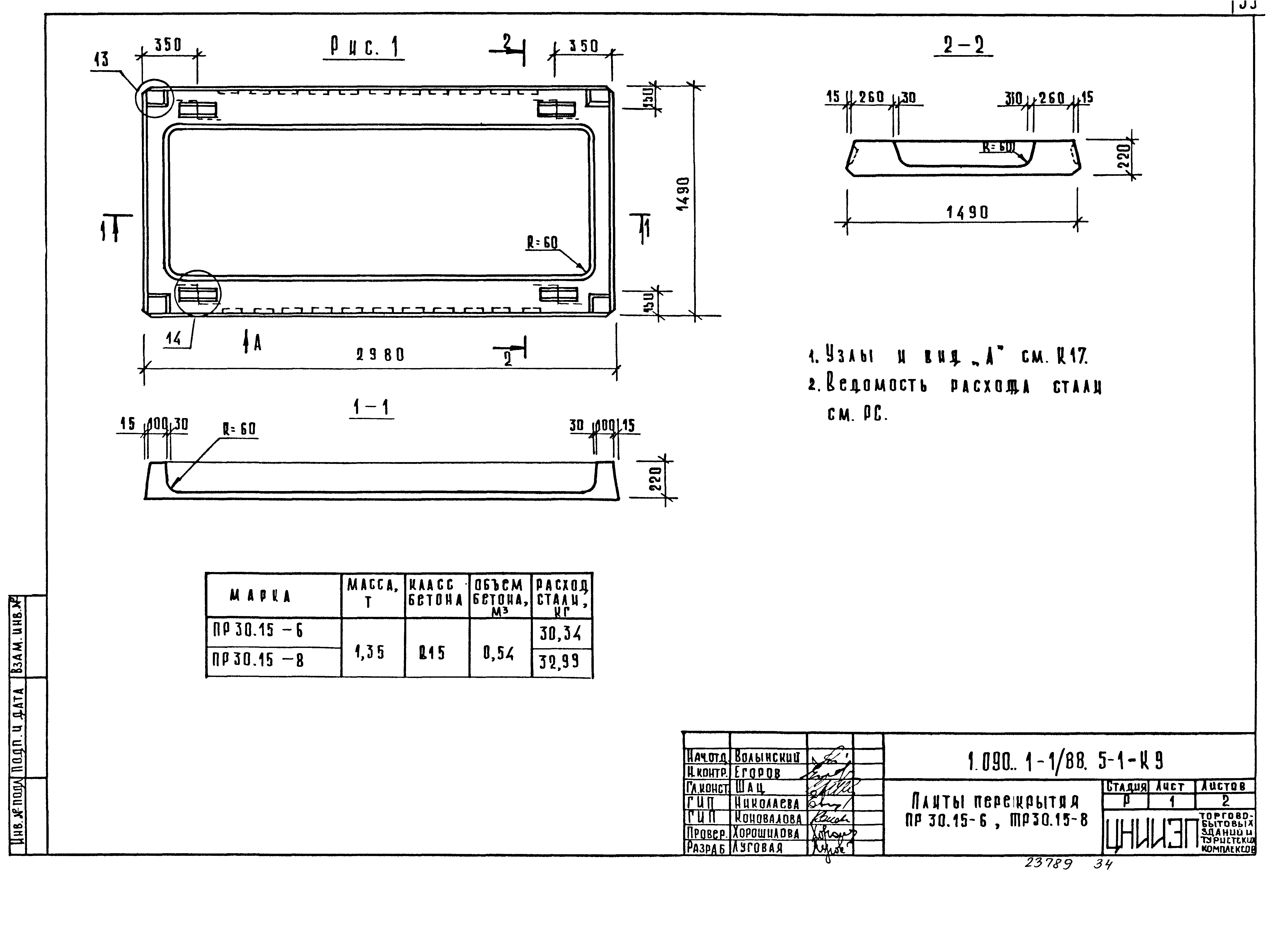
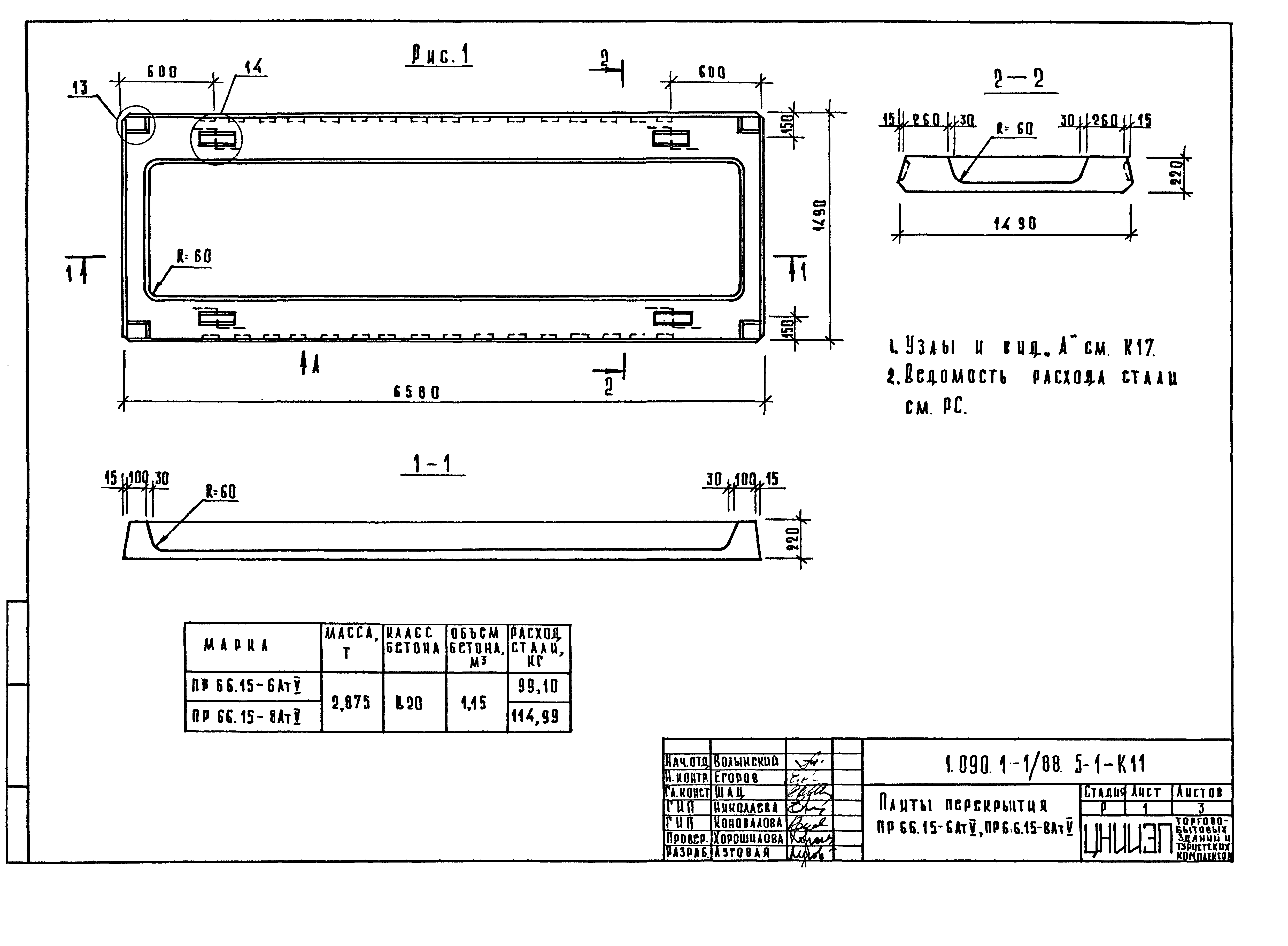
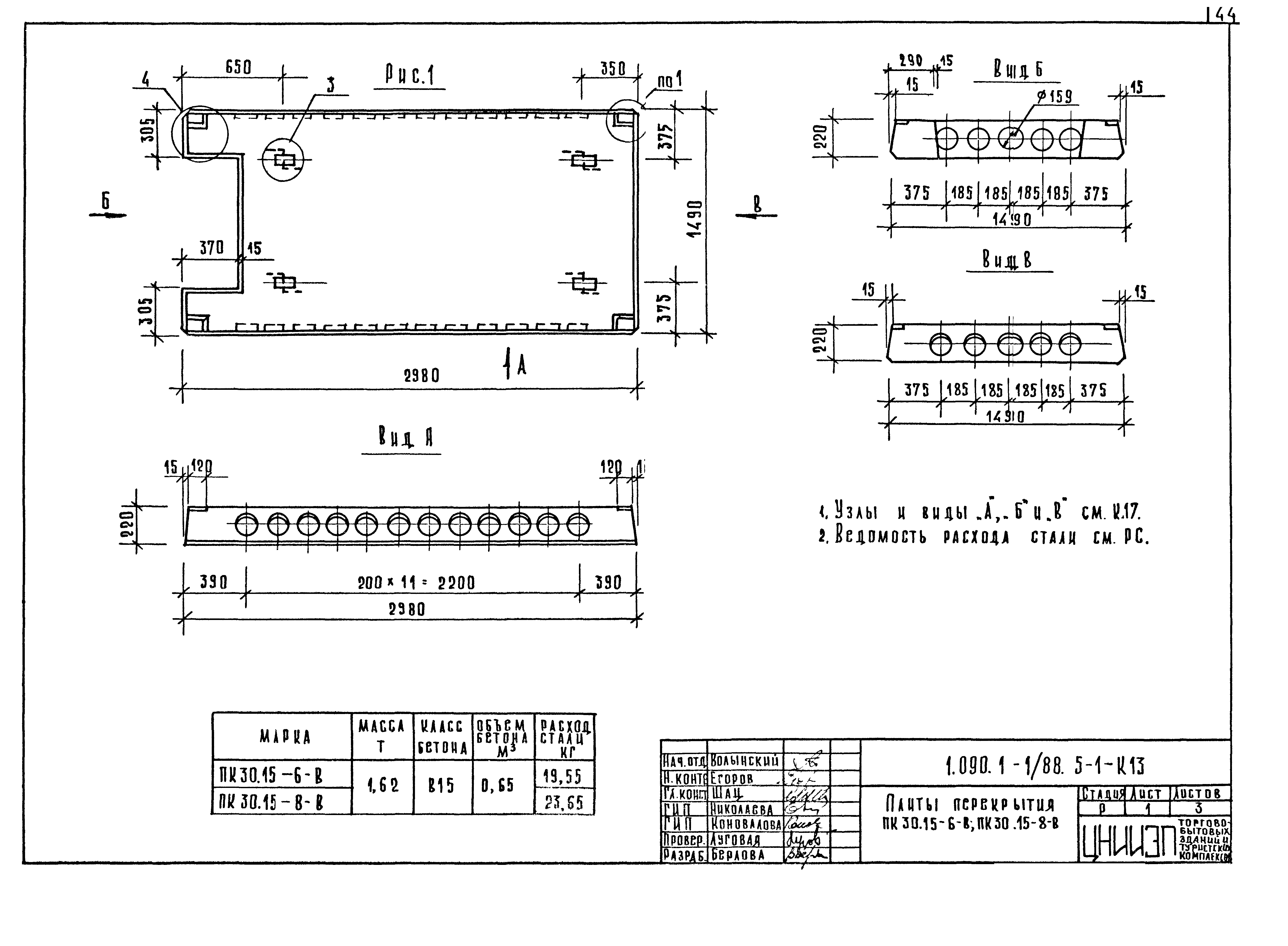
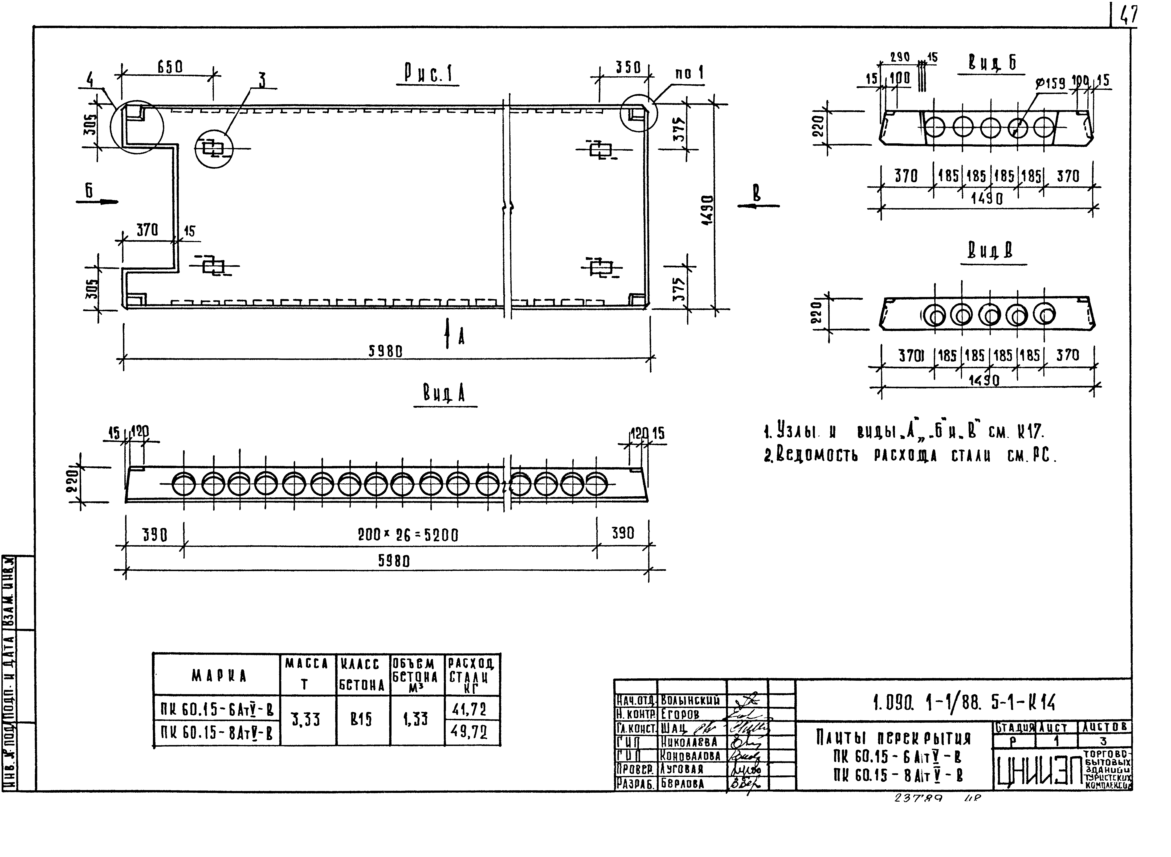
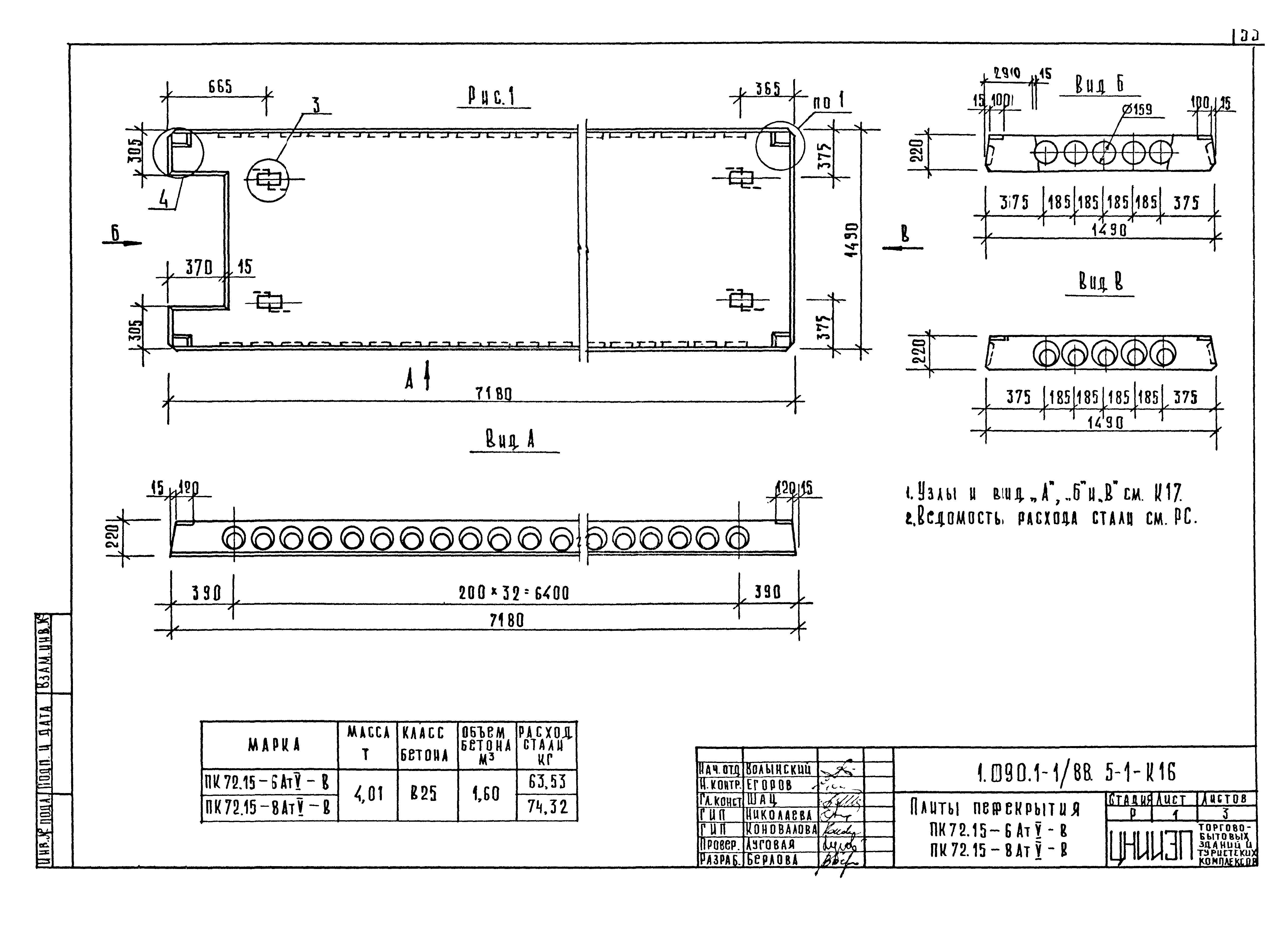
| Оглавление: | 1.090.1-1/88.4-1-ТТ Технические требования 1.090.1-1/88.4-1-К1 Плиты перекрытия ПК30.12-6,ПК30.12-8 1.090.1-1/88.4-1-К2 Плиты перекрытия ПК30.15-6,ПК30.15-8 1.090.1-1/88.4-1-К3 Плиты перекрытия ПК60.12-6АтV,ПК60.12-8АтV,ПК60.12-6АтV-1,ПК60.12-8АтV-1 1.090.1-1/88.4-1-К4 Плиты перекрытия ПК60.15-6АтV,ПК60.15-8АтV,ПК60.15-6АтV-1,ПК60.15-8АтV-1 1.090.1-1/88.4-1-К5 Плиты перекрытия ПК66.12-6АтV,ПК66.12-8АтV,ПК66.12-6АтV-1,ПК66.12-8АтV-1 1.090.1-1/88.4-1-К6 Плиты перекрытия ПК66.15-6АтV,ПК66.15-8АтV,ПК66.15-6АтV-1,ПК66.15-8АтV-1 1.090.1-1/88.4-1-К7 Плиты перекрытия ПК72.12-6АтV,ПК72.12-8АтV,ПК72.12-6АтV-1,ПК72.12-8АтV-1 1.090.1-1/88.4-1-К8 Плиты перекрытия ПК72.15-6АтV,ПК72.15-8АтV,ПК72.15-6АтV-1,ПК72.15-8АтV-1 1.090.1-1/88.4-1-К9 Плиты перекрытия ПР30.15-6,ПР30.15-8 1.090.1-1/88.4-1-К10 Плиты перекрытия ПР60.15-6АтV,ПР60.15-8АтV 1.090.1-1/88.4-1-К11 Плиты перекрытия ПР66.15-6АтV,ПР66.15-8АтV 1.090.1-1/88.4-1-К12 Плиты перекрытия ПР72.15-6АтV,ПР72.15-8АтV 1.090.1-1/88.4-1-К13 Плиты перекрытия ПК30.15-6-В,ПК30.15-8-В 1.090.1-1/88.4-1-К14 Плиты перекрытия ПК60.15-6АтV-В,ПК60.15-8АтV-В 1.090.1-1/88.4-1-К15 Плиты перекрытия ПК66.15-6АтV-В,ПК66.15-8АтV-В 1.090.1-1/88.4-1-К16 Плиты перекрытия ПК72.15-6АтV-В,ПК72.15-8АтV-В 1.090.1-1/88.4-1-К17 Узлы 1.090.1-1/88.4-1-РС Ведомость расхода стали |
| Разработан: | ЦНИИЭП торгово-бытовых зданий и туристских комплексов |
| Утверждён: | 28.03.1989 Госстрой СССР (Государственный комитет Совета Министров СССР по делам строительства) (USSR Gosstroy АЧ-14) |
| Издан: | ЦИТП Госстроя СССР (CITP, Gosstroy (USSR) 1989 г. ) |









































































