Скачать Серия 1.090.1-1/88 Выпуск 5-2. Плиты перекрытий многопустотные высотой 260 мм, длиной 2980 мм, армированные стержнями из стали класса А-III, длиной 5980, 6580 и 7180 мм, армированные напрягаемой арматурой из стали класса Ат-V. Рабочие чертежиДата актуализации: 01.01.2021
|
| Обозначение: | Серия 1.090.1-1/88 |
| Обозначение англ: | Series 1.090.1-1/88 |
| Статус: | не определен законодательством |
| Название рус.: | Выпуск 5-2. Плиты перекрытий многопустотные высотой 260 мм, длиной 2980 мм, армированные стержнями из стали класса А-III, длиной 5980, 6580 и 7180 мм, армированные напрягаемой арматурой из стали класса Ат-V. Рабочие чертежи |
| Дата добавления в базу: | 01.09.2013 |
| Дата актуализации: | 01.01.2021 |
| Дата введения: | 01.10.1989 |
| Дата окончания срока действия: | 30.06.2003 |
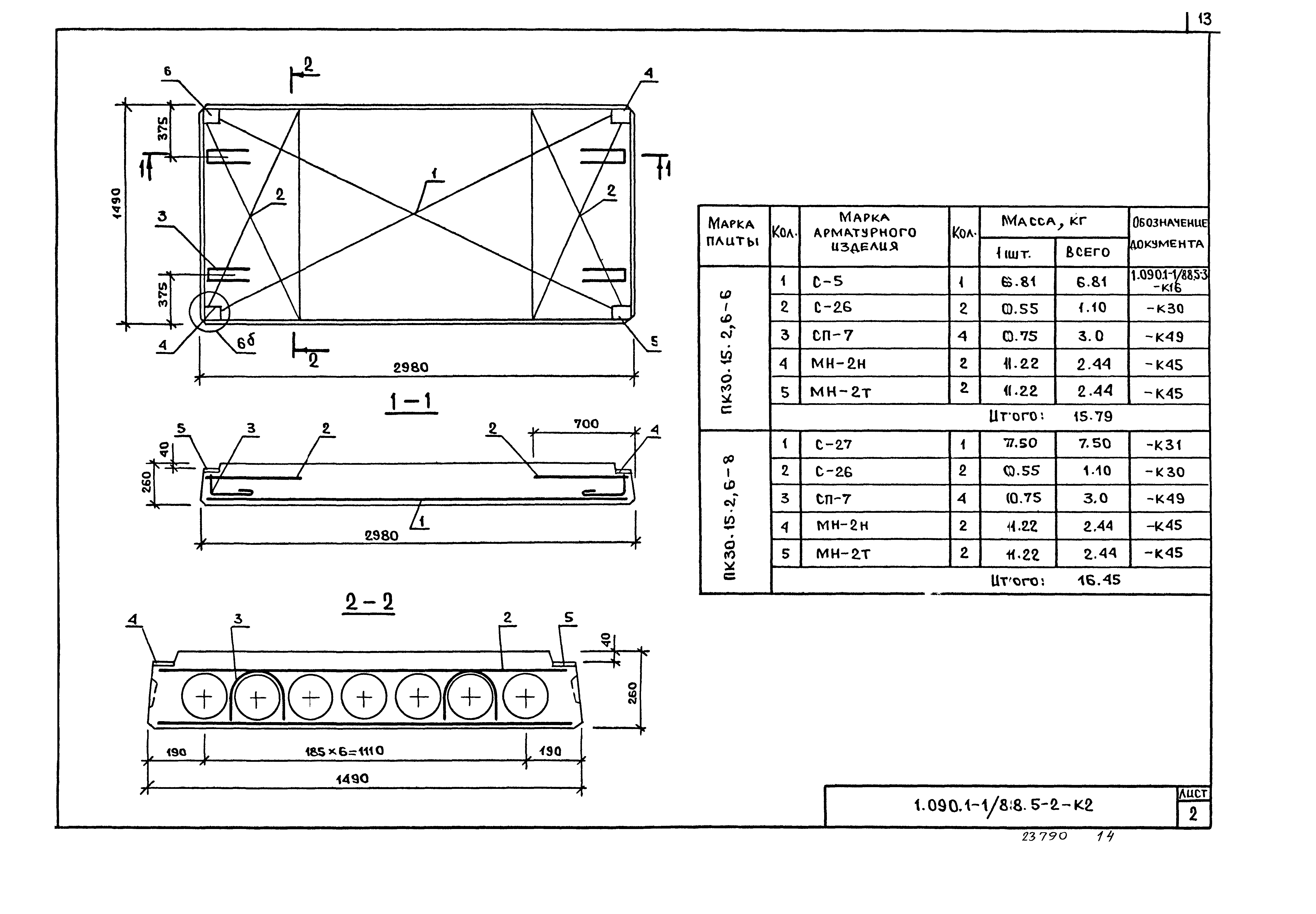
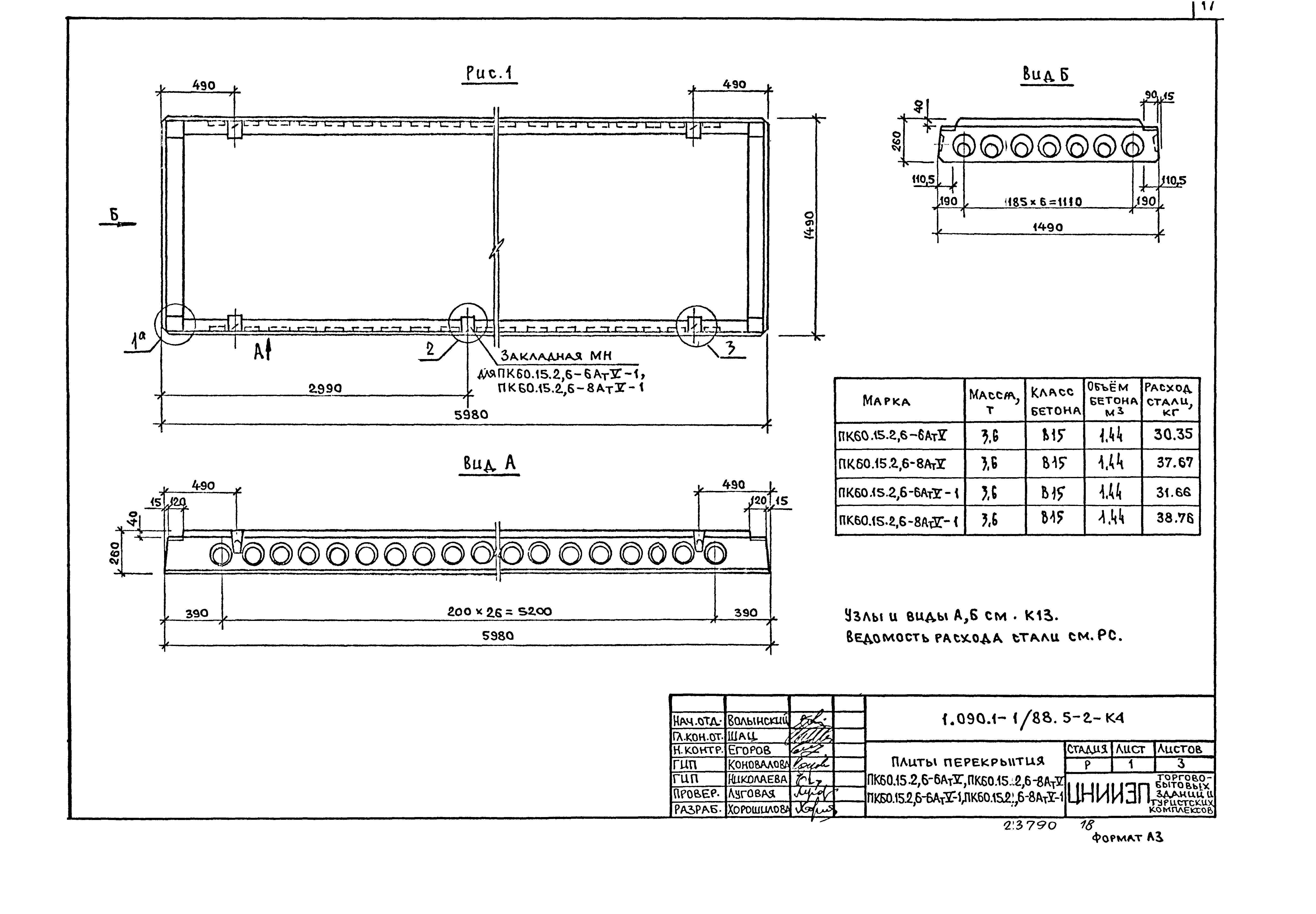
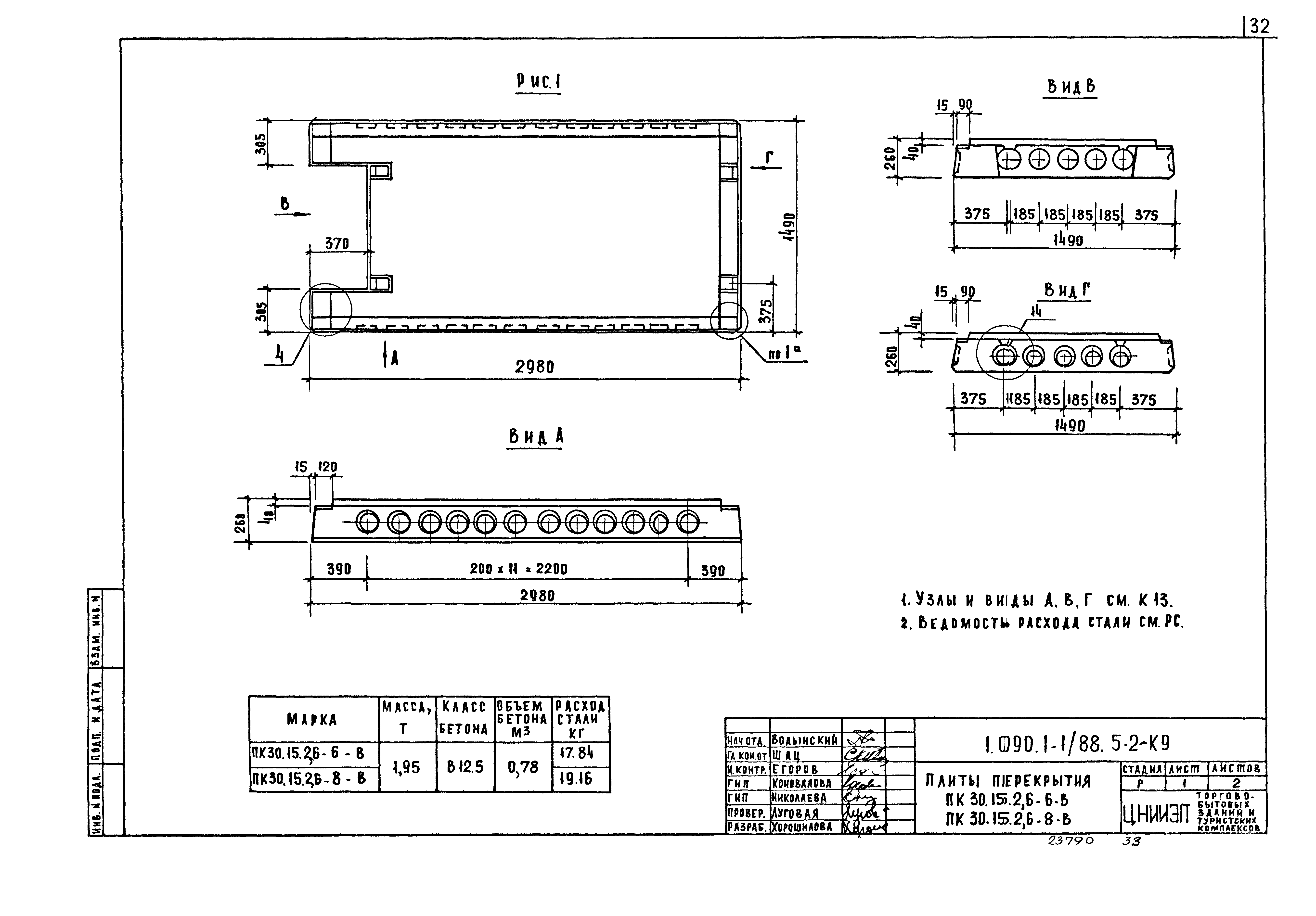
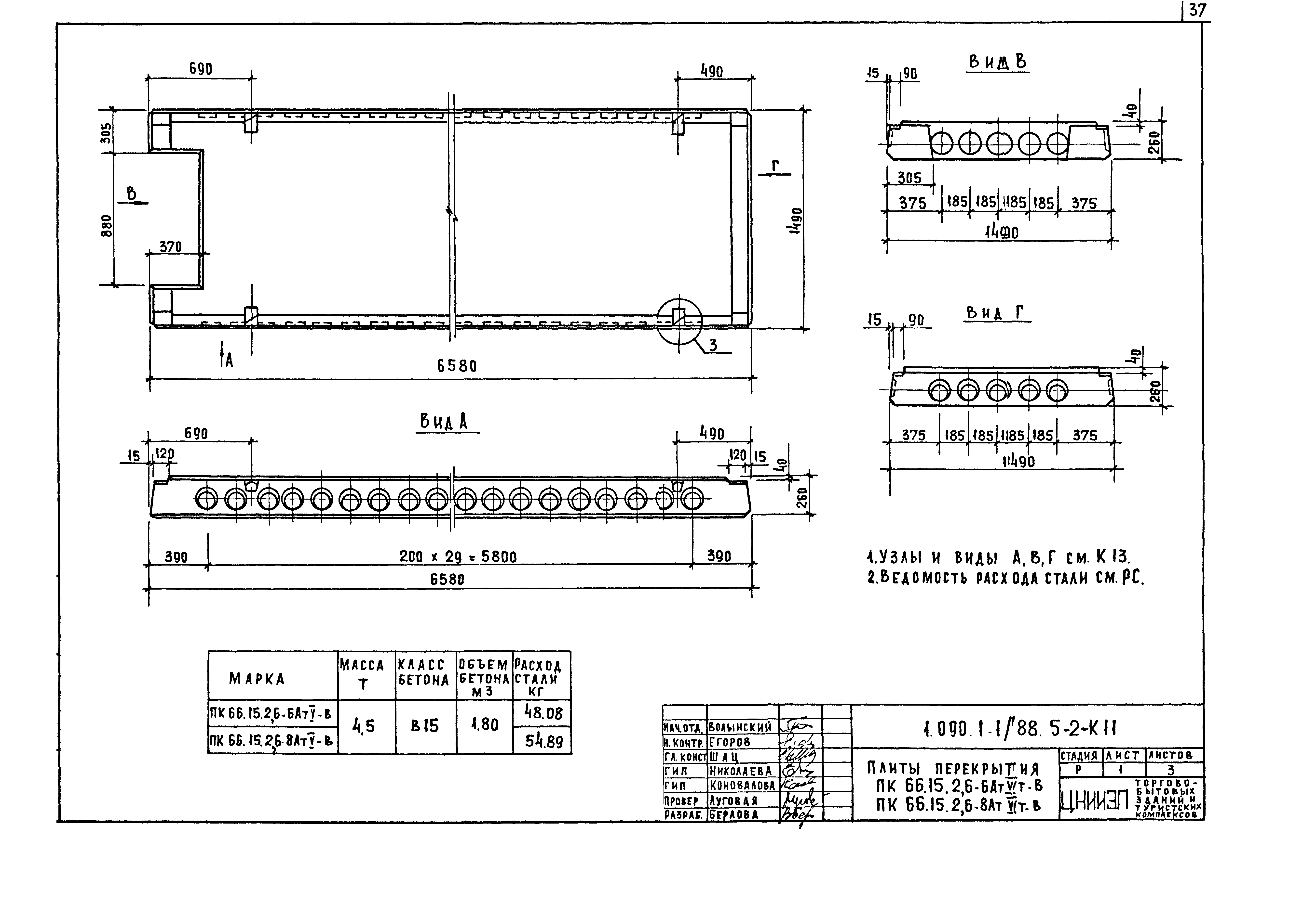
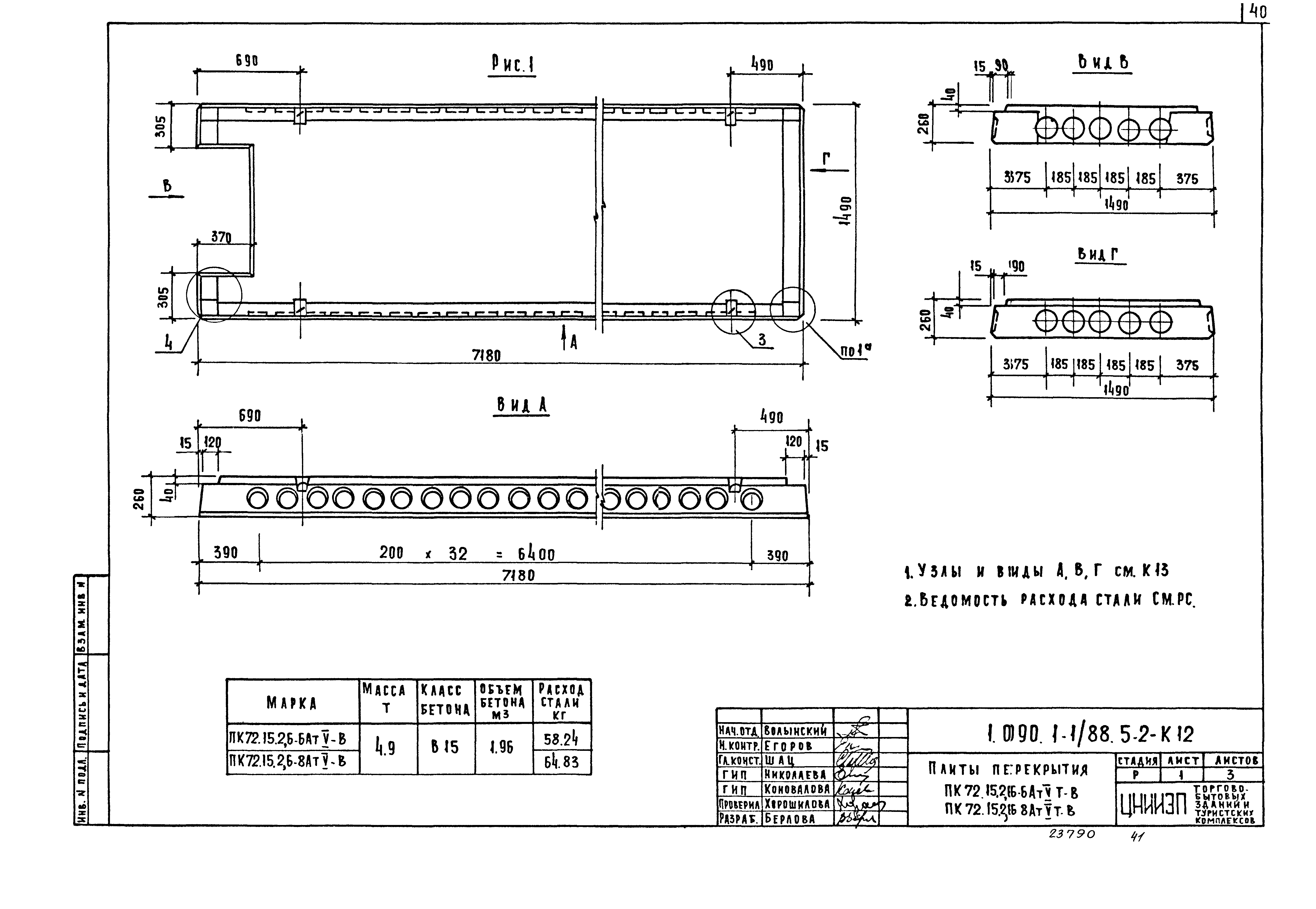
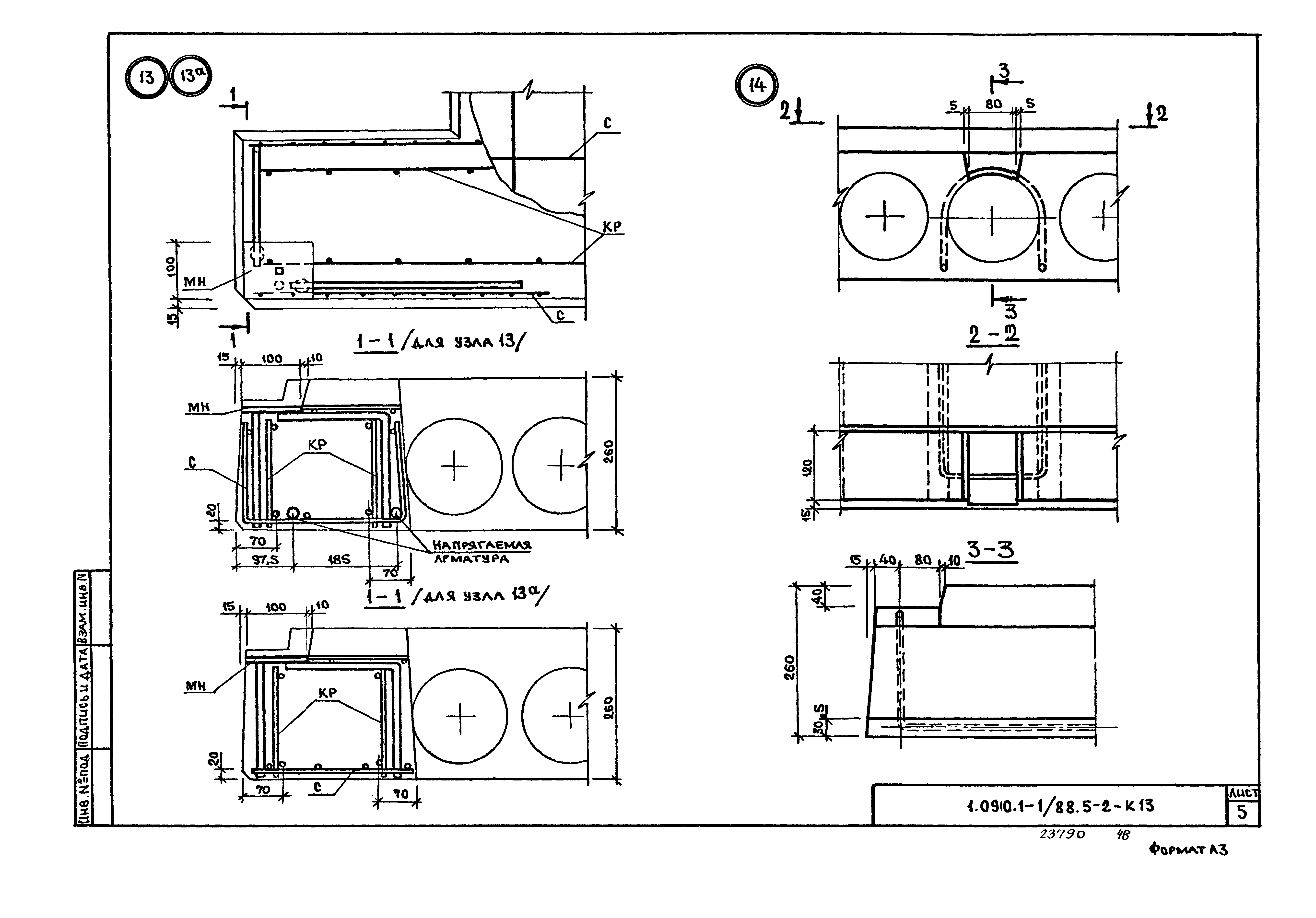
| Оглавление: | 1.090.1-1/88.5-2-ТТ Технические требования 1.090.1-1/88.5-2-К1 Плиты перекрытия ПК30.12.2,6-6;ПК30.12.2,6-8 1.090.1-1/88.5-2-К2 Плиты перекрытия ПК30.15.2,6-6;ПК30.15.2,6-8 1.090.1-1/88.5-2-К3 Плиты перекрытия ПК60.12.2,6-6АтV,ПК60.12.2,6-8АтV;ПК60.12.2,6-6АтV-1;ПК60.12.2,6-8АтV-1 1.090.1-1/88.5-2-К4 Плиты перекрытия ПК60.15.2,6-6АтV,ПК60.15.2,6-8АтV;ПК60.15.2,6-6АтV-1;ПК60.15.2,6-8АтV-1 1.090.1-1/88.5-2-К5 Плиты перекрытия ПК66.12.2,6-6АтV,ПК66.12.2,6-8АтV;ПК66.12.2,6-6АтV-1;ПК66.12.2,6-8АтV-1 1.090.1-1/88.5-2-К6 Плиты перекрытия ПК66.15.2,6-6АтV,ПК66.15.2,6-8АтV;ПК66.15.2,6-6АтV-1;ПК66.15.2,6-8АтV-1 1.090.1-1/88.5-2-К7 Плиты перекрытия ПК72.12.2,6-6АтV,ПК72.12.2,6-8АтV;ПК72.12.2,6-6АтV-1;ПК72.12.2,6-8АтV-1 1.090.1-1/88.5-2-К8 Плиты перекрытия ПК72.15.2,6-6АтV,ПК72.15.2,6-8АтV;ПК72.15.2,6-6АтV-1;ПК72.15.2,6-8АтV-1 1.090.1-1/88.5-2-К9 Плиты перекрытия ПК30.15.2,6-6-В,ПК30.15.2,6-8-В 1.090.1-1/88.5-2-К10 Плиты перекрытия ПК60.15.2,6-6АтV-В,ПК60.15.2,6-8АтV-В 1.090.1-1/88.5-2-К11 Плиты перекрытия ПК66.15.2,6-6АтV-В,ПК66.15.2,6-8АтV-В 1.090.1-1/88.5-2-К12 Плиты перекрытия ПК72.15.2,6-6АтV-В,ПК72.15.2,6-8АтV-В 1.090.1-1/88.5-2-К13 Узлы 1.090.1-1/88.5-2-РС Ведомость расхода стали |
| Разработан: | ЦНИИЭП торгово-бытовых зданий и туристских комплексов |
| Утверждён: | 28.03.1989 Госстрой СССР (Государственный комитет Совета Министров СССР по делам строительства) (USSR Gosstroy АЧ-14) |
| Издан: | ЦИТП Госстроя СССР (CITP, Gosstroy (USSR) 1989 г. ) |
























































