Скачать Серия 1.090.1-1/88 Выпуск 5-3. Плиты перекрытий многопустотные и ребристые высотой 220 мм и многопустотные высотой 260 мм, длиной 2980 мм, армированные стержнями из стали класса А-III, длиной 5980, 6580 и 7180 мм, армированные напрягаемой арматурой из стали класса Ат-V. Арматурные и закладные изделия. Рабочие чертежиДата актуализации: 01.01.2021
|
| Обозначение: | Серия 1.090.1-1/88 |
| Обозначение англ: | Series 1.090.1-1/88 |
| Статус: | не определен законодательством |
| Название рус.: | Выпуск 5-3. Плиты перекрытий многопустотные и ребристые высотой 220 мм и многопустотные высотой 260 мм, длиной 2980 мм, армированные стержнями из стали класса А-III, длиной 5980, 6580 и 7180 мм, армированные напрягаемой арматурой из стали класса Ат-V. Арматурные и закладные изделия. Рабочие чертежи |
| Дата добавления в базу: | 01.09.2013 |
| Дата актуализации: | 01.01.2021 |
| Дата введения: | 01.10.1989 |
| Дата окончания срока действия: | 30.06.2003 |
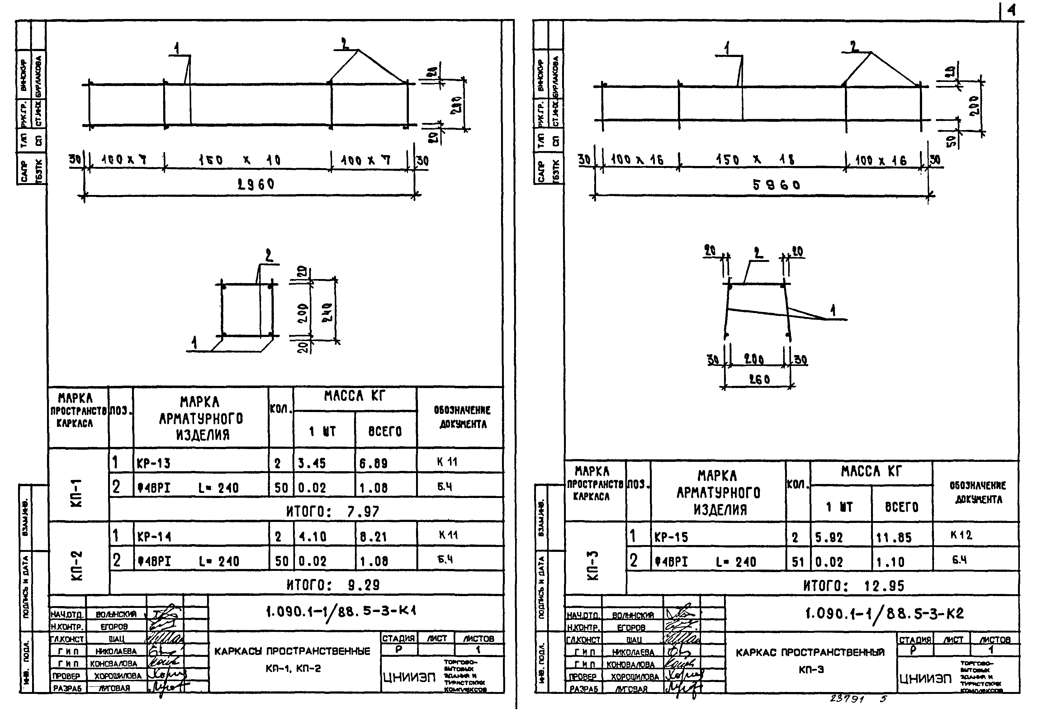
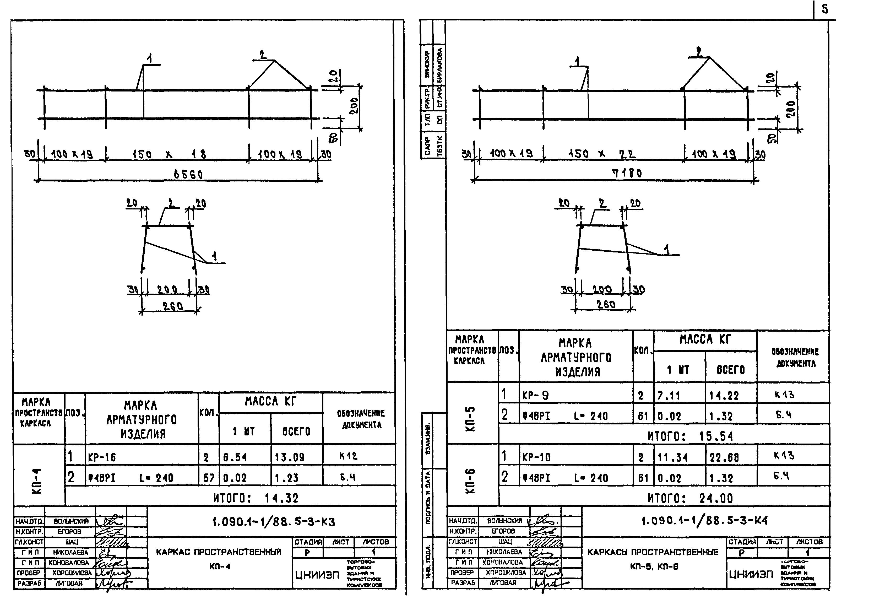
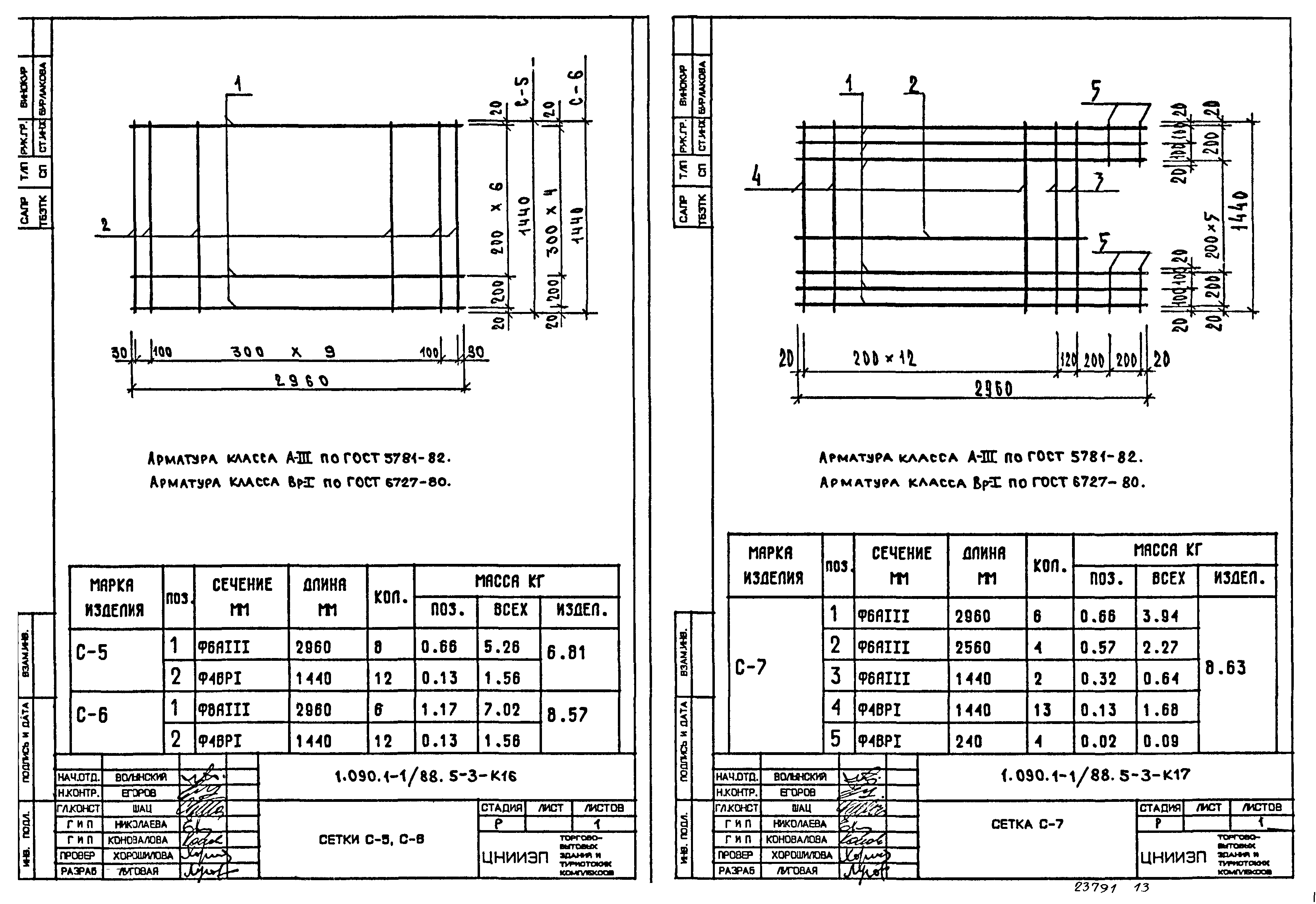
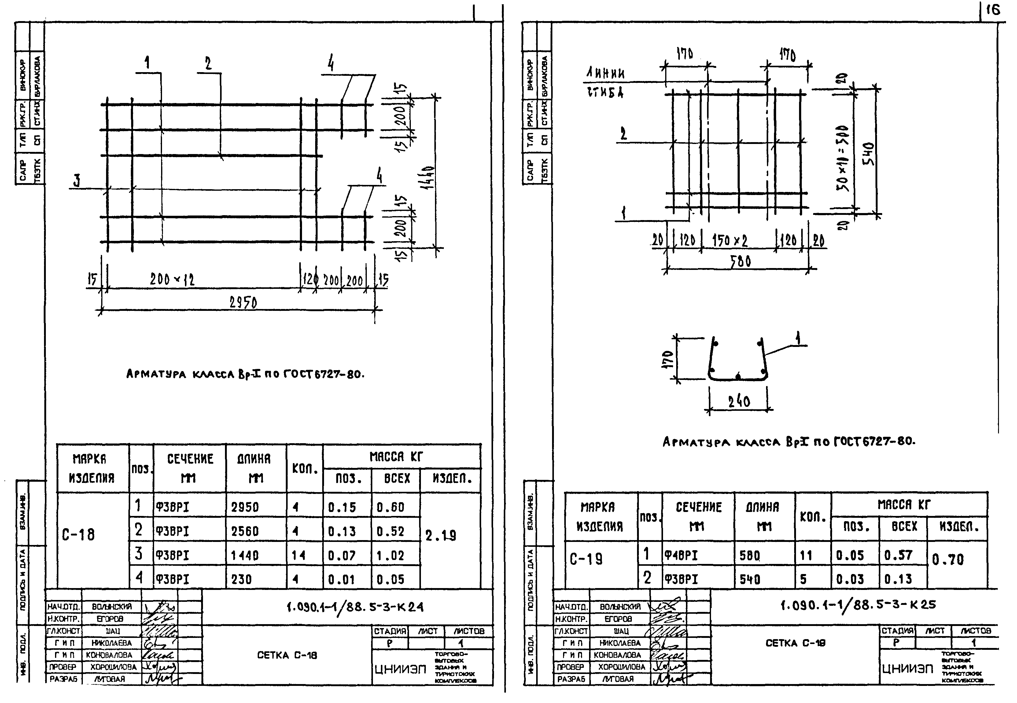
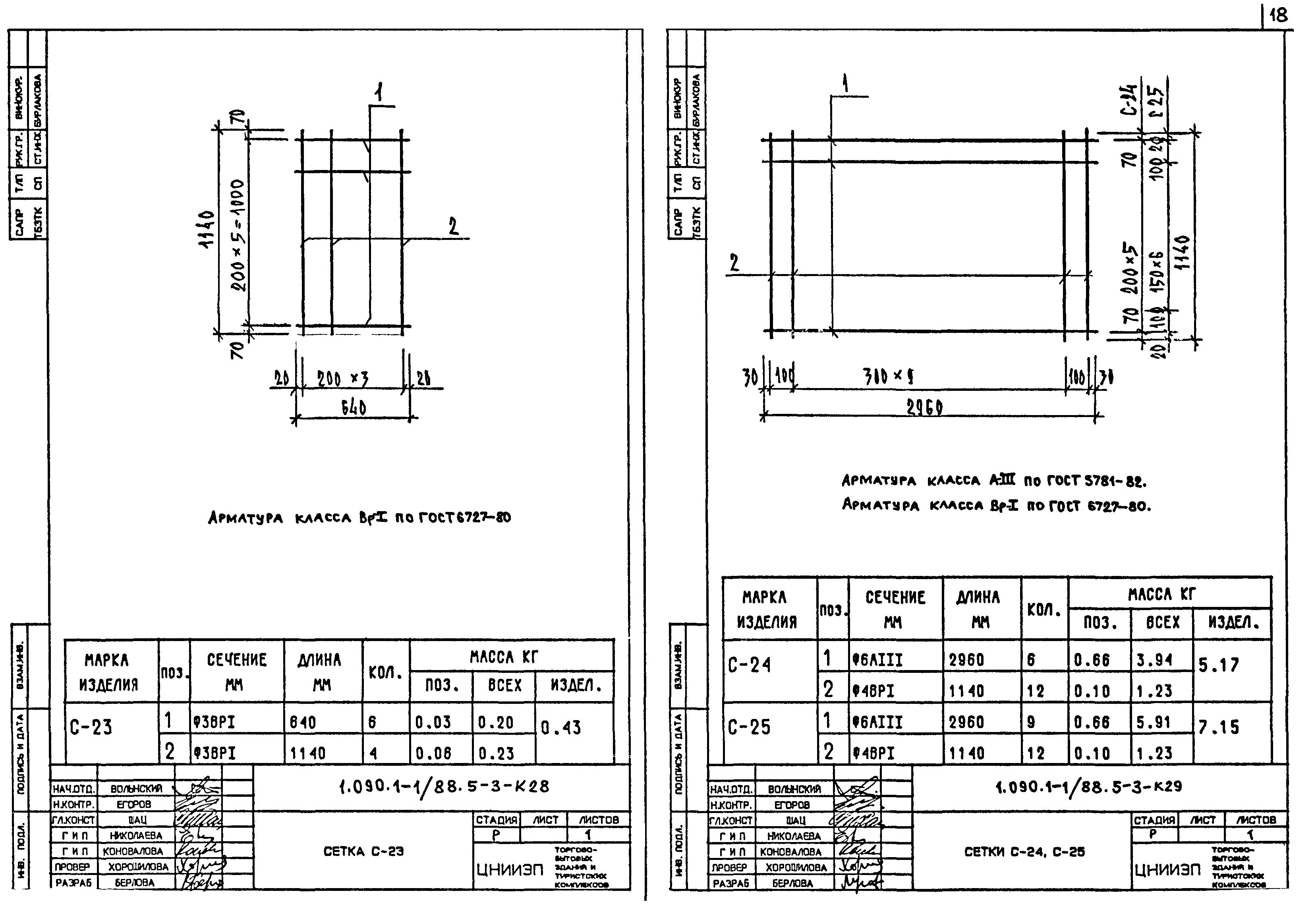
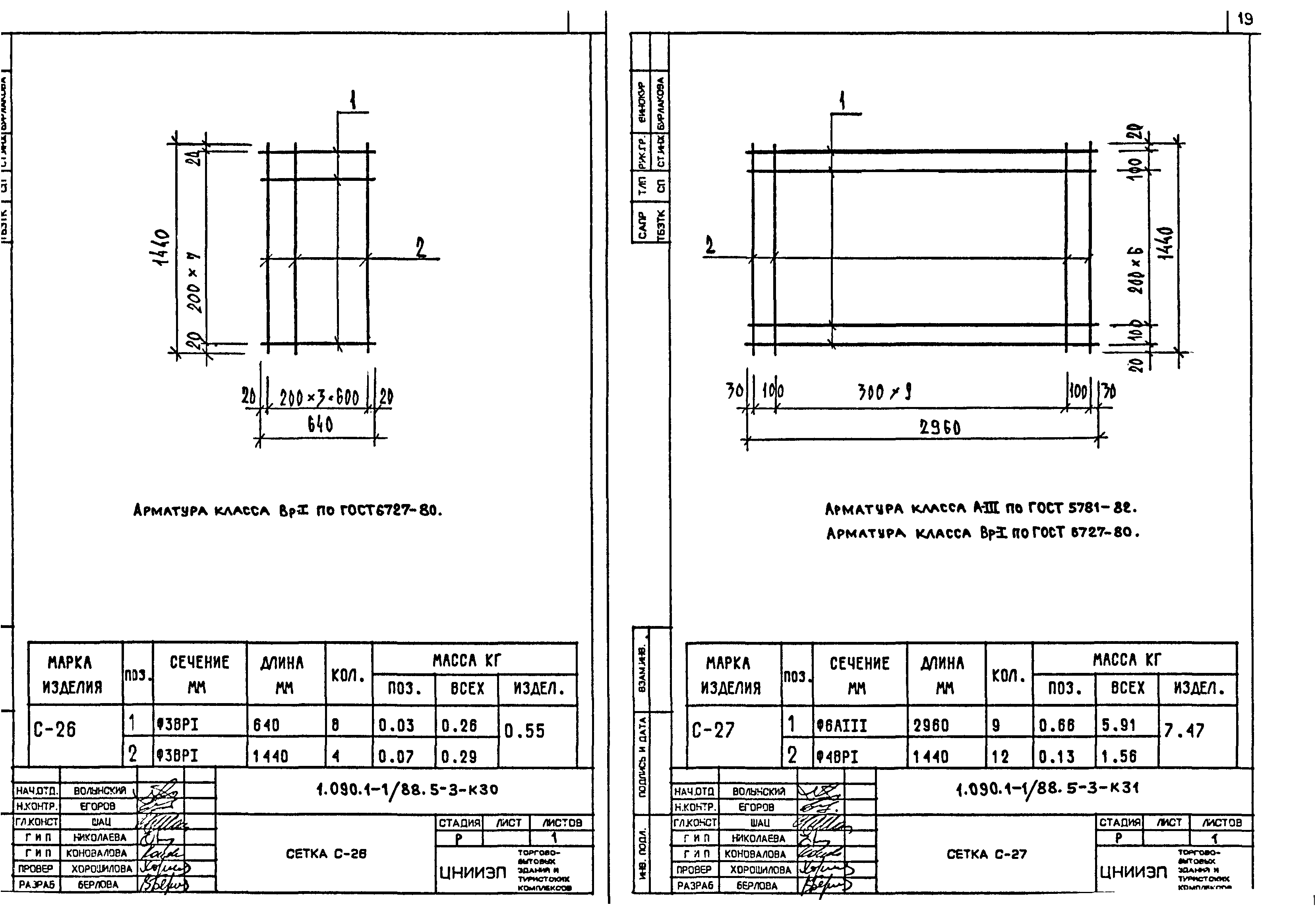
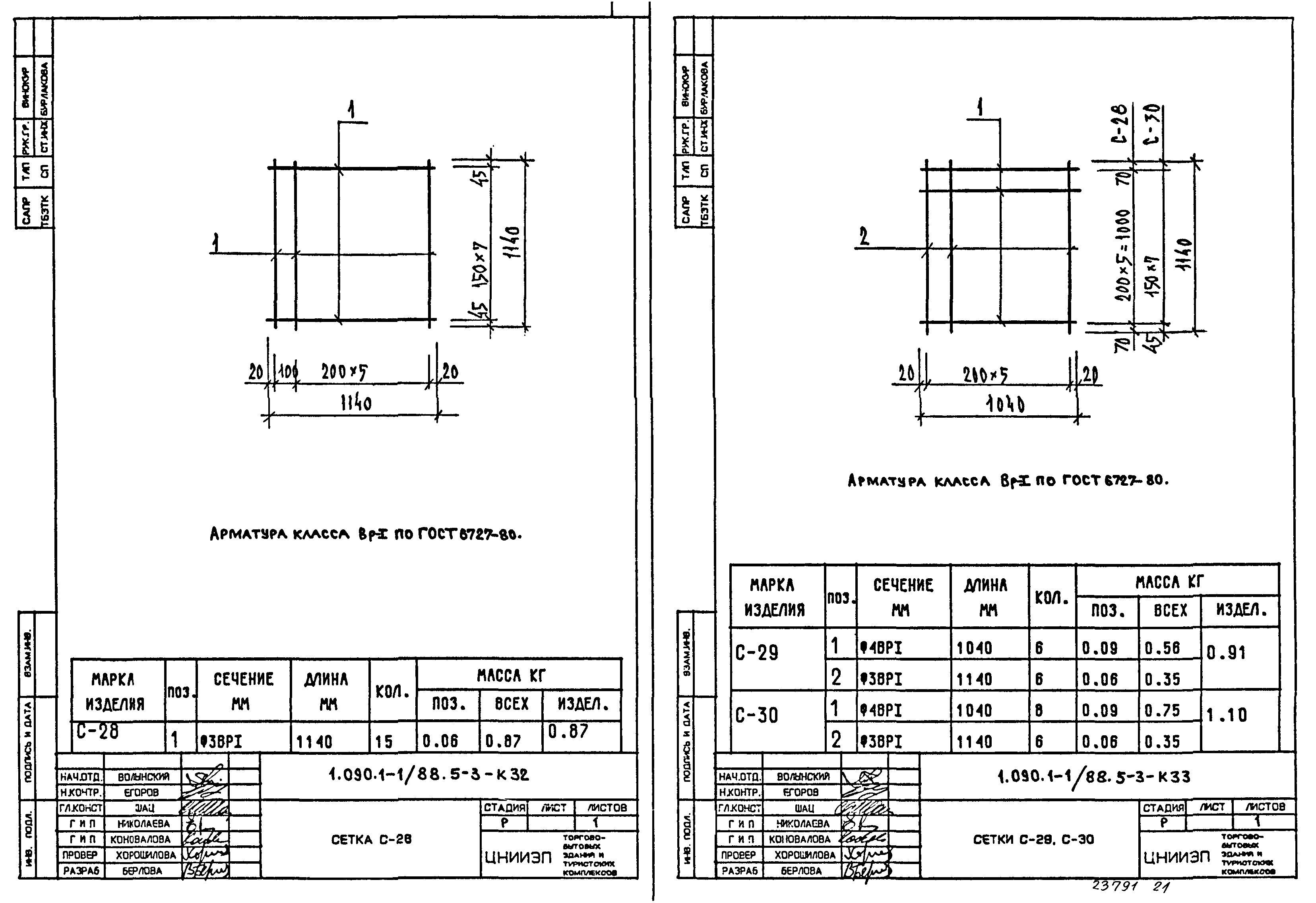
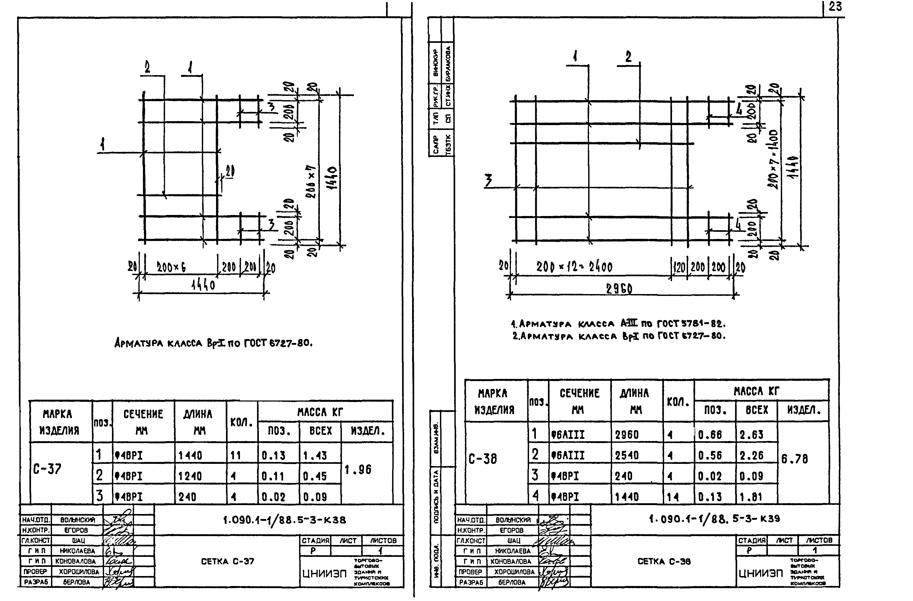
| Оглавление: | 1.090.1-1/88.5-3-ТТ Технические требования 1.090.1-1/88.5-3-К1 Каркасы пространственные КП-1,КП-2 1.090.1-1/88.5-3-К2 Каркас пространственный КП-3 1.090.1-1/88.5-3-К3 Каркас пространственный КП-4 1.090.1-1/88.5-3-К4 Каркасы пространственные КП-5,КП-6 1.090.1-1/88.5-3-К5 Каркасы плоские КР-1,КР-2,КР-3 1.090.1-1/88.5-3-К6 Каркасы плоские КР-4,КР-5,КР-6 1.090.1-1/88.5-3-К7 Каркас плоский КР-7 1.090.1-1/88.5-3-К8 Каркас плоский КР-8 1.090.1-1/88.5-3-К9 Каркас плоский КР-11 1.090.1-1/88.5-3-К10 Каркас плоский КР-12 1.090.1-1/88.5-3-К11 Каркасы плоские КР-13,КР-14 1.090.1-1/88.5-3-К12 Каркасы плоские КР-15,КР-16 1.090.1-1/88.5-3-К13 Каркасы плоские КР-9,КР-10 1.090.1-1/88.5-3-К14 Сетки С-1,С-2 1.090.1-1/88.5-3-К15 Сетки С-3,С-4 1.090.1-1/88.5-3-К16 Сетки С-5,С-6 1.090.1-1/88.5-3-К17 Сетка С-7 1.090.1-1/88.5-3-К18 Сетка С-8 1.090.1-1/88.5-3-К19 Сетка С-9 1.090.1-1/88.5-3-К20 Сетки С-10,С-11 1.090.1-1/88.5-3-К21 Сетки С-12,С-13 1.090.1-1/88.5-3-К22 Сетки С-14,С-15 1.090.1-1/88.5-3-К23 Сетки С-16,С-17 1.090.1-1/88.5-3-К24 Сетка С-18 1.090.1-1/88.5-3-К25 Сетка С-19 1.090.1-1/88.5-3-К26 Сетки С-20,С-21 1.090.1-1/88.5-3-К27 Сетка С-22 1.090.1-1/88.5-3-К28 Сетка С-23 1.090.1-1/88.5-3-К29 Сетки С-24,С-25 1.090.1-1/88.5-3-К30 Сетка С-26 1.090.1-1/88.5-3-К31 Сетка С-27 1.090.1-1/88.5-3-К32 Сетка С-28 1.090.1-1/88.5-3-К33 Сетки С-29,С-30 1.090.1-1/88.5-3-К34 Сетки С-31,С-32 1.090.1-1/88.5-3-К35 Сетка С-33 1.090.1-1/88.5-3-К36 Сетка С-34 1.090.1-1/88.5-3-К37 Сетки С-35,С-36 1.090.1-1/88.5-3-К38 Сетка С-37 1.090.1-1/88.5-3-К39 Сетка С-38 1.090.1-1/88.5-3-К40 Сетка С-39 1.090.1-1/88.5-3-К41 Сетка С-40 1.090.1-1/88.5-3-К42 Сетки С-41,С-42 1.090.1-1/88.5-3-К43 Сетки С-43,С-44 1.090.1-1/88.5-3-К44 Сетка С-45 1.090.1-1/88.5-3-К45 Изделия закладные МН-1Т,МН-1Н,МН-2Т,МН-2Н 1.090.1-1/88.5-3-К46 Изделия закладные МН-3,МН-4 1.090.1-1/88.5-3-К47 Петли строповочные СП-1,СП-2,СП-3 1.090.1-1/88.5-3-К48 Петли строповочные М-12-130-У,М14-30-У 1.090.1-1/88.5-3-К49 Петля строповочная СП-7 1.090.1-1/88.5-3-К50 Петли строповочные СП-4,СП-5,СП-6 1.090.1-1/88.5-3-К51 Пластина 1.090.1-1/88.5-3-К52 Стержни отдельные ОС-1,ОС-2 |
| Разработан: | ЦНИИЭП торгово-бытовых зданий и туристских комплексов |
| Утверждён: | 28.03.1989 Госстрой СССР (Государственный комитет Совета Министров СССР по делам строительства) (USSR Gosstroy АЧ-14) |
| Издан: | ЦИТП Госстроя СССР (CITP, Gosstroy (USSR) 1989 г. ) |































