Скачать Серия 1.090.1-1/88 Выпуск 7-1. Изделия соединительные стальные. Рабочие чертежиДата актуализации: 01.01.2021
|
| Обозначение: | Серия 1.090.1-1/88 |
| Обозначение англ: | Series 1.090.1-1/88 |
| Статус: | не определен законодательством |
| Название рус.: | Выпуск 7-1. Изделия соединительные стальные. Рабочие чертежи |
| Дата добавления в базу: | 01.09.2013 |
| Дата актуализации: | 01.01.2021 |
| Дата введения: | 01.10.1989 |
| Дата окончания срока действия: | 30.06.2003 |
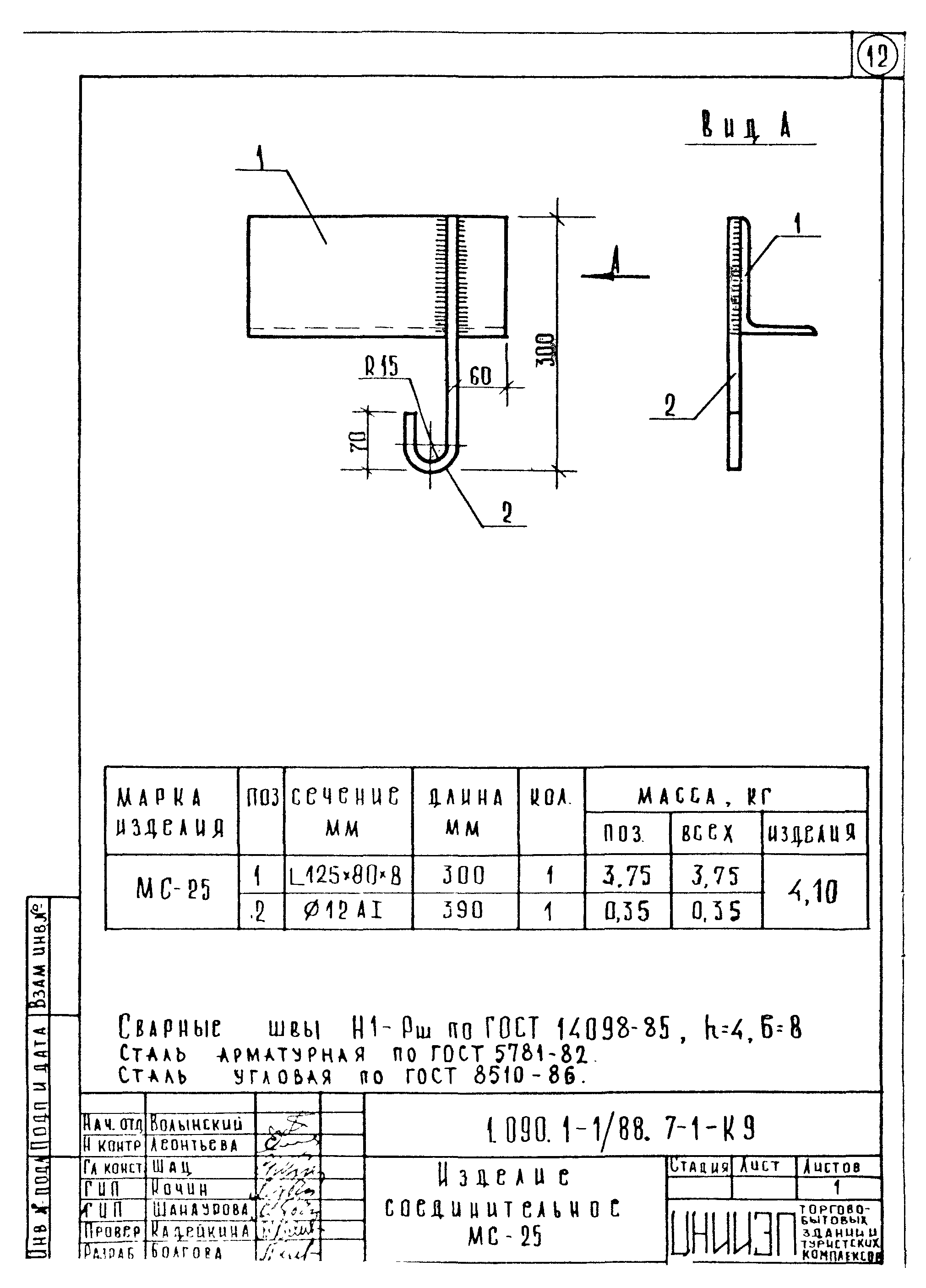
| Оглавление: | 1.090.1-1/88.7-1-ТТ Технические требования 1.090.1-1/88.7-1-К1 Изделие соединительное МС-2,МС-6,МС-10,МС-13,МС-14 1.090.1-1/88.7-1-К1 Изделие соединительное МС-3 1.090.1-1/88.7-1-К1 Изделие соединительное МС-4 1.090.1-1/88.7-1-К1 Изделие соединительное МС-7 1.090.1-1/88.7-1-К1 Изделие соединительное МС-11 1.090.1-1/88.7-1-К1 Изделие соединительное МС-15,МС-16 1.090.1-1/88.7-1-К1 Изделие соединительное МС-18,МС-19 1.090.1-1/88.7-1-К1 Изделие соединительное МС-22 1.090.1-1/88.7-1-К1 Изделие соединительное МС-25 |
| Разработан: | ЦНИИЭП торгово-бытовых зданий и туристских комплексов |
| Утверждён: | 28.03.1989 Госстрой СССР (Государственный комитет Совета Министров СССР по делам строительства) (USSR Gosstroy АЧ-14) |












