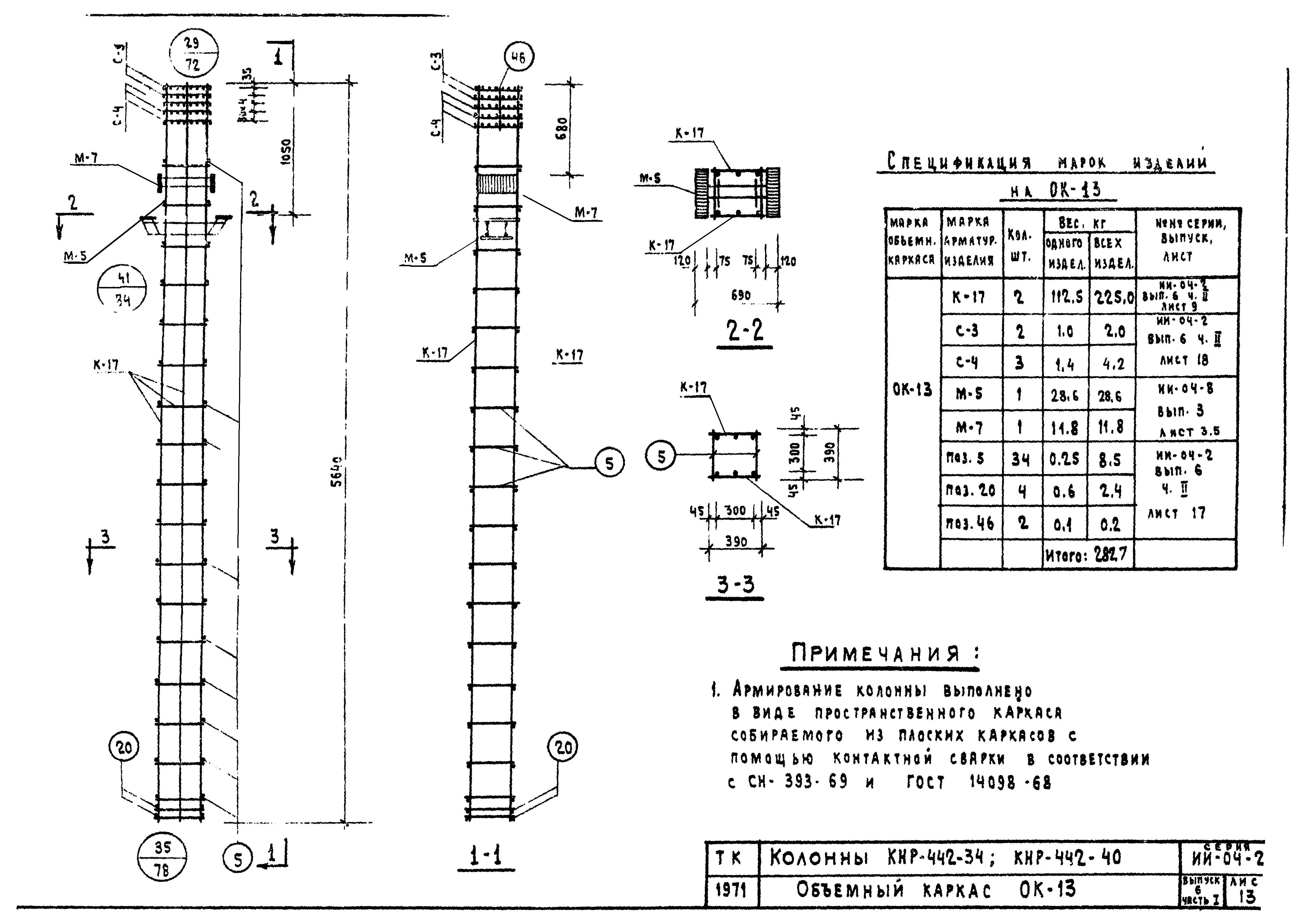
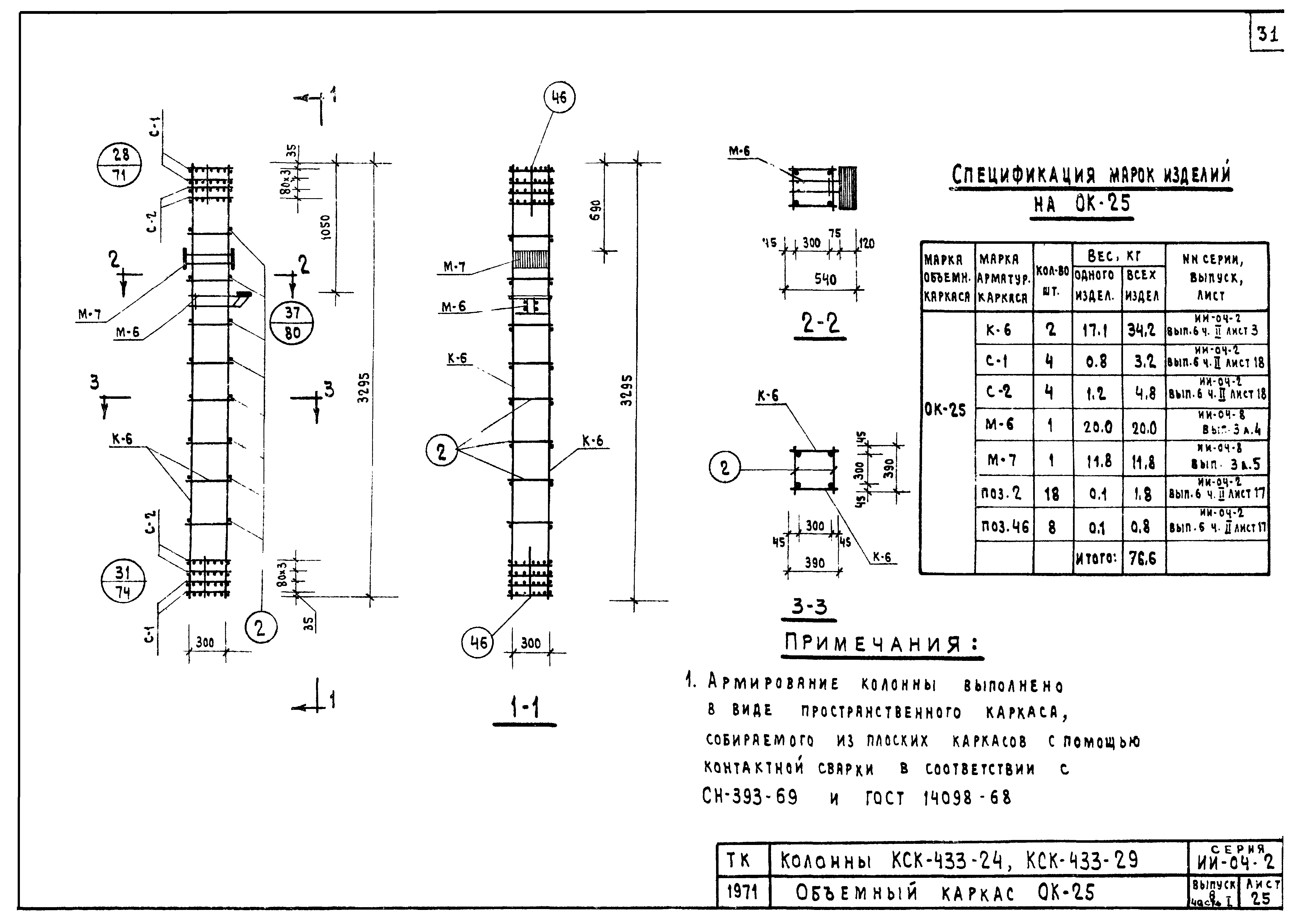
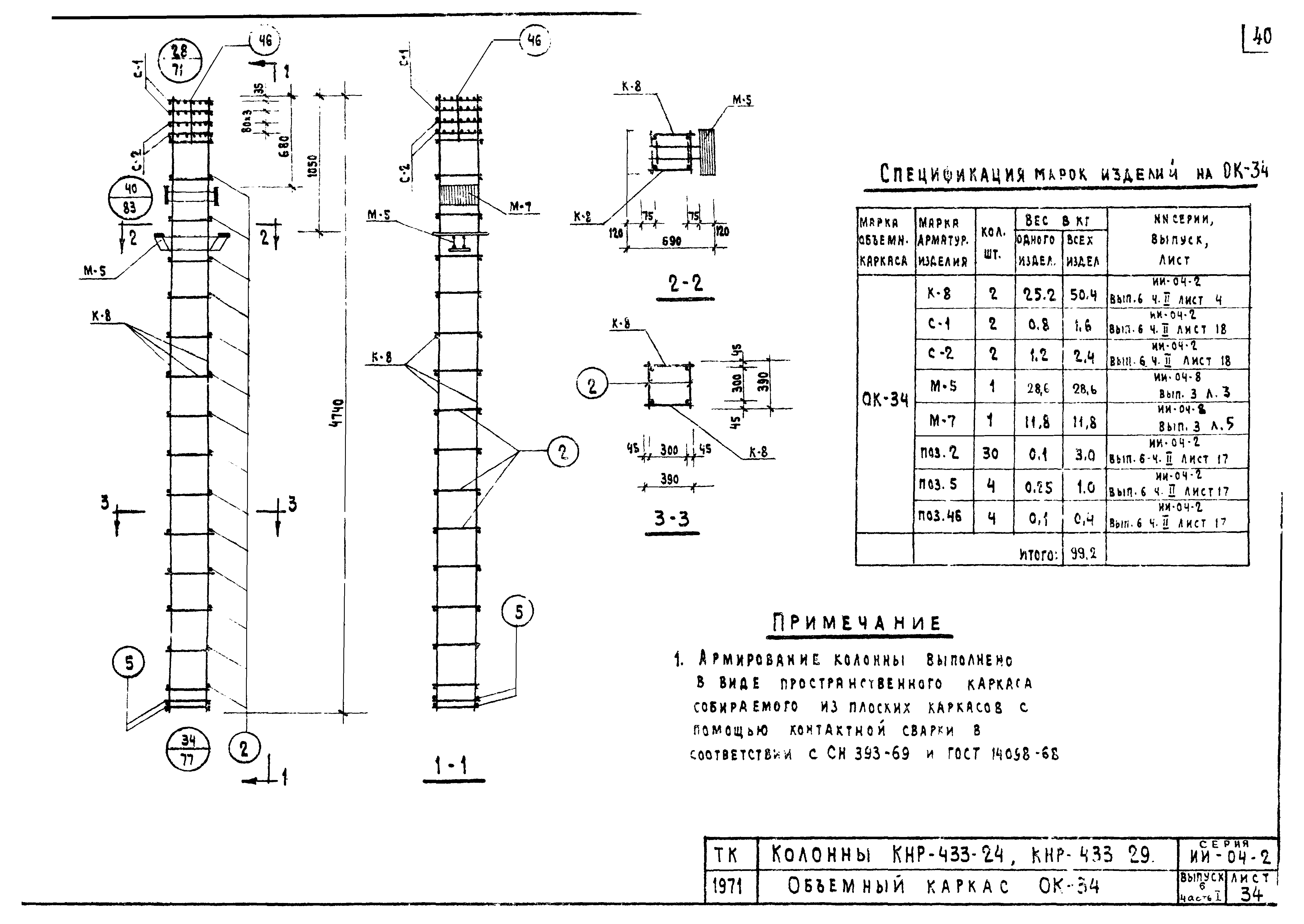
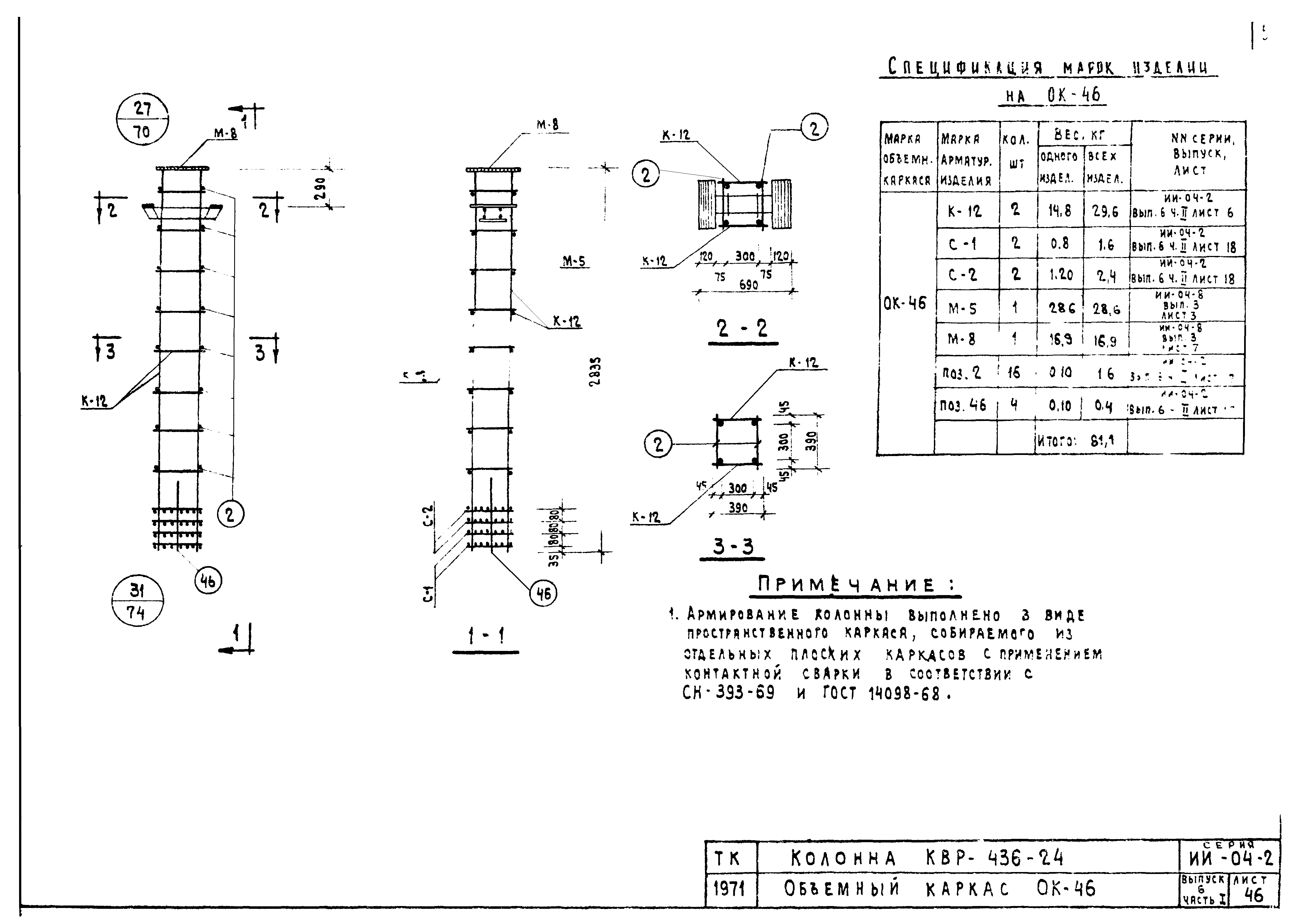
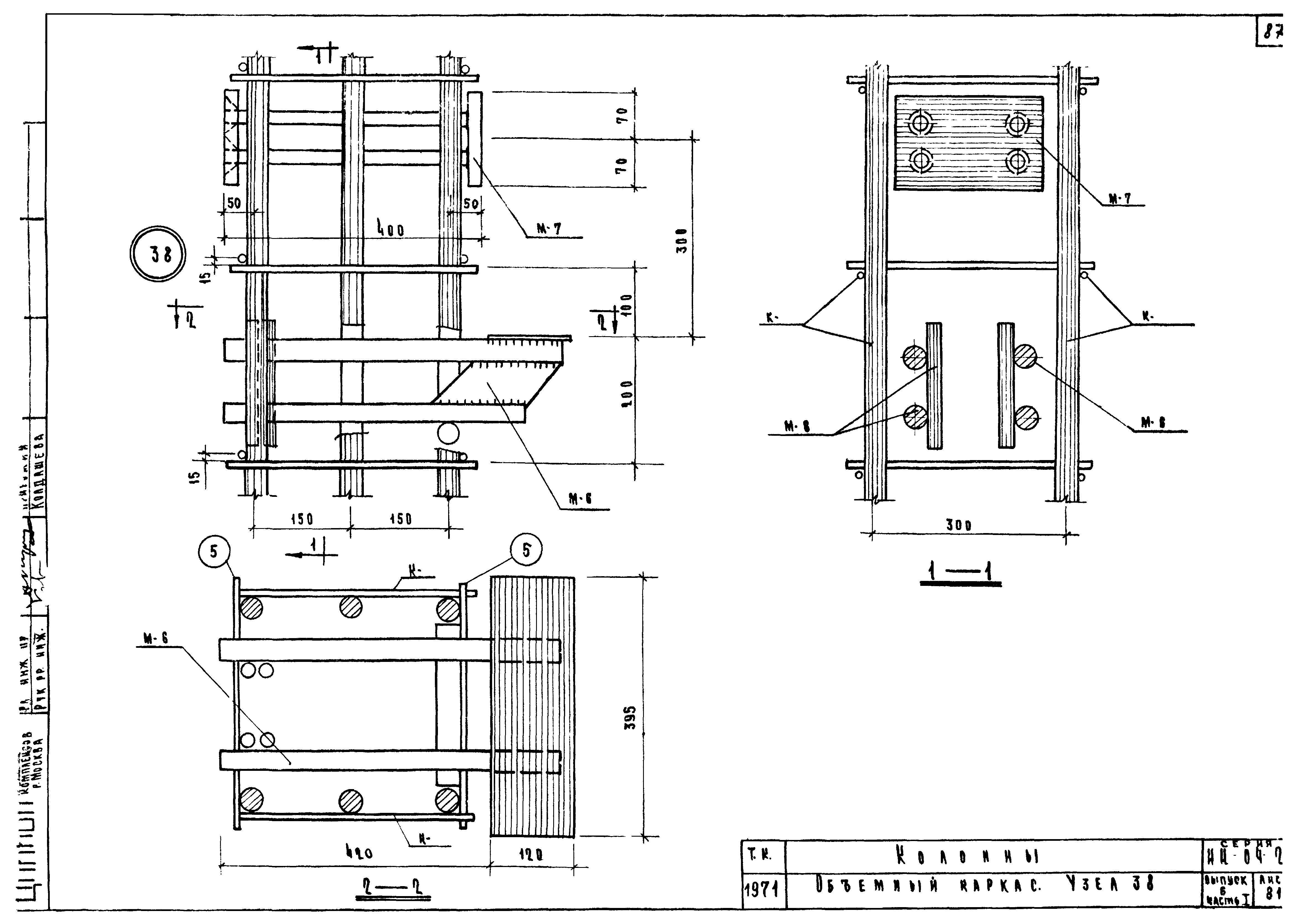
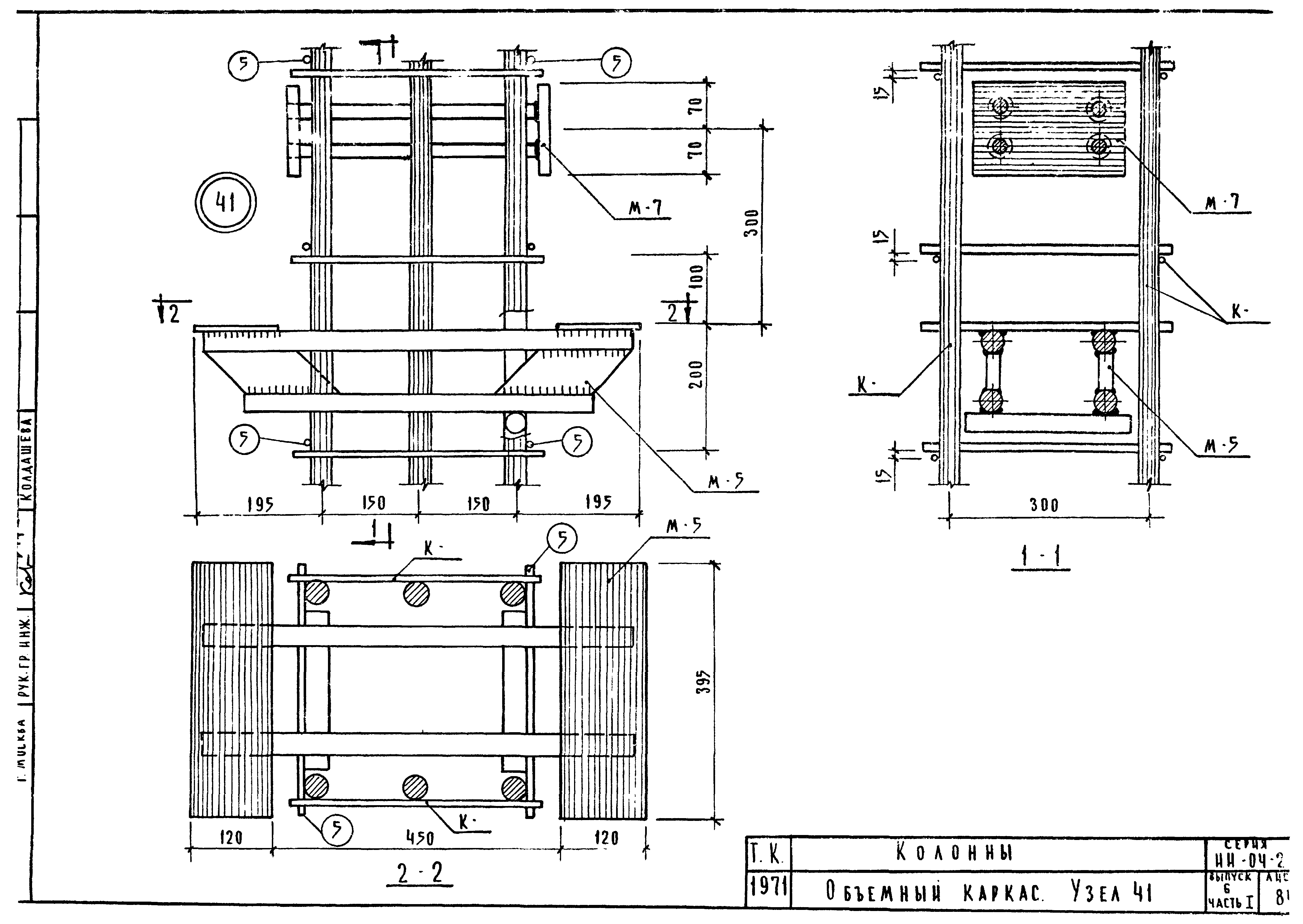
Скачать Серия ИИ-04-2 Выпуск 6. Часть I. Колонны связевого каркаса сечением 40x40 см для зданий с высотой этажа 2,4; 3,3; 3,6 и 4,2 м. Арматурные изделия. Объемные каркасы. Рабочие чертежиДата актуализации: 01.01.2021 Серия ИИ-04-2
Выпуск 6. Часть I. Колонны связевого каркаса сечением 40x40 см для зданий с высотой этажа 2,4; 3,3; 3,6 и 4,2 м. Арматурные изделия. Объемные каркасы. Рабочие чертежи| Обозначение: | Серия ИИ-04-2 | | Обозначение англ: | Series ИИ-04-2 | | Статус: | не действует | | Название рус.: | Выпуск 6. Часть I. Колонны связевого каркаса сечением 40x40 см для зданий с высотой этажа 2,4; 3,3; 3,6 и 4,2 м. Арматурные изделия. Объемные каркасы. Рабочие чертежи | | Дата добавления в базу: | 01.09.2013 | | Дата актуализации: | 01.01.2021 | | Дата окончания срока действия: | 01.04.1982 | | Разработан: | НИИЖБ Госстроя СССР ЦНИИЭП торгово-бытовых зданий и туристских комплексов
| | Утверждён: | 26.01.1972 Государственный комитет по гражданскому строительству и архитектуре при Госстрое СССР (9)
| | Чем заменён: | |
                                                                                           
|