Скачать Серия 1.090.1-7с Выпуск 0-2. Указания по монтажу крупнопанельных зданийДата актуализации: 01.01.2021
|
| Обозначение: | Серия 1.090.1-7с |
| Обозначение англ: | Series 1.090.1-7с |
| Статус: | не определен законодательством |
| Название рус.: | Выпуск 0-2. Указания по монтажу крупнопанельных зданий |
| Дата добавления в базу: | 01.09.2013 |
| Дата актуализации: | 01.01.2021 |
| Дата введения: | 01.03.1991 |
| Дата окончания срока действия: | 30.06.2003 |
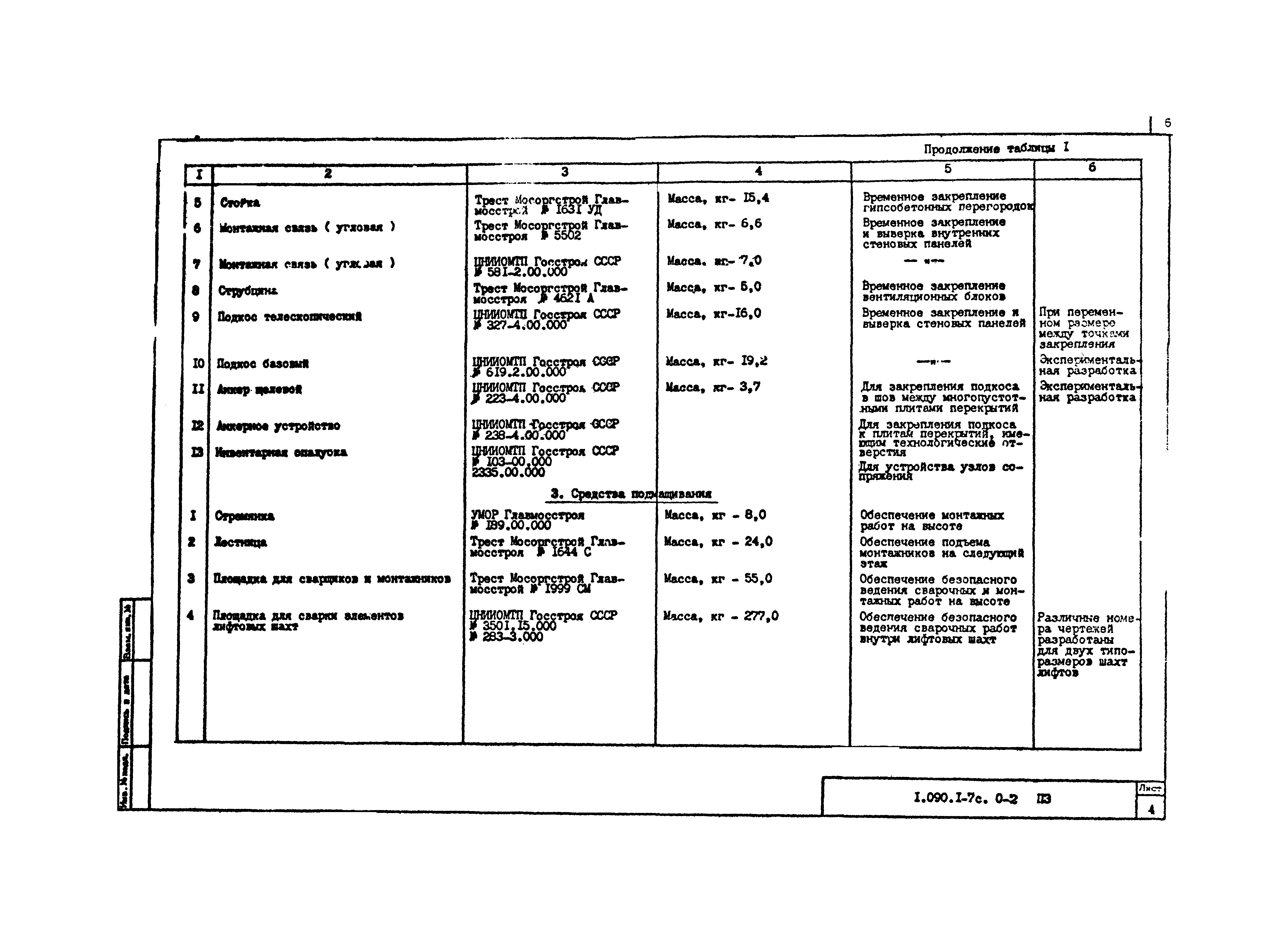
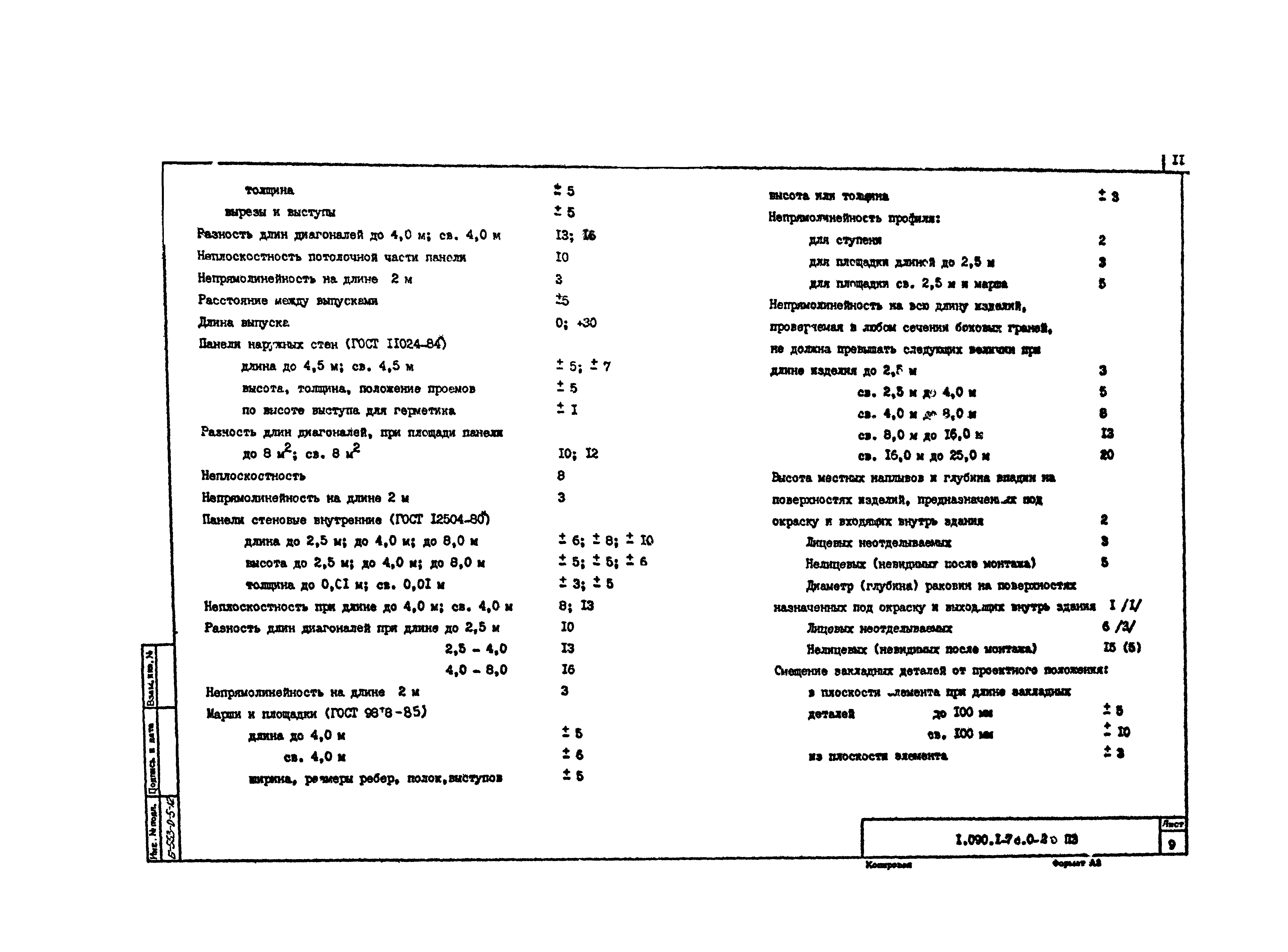
| Оглавление: | 1.090.1-7С.0-2 Содержание 1.090.1-7С.0-2-ПЗ Пояснительная записка 1.090.1-7С.0-2-01 Схема складирования наружных стеновых панелей 1.090.1-7С.0-2-0 2Схема складирования внутренних стеновых панелей 1.090.1-7С.0-2-03 Схема складирования лестничных маршей с полуплощадками 1.090.1-7С.0-2-04 Схема складирования плит перекрытий 1.090.1-7С.0-2-05 Геодезические работы при монтаже. Перенос осей 1.090.1-7С.0-2-06 Схема строповки и дистанционной расстановки наружных стеновых панелей 1.090.1-7С.0-2-07 Схема строповки и дистанционной расстановки панелей внутренних стен 1.090.1-7С.0-2-08 Схемы строповок плит перекрытий типа ПК и ПР 1.090.1-7С.0-2-09 Схема строповки вентиляционных блоков 1.090.1-7С.0-2-10 Схема строповки лестничного марша с полуплощадками 1.090.1-7С.0-2-11 Выверка стеновых панелей 1.090.1-7С.0-2-12 Схема временного крепления наружных стеновых панелей 1.090.1-7С.0-2-13 Схема временного крепления внутренних стен 1.090.1-7С.0-2-14 Схема монтажа и выверки вентиляционных блоков 1.090.1-7С.0-2-15 Схема монтажа перегородок 1.090.1-7С.0-2-16 Схема заделки стыков в зимнее время 1.090.1-7С.0-2-17 Временное ограждение конструкций 1.090.1-7С.0-2-18 Схема установки временного крепления ограждения зданий 1.090.1-7С.0-2-19 Монтажное оснащение, инвентарь и оборудование |
| Разработан: | ТбилЗНИИЭП ЦНИИОМТП |
| Утверждён: | 20.11.1990 Госкомархитектура (209) |
| Заменяет собой: |
|






























































