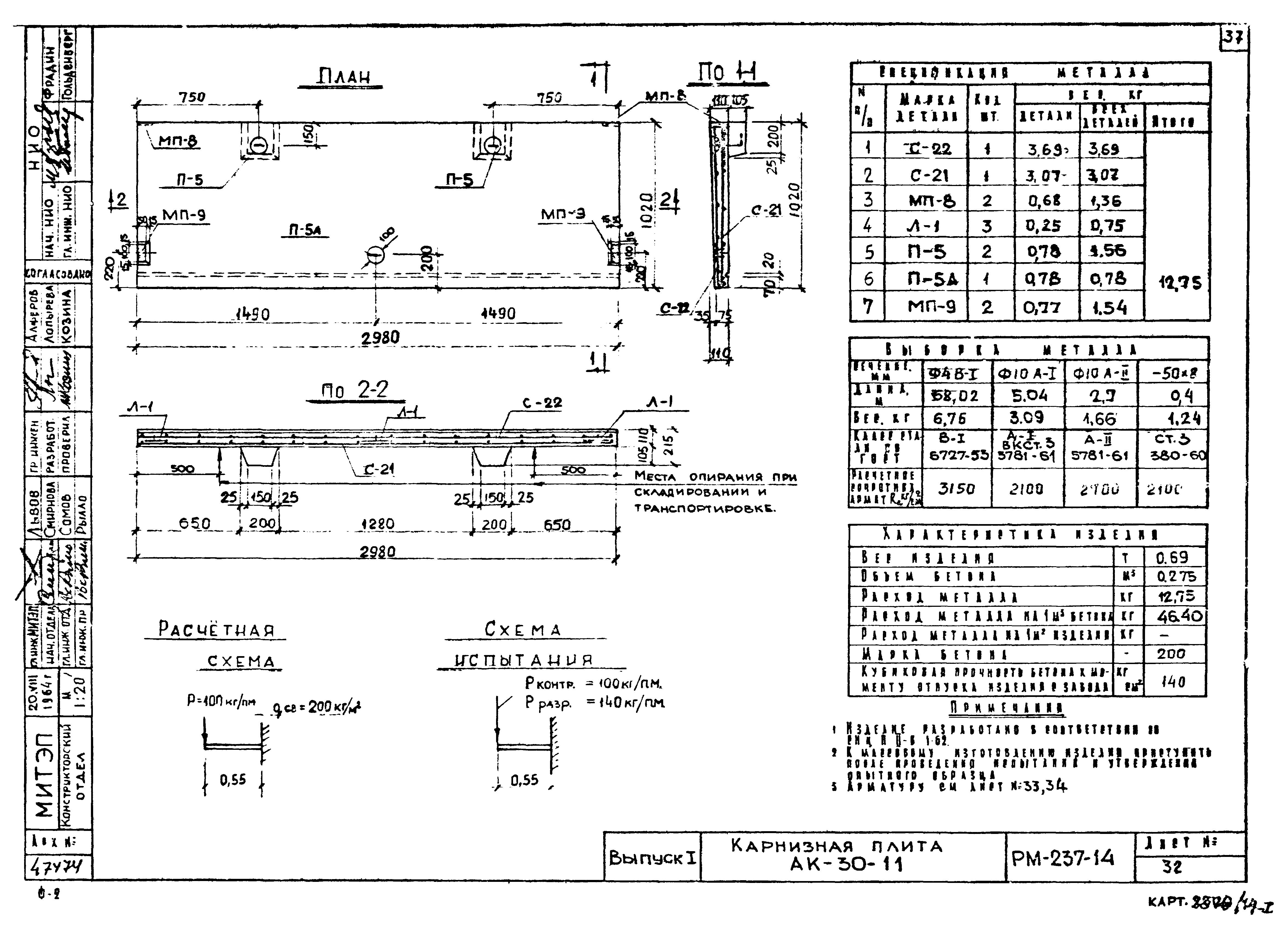
Скачать Серия ИИ-04-4 Выпуск 1. Железобетонные многопустотные, ребристые, сплошные плитыДата актуализации: 01.01.2021 Серия ИИ-04-4
Выпуск 1. Железобетонные многопустотные, ребристые, сплошные плиты| Обозначение: | Серия ИИ-04-4 | | Обозначение англ: | Series ИИ-04-4 | | Статус: | не действует | | Название рус.: | Выпуск 1. Железобетонные многопустотные, ребристые, сплошные плиты | | Дата добавления в базу: | 01.09.2013 | | Дата актуализации: | 01.01.2021 | | Разработан: | МИТЭП ГАПУ
| | Утверждён: | 28.10.1964 Государственный комитет по гражданскому строительству и архитектуре при Госстрое СССР (214)
|
                                        
|