Скачать Серия ИИ-04-4 Выпуск 25. Предварительно напряженные многопустотные и ребристые панели длиной 876 см, армированные высокопрочной проволокой диаметром 5 класса ВР-II с линейно-групповым расположением арматуры. Метод натяжения - механическийДата актуализации: 01.01.2021
|
| Обозначение: | Серия ИИ-04-4 |
| Обозначение англ: | Series ИИ-04-4 |
| Статус: | заменен |
| Название рус.: | Выпуск 25. Предварительно напряженные многопустотные и ребристые панели длиной 876 см, армированные высокопрочной проволокой диаметром 5 класса ВР-II с линейно-групповым расположением арматуры. Метод натяжения - механический |
| Дата добавления в базу: | 01.09.2013 |
| Дата актуализации: | 01.01.2021 |
| Дата введения: | 01.03.1975 |
| Дата окончания срока действия: | 01.04.1982 |
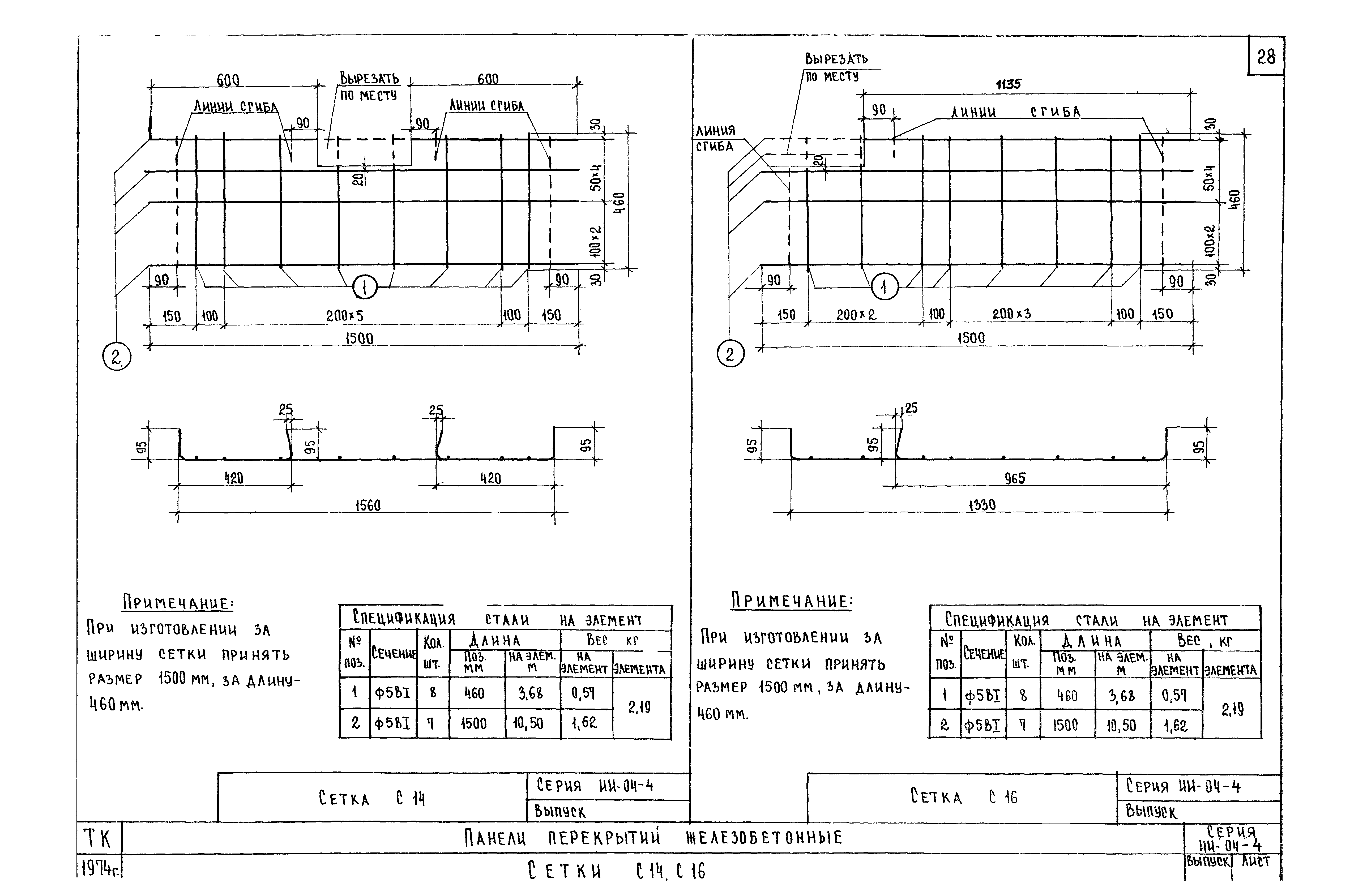
| Оглавление: | ИИ-04-4 Содержание ИИ-04-4 Пояснительная записка ИИ-04-4 Номенклатура ИИ-04-4 Величины предварительных напряжений в арматуре и потери предварительного напряжения ИИ-04-4 Панель ПК4,5-88.15. Опалубочный чертеж. Армирование ИИ-04-4 Панель ПК6-88.15. Опалубочный чертеж. Армирование ИИ-04-4 Панель ПК8-88.15. Опалубочный чертеж. Армирование ИИ-04-4 Панель ПК4,5-88.12. Опалубочный чертеж. Армирование ИИ-04-4 Панель ПК6-88.12. Опалубочный чертеж. Армирование ИИ-04-4 Панель ПК8-88.12. Опалубочный чертеж. Армирование ИИ-04-4 Панель ПК4,5-88.15с. Опалубочный чертеж. Армирование ИИ-04-4 Панель ПК6-88.15с. Опалубочный чертеж. Армирование ИИ-04-4 Панель ПК8-88.15с. Опалубочный чертеж. Армирование ИИ-04-4 Панель ПР8-88.15с. Опалубочный чертеж. Армирование ИИ-04-4 Панель ПК4,5-88.15п. Опалубочный чертеж. Армирование ИИ-04-4 Панель ПК6-88.15п. Опалубочный чертеж. Армирование ИИ-04-4 Панель ПК8-88.15п. Опалубочный чертеж. Армирование ИИ-04-4 Опалубочные сечения панелей ИИ-04-4 Деталь 1. Сечение 1-1. Деталь установки петли П8 в многопустотной панели ИИ-04-4 Узлы 1 и 2. Детали расположения арматуры в крайних и средних ребрах панелей ИИ-04-4 Узел 3 ИИ-04-4 Сетки С51,С52,С54 ИИ-04-4 Сетки С48,С56,С57,С58 ИИ-04-4 Сетки С11,С12,С23,С24 ИИ-04-4 Сетки С14,С16 ИИ-04-4 Каркасы К22,К25,К5,К21 ИИ-04-4 Петли П8,П9. Приложение. Отдельные стержни О1,ОС1 ИИ-04-4 Данные для испытаний панелей по прочности ИИ-04-4 Данные для испытаний панелей по трещиностойкости ИИ-04-4 Данные для испытаний панелей по жесткости |
| Разработан: | НИИЖБ Госстроя СССР ЦНИИЭП учебных зданий Госгражданстроя |
| Утверждён: | 24.01.1975 Госгражданстрой (Gosgrazhdanstroy 15) |
| Чем заменён: |
|































