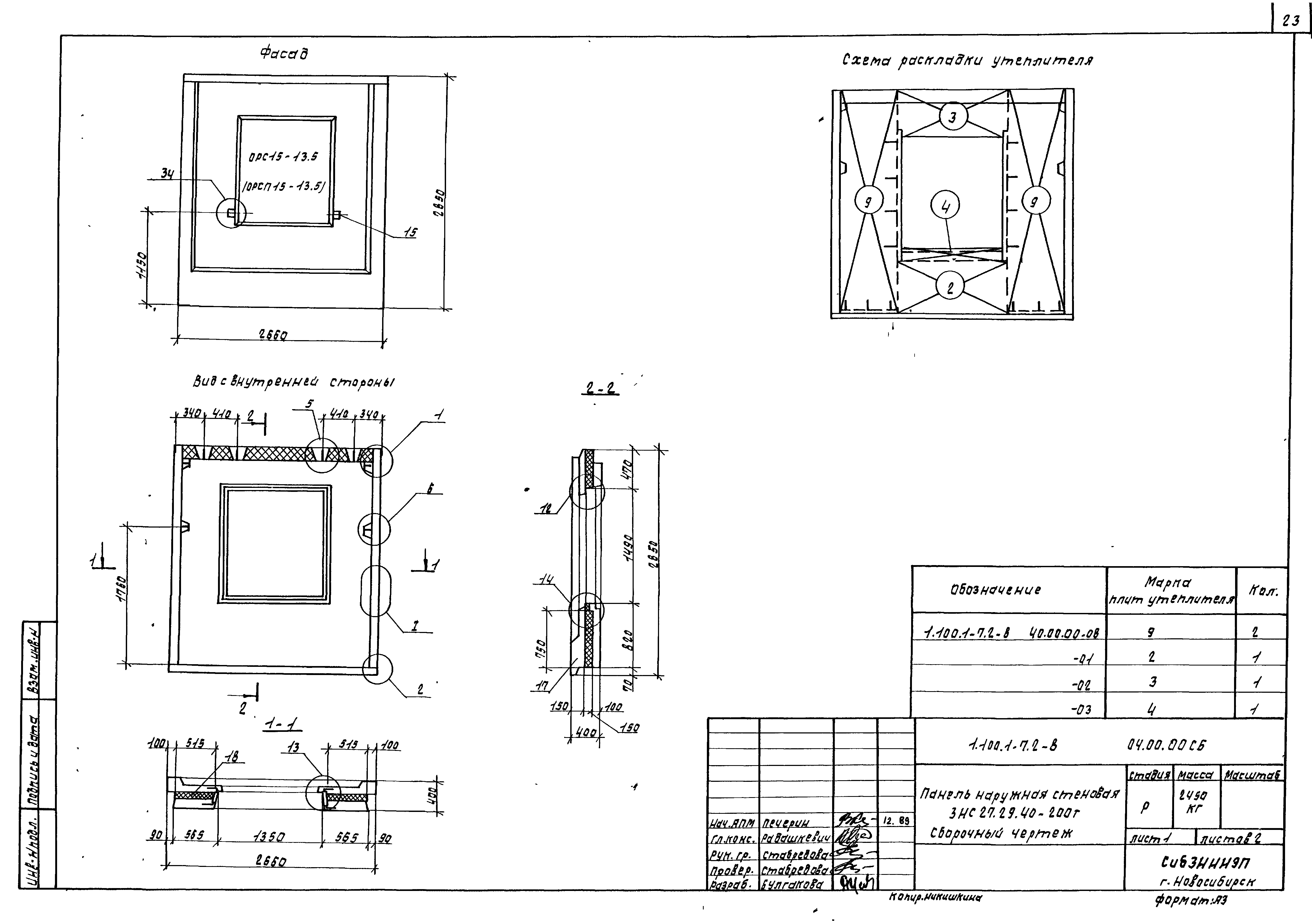
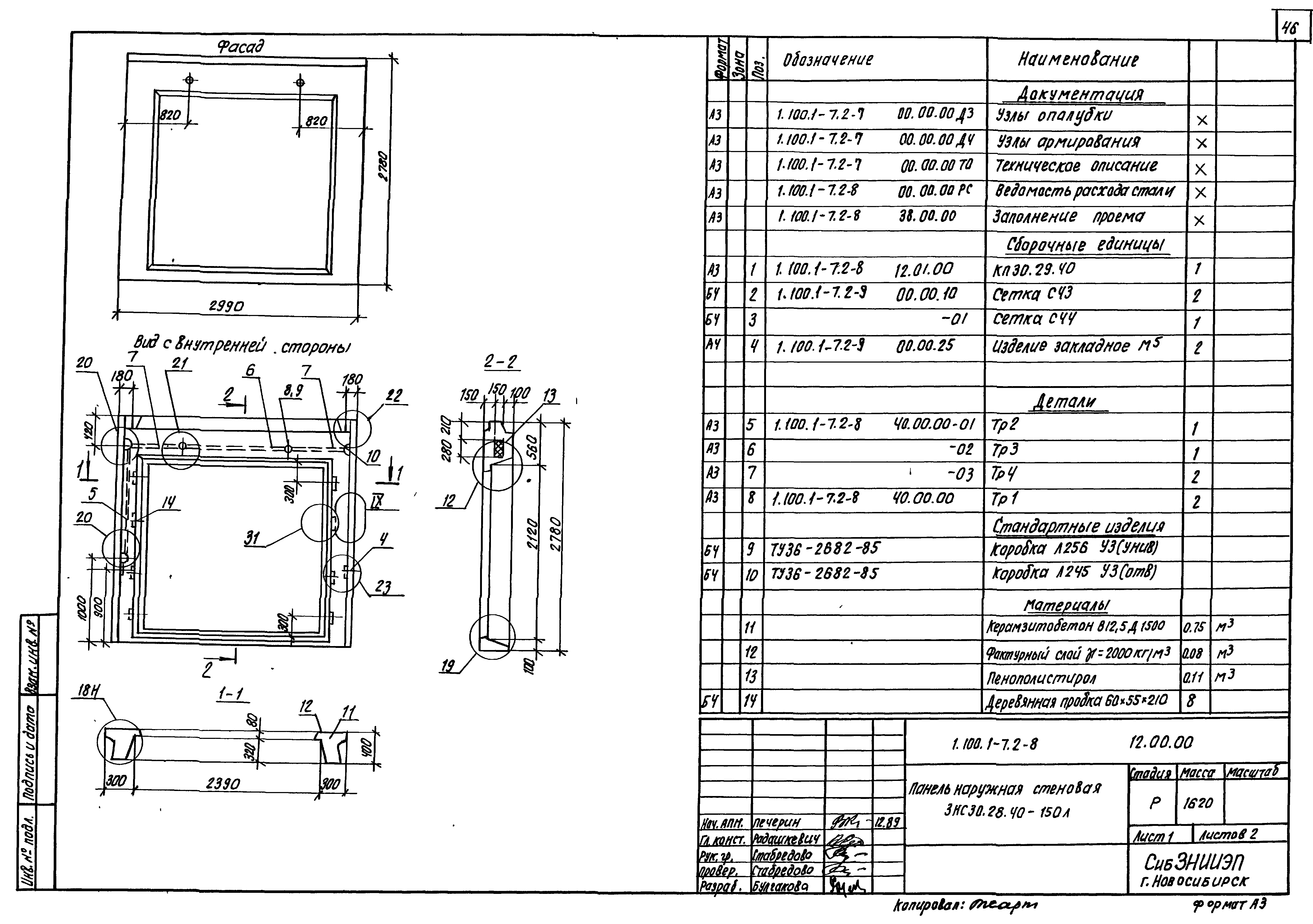
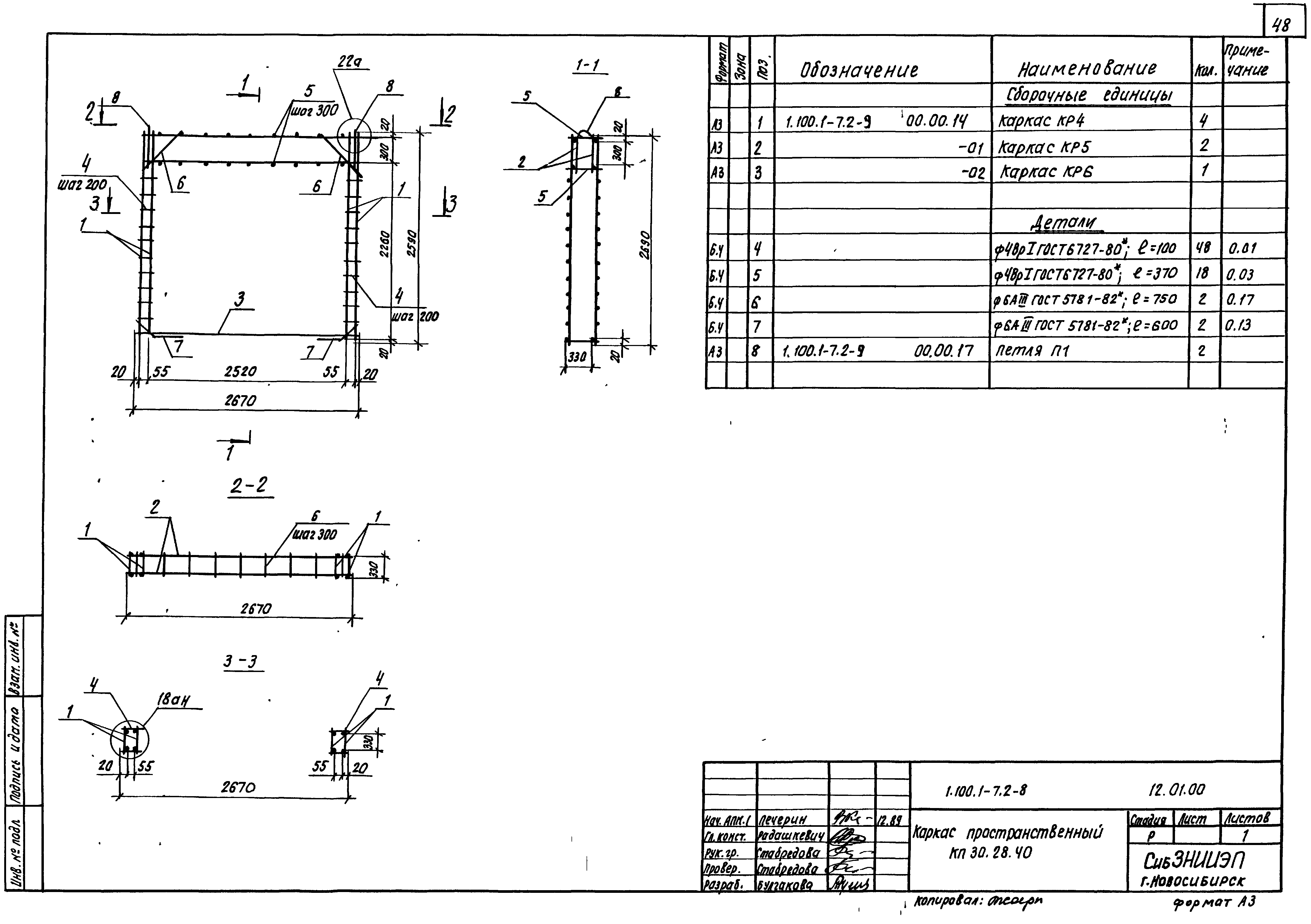
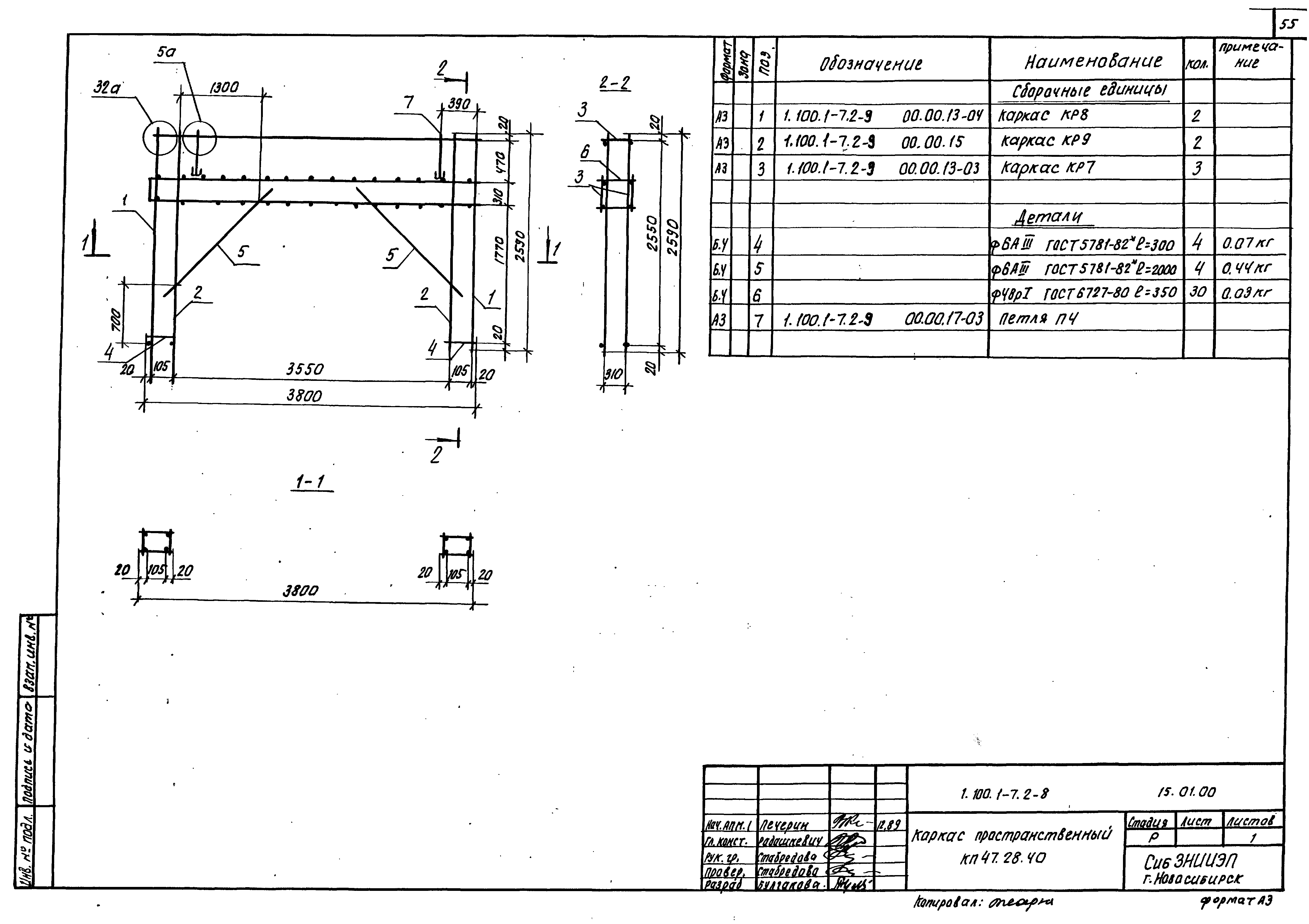
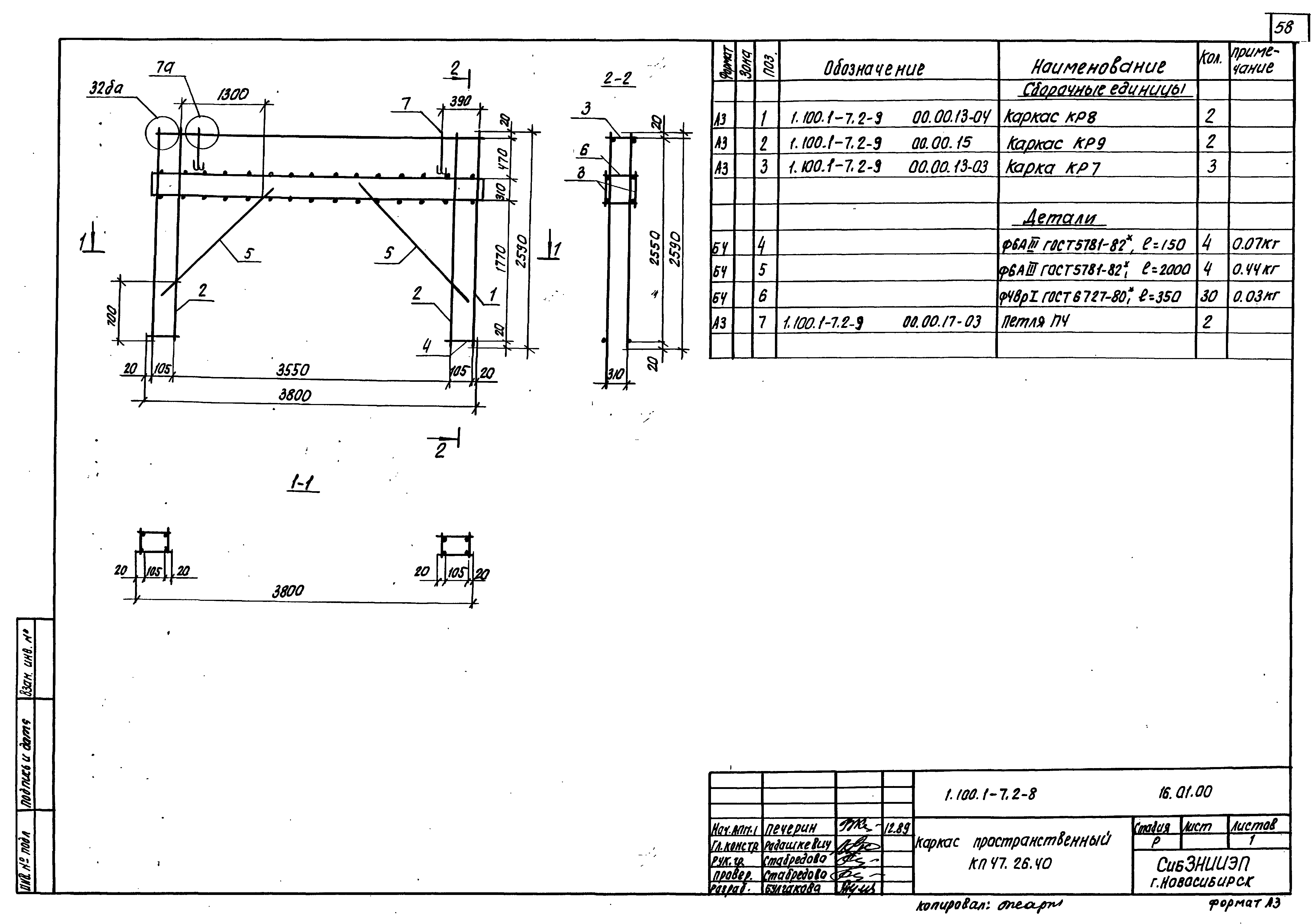
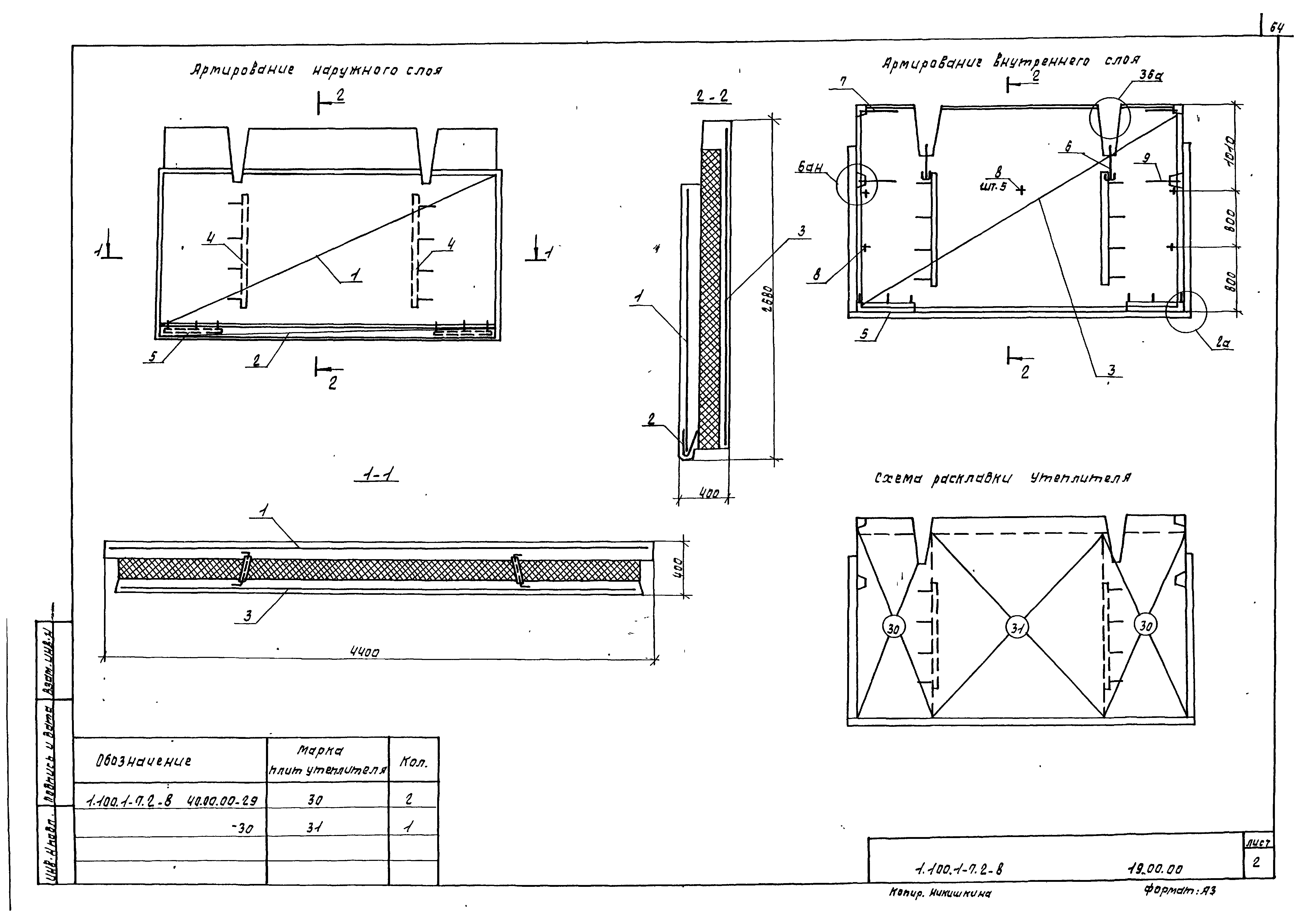
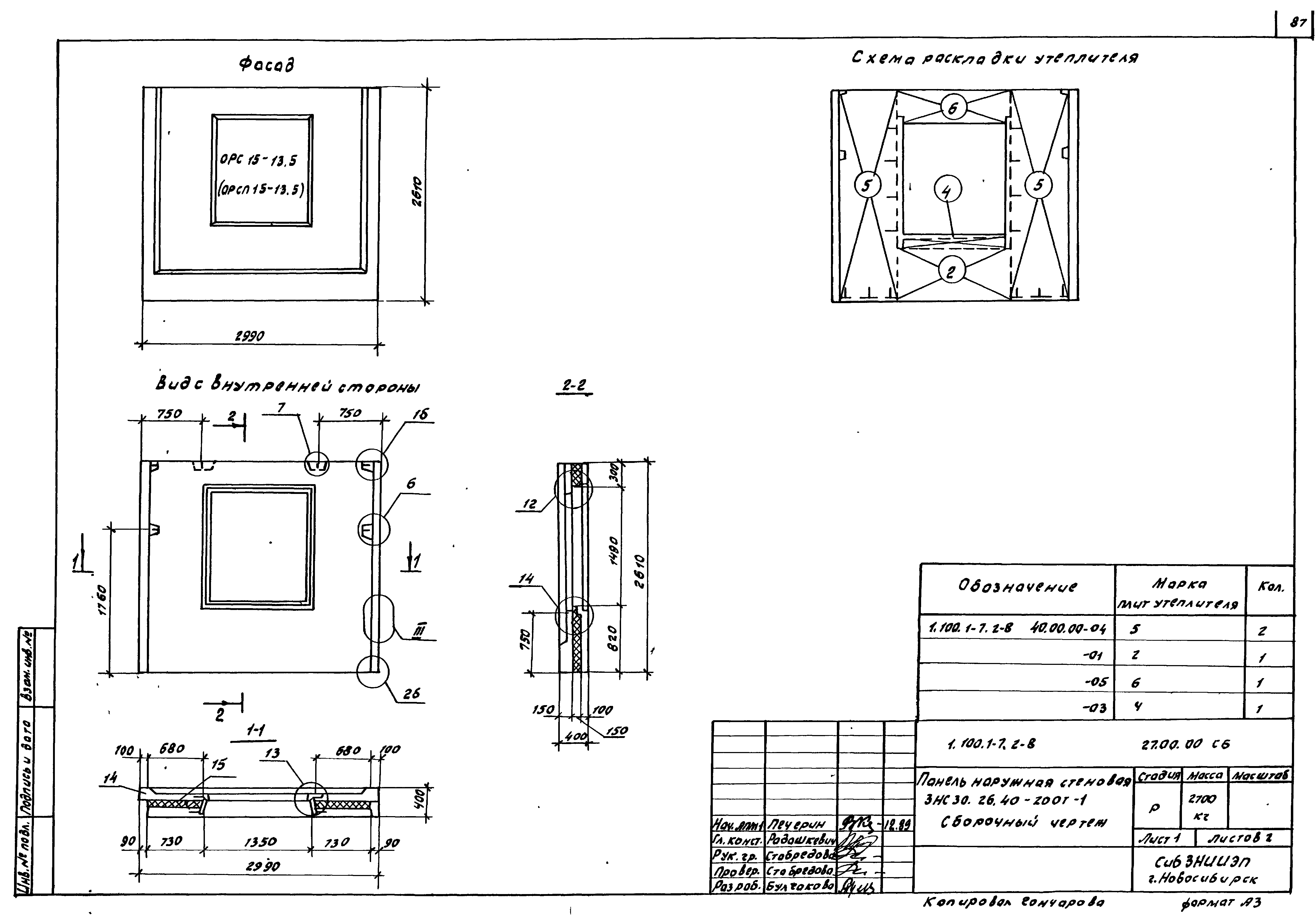
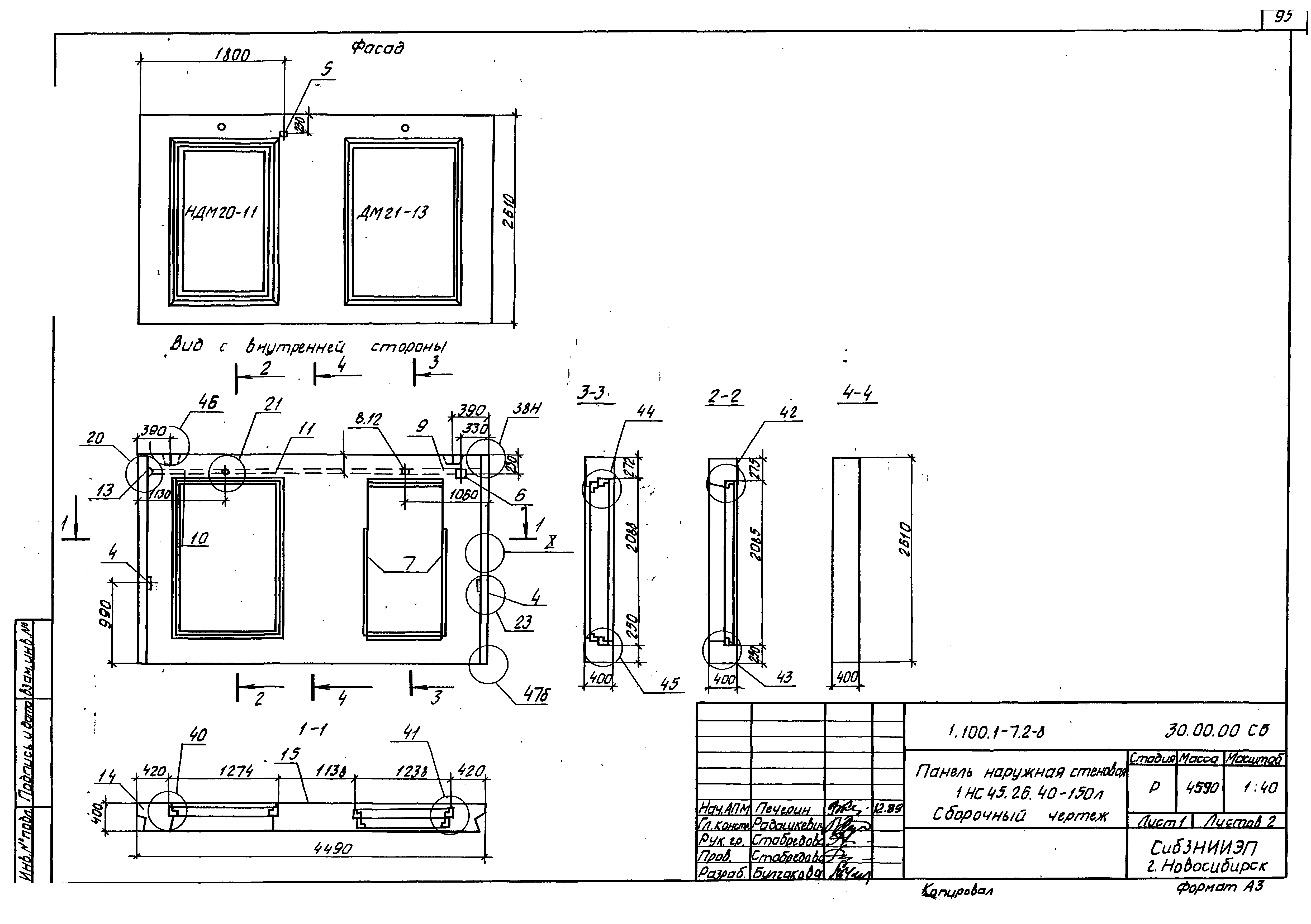
Скачать Серия 1.100.1-7 Выпуск 2-8. Панели наружных стен трехслойные из тяжелого бетона с эффективным утеплителем толщиной 400 мм. Рабочие чертежиДата актуализации: 01.01.2021 Серия 1.100.1-7
Выпуск 2-8. Панели наружных стен трехслойные из тяжелого бетона с эффективным утеплителем толщиной 400 мм. Рабочие чертежи| Обозначение: | Серия 1.100.1-7 | | Обозначение англ: | Series 1.100.1-7 | | Статус: | действует | | Название рус.: | Выпуск 2-8. Панели наружных стен трехслойные из тяжелого бетона с эффективным утеплителем толщиной 400 мм. Рабочие чертежи | | Дата добавления в базу: | 01.09.2013 | | Дата актуализации: | 01.01.2021 | | Дата введения: | 01.06.1990 | | Разработан: | СибЗНИИЭП Госгражданстроя
| | Утверждён: | 22.05.1990 Госкомархитектура (89)
|
                                                                                                             
|