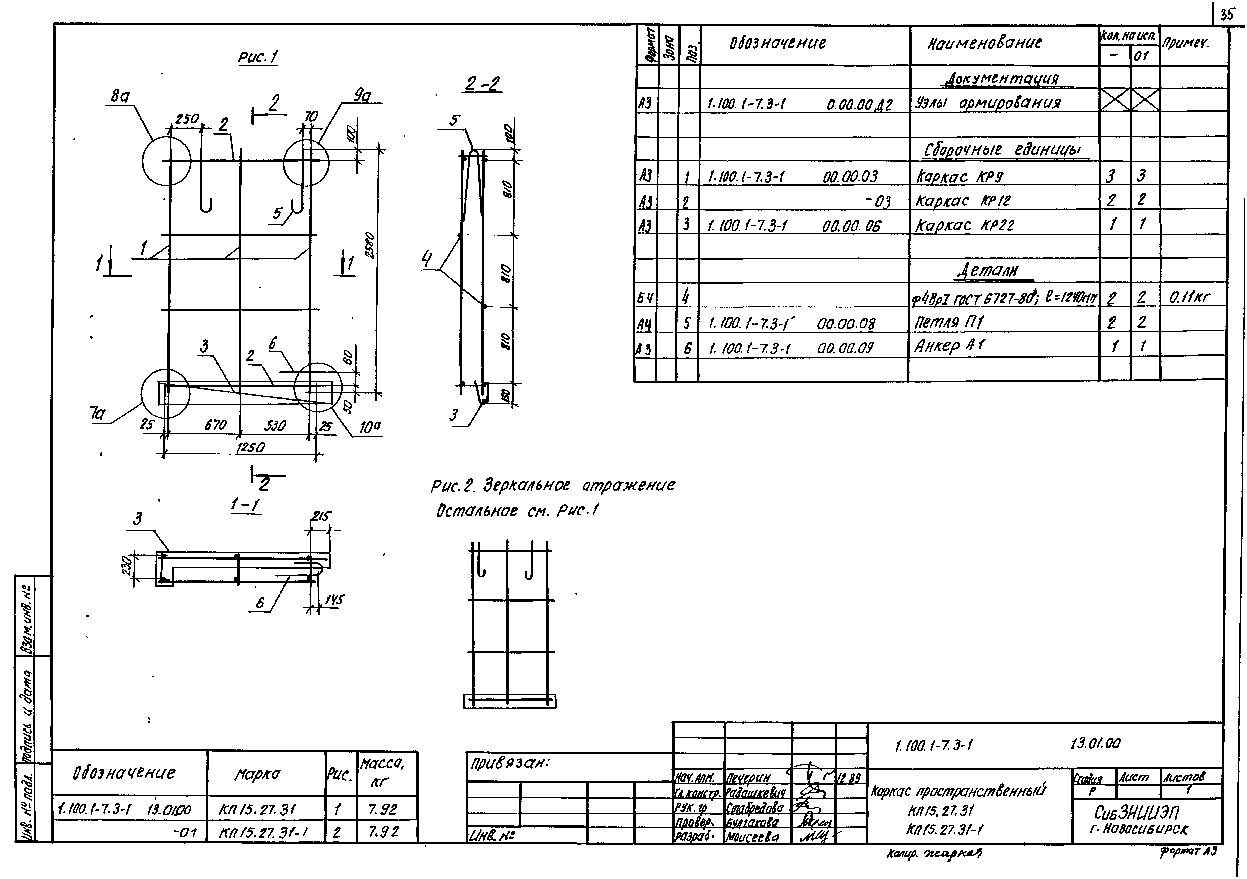
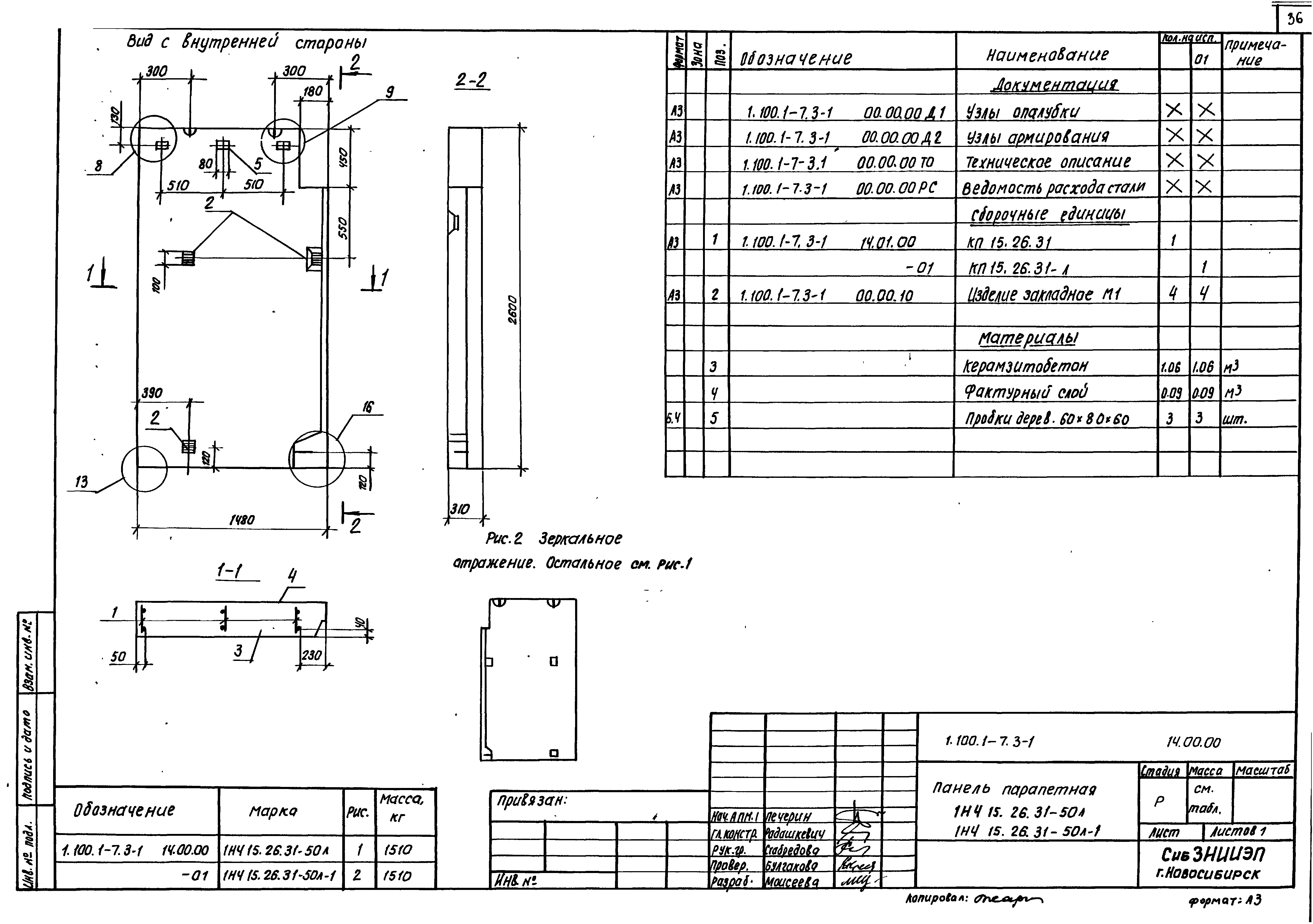
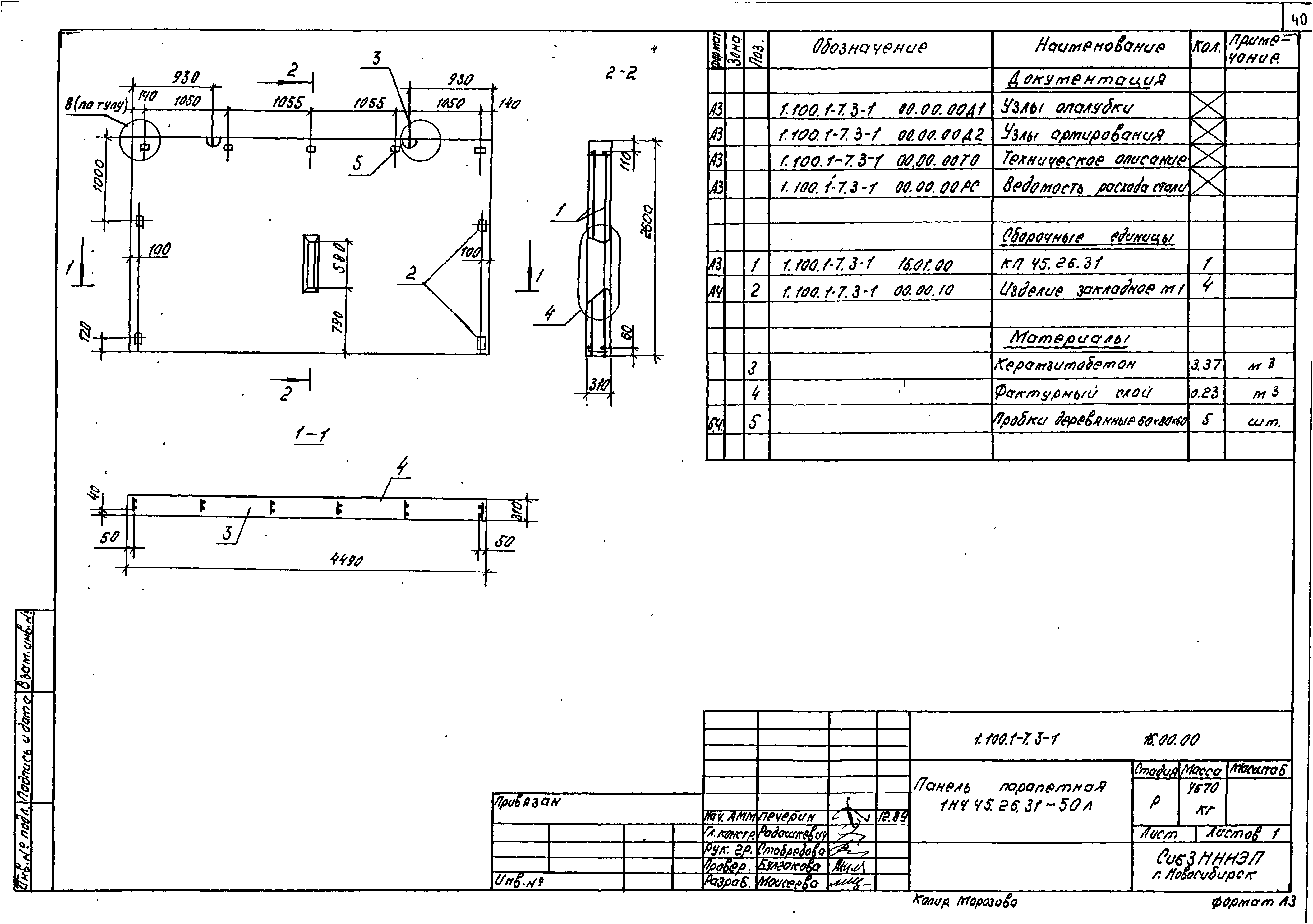
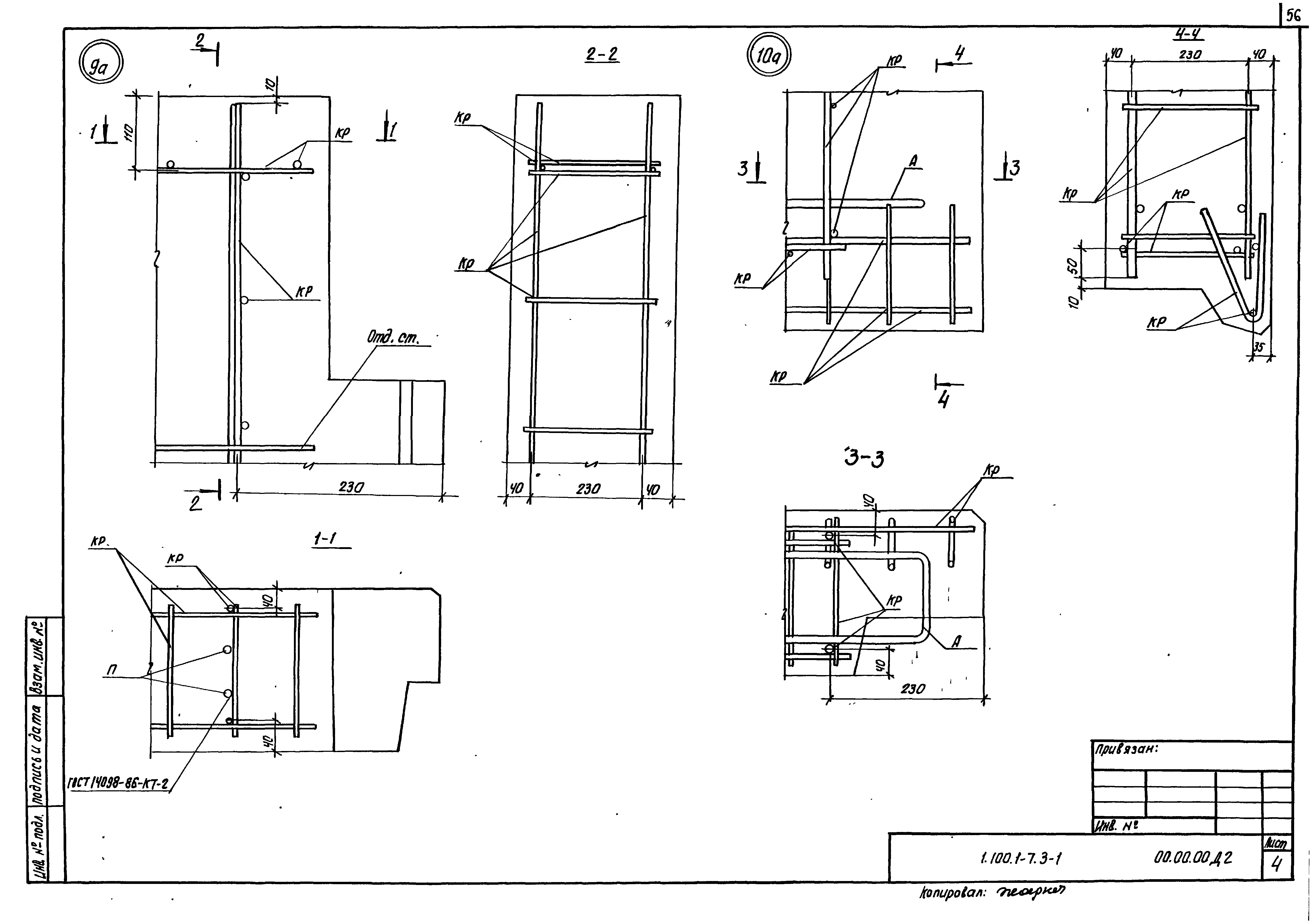
Скачать Серия 1.100.1-7 Выпуск 3-1. Панели опорные и парапетные однослойные легкобетонные для однослойных наружных стен толщиной 400 мм (холодный чердак). Рабочие чертежиДата актуализации: 01.01.2021 Серия 1.100.1-7
Выпуск 3-1. Панели опорные и парапетные однослойные легкобетонные для однослойных наружных стен толщиной 400 мм (холодный чердак). Рабочие чертежи| Обозначение: | Серия 1.100.1-7 | | Обозначение англ: | Series 1.100.1-7 | | Статус: | действует | | Название рус.: | Выпуск 3-1. Панели опорные и парапетные однослойные легкобетонные для однослойных наружных стен толщиной 400 мм (холодный чердак). Рабочие чертежи | | Дата добавления в базу: | 01.09.2013 | | Дата актуализации: | 01.01.2021 | | Дата введения: | 01.06.1990 | | Разработан: | СибЗНИИЭП Госгражданстроя
| | Утверждён: | 22.05.1990 Госкомархитектура (89)
|
                                                                  
|