Скачать Серия 1.100.1-7 Выпуск 3-2. Панели опорные и парапетные однослойные легкобетонные для трехслойных наружных стен толщиной 350 мм (холодный чердак). Рабочие чертежиДата актуализации: 01.01.2021
|
| Обозначение: | Серия 1.100.1-7 |
| Обозначение англ: | Series 1.100.1-7 |
| Статус: | действует |
| Название рус.: | Выпуск 3-2. Панели опорные и парапетные однослойные легкобетонные для трехслойных наружных стен толщиной 350 мм (холодный чердак). Рабочие чертежи |
| Дата добавления в базу: | 01.09.2013 |
| Дата актуализации: | 01.01.2021 |
| Дата введения: | 01.06.1990 |
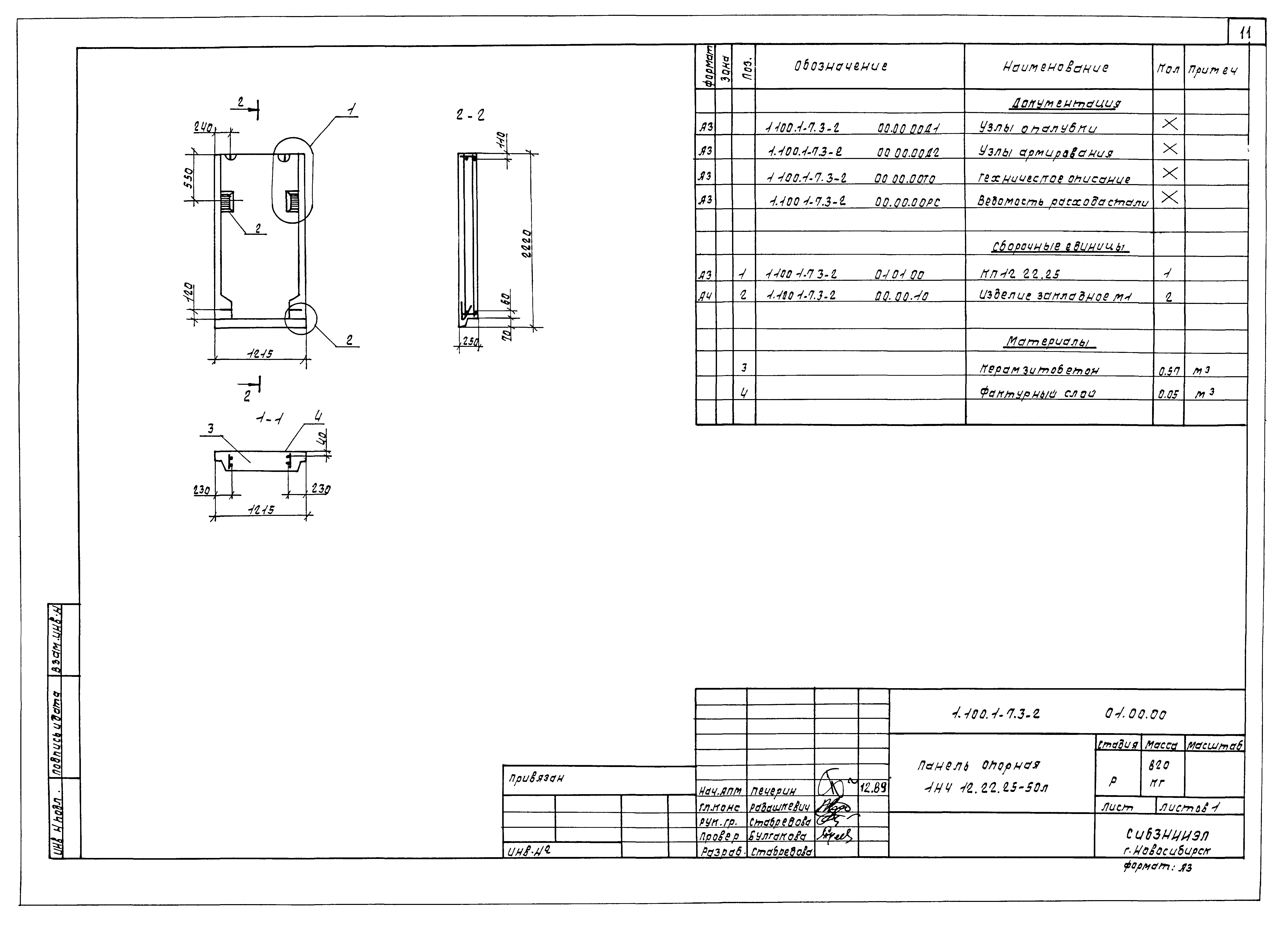
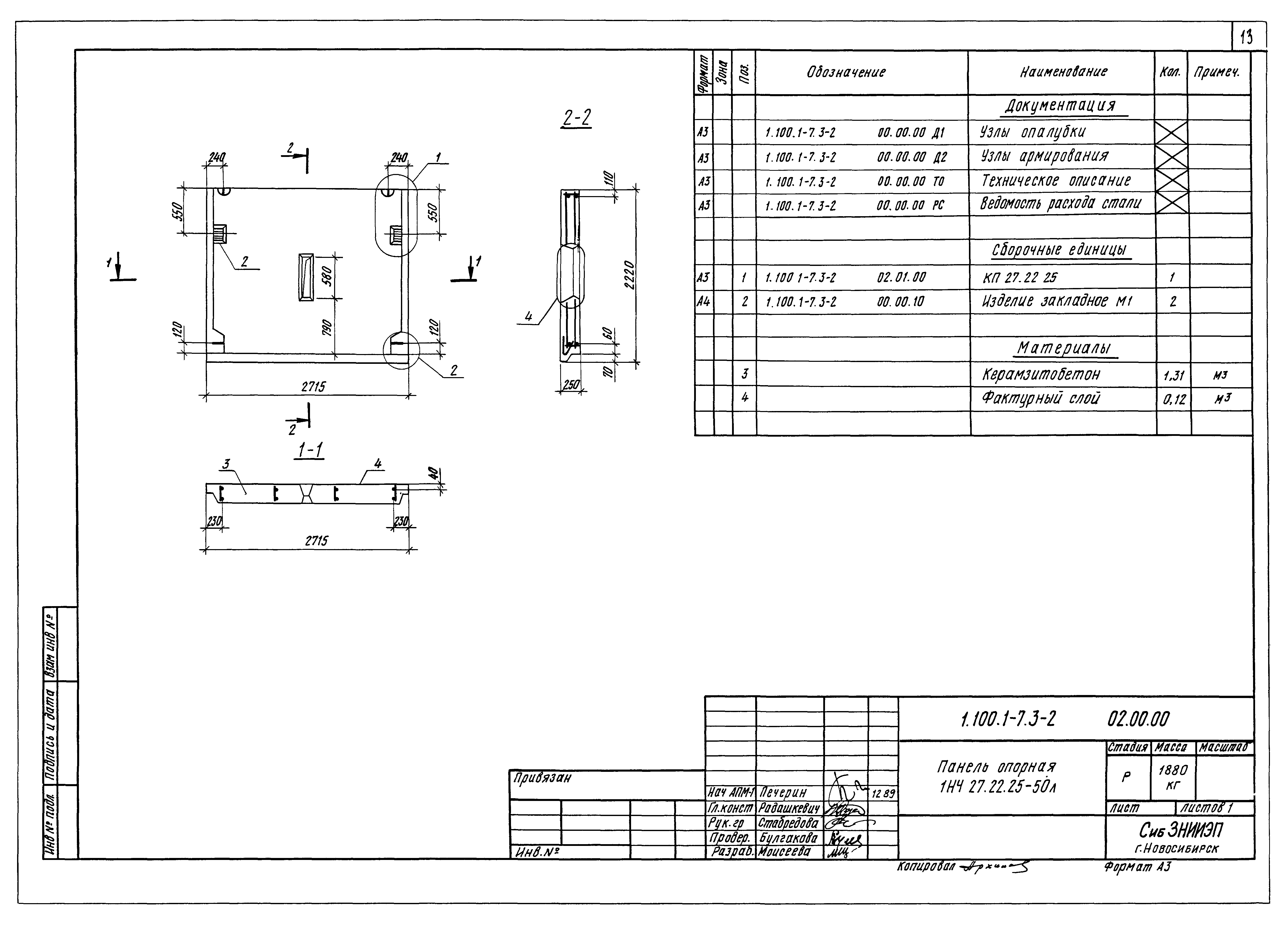
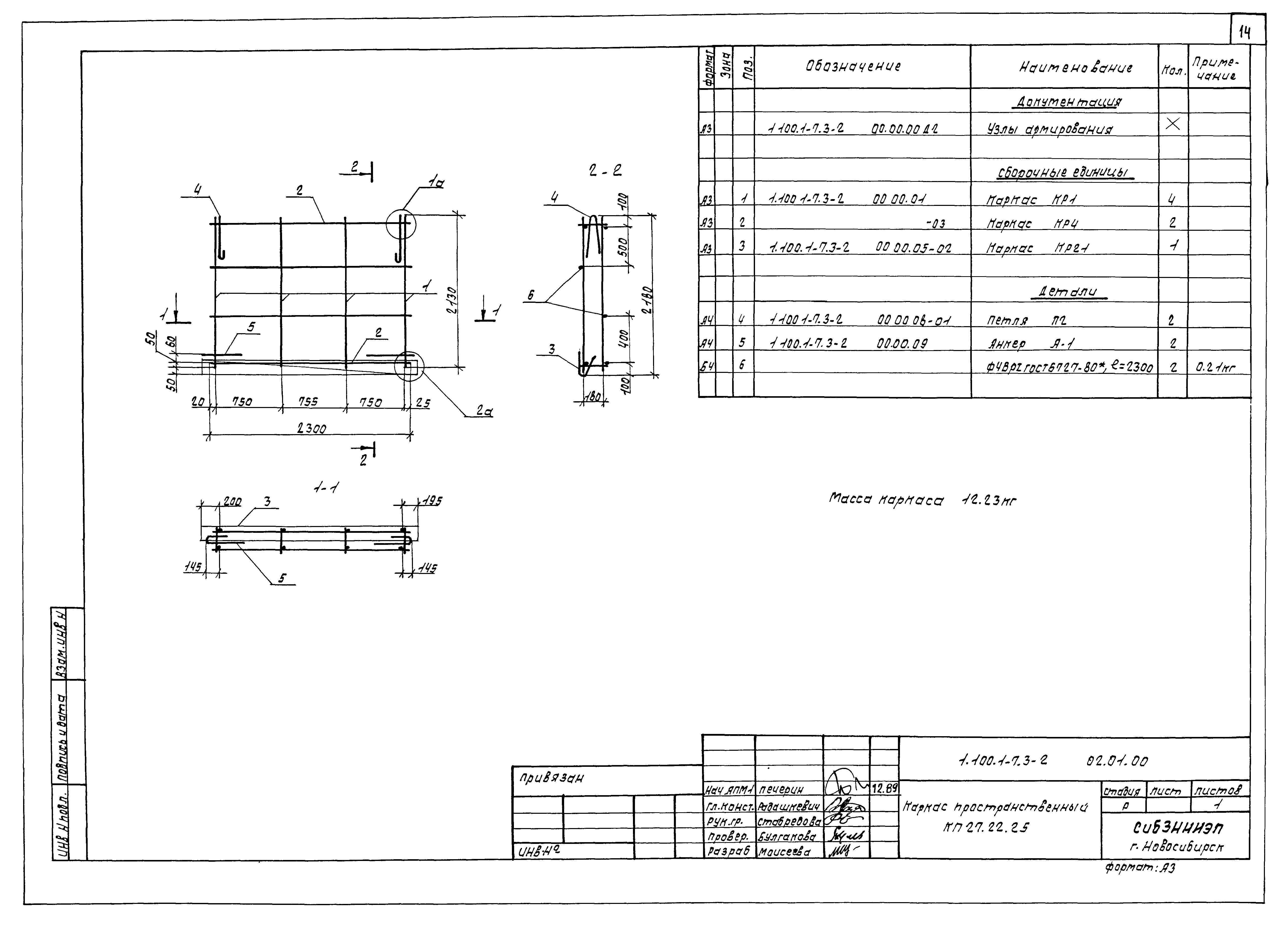
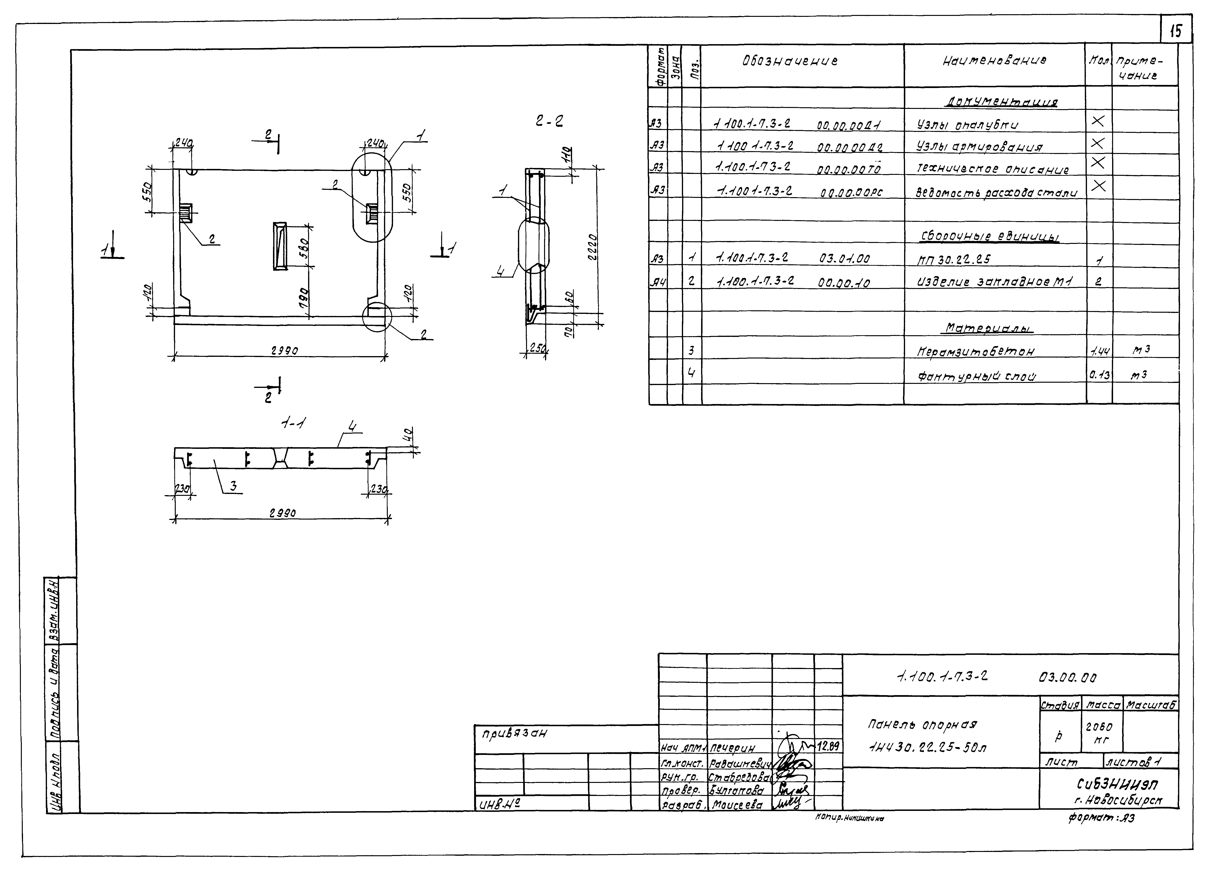
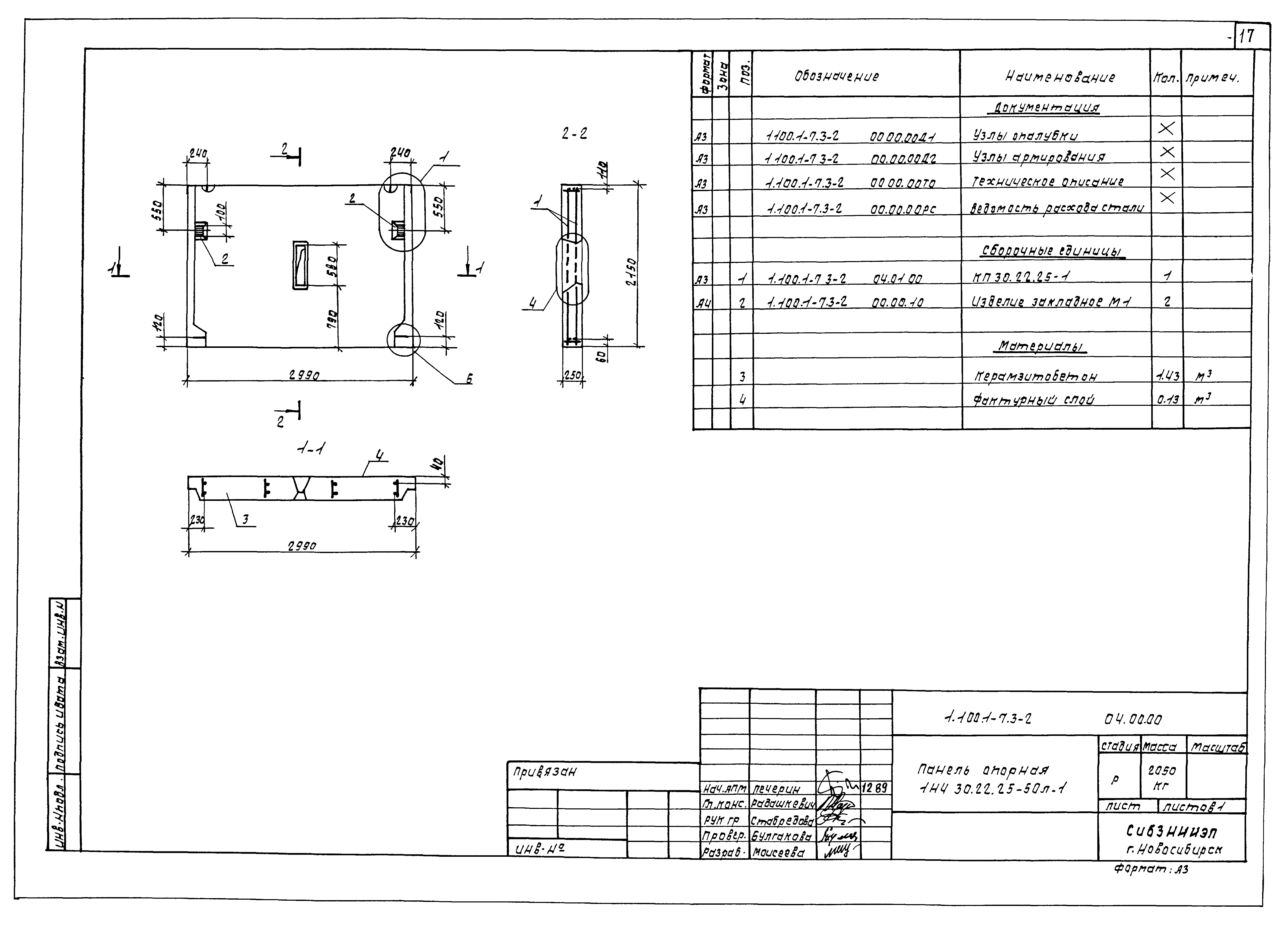
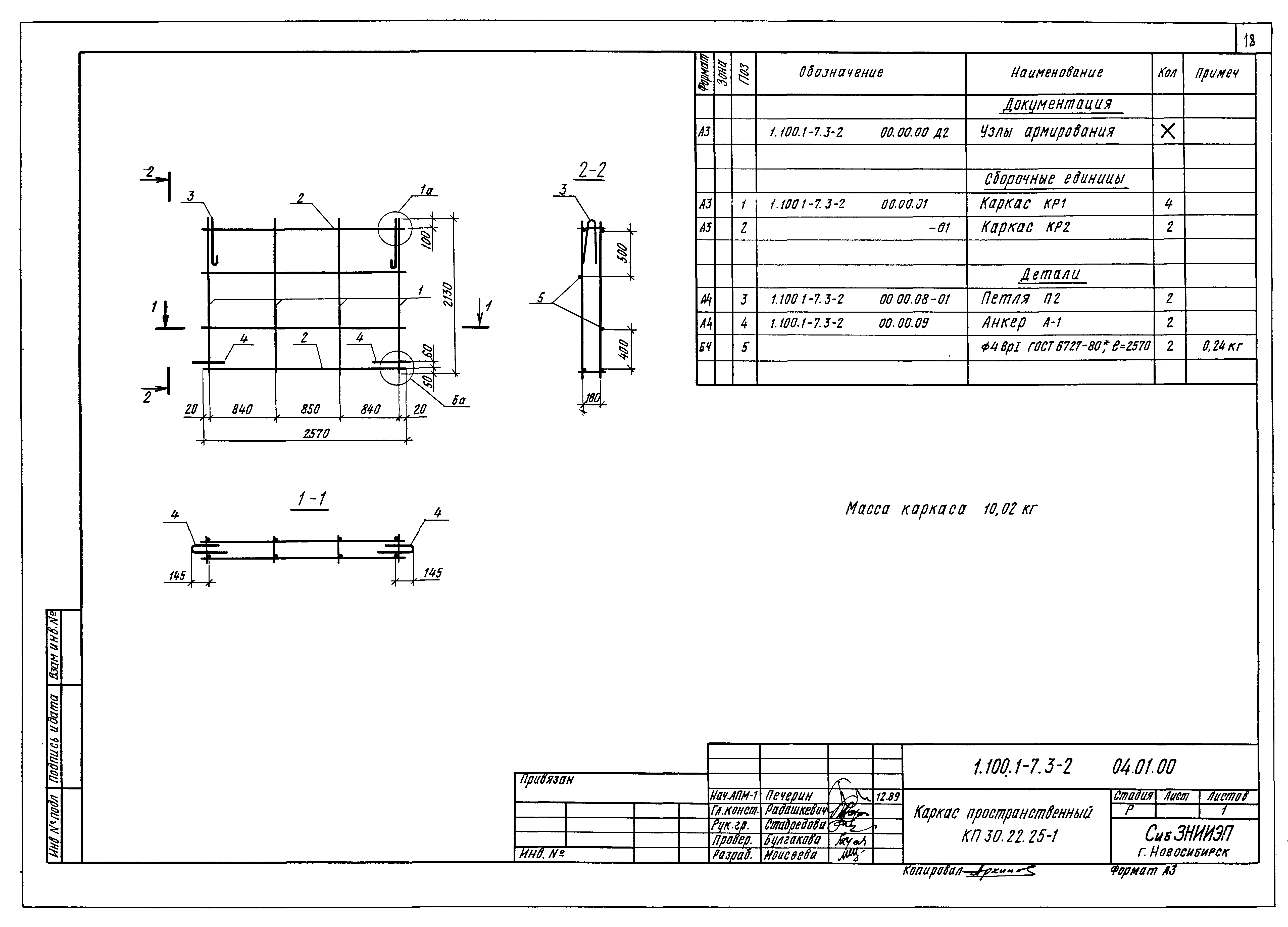
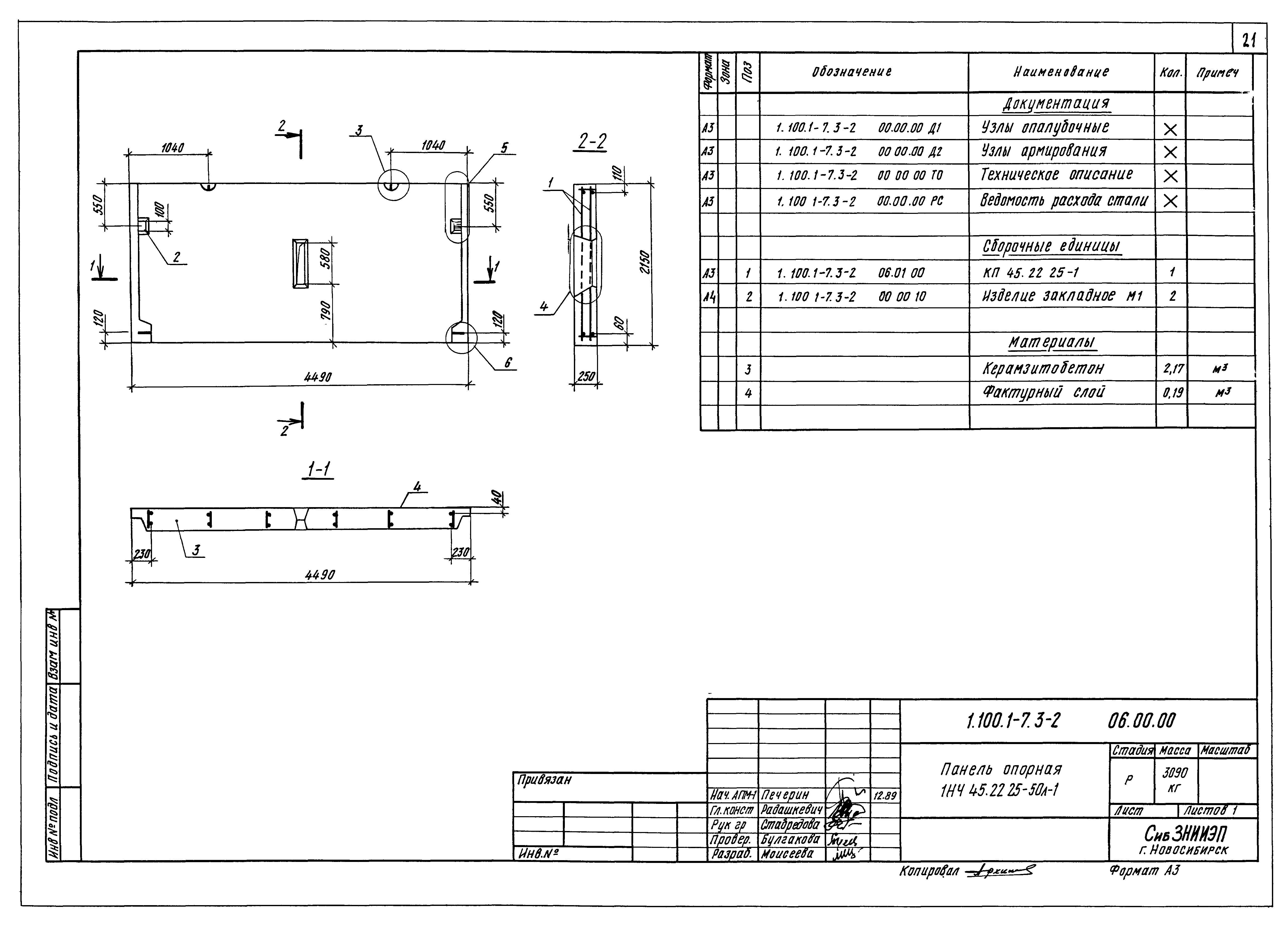
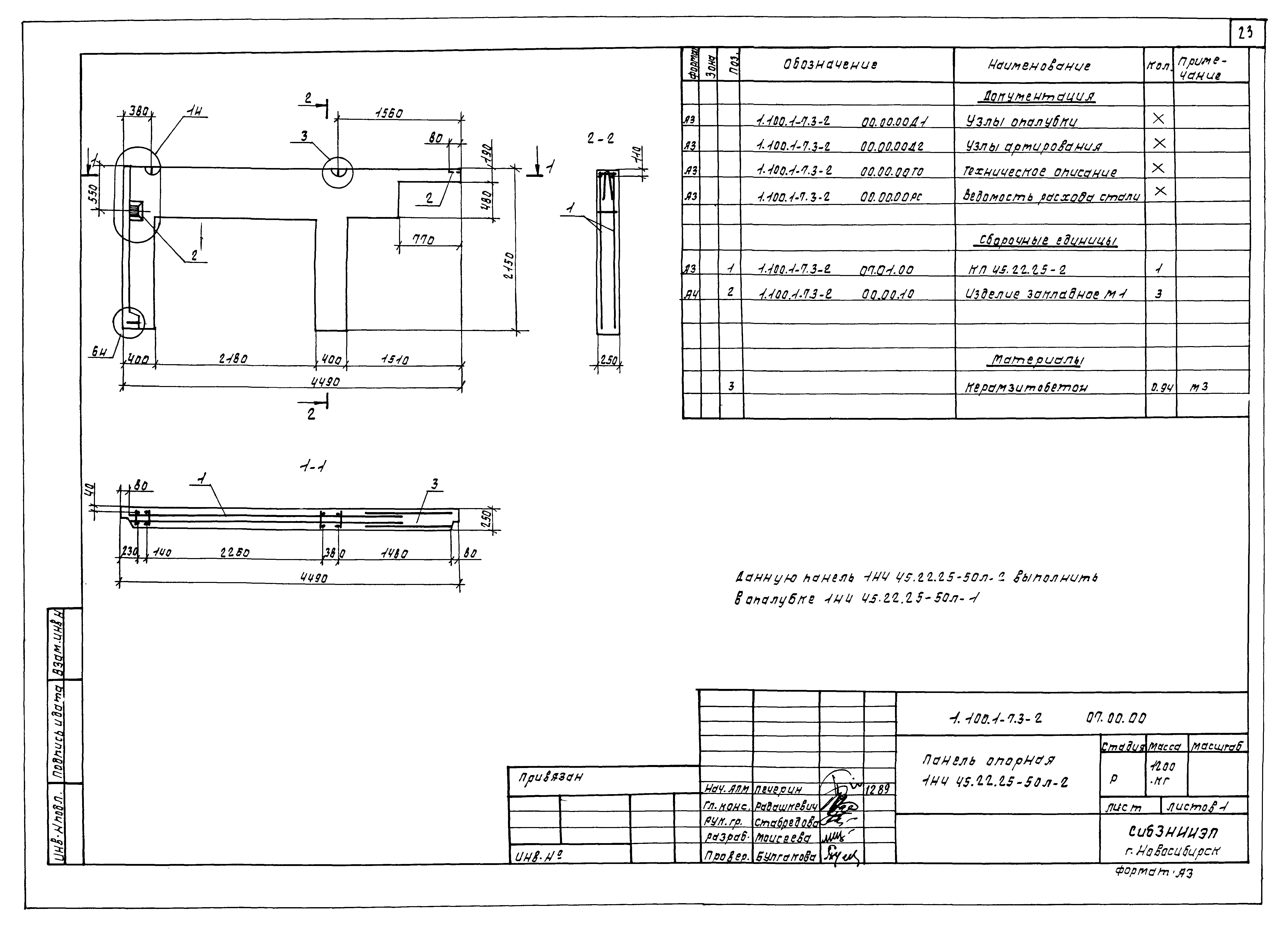
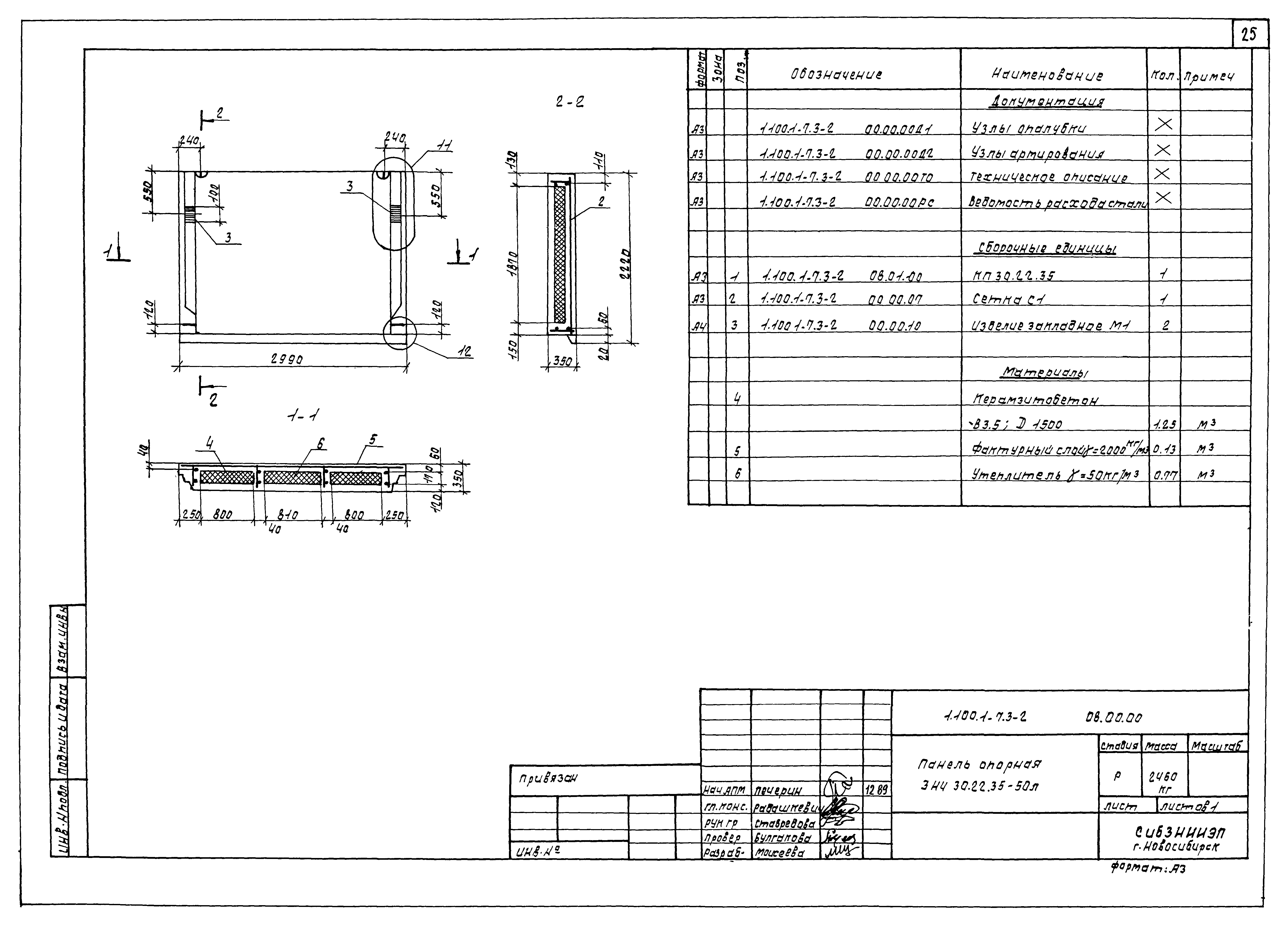
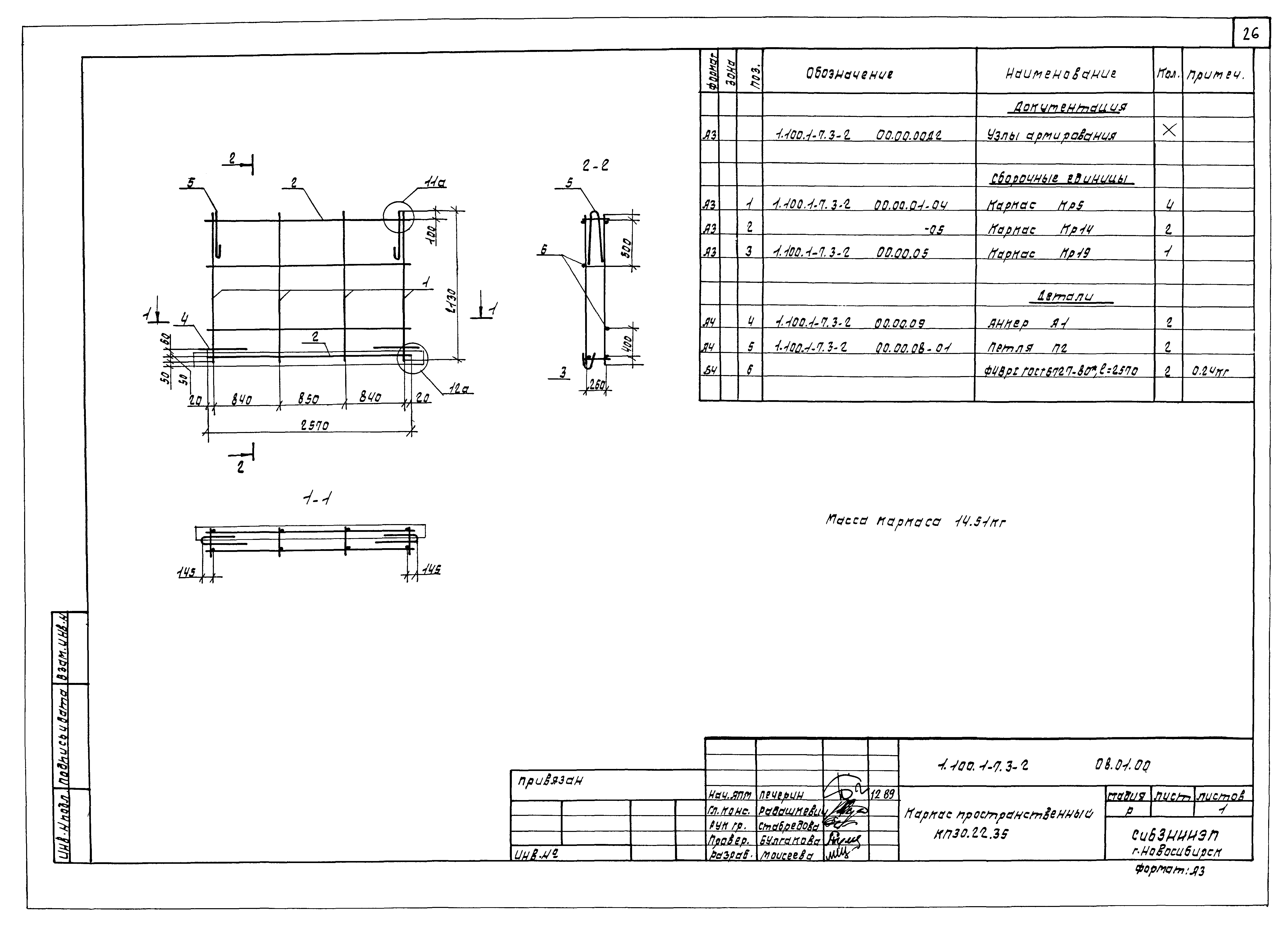
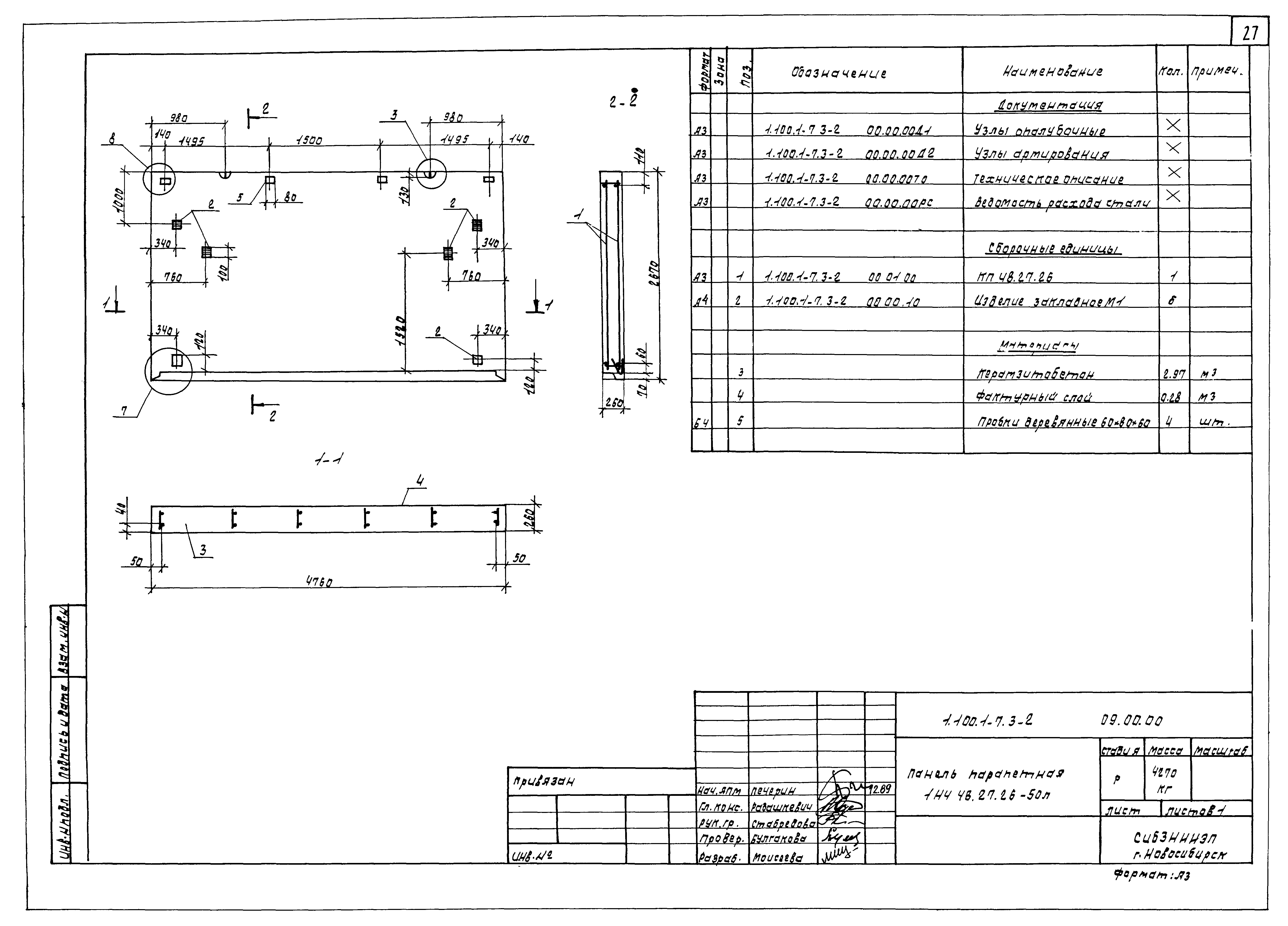
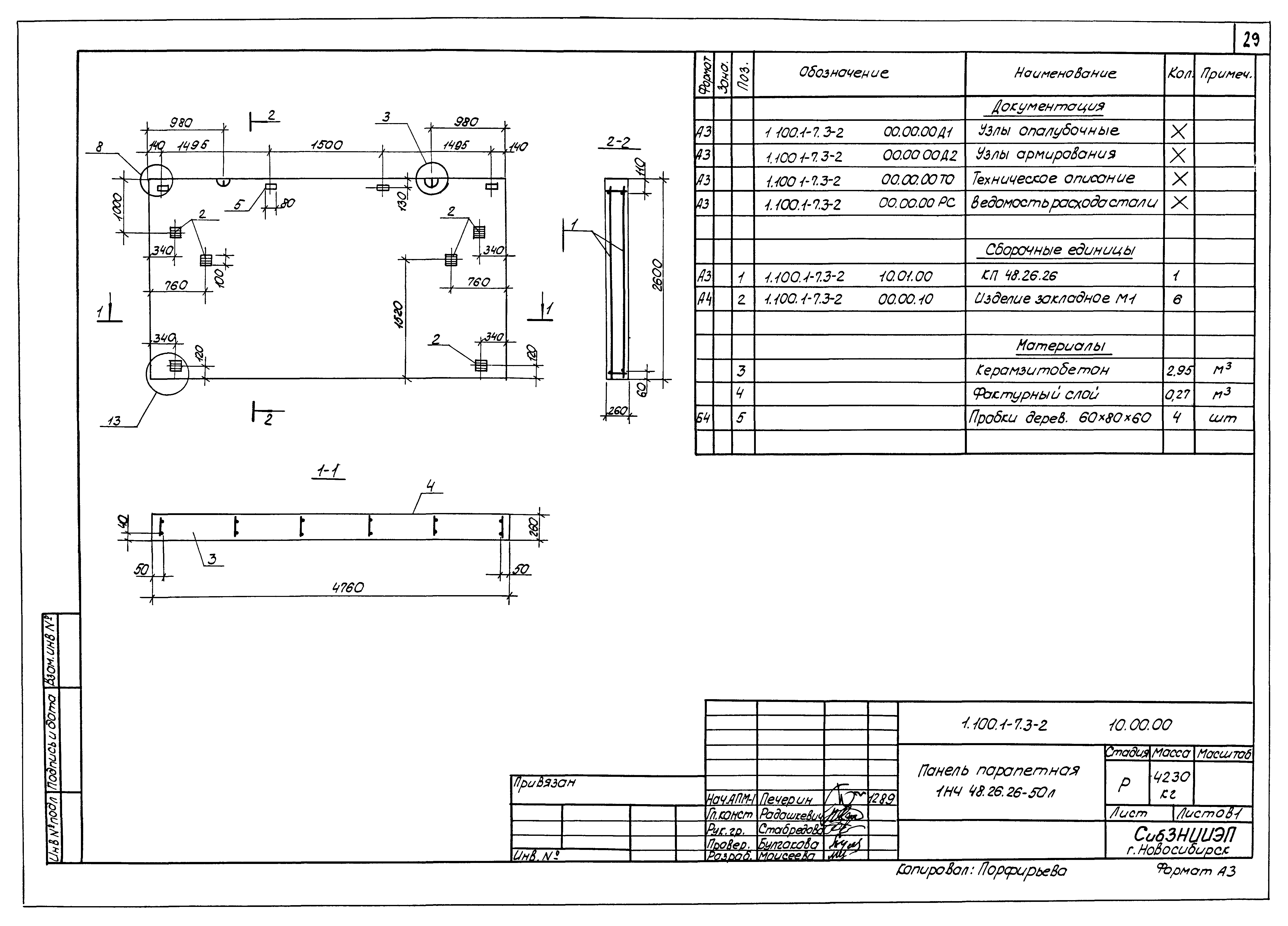
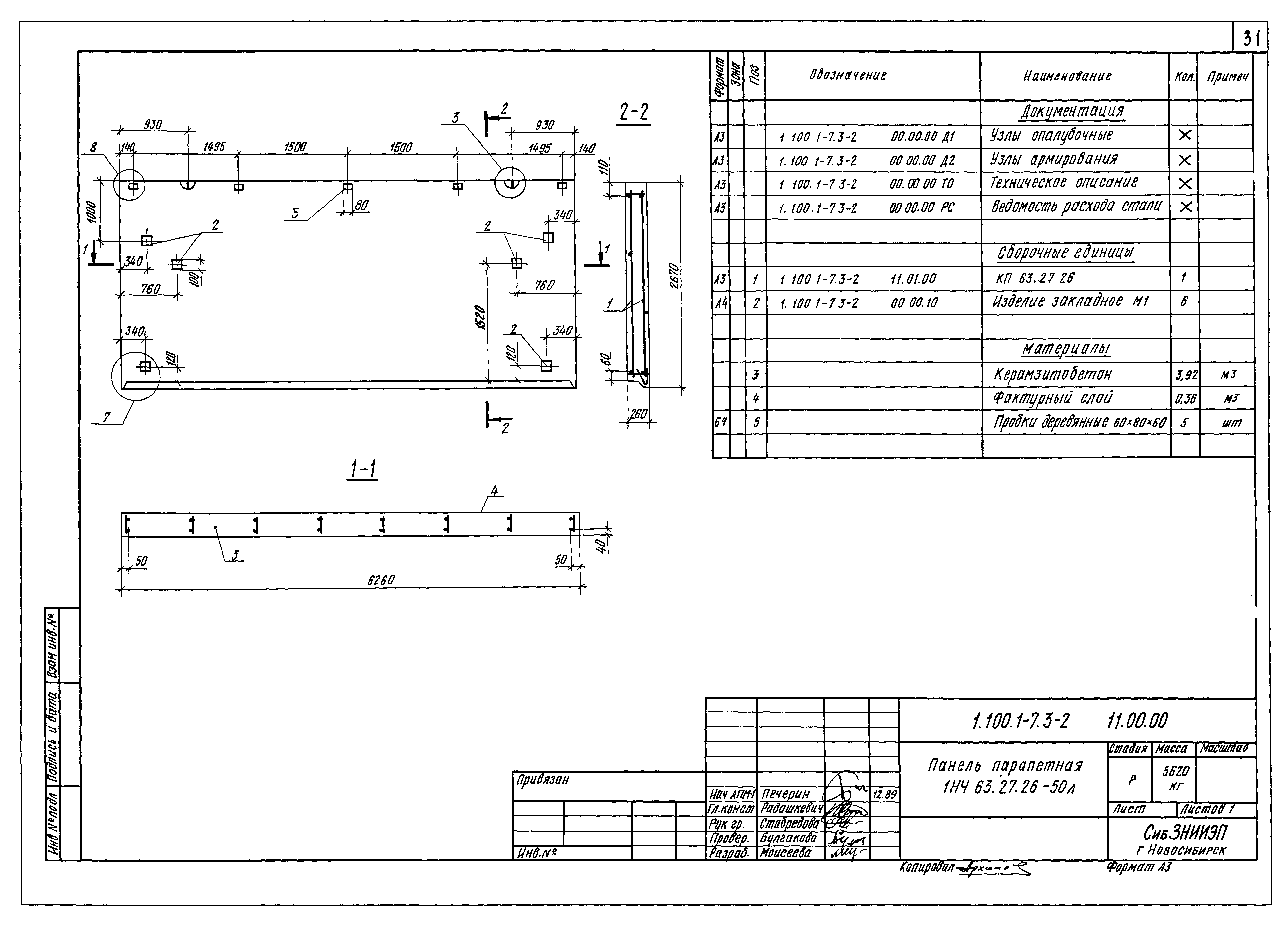
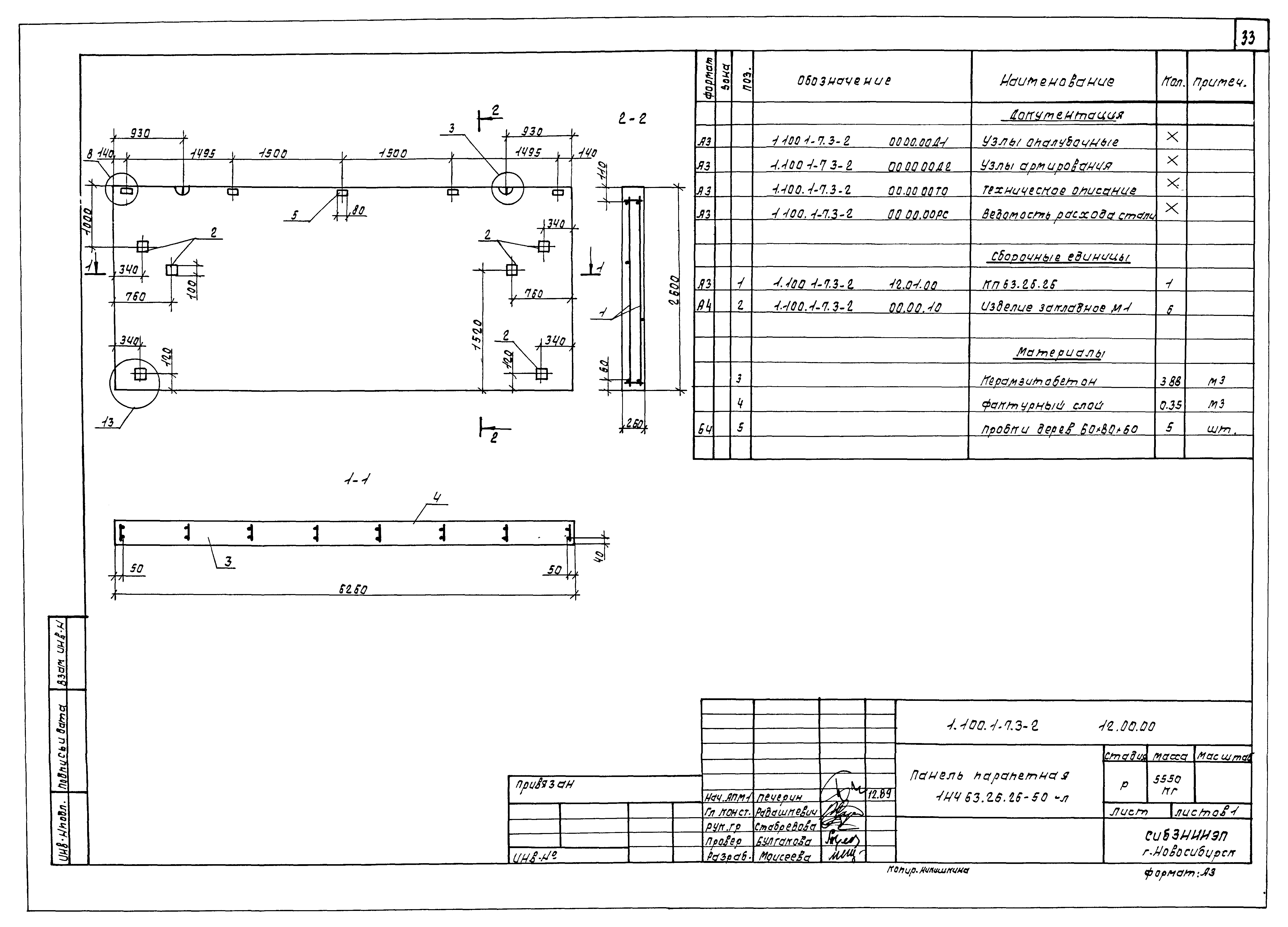
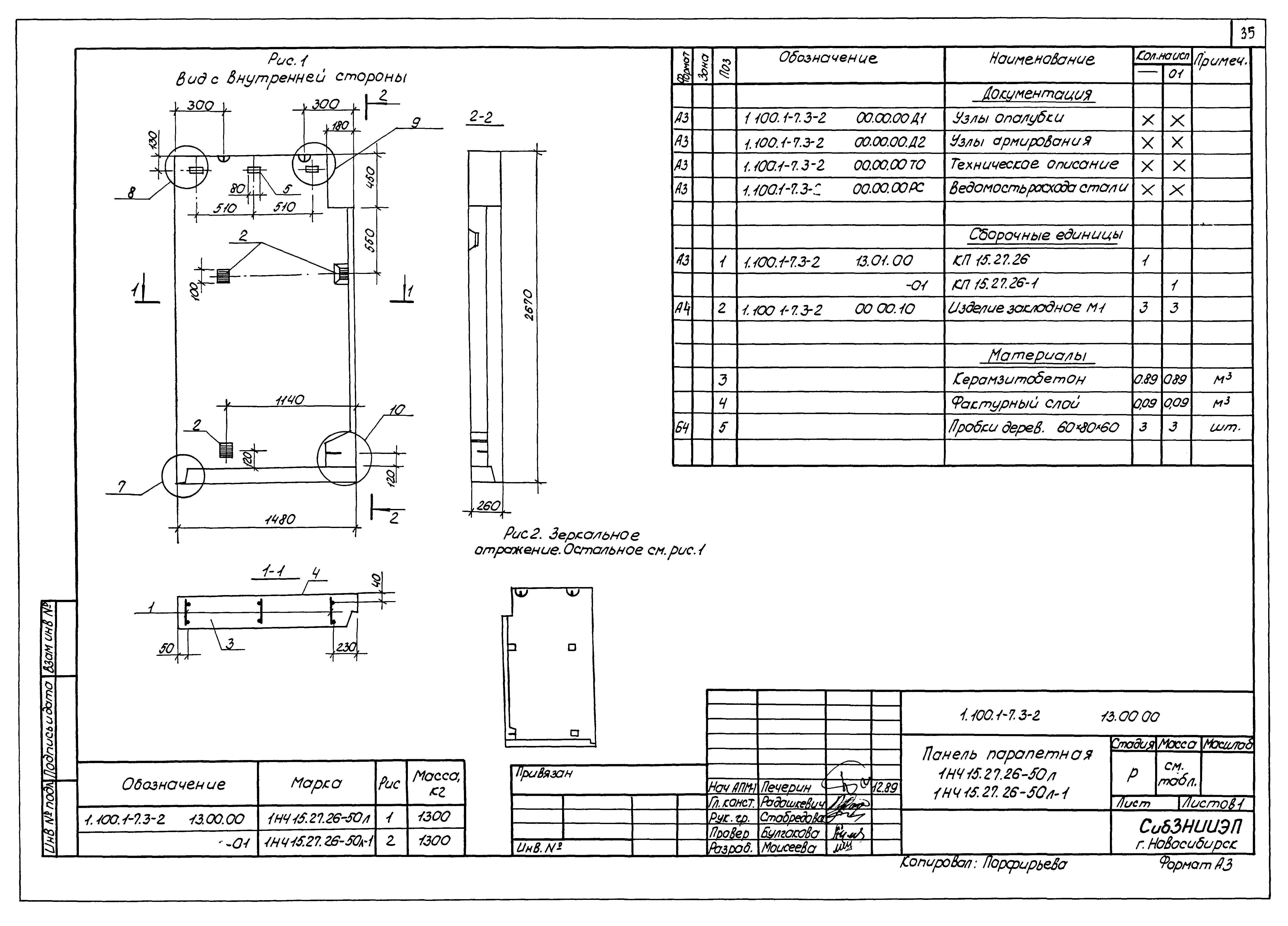
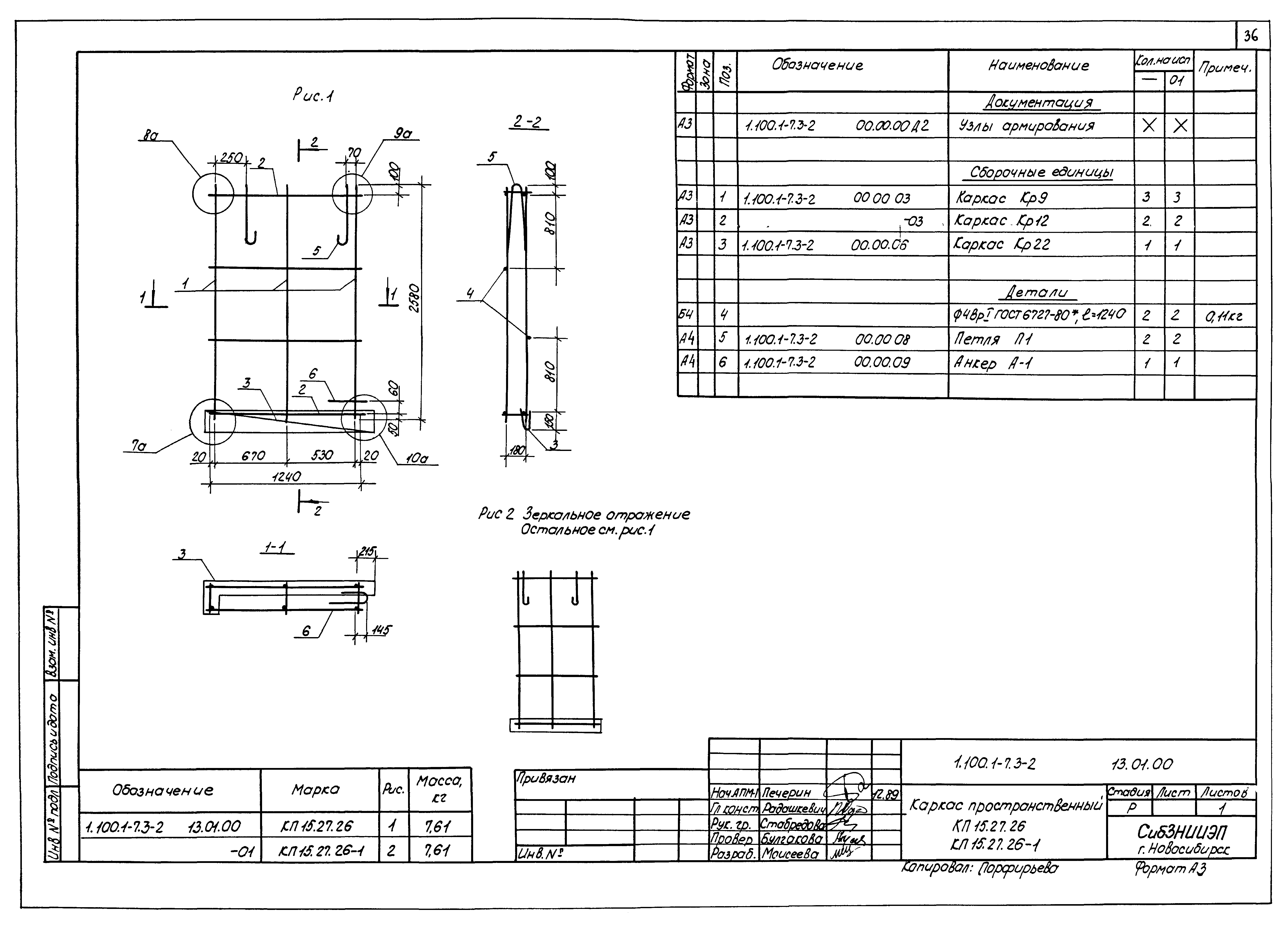
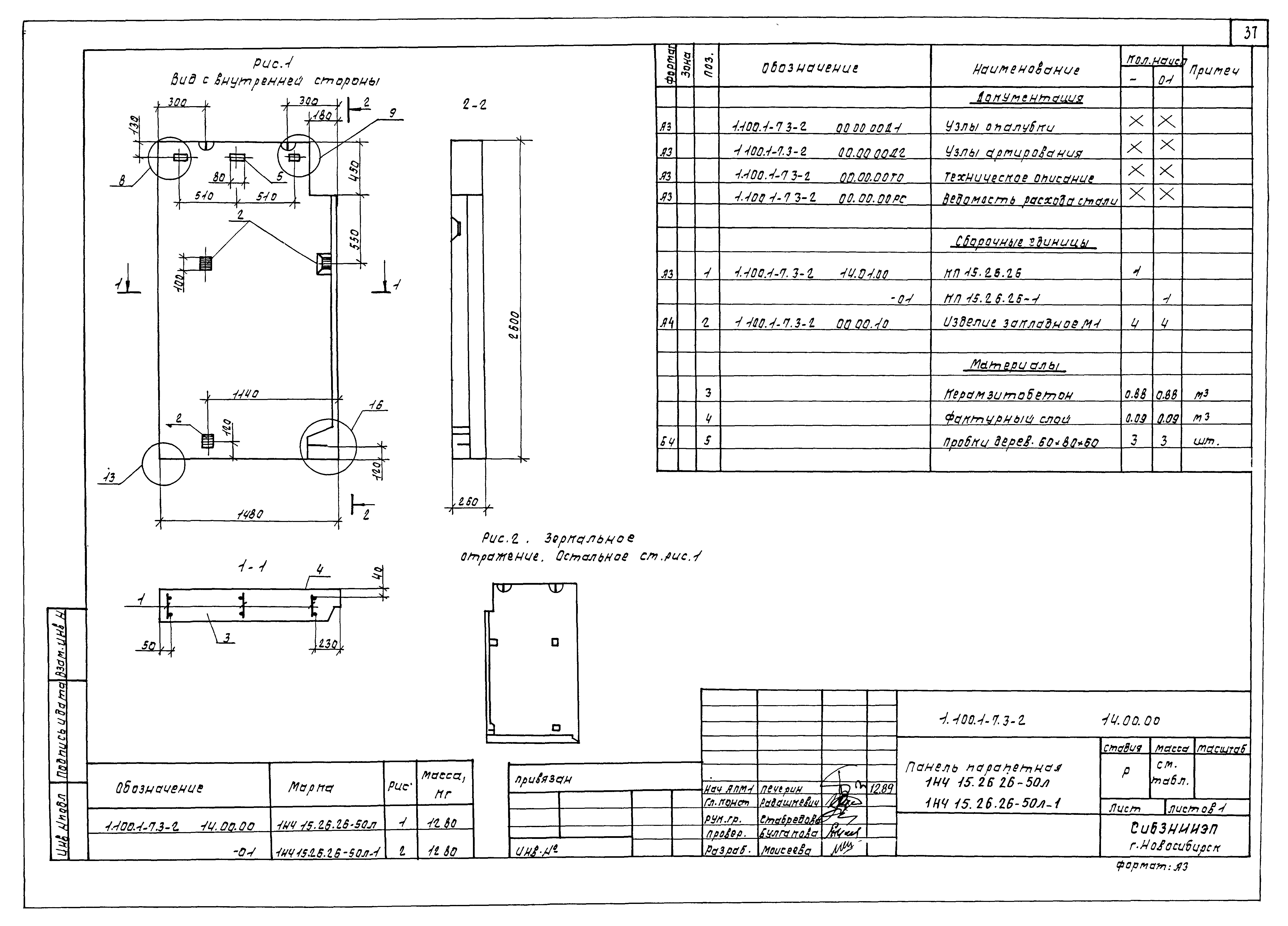
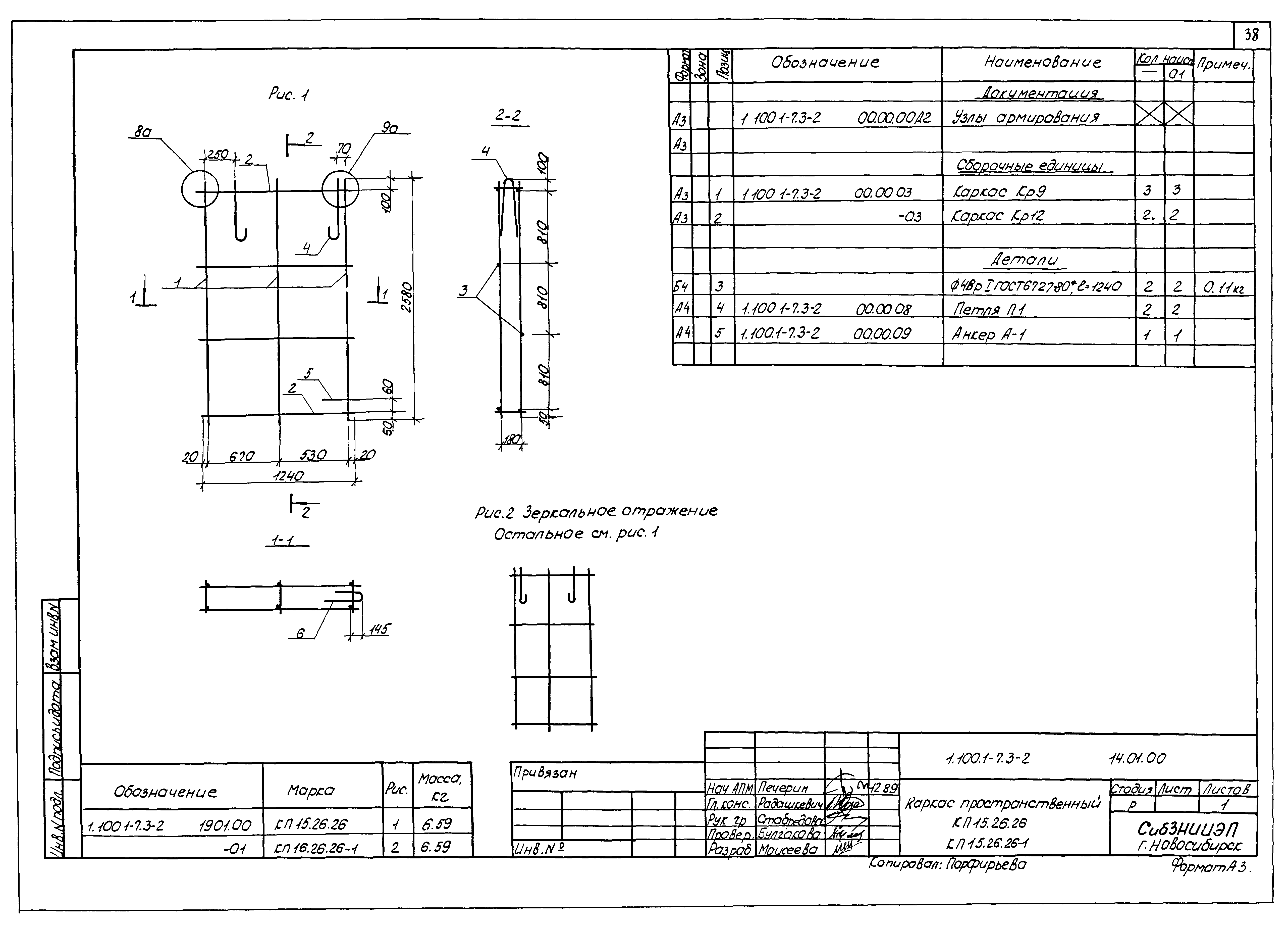
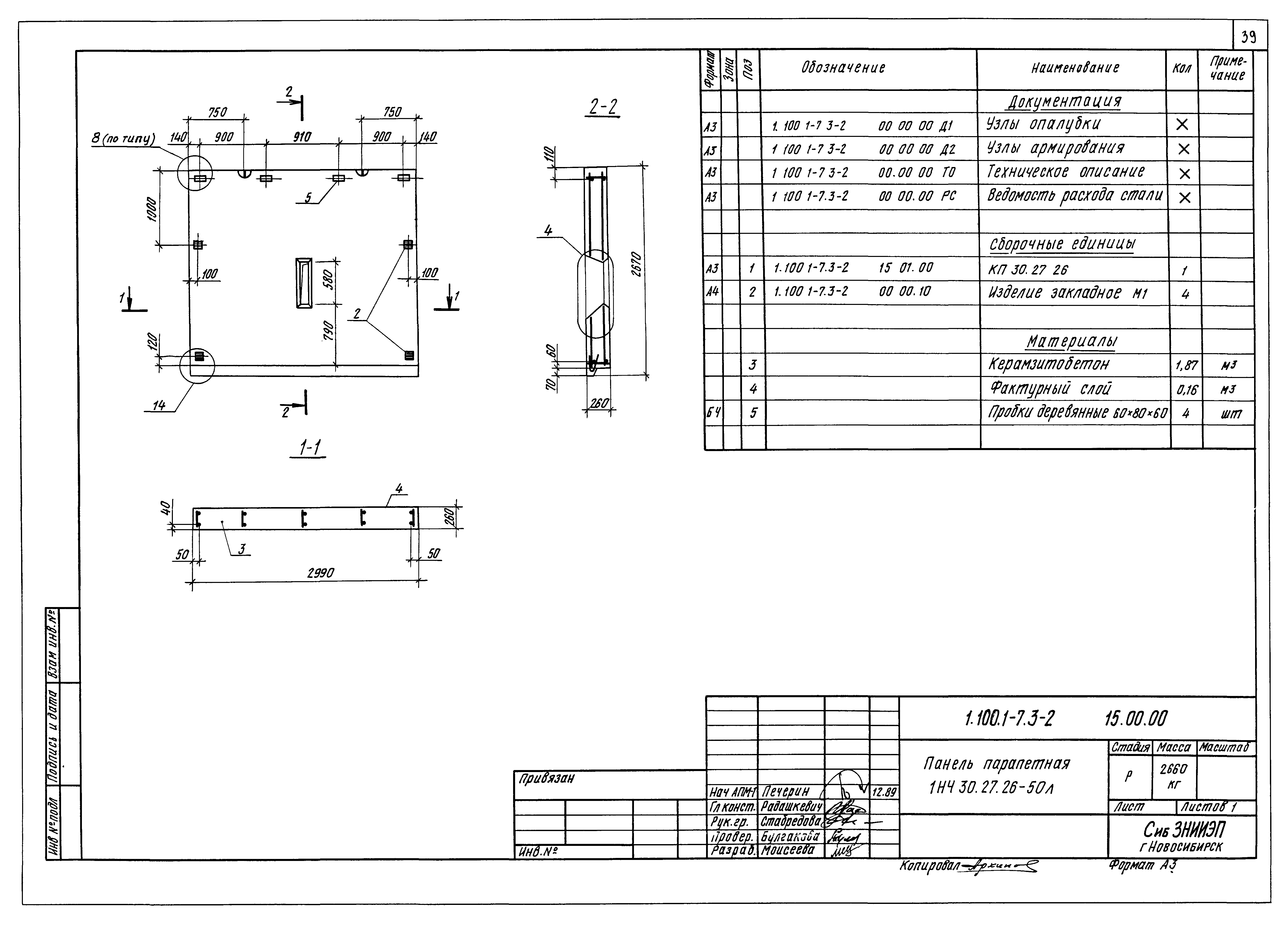
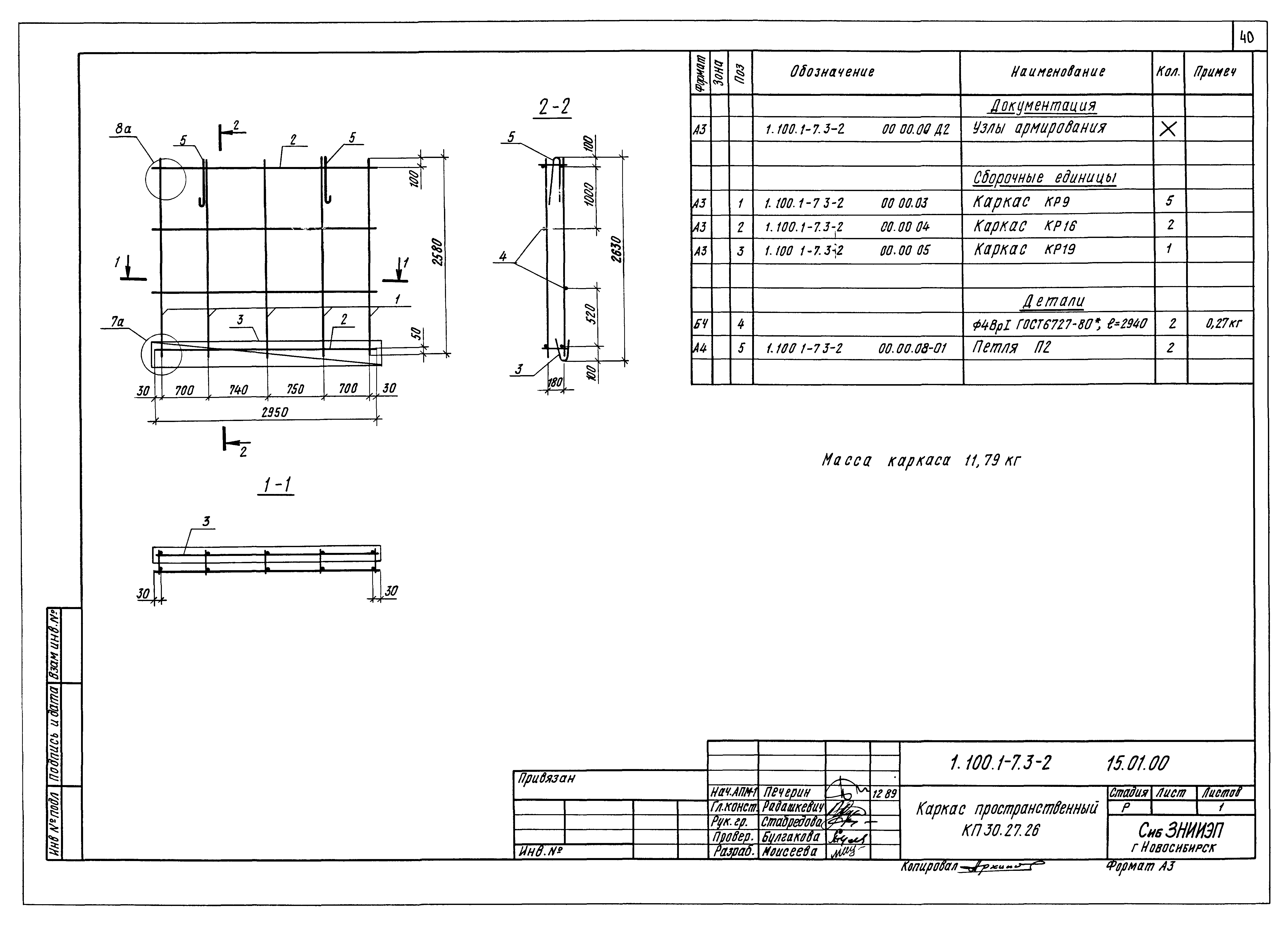
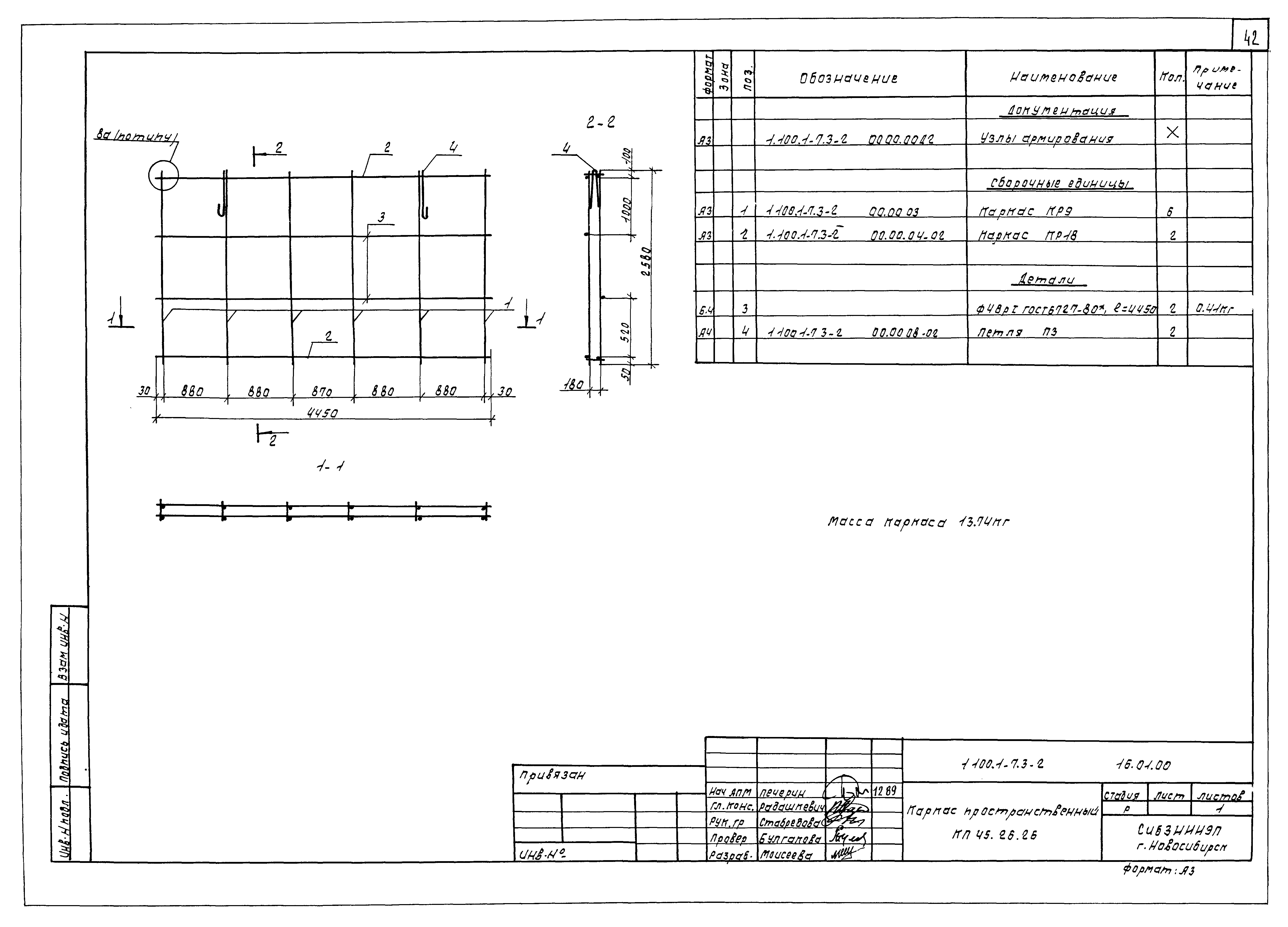
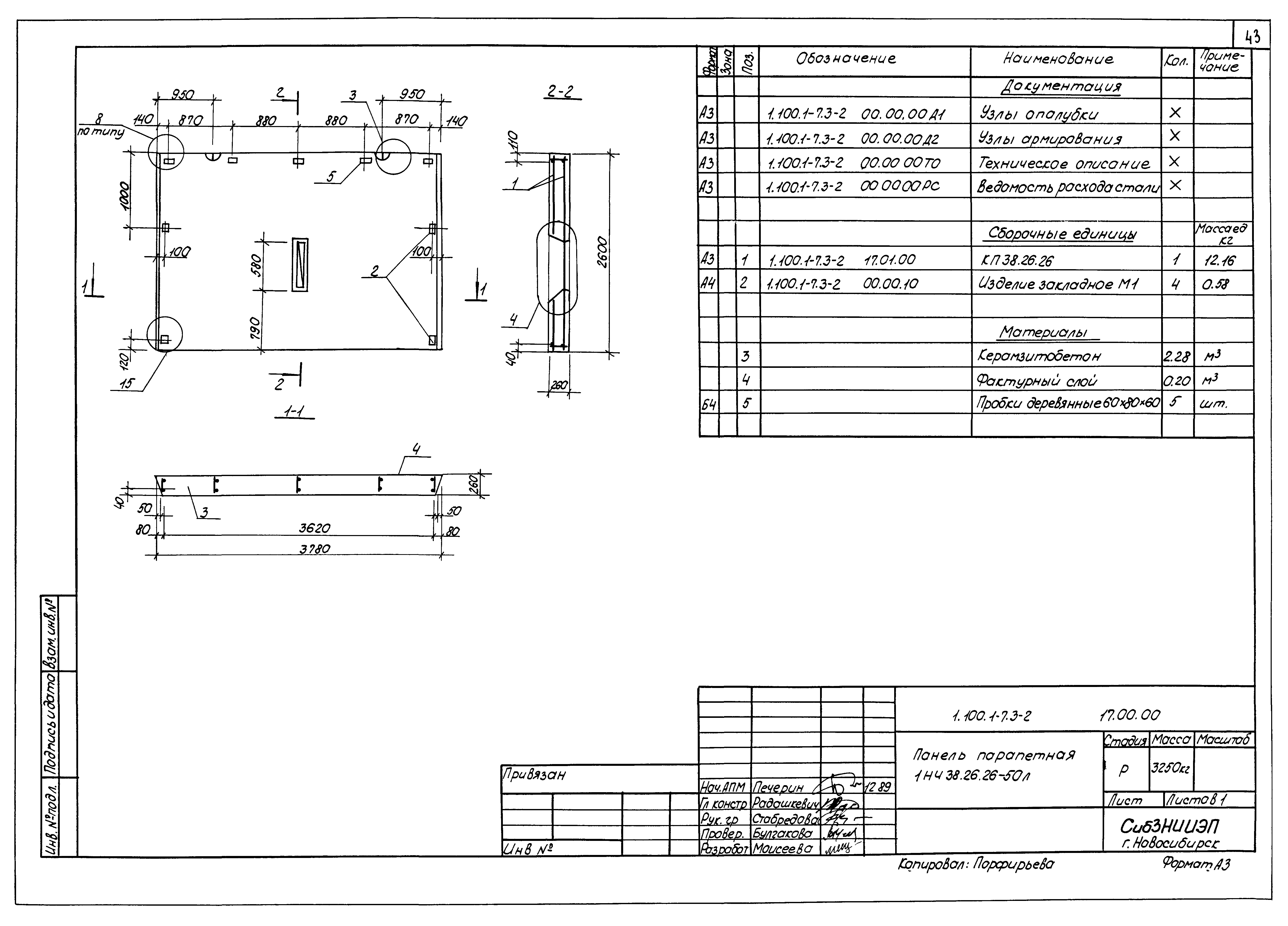
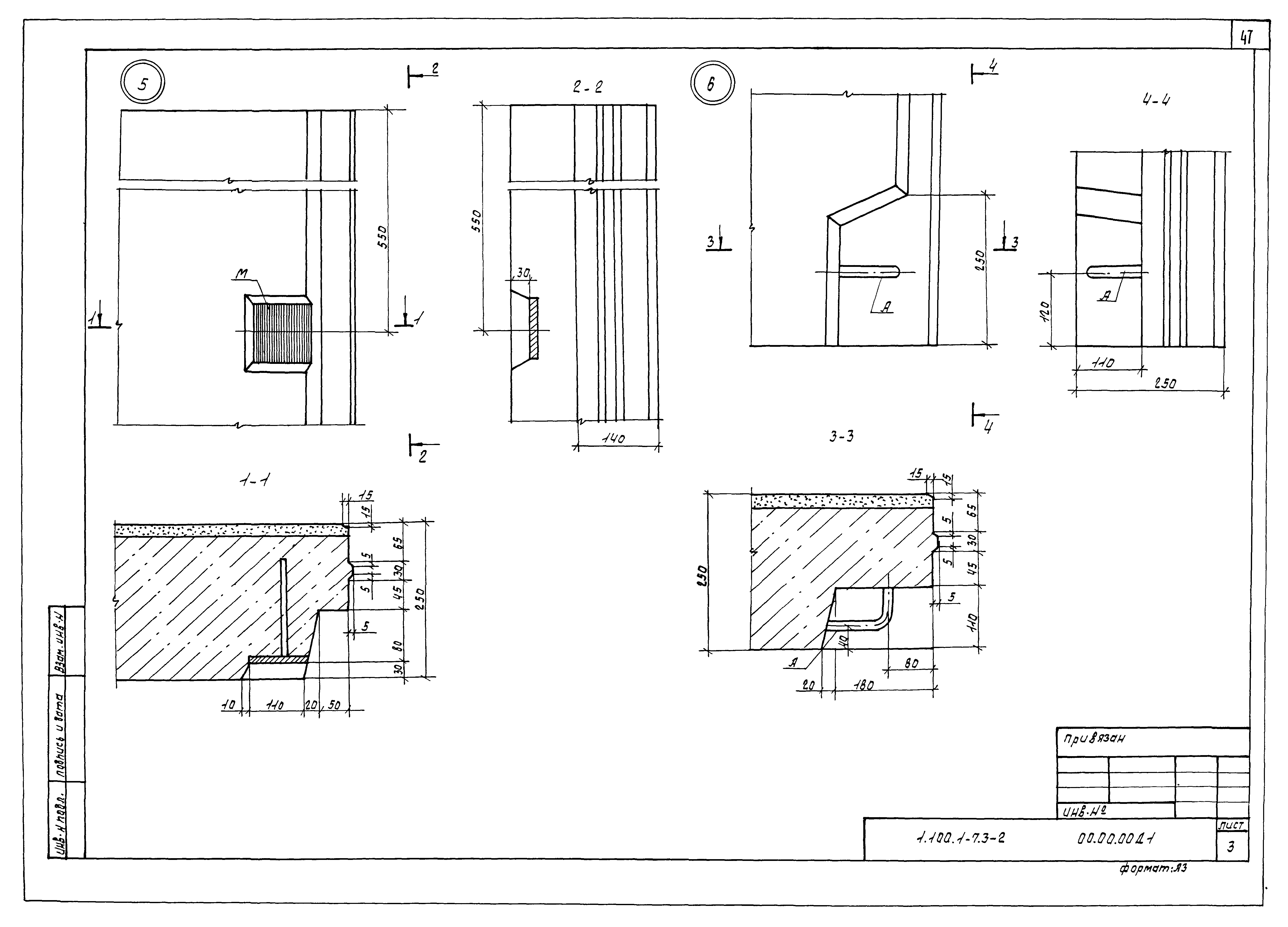
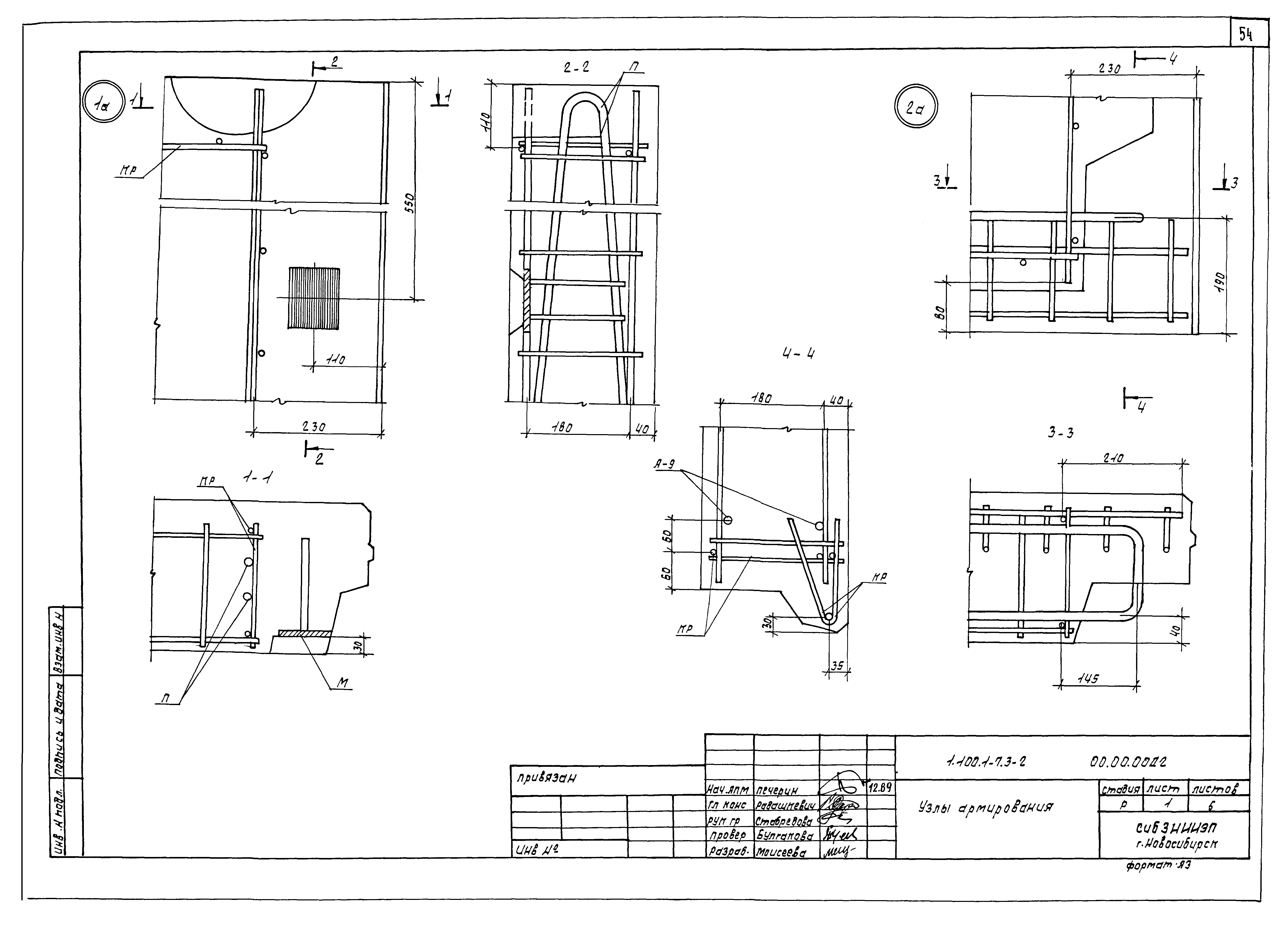
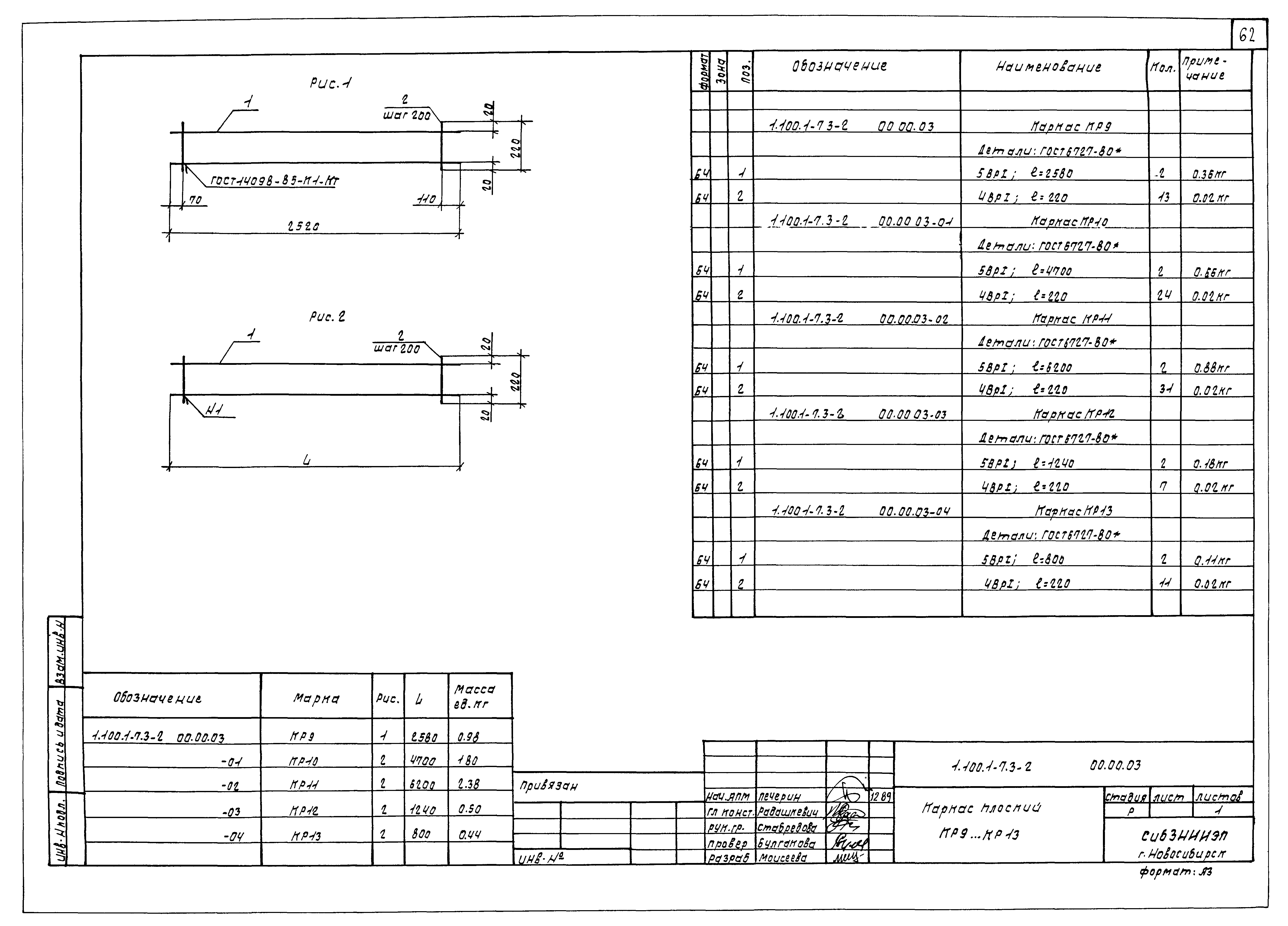
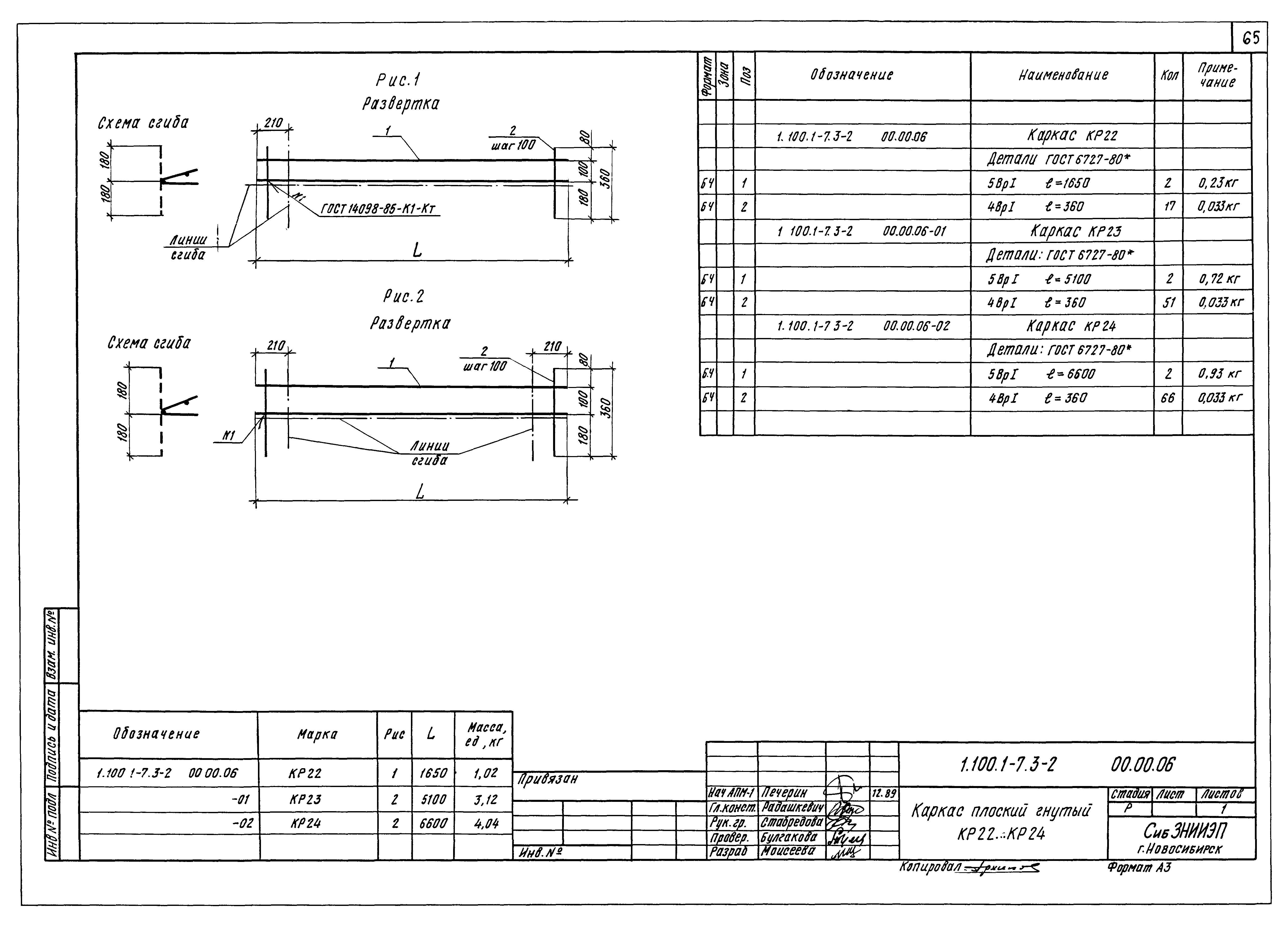
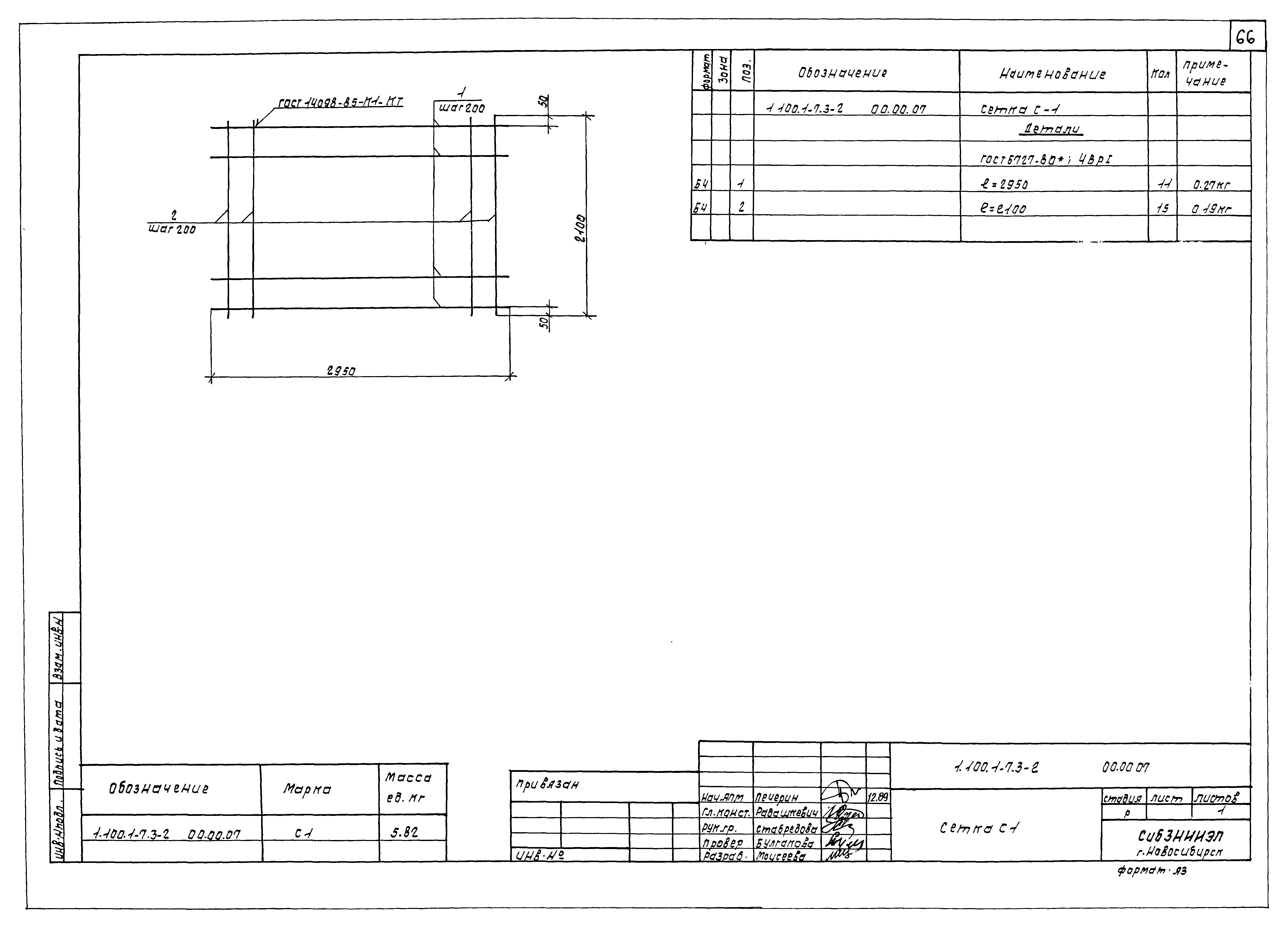
| Оглавление: | 1.100.1-7.3-2 00.00.00 Содержание 1.100.1-7.3-2 00.00.00ТО Техническое описание 1.100.1-7.3-2 00.00.00НИ Номенклатура изделий 1.100.1-7.3-2 01.00.00 Панель опорная 1Н412.22.25-50л 1.100.1-7.3-2 01.01.00 Панель опорная КП12.22.25 1.100.1-7.3-2 02.00.00 Панель опорная 1Н427.22.25-50л 1.100.1-7.3-2 02.01.00 Каркас пространственный КП27.22.25 1.100.1-7.3-2 03.00.00 Панель опорная 1Н430.22.85-50л 1.100.1-7.3-2 03.01.00 Каркас пространственный КП30.22.25 1.100.1-7.3-2 04.00.00 Панель опорная 1Н430.22.25-50л-1 1.100.1-7.3-2 04.01.00 Каркас пространственный КП30.22.25-1 1.100.1-7.3-2 05.00.00 Панель опорная 1Н445.22.25-50л 1.100.1-7.3-2 05.01.00 Каркас пространственный КП45.22.25 1.100.1-7.3-2 06.00.00 Панель опорная 1Н445.22.25-50л-1 1.100.1-7.3-2 06.01.00 Каркас пространственный КП45.22.25-1 1.100.1-7.3-2 07.00.00 Панель опорная 1Н445.22.25-50л-2 1.100.1-7.3-2 07.01.00 Каркас пространственный КП45.22.25-2 1.100.1-7.3-2 08.00.00 Панель опорная 3Н430.22.35-50л 1.100.1-7.3-2 08.01.00 Каркас пространственный КП30.22.35 1.100.1-7.3-2 09.00.00 Панель парапетная 1Н448.27.26-50л 1.100.1-7.3-2 09.01.00 Каркас пространственный КП48.27.26 1.100.1-7.3-2 10.00.00 Панель парапетная 1Н448.26.26-50л 1.100.1-7.3-2 10.01.00 Каркас пространственный КП48.26.26 1.100.1-7.3-2 11.00.00 Панель парапетная 1Н463.27.26-50л 1.100.1-7.3-2 11.01.00 Каркас пространственный КП63.27.26 1.100.1-7.3-2 12.00.00 Панель парапетная 1Н463.26.26-50л 1.100.1-7.3-2 12.01.00 Каркас пространственный КП63.26.26 1.100.1-7.3-2 13.00.00 Панель парапетная 1Н415.27.26-50л,1Н415.27.26-50л-1 1.100.1-7.3-2 13.01.00 Каркас пространственный КП15.27.26,КП15.27.26-1 1.100.1-7.3-2 14.00.00 Панель парапетная 1Н415.26.26-50л,1Н415.26.26-50л-1 1.100.1-7.3-2 14.01.00 Каркас пространственный КП15.26.26,КП15.26.26-1 1.100.1-7.3-2 15.00.00 Панель парапетная 1Н430.27.26-50л 1.100.1-7.3-2 15.01.00 Каркас пространственный КП30.27.26 1.100.1-7.3-2 16.00.00 Панель парапетная 1Н445.26.26-50л 1.100.1-7.3-2 16.01.00 Каркас пространственный КП45.26.26 1.100.1-7.3-2 17.00.00 Панель парапетная 1Н438.26.26-50л 1.100.1-7.3-2 17.01.00 Каркас пространственный КП38.26.26 1.100.1-7.3-2 00.00.00Д1 Узлы опалубочные 1.100.1-7.3-2 00.00.00Д2 Узлы армирования 1.100.1-7.3-2 00.00.01 Каркасы плоские КР1-КР5,КР14 1.100.1-7.3-2 00.00.02 Каркас плоский КР6-КР8 1.100.1-7.3-2 00.00.03 Каркас плоский КР9-КР13 1.100.1-7.3-2 00.00.04 Каркас плоский КР16-КР18 1.100.1-7.3-2 00.00.05 Каркас плоский гнутый КР19-КР21,КР13 1.100.1-7.3-2 00.00.06 Каркас плоский гнутый КР22-КР24 1.100.1-7.3-2 00.00.07 Сетка С1 1.100.1-7.3-2 00.00.08 Петли монтажные П1-П5 1.100.1-7.3-2 00.00.08 СБ Петли монтажные П1-П5. Сборочный чертеж 1.100.1-7.3-2 00.00.09 Анкер А1 1.100.1-7.3-2 00.00.10 Изделие закладное М1 1.100.1-7.3-2 00.00.00РС Ведомость расхода стали |
| Разработан: | СибЗНИИЭП Госгражданстроя |
| Утверждён: | 22.05.1990 Госкомархитектура (89) |




































































