Скачать Серия 1.100.1-7 Выпуск 3-3. Панели опорные и парапетные из тяжелого бетона для трехслойных наружных стен толщиной 400 мм (холодный чердак). Рабочие чертежиДата актуализации: 01.01.2021
|
| Обозначение: | Серия 1.100.1-7 |
| Обозначение англ: | Series 1.100.1-7 |
| Статус: | действует |
| Название рус.: | Выпуск 3-3. Панели опорные и парапетные из тяжелого бетона для трехслойных наружных стен толщиной 400 мм (холодный чердак). Рабочие чертежи |
| Дата добавления в базу: | 01.09.2013 |
| Дата актуализации: | 01.01.2021 |
| Дата введения: | 30.04.1990 |
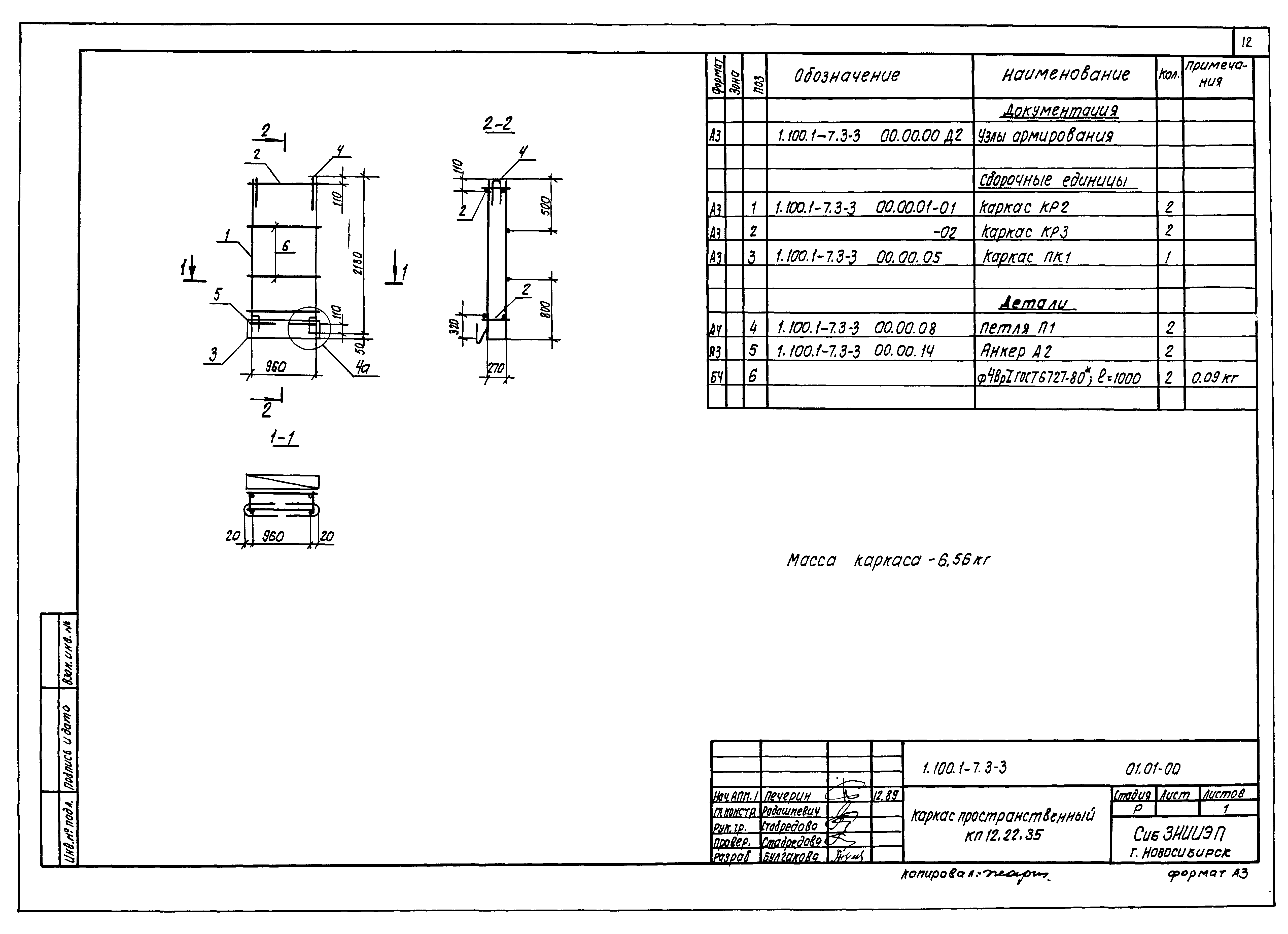
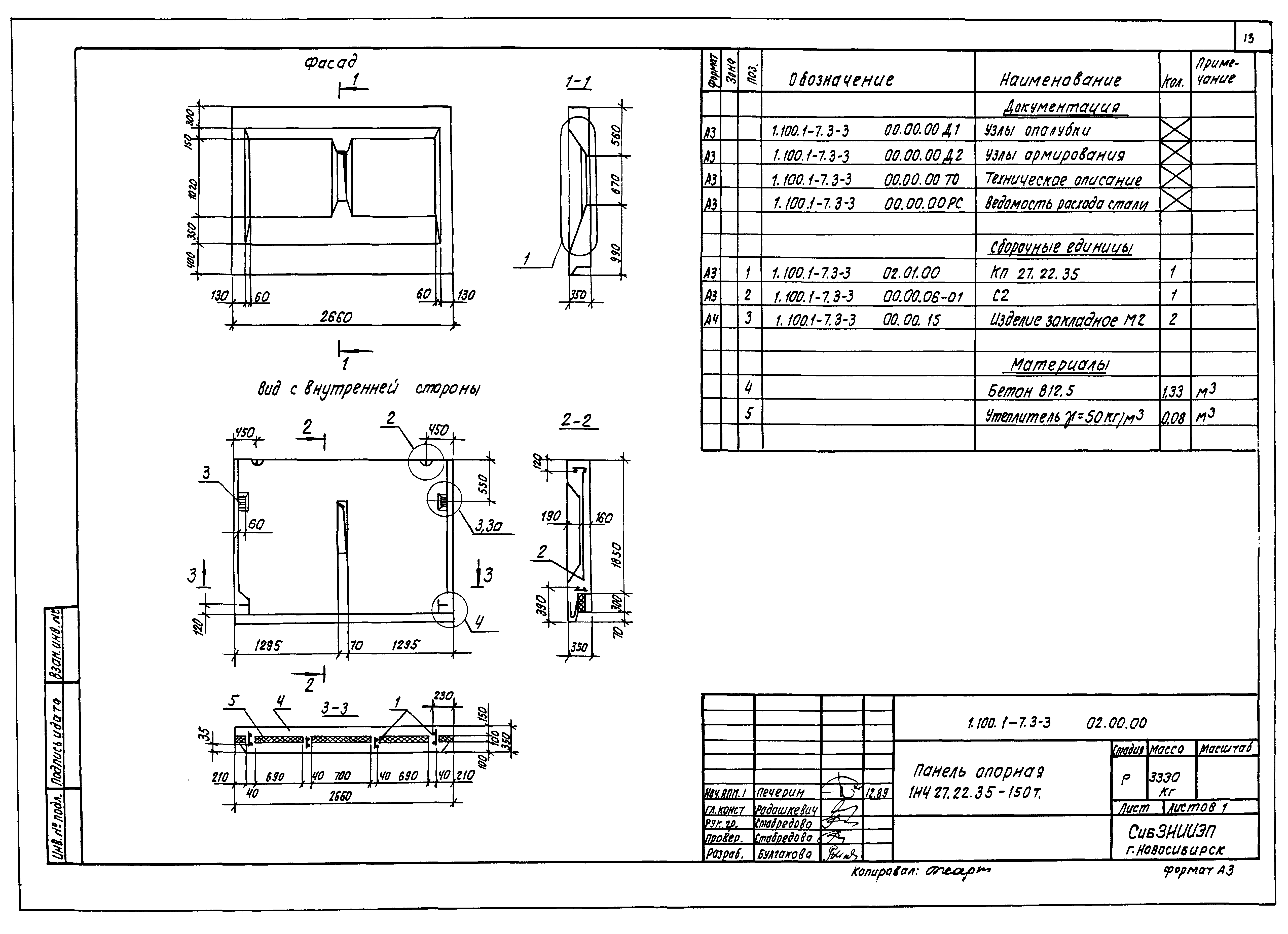
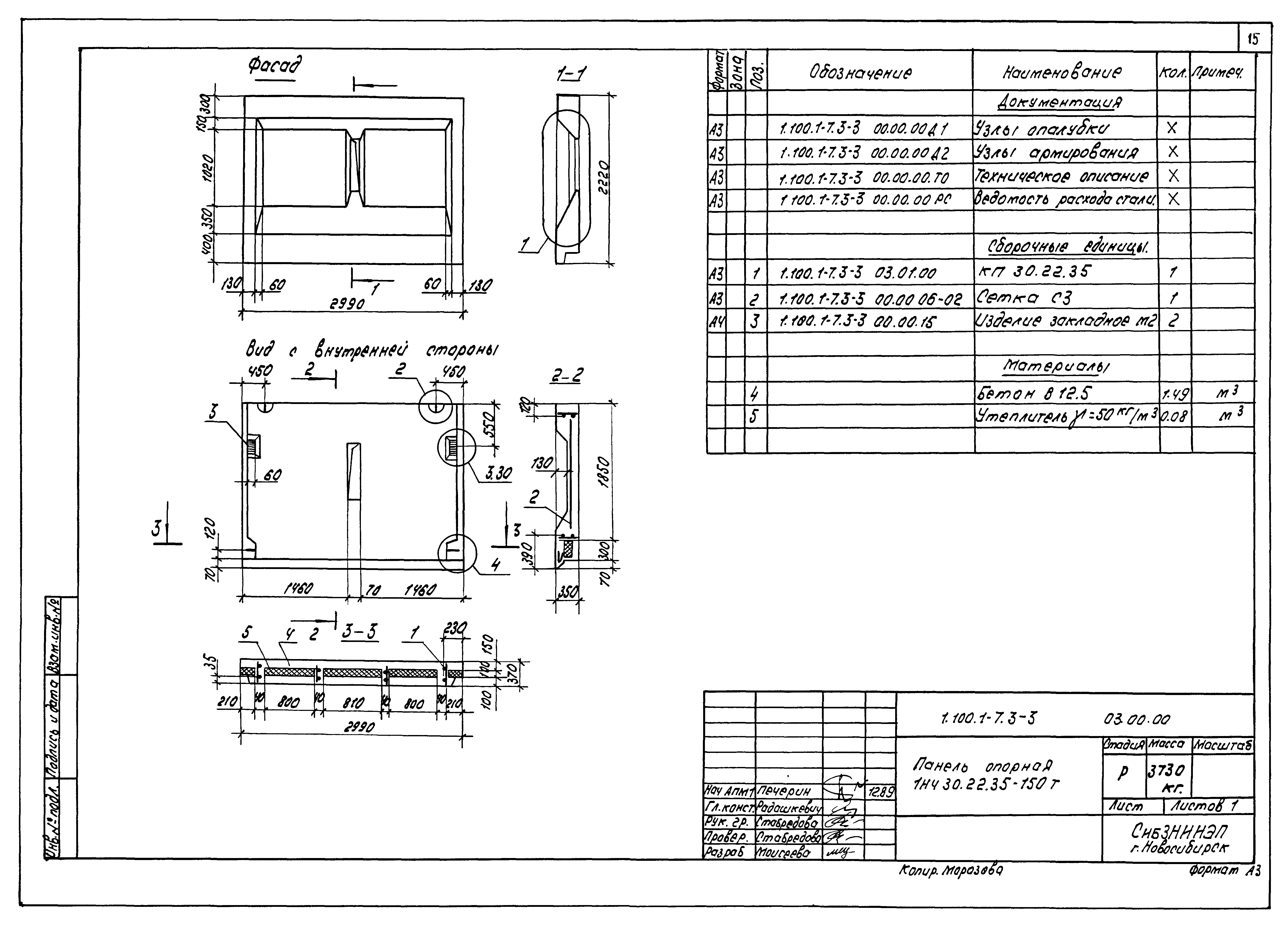
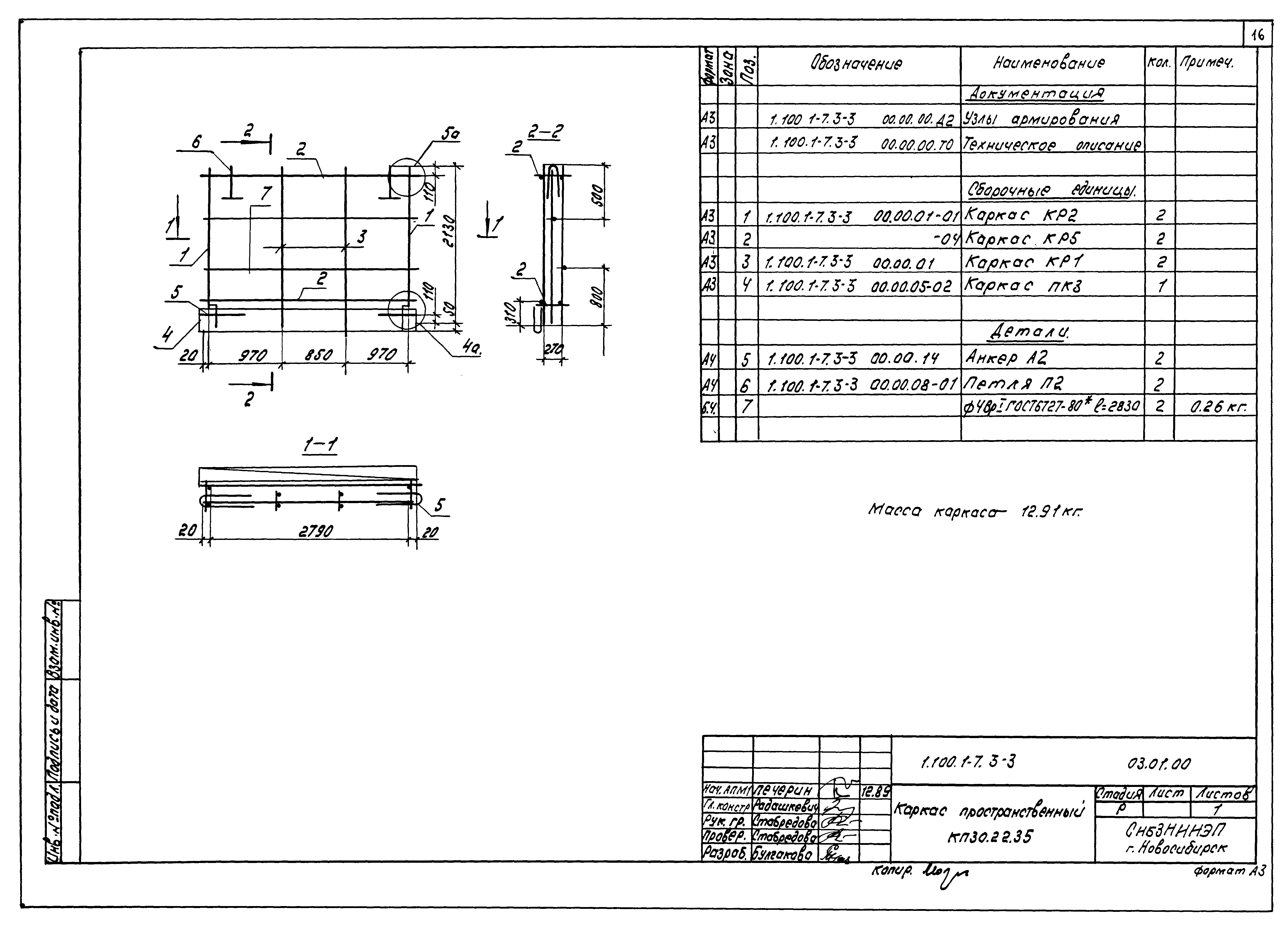
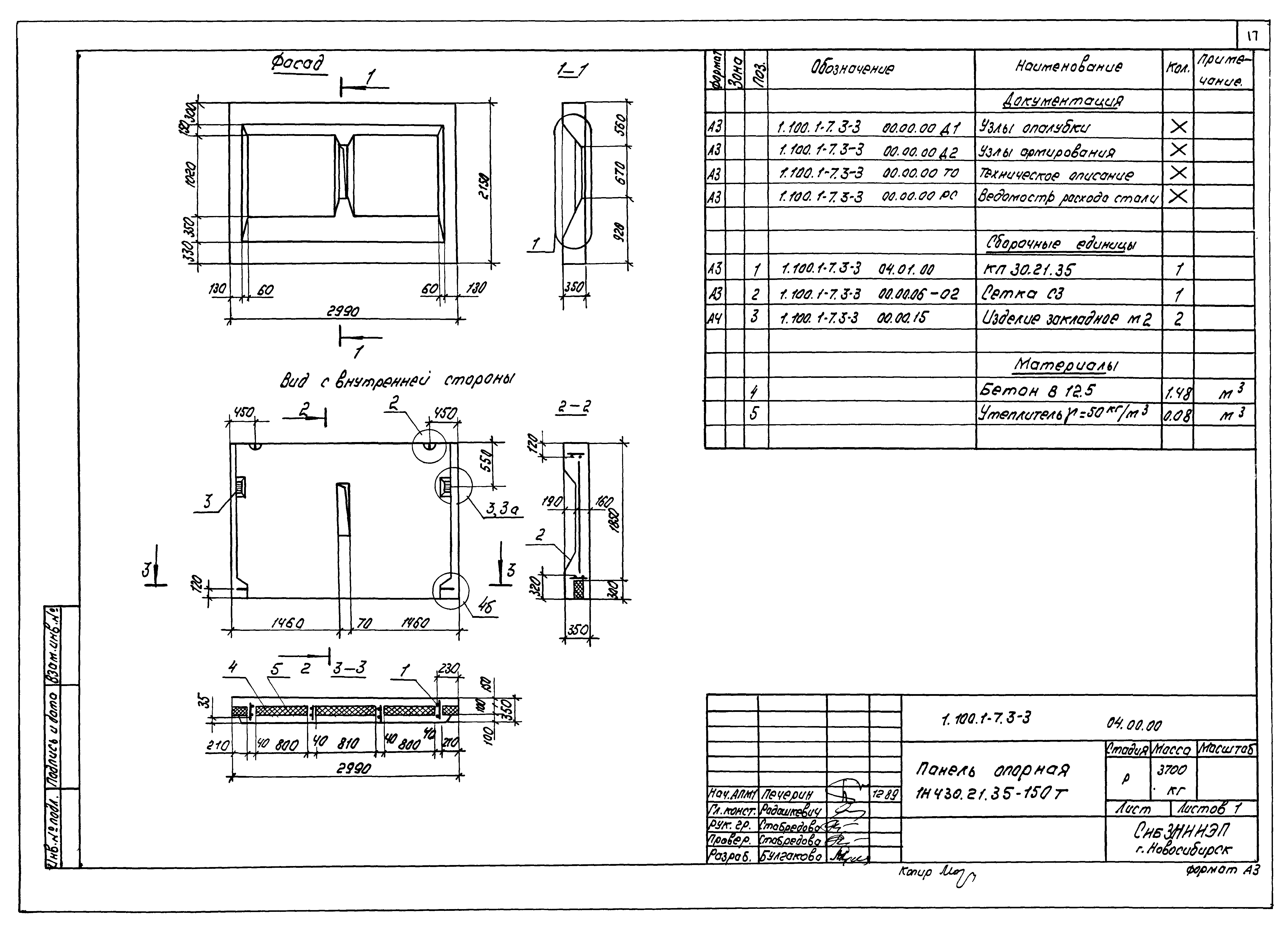
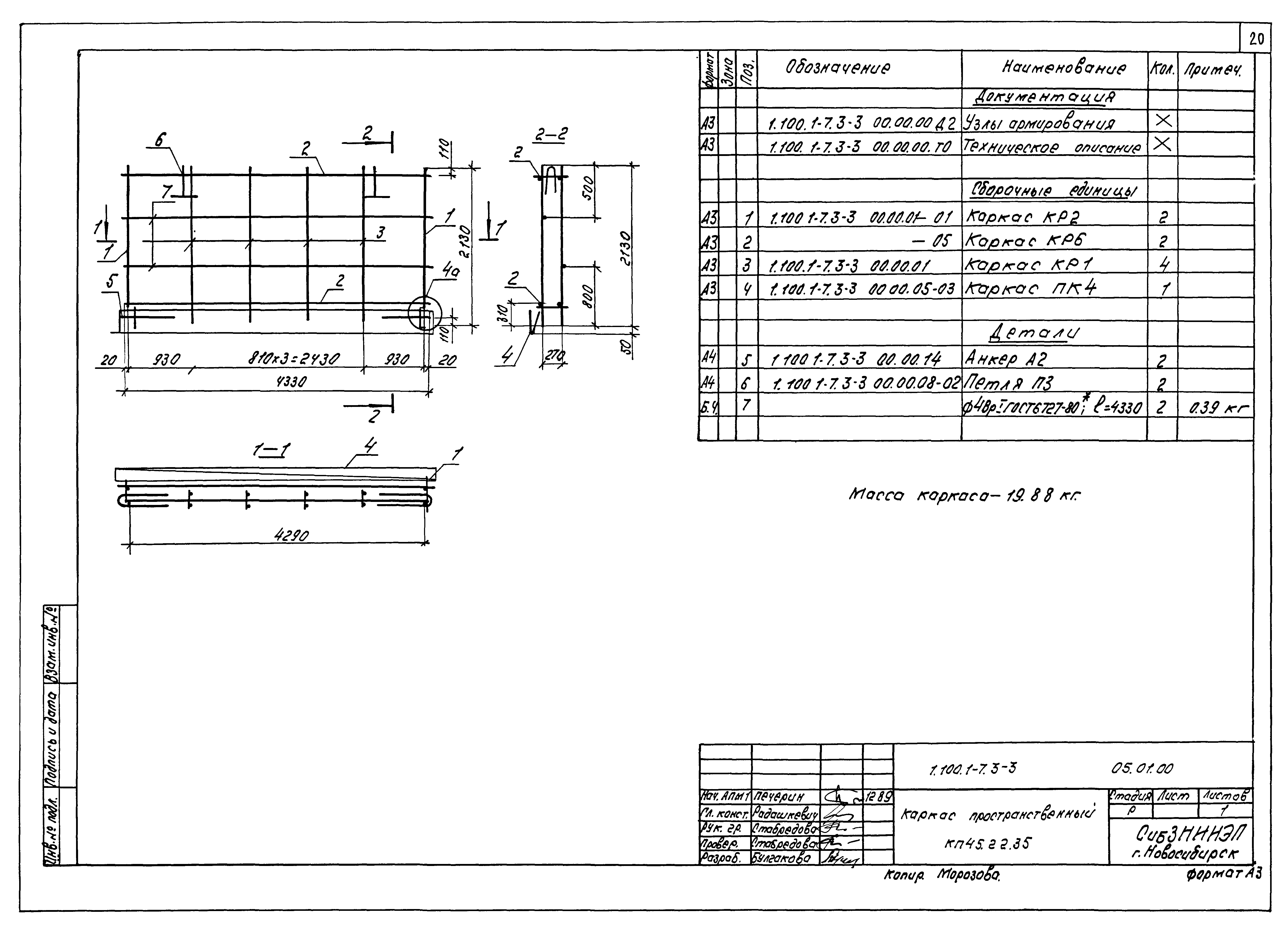
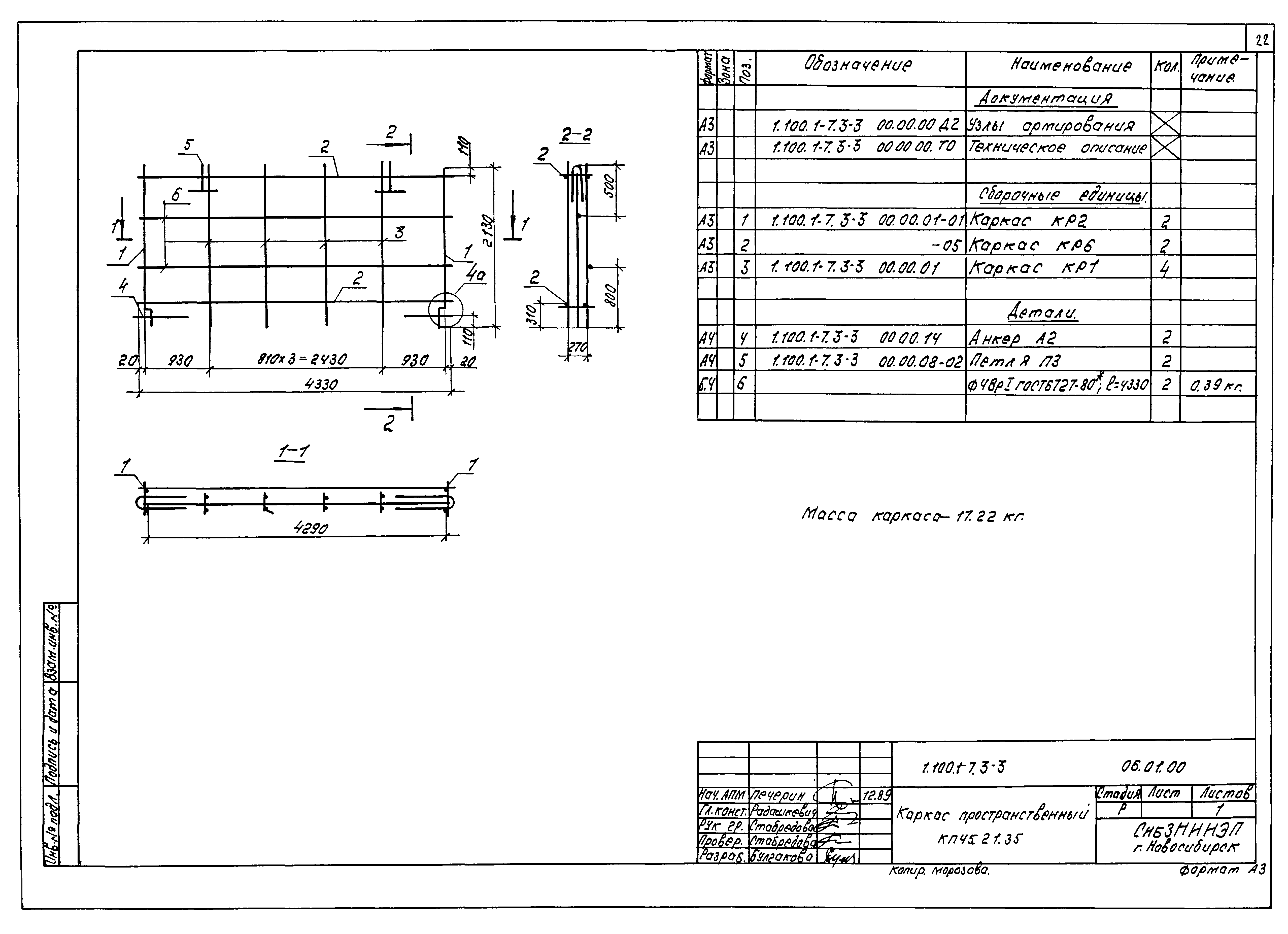
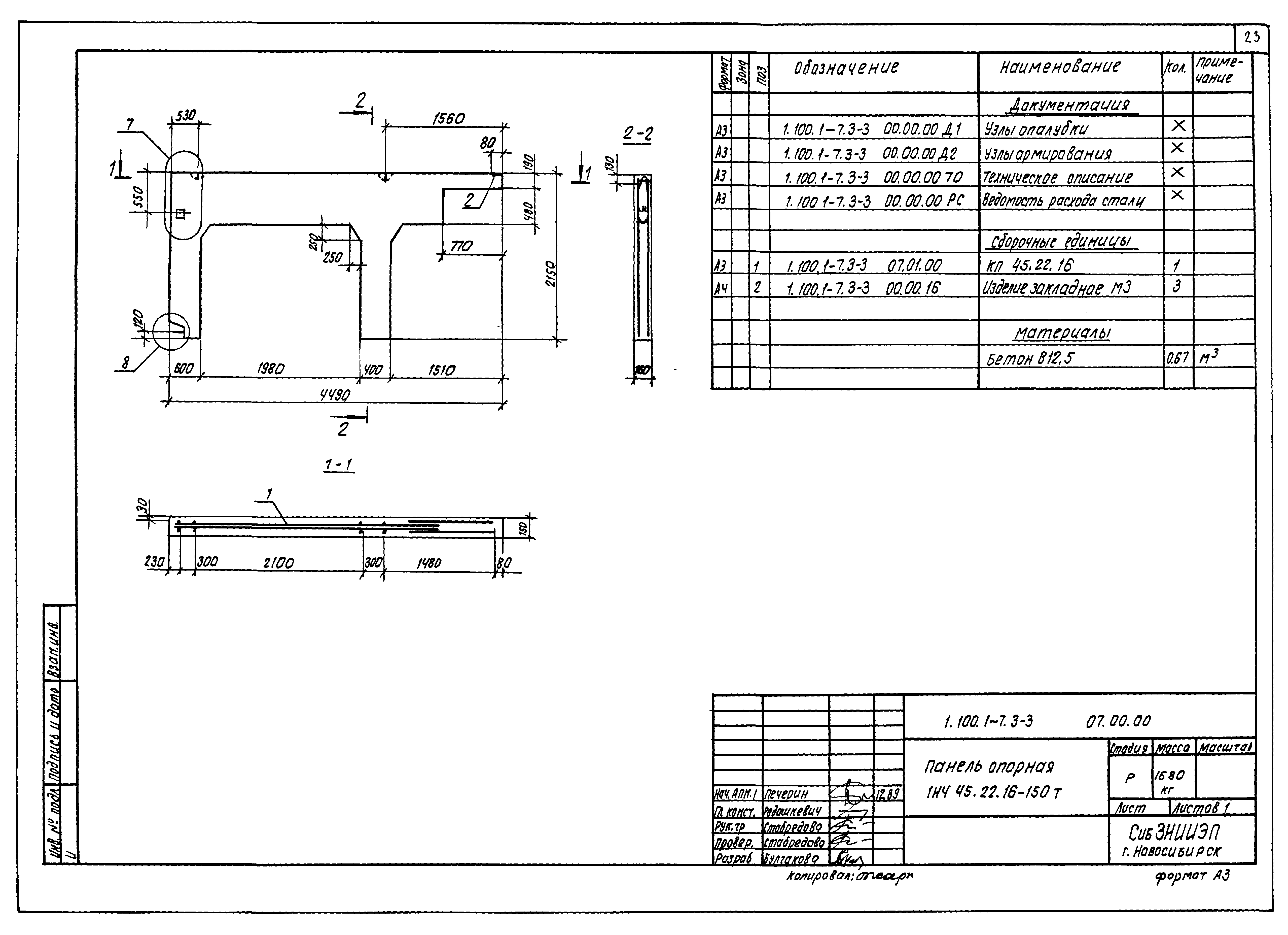
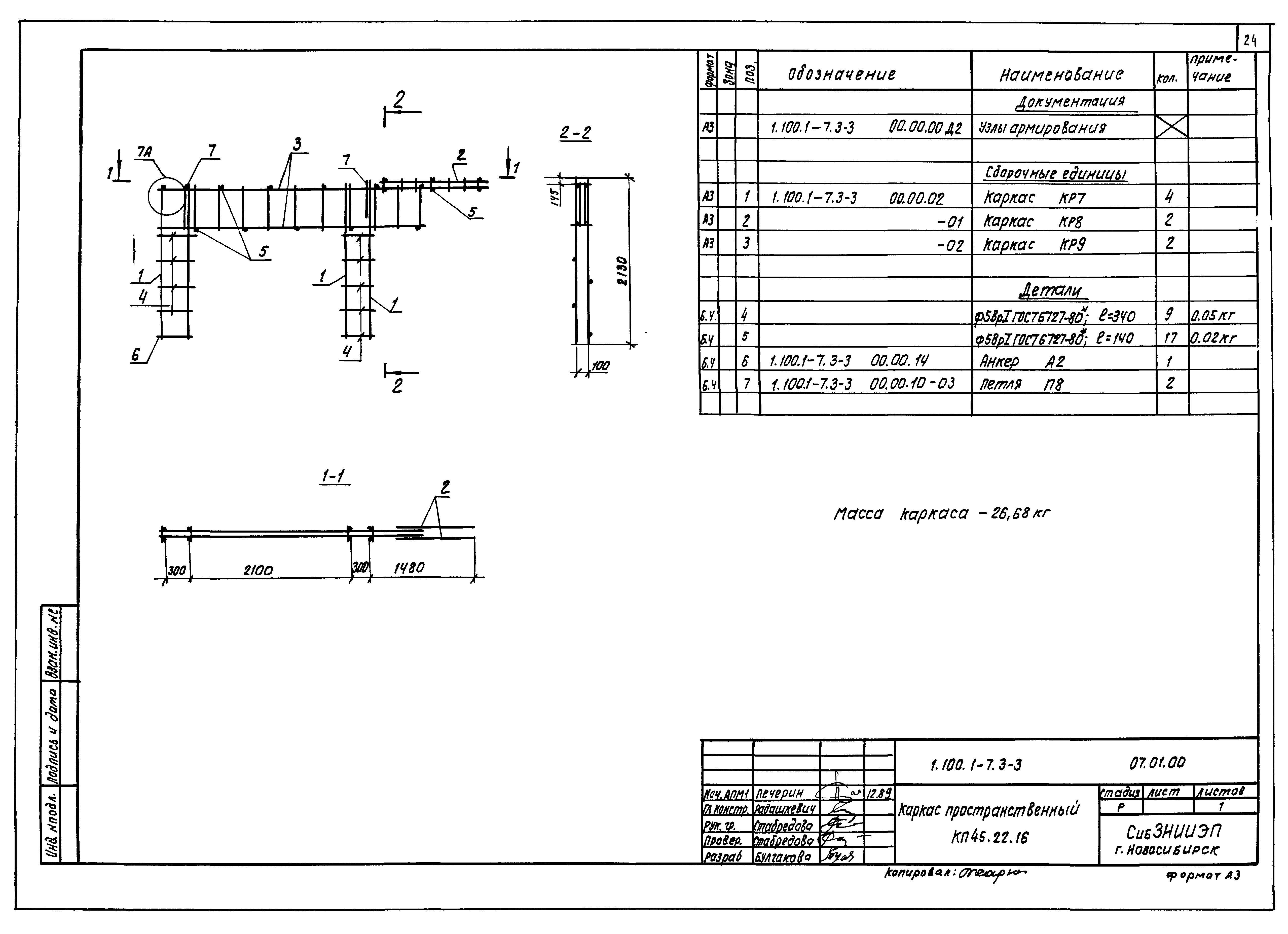
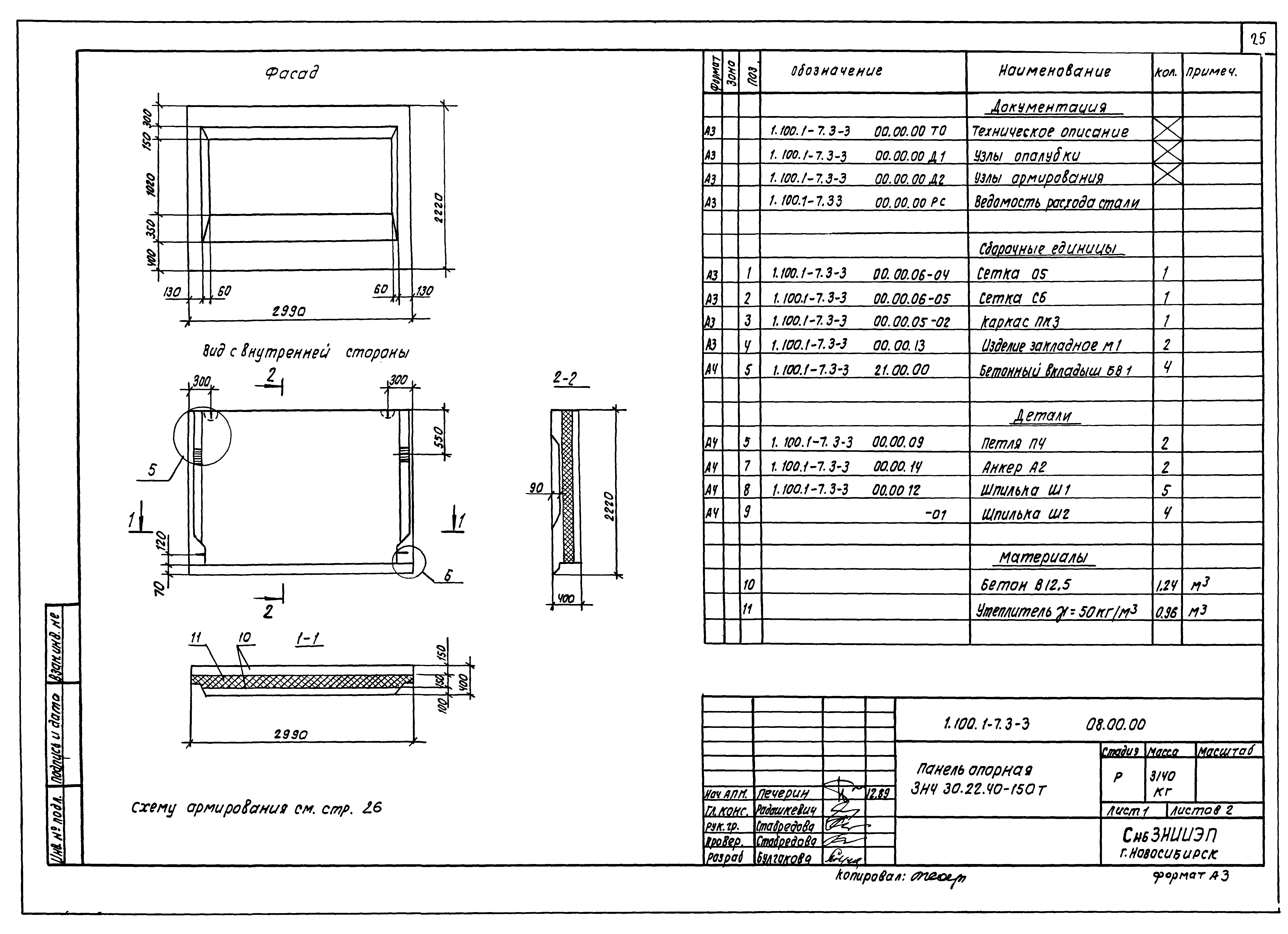
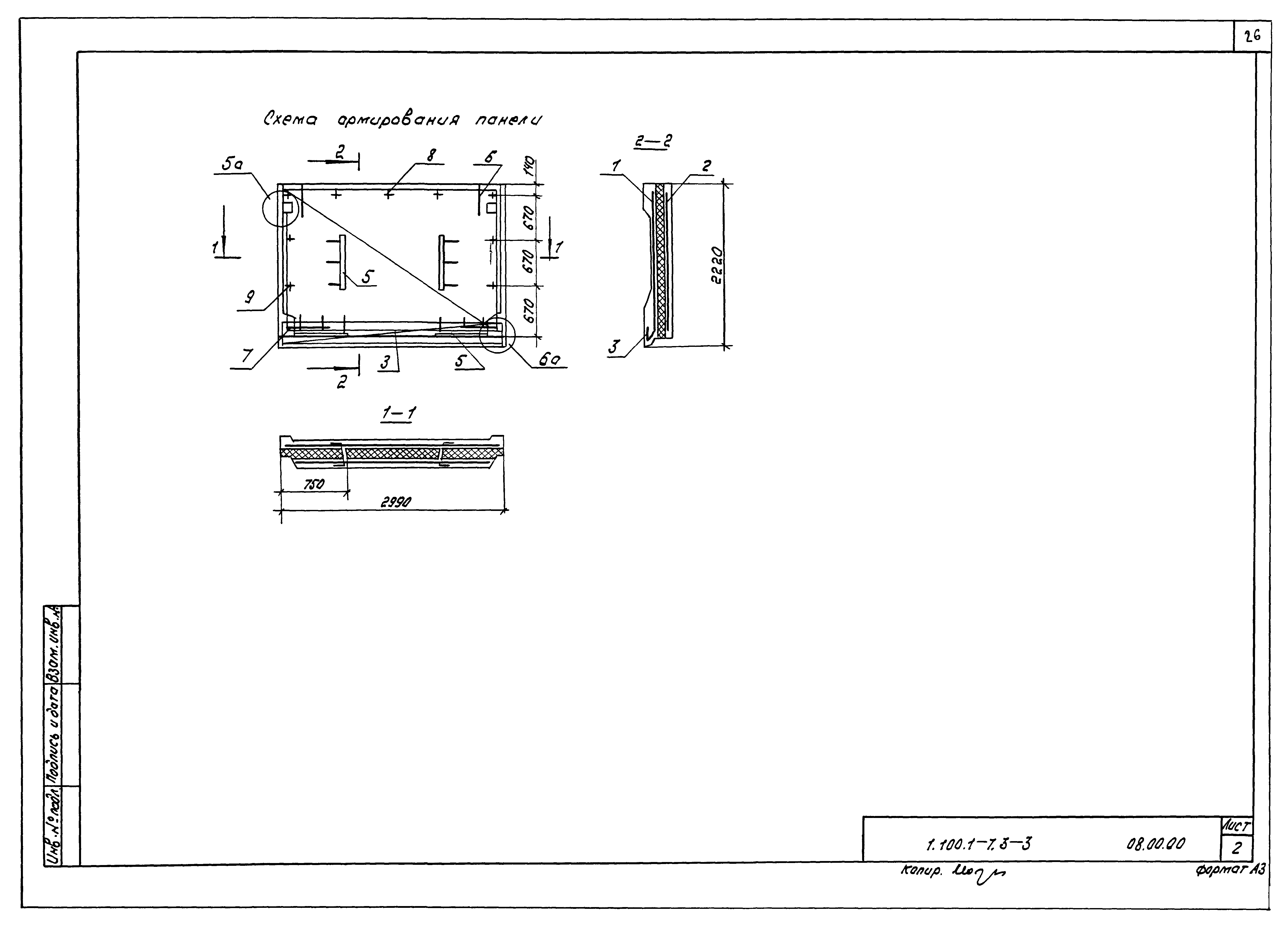
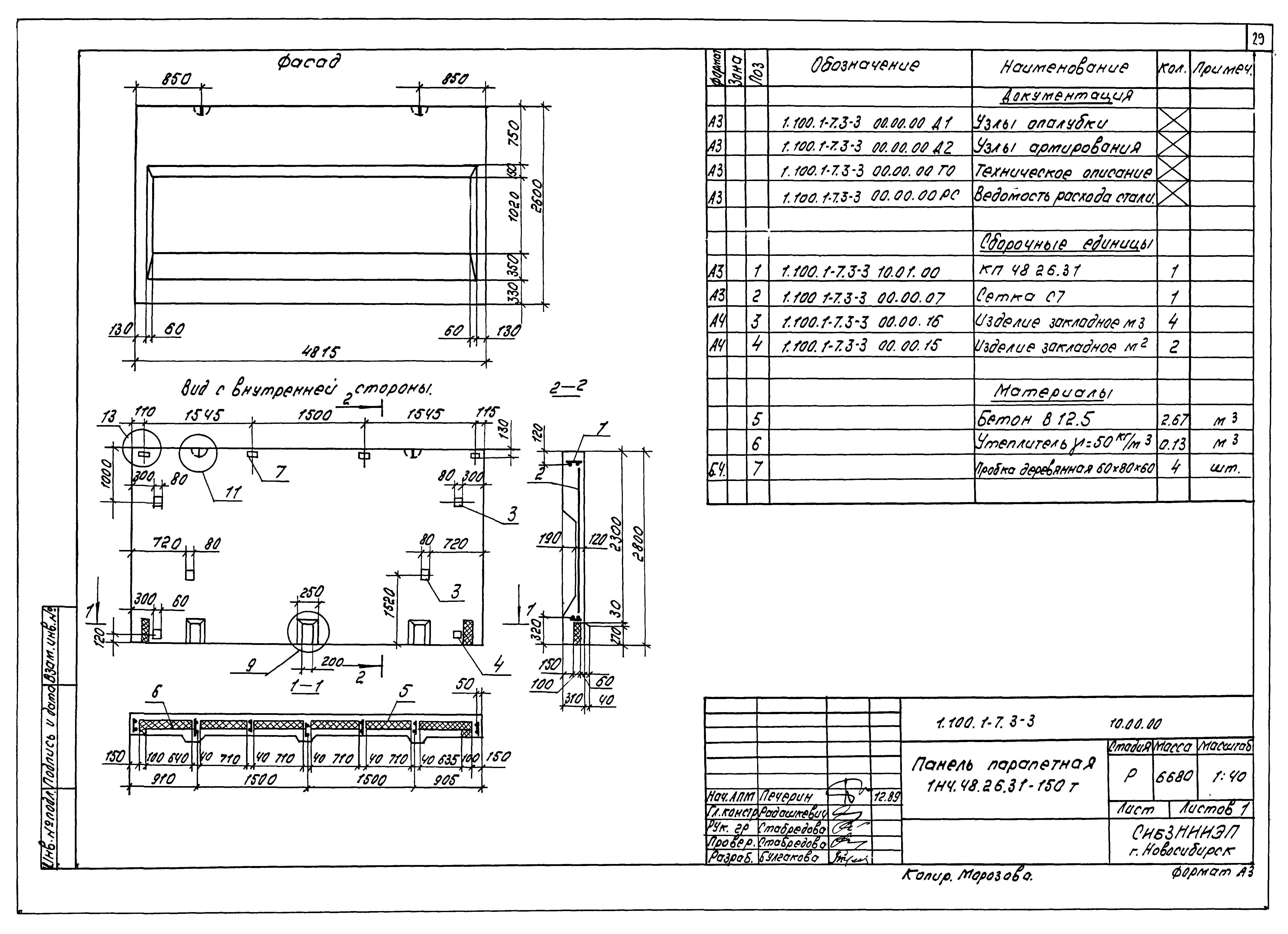
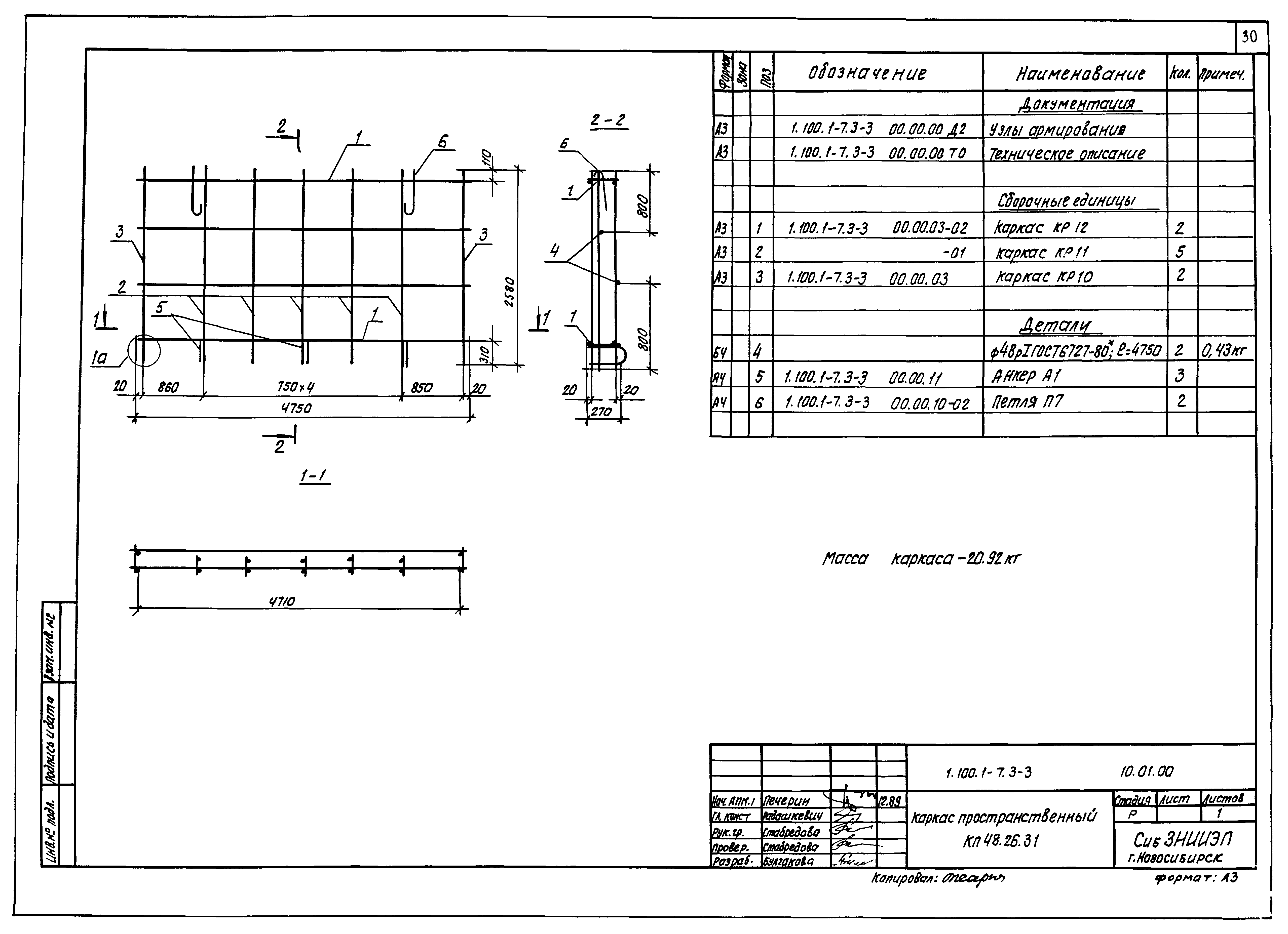
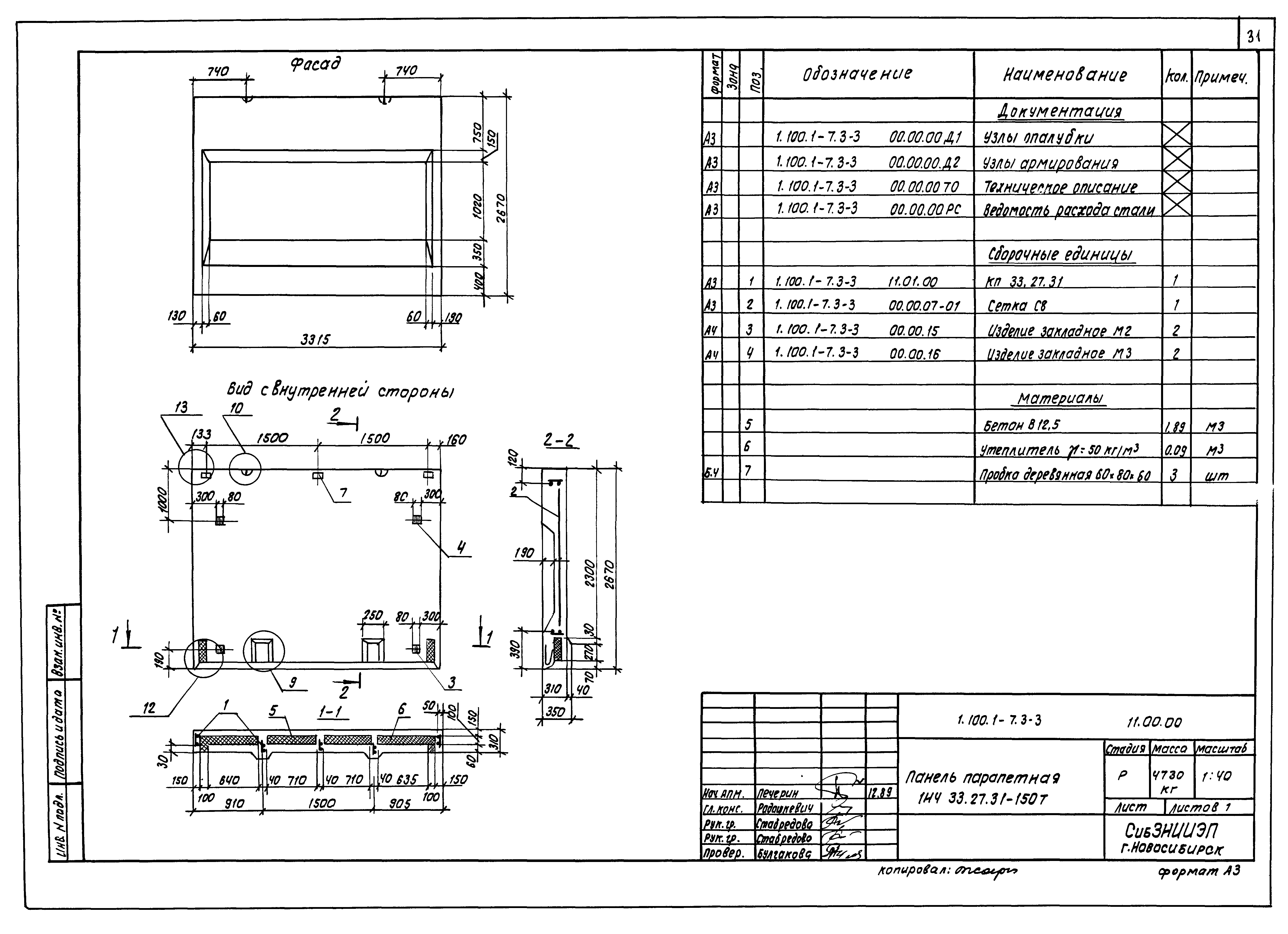
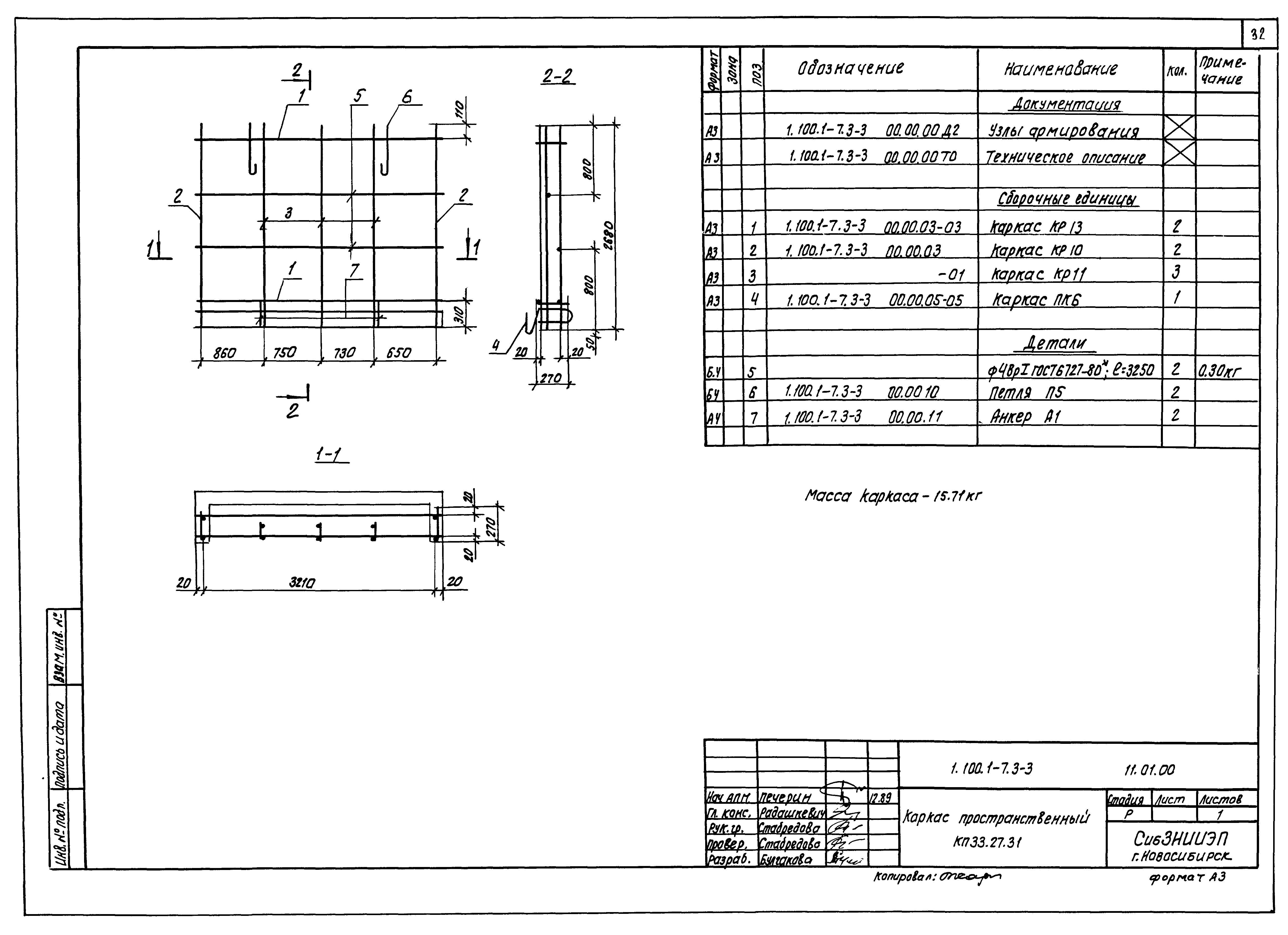
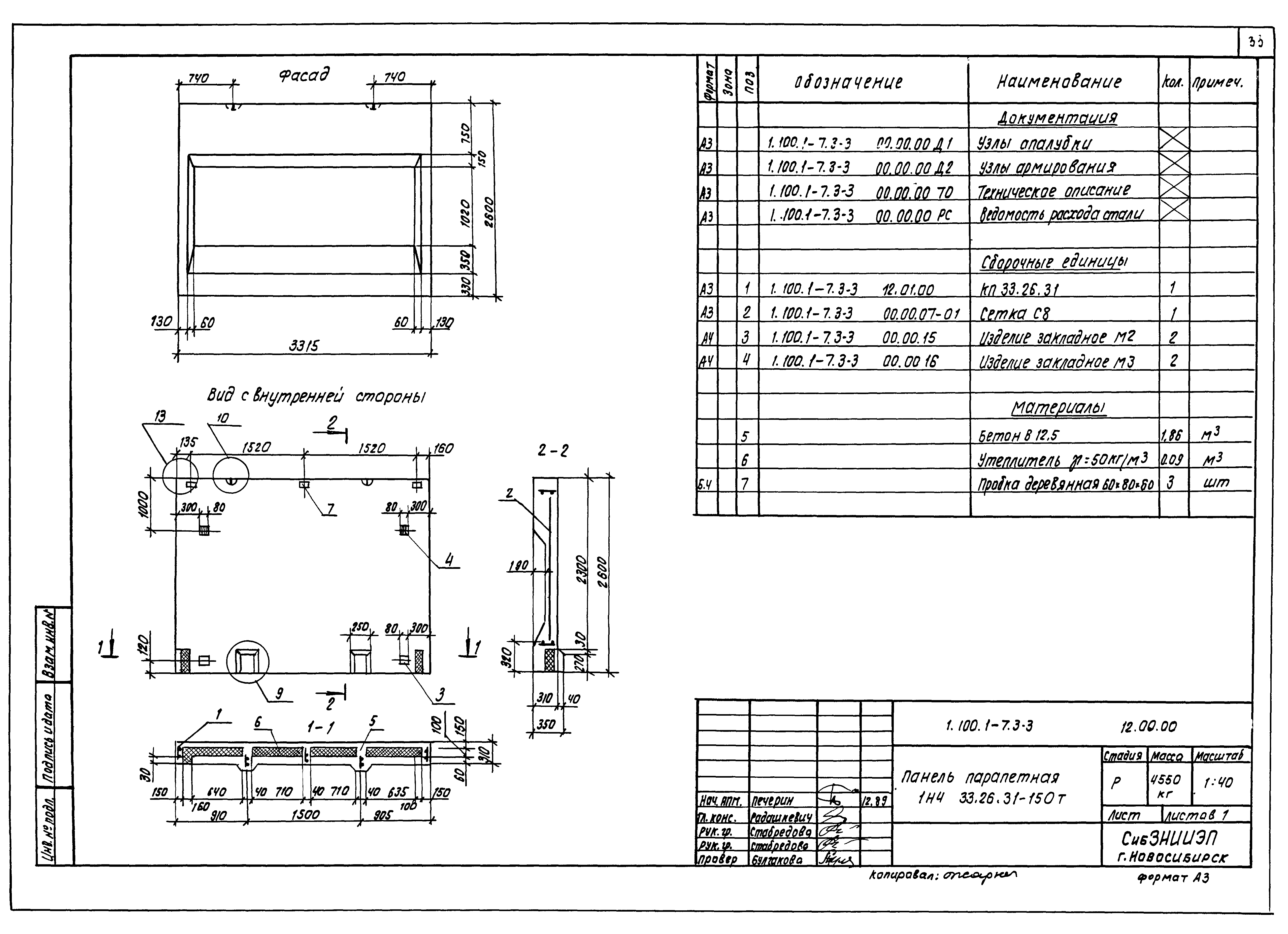
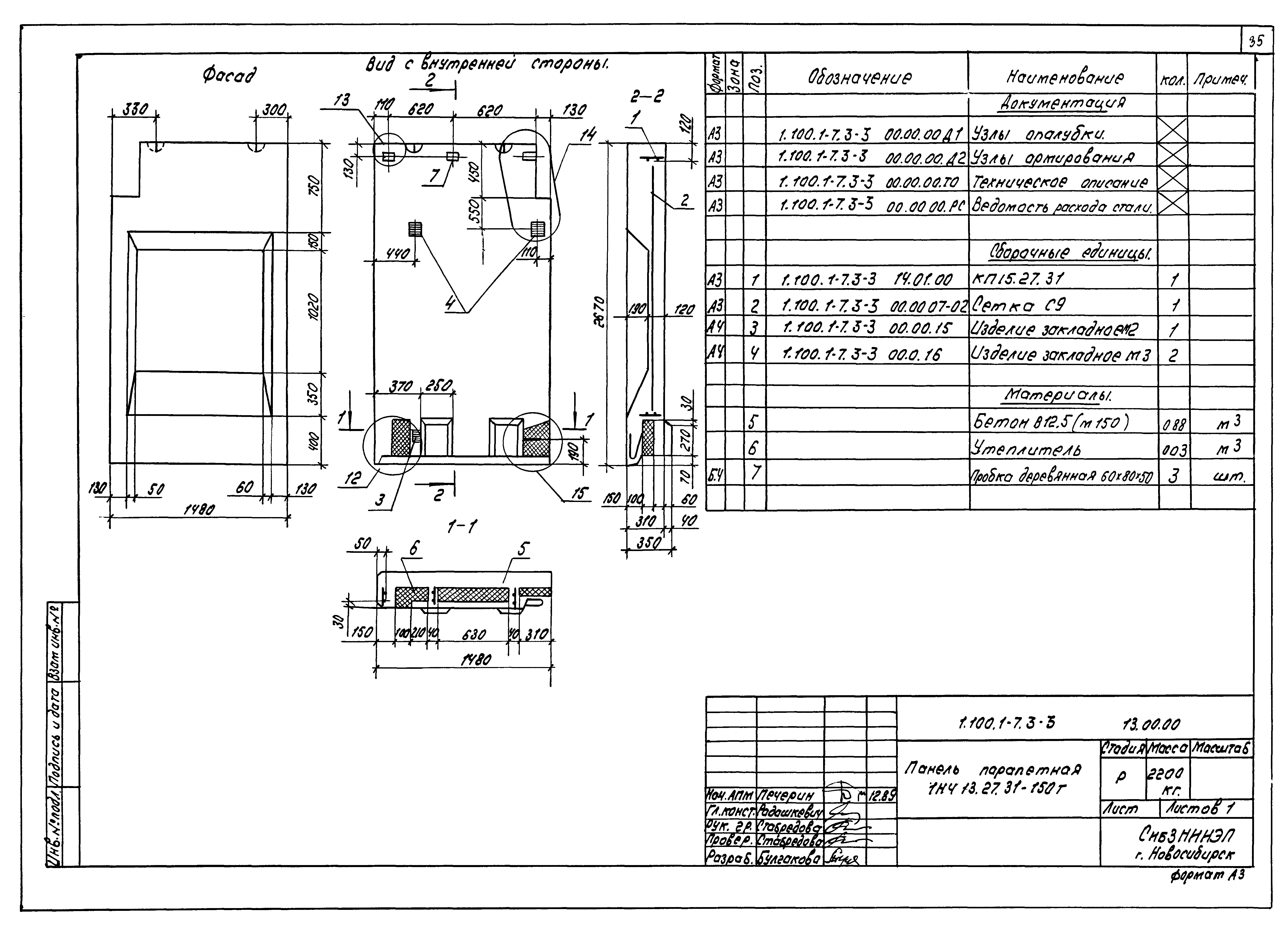
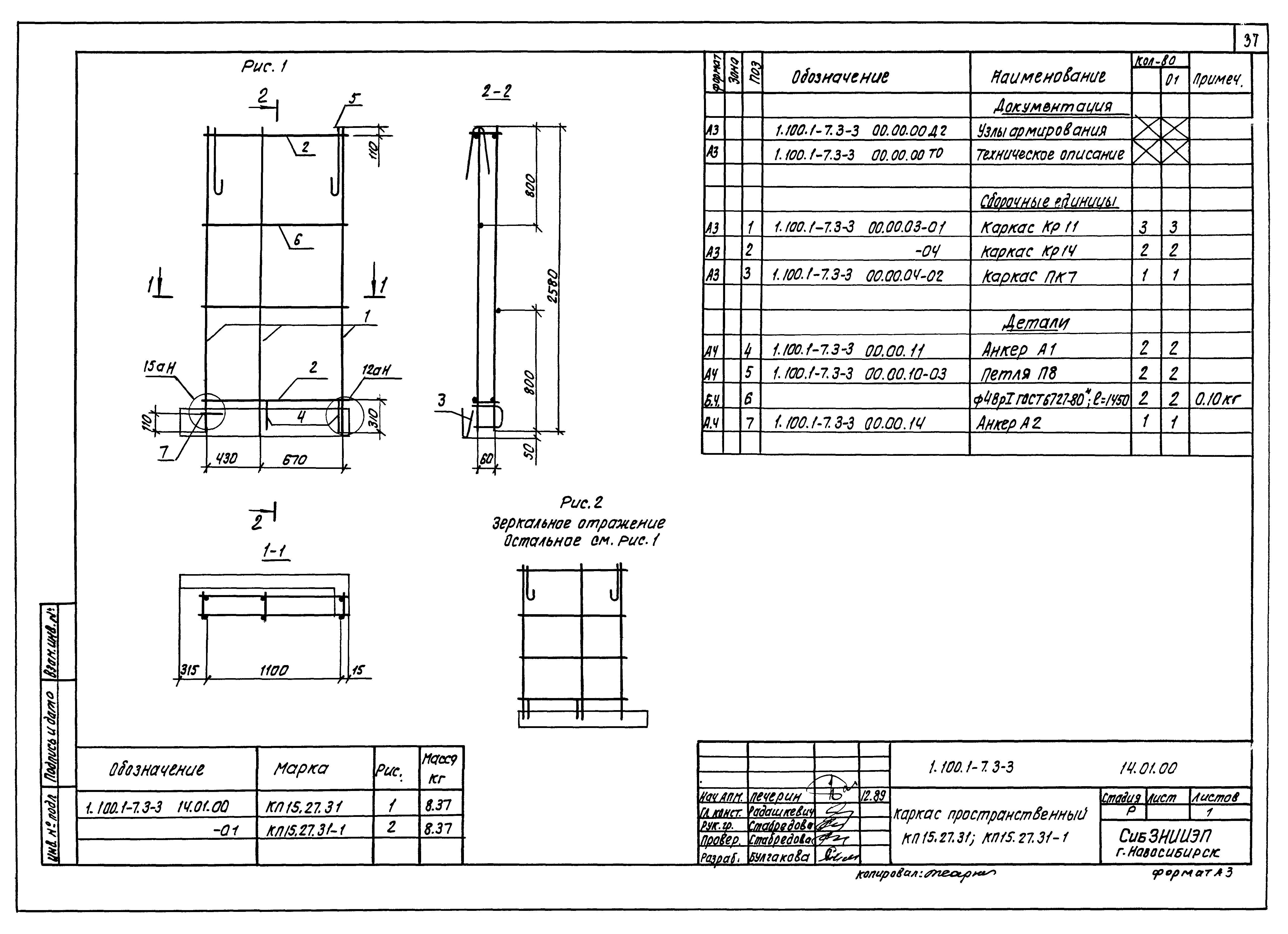
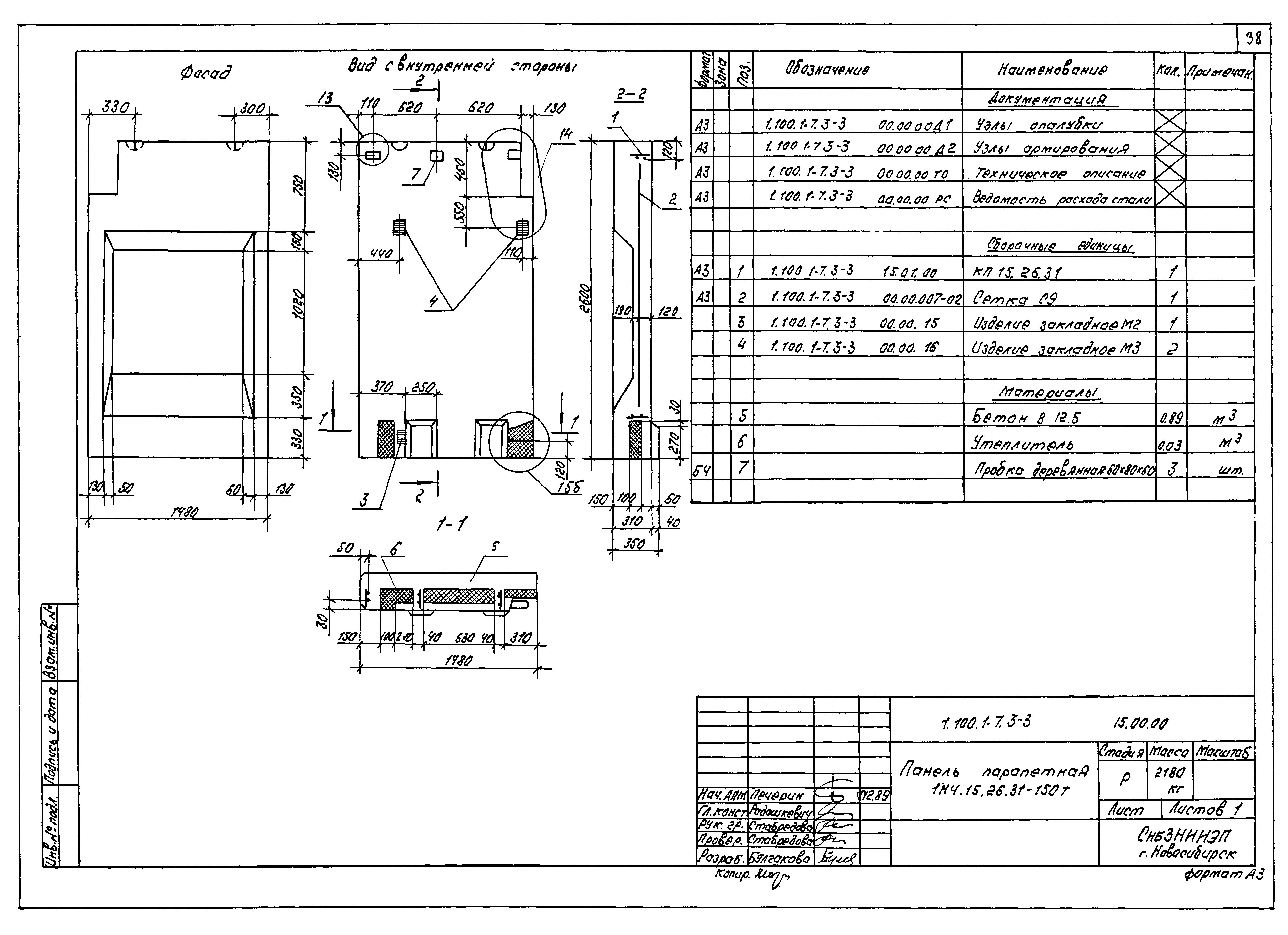
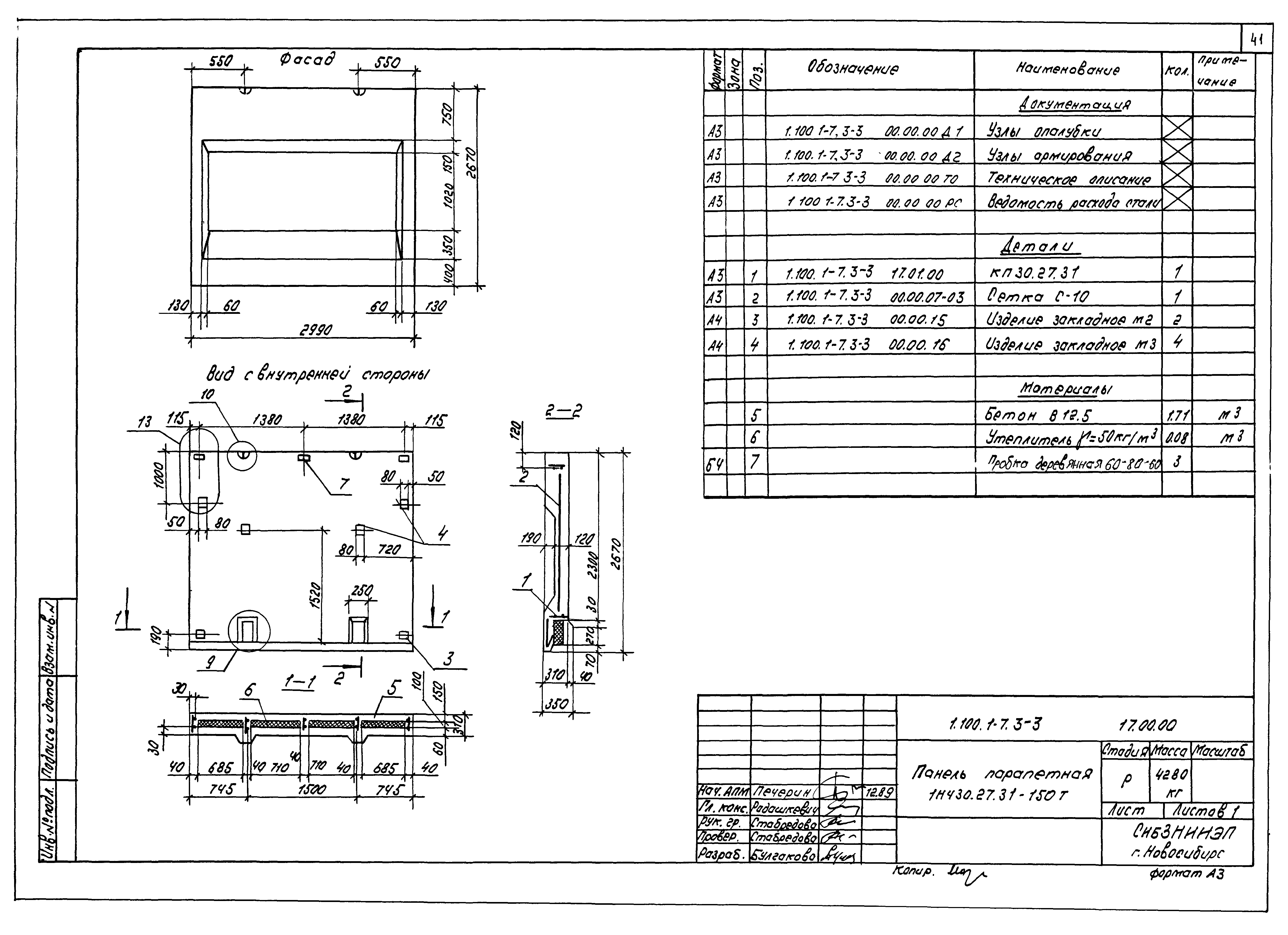
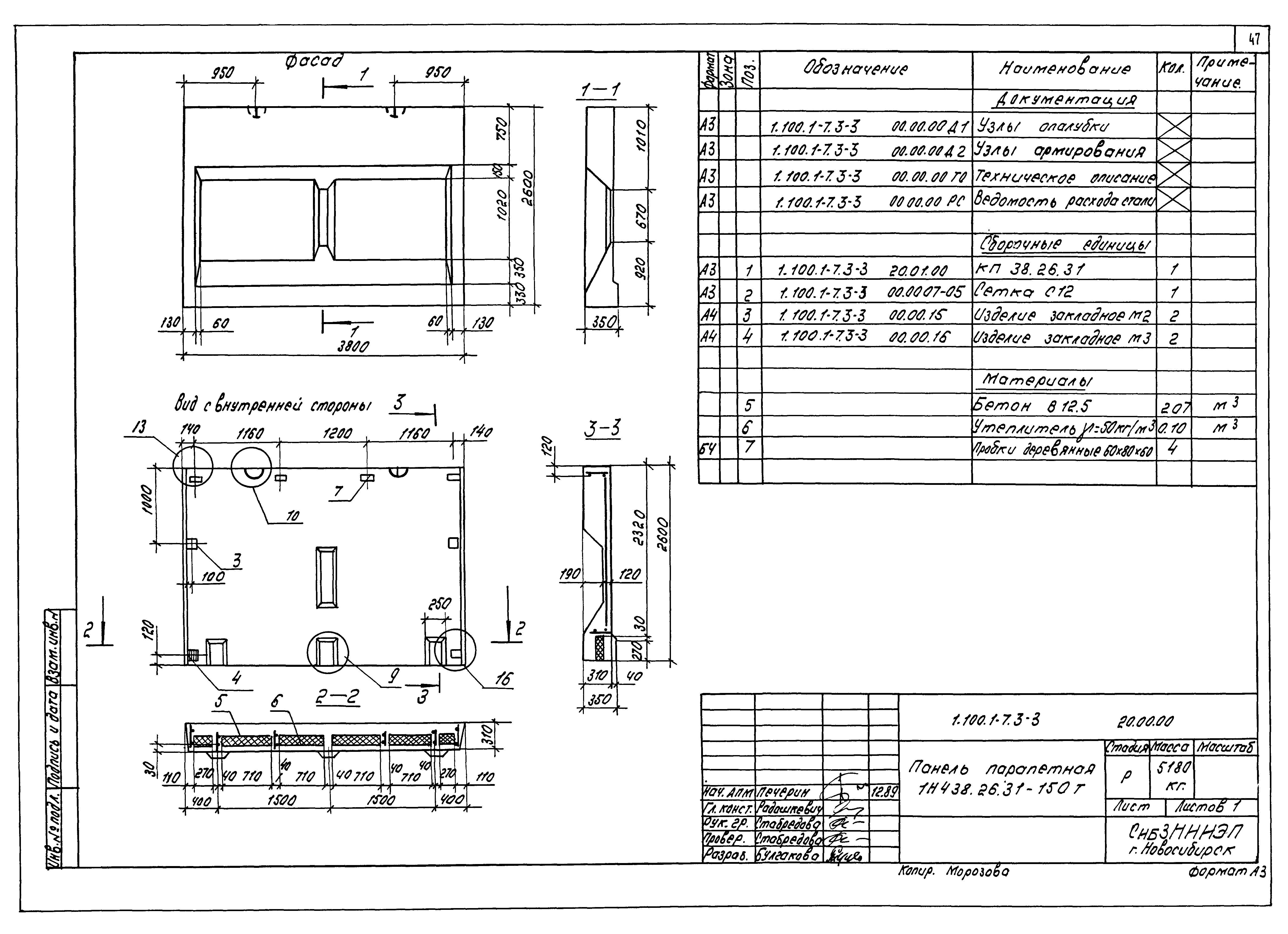
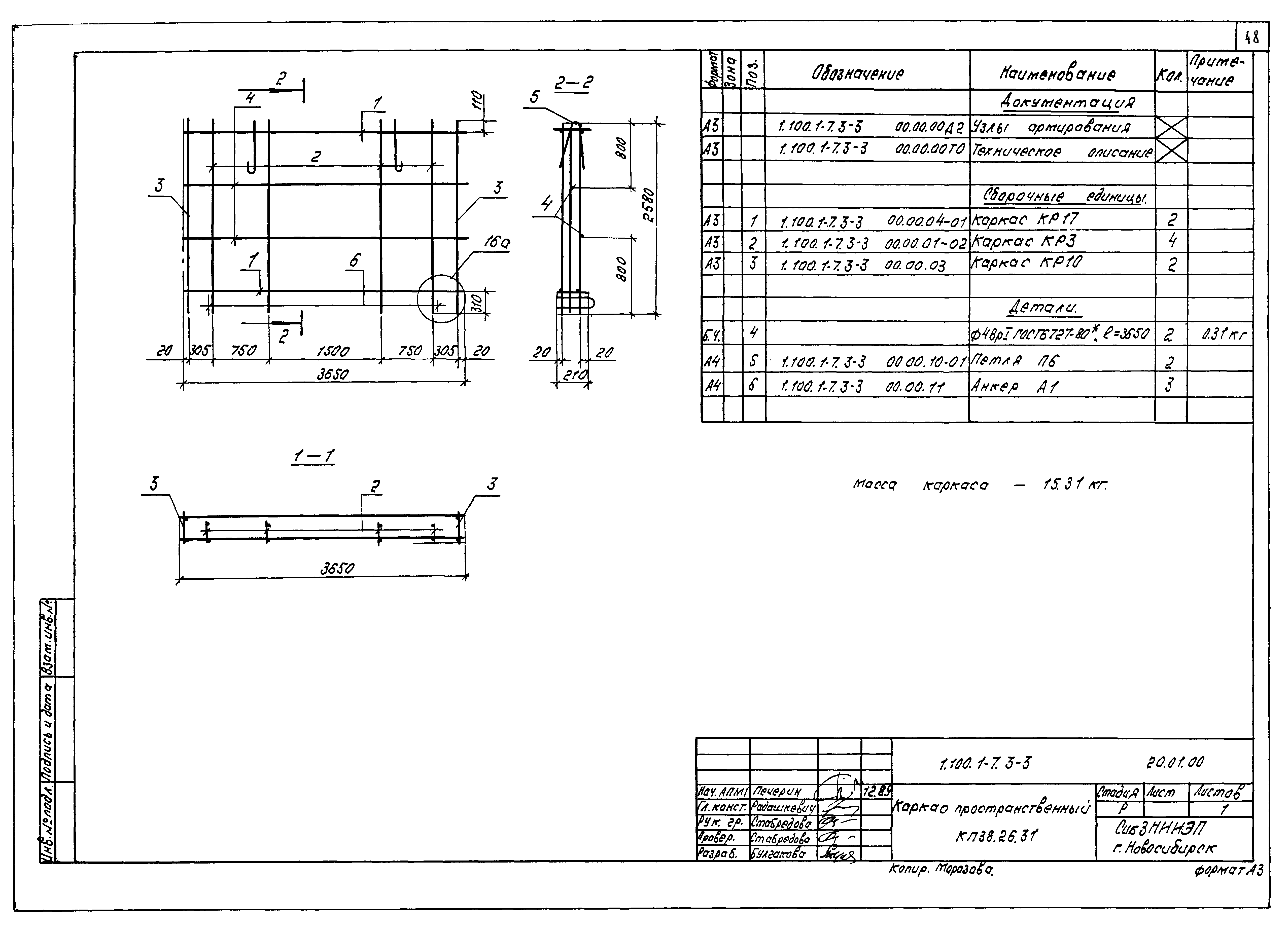
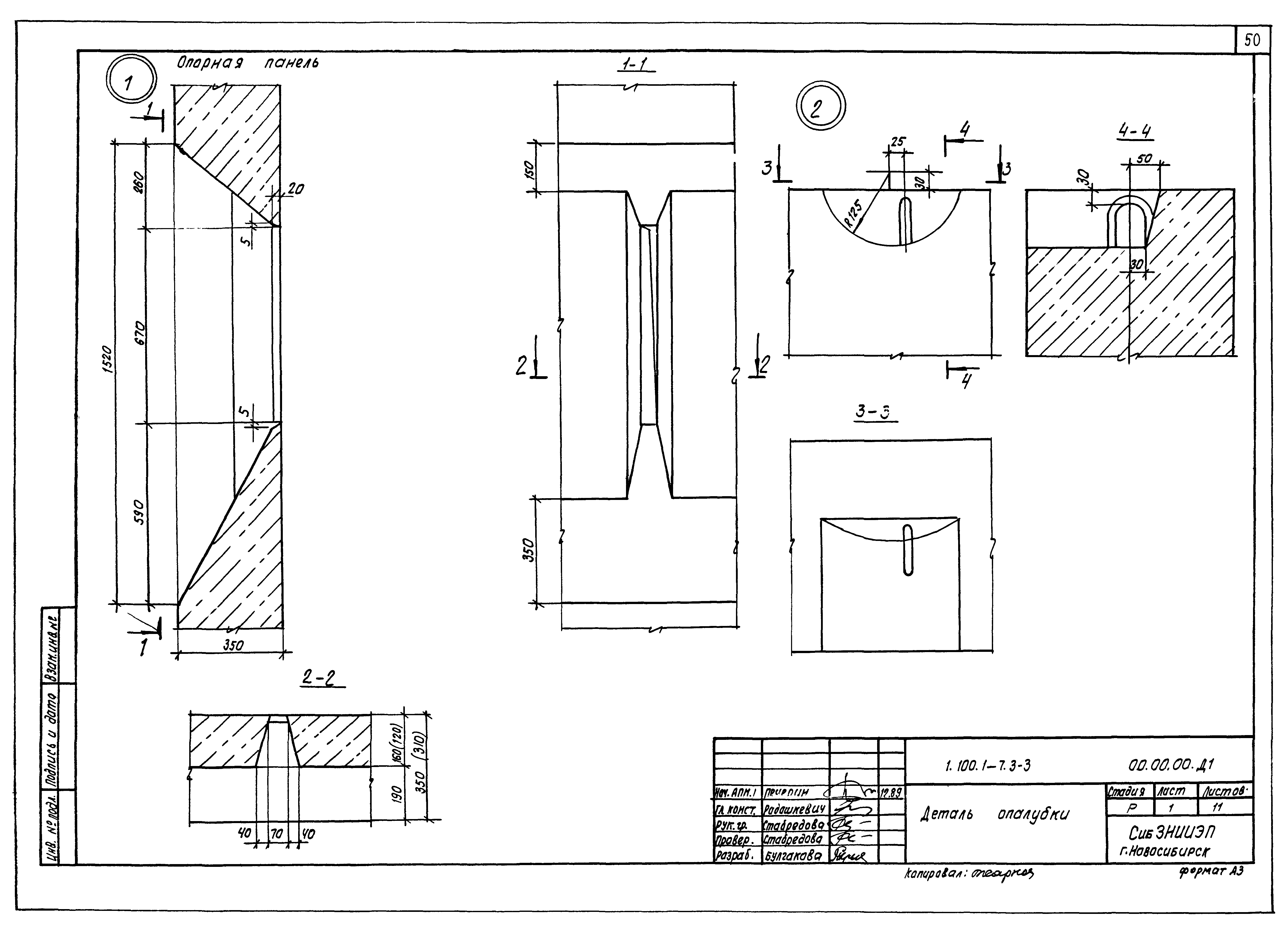
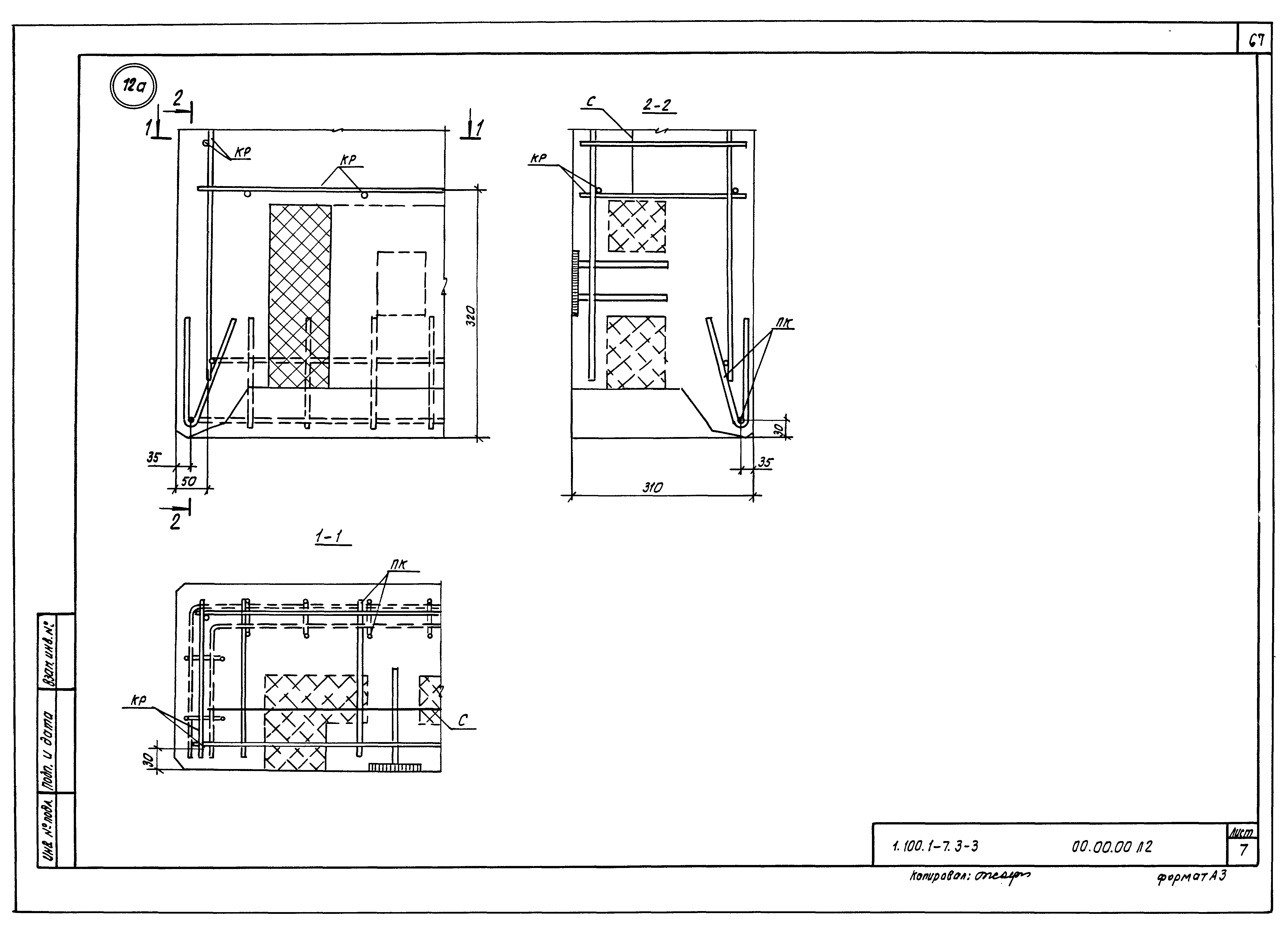
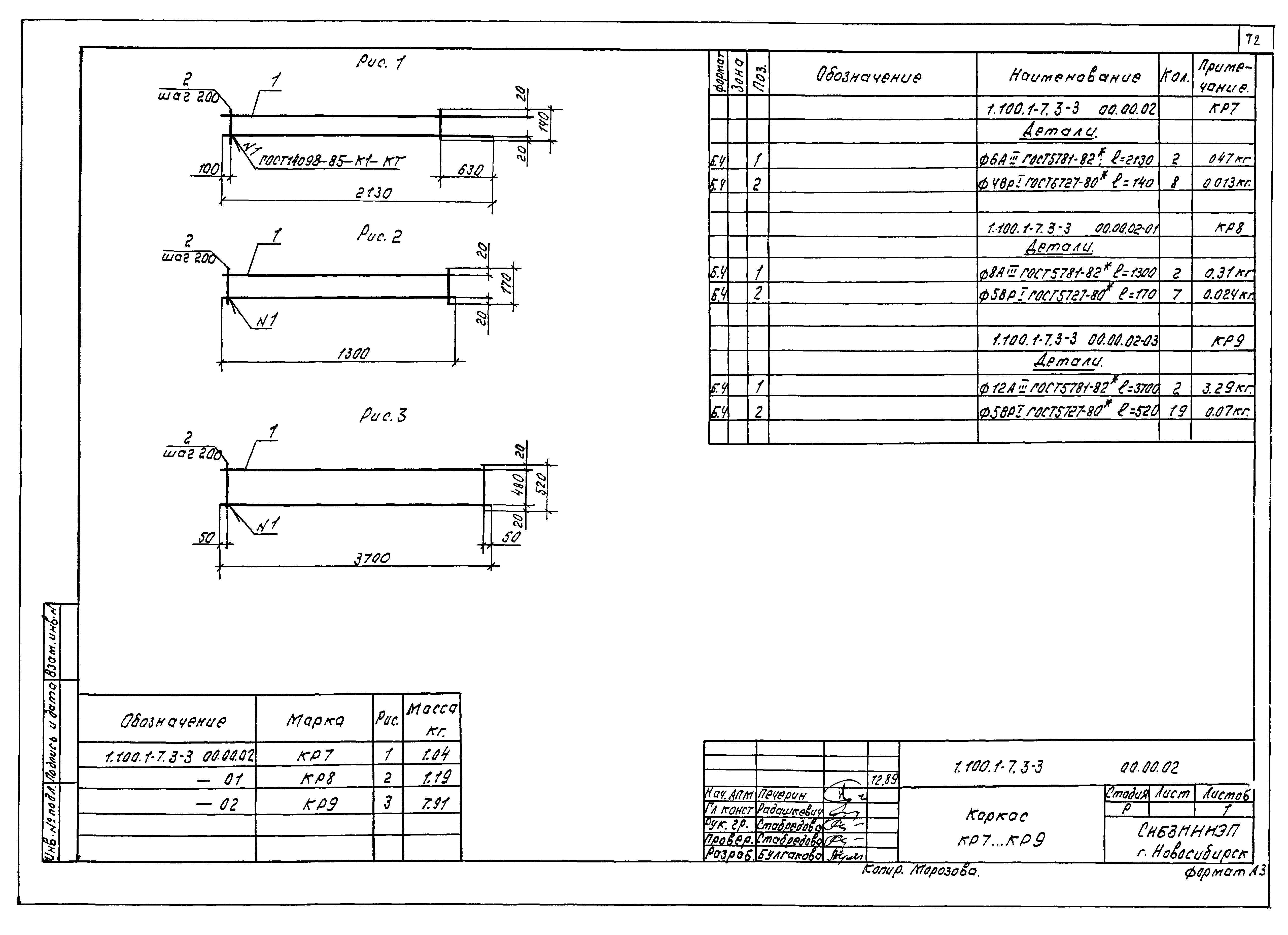
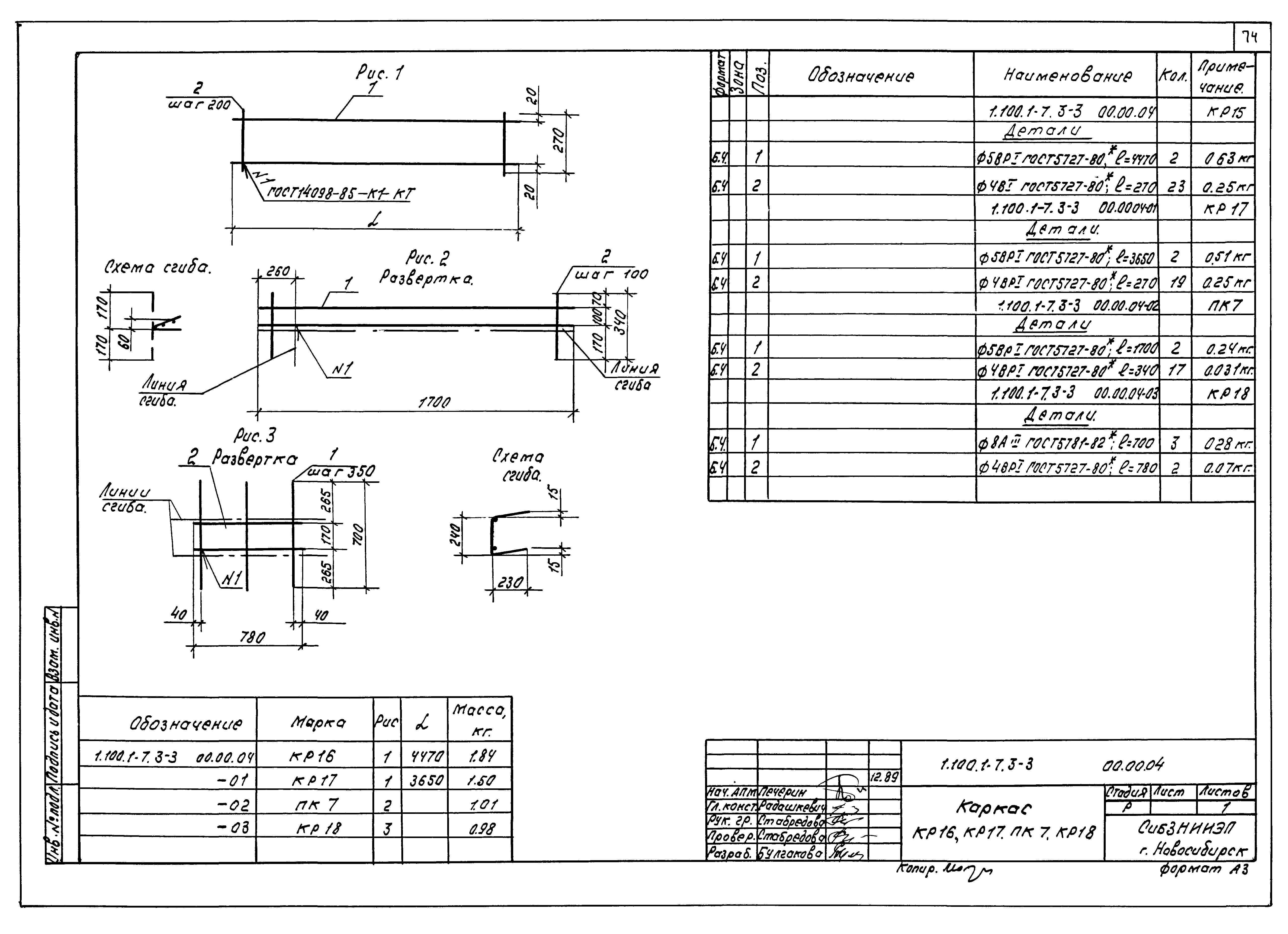
| Оглавление: | 1.100.1-7.3-3 00.00.00 Содержание 1.100.1-7.3-3 00.00.00ТО Техническое описание 1.100.1-7.3-3 00.00.00НИ Номенклатура изделий 1.100.1-7.3-3 01.00.00 Панель опорная 1Н412.22.35-150т 1.100.1-7.3-3 01.01.00 Каркас пространственный КП12.22.35 1.100.1-7.3-3 02.00.00 Панель опорная 1Н427.22.35-150т 1.100.1-7.3-3 02.01.00 Каркас пространственный КП27.22.35 1.100.1-7.3-3 03.00.00 Панель опорная 1Н430.22.35-150т 1.100.1-7.3-3 03.01.00 Каркас пространственный КП30.22.35 1.100.1-7.3-3 04.00.00 Панель опорная 1Н430.21.35-150т 1.100.1-7.3-3 04.01.00 Каркас пространственный КП30.21.35 1.100.1-7.3-3 05.00.00 Панель опорная 1Н445.22.35-150т 1.100.1-7.3-3 05.01.00 Каркас пространственный КП45.22.35 1.100.1-7.3-3 06.00.00 Панель опорная 1Н445.21.35-150т 1.100.1-7.3-3 06.01.00 Каркас пространственный КП45.21.35 1.100.1-7.3-3 07.00.00 Панель опорная 1Н445.22.16-150т 1.100.1-7.3-3 07.01.00 Каркас пространственный КП45.22.16 1.100.1-7.3-3 08.00.00 Панель опорная 3Н430.22.40-150т 1.100.1-7.3-3 09.00.00 Панель опорная 1Н448.27.31-150т 1.100.1-7.3-3 09.01.00 Каркас пространственный КП48.27.31 1.100.1-7.3-3 10.00.00 Панель парапетная 1Н448.26.31-150т 1.100.1-7.3-3 10.01.00 Каркас пространственный КП48.26.31 1.100.1-7.3-3 11.00.00 Панель парапетная 1Н433.27.31-150т 1.100.1-7.3-3 11.01.00 Каркас пространственный КП33.27.31 1.100.1-7.3-3 12.00.00 Панель парапетная 1Н433.26.31-150т 1.100.1-7.3-3 12.01.00 Каркас пространственный КП33.26.31 1.100.1-7.3-3 13.00.00 Панель парапетная 1Н415.27.31-150т 1.100.1-7.3-3 14.00.00 Панель парапетная 1Н415.27.31-150т-1 1.100.1-7.3-3 14.01.00 Каркас пространственный КП15.27.31,КП15.27.31-1 1.100.1-7.3-3 15.00.00 Панель парапетная 1Н415.26.31-150т 1.100.1-7.3-3 16.00.00 Панель парапетная 1Н415.26.31-150т-1 1.100.1-7.3-3 16.01.00 Каркас пространственный КП15.26.31,КП15.26.31-1 1.100.1-7.3-3 17.00.00 Панель парапетная 1Н430.27.31-150т 1.100.1-7.3-3 17.01.00 Каркас пространственный КП30.27.31 1.100.1-7.3-3 18.00.00 Панель парапетная 1Н430.26.31-150т 1.100.1-7.3-3 18.01.00 Каркас пространственный КП30.26.31 1.100.1-7.3-3 19.00.00 Панель парапетная 1Н445.26.31-150т 1.100.1-7.3-3 19.01.00 Каркас пространственный КП45.26.31 1.100.1-7.3-3 20.00.00 Панель парапетная 1Н438.26.31-150т 1.100.1-7.3-3 20.01.00 Каркас пространственный КП38.26.31 1.100.1-7.3-3 21.00.00 Бетонный вкладыш БВ1 1.100.1-7.3-3 00.00.00Д1 Детали опалубки 1.100.1-7.3-3 00.00.00Д2 Детали армирования 1.100.1-7.3-3 00.00.01 Каркас КР1-КР6 1.100.1-7.3-3 00.00.02 Каркас КР7-КР9 1.100.1-7.3-3 00.00.03 Каркас КР10-КР15 1.100.1-7.3-3 00.00.04 Каркас КР16,КР17,ПК7,КР18 1.100.1-7.3-3 00.00.05 Каркас ПК1-ПК6 1.100.1-7.3-3 00.00.06 Сетка С1-С6 1.100.1-7.3-3 00.00.07 Сетка С7-С12 1.100.1-7.3-3 00.00.08 Петля П1-П3 1.100.1-7.3-3 00.00.09 Петля П4 1.100.1-7.3-3 00.00.10 Петля П5-П7 1.100.1-7.3-3 00.00.11 Анкер А1 1.100.1-7.3-3 00.00.12 Шпилька Ш1,Ш2 1.100.1-7.3-3 00.00.13 Изделие закладное М1 1.100.1-7.3-3 00.00.14 Анкер А2 1.100.1-7.3-3 00.00.15 Изделие закладное М2 1.100.1-7.3-3 00.00.16 Изделие закладное М3 1.100.1-7.3-3 00.00.00РС Ведомость расхода стали |
| Разработан: | СибЗНИИЭП Госгражданстроя |
| Утверждён: | 23.03.1990 Госкомархитектура (46) |


















































































