Скачать Серия 1.100.1-7 Выпуск 8-1. Изделия сборные железобетонные и бетонные для покрытий и помещений холодного чердака. Рабочие чертежиДата актуализации: 01.01.2021
|
| Обозначение: | Серия 1.100.1-7 |
| Обозначение англ: | Series 1.100.1-7 |
| Статус: | действует |
| Название рус.: | Выпуск 8-1. Изделия сборные железобетонные и бетонные для покрытий и помещений холодного чердака. Рабочие чертежи |
| Дата добавления в базу: | 01.09.2013 |
| Дата актуализации: | 01.01.2021 |
| Дата введения: | 30.04.1990 |
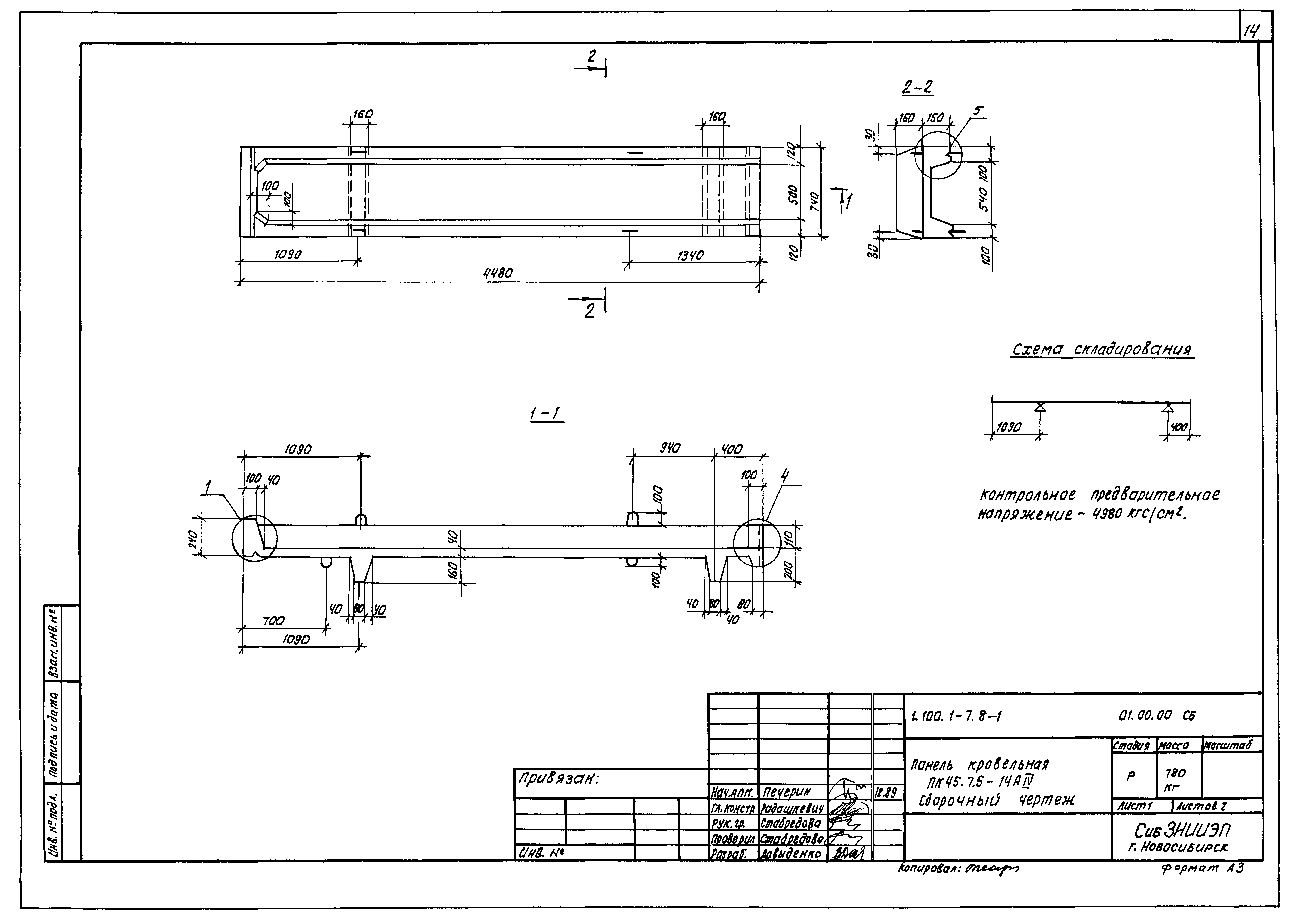
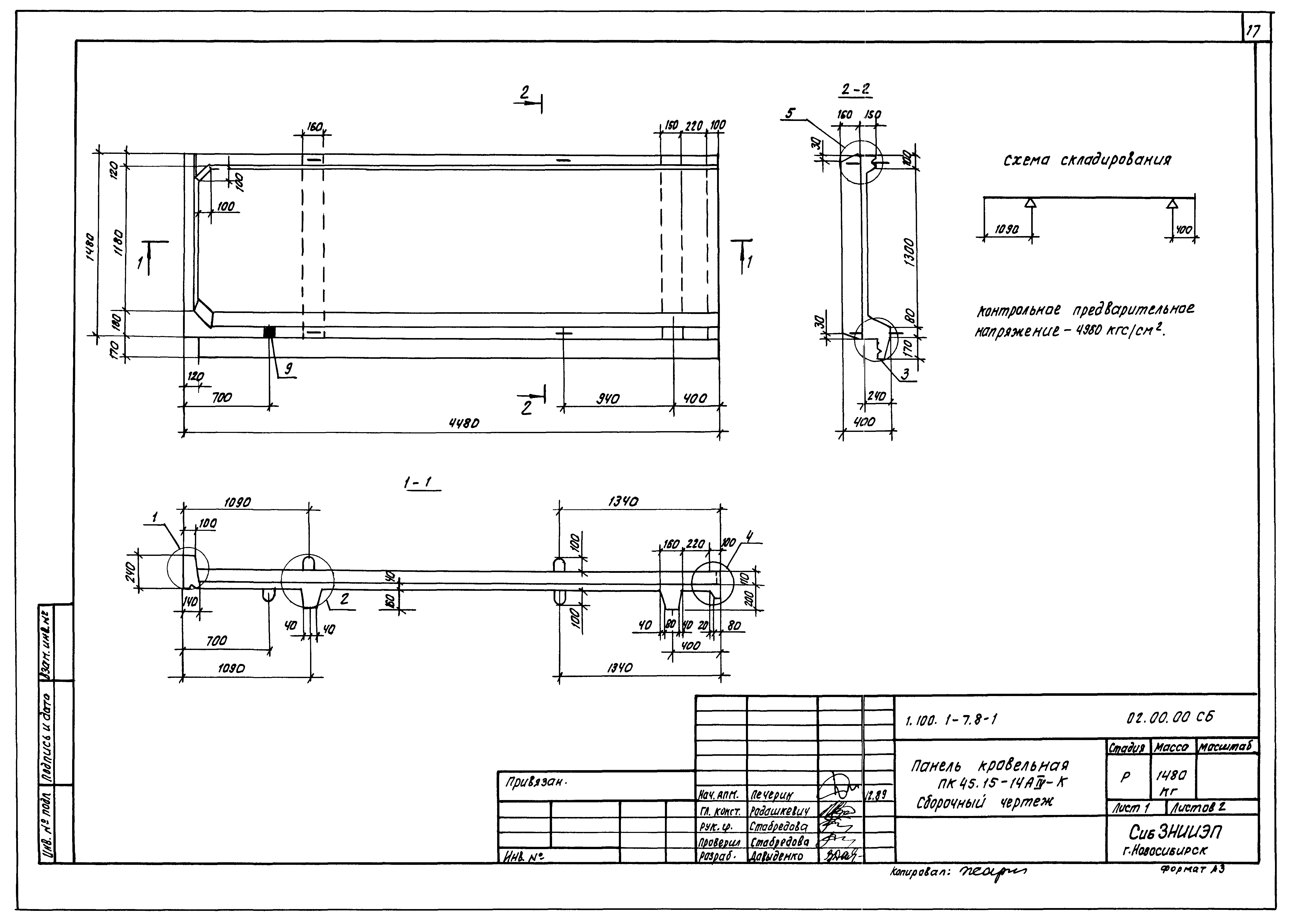
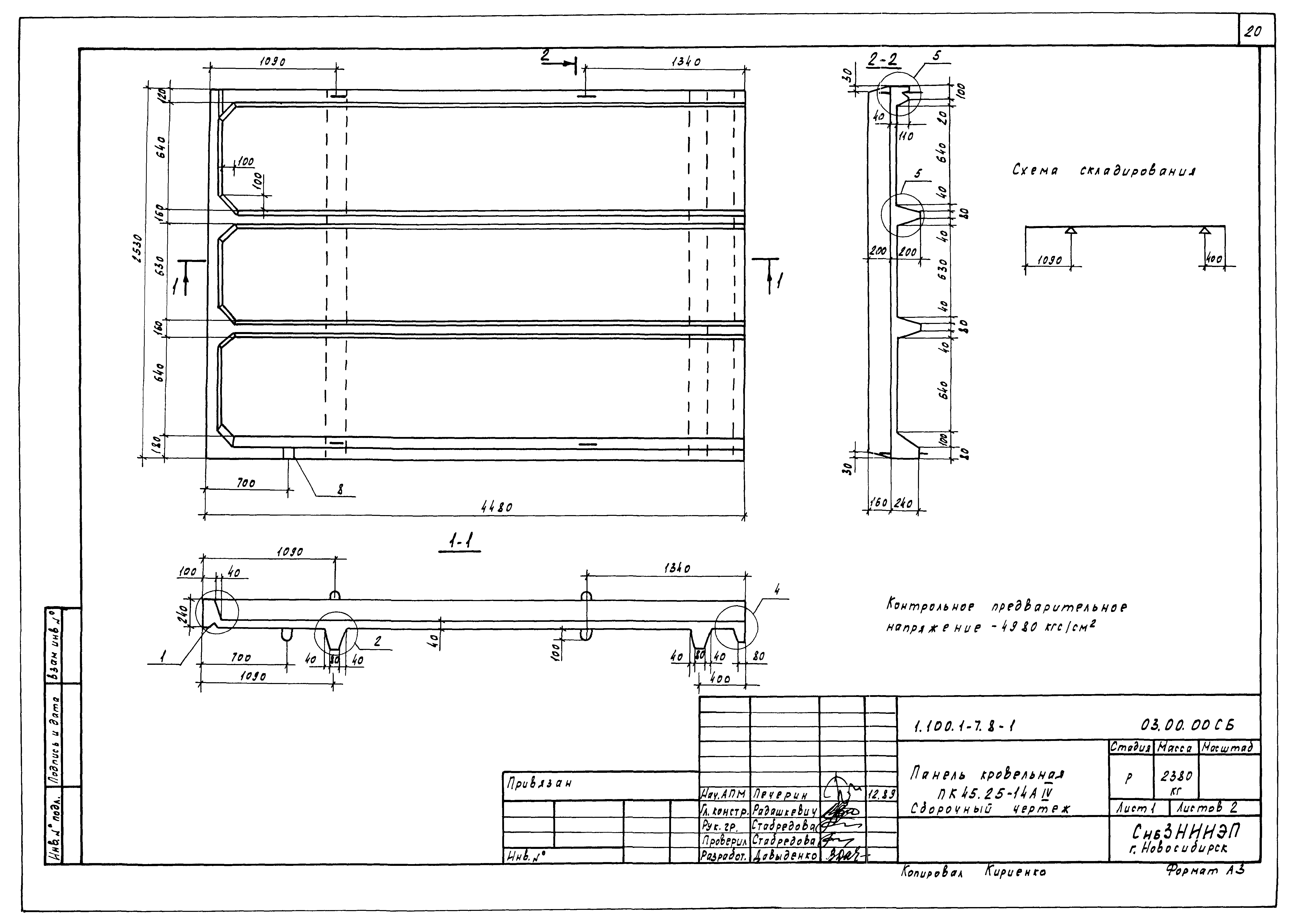
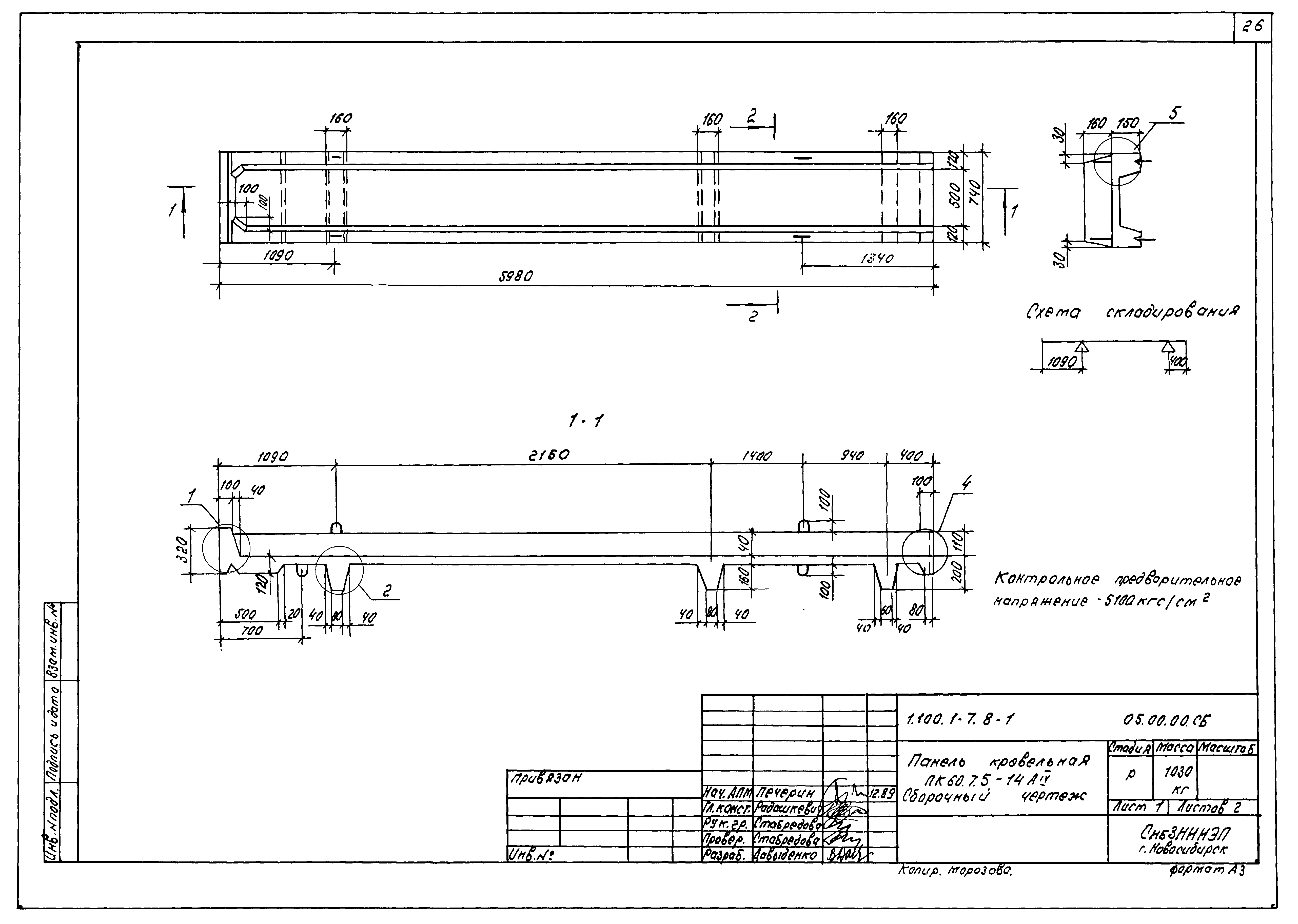
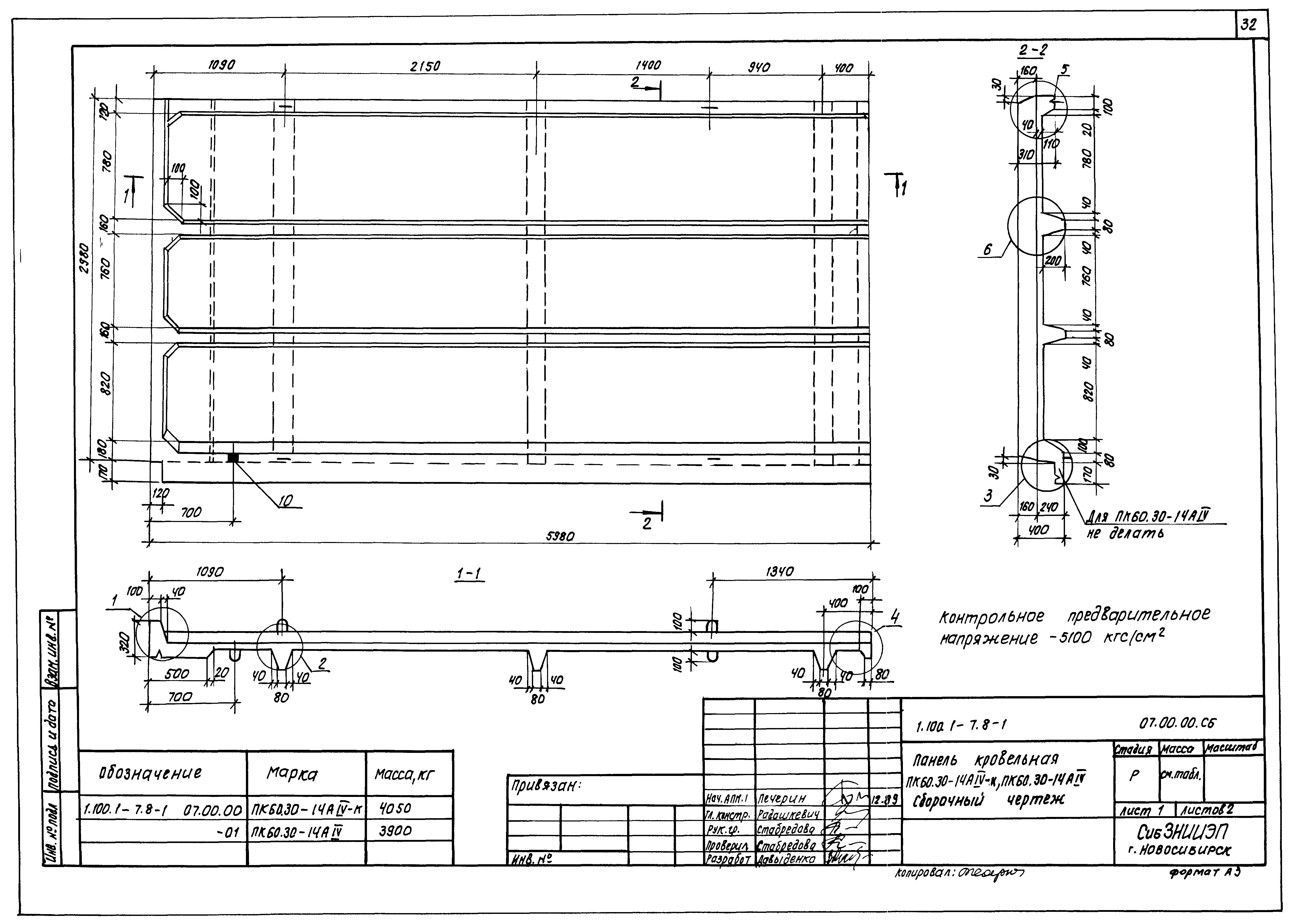
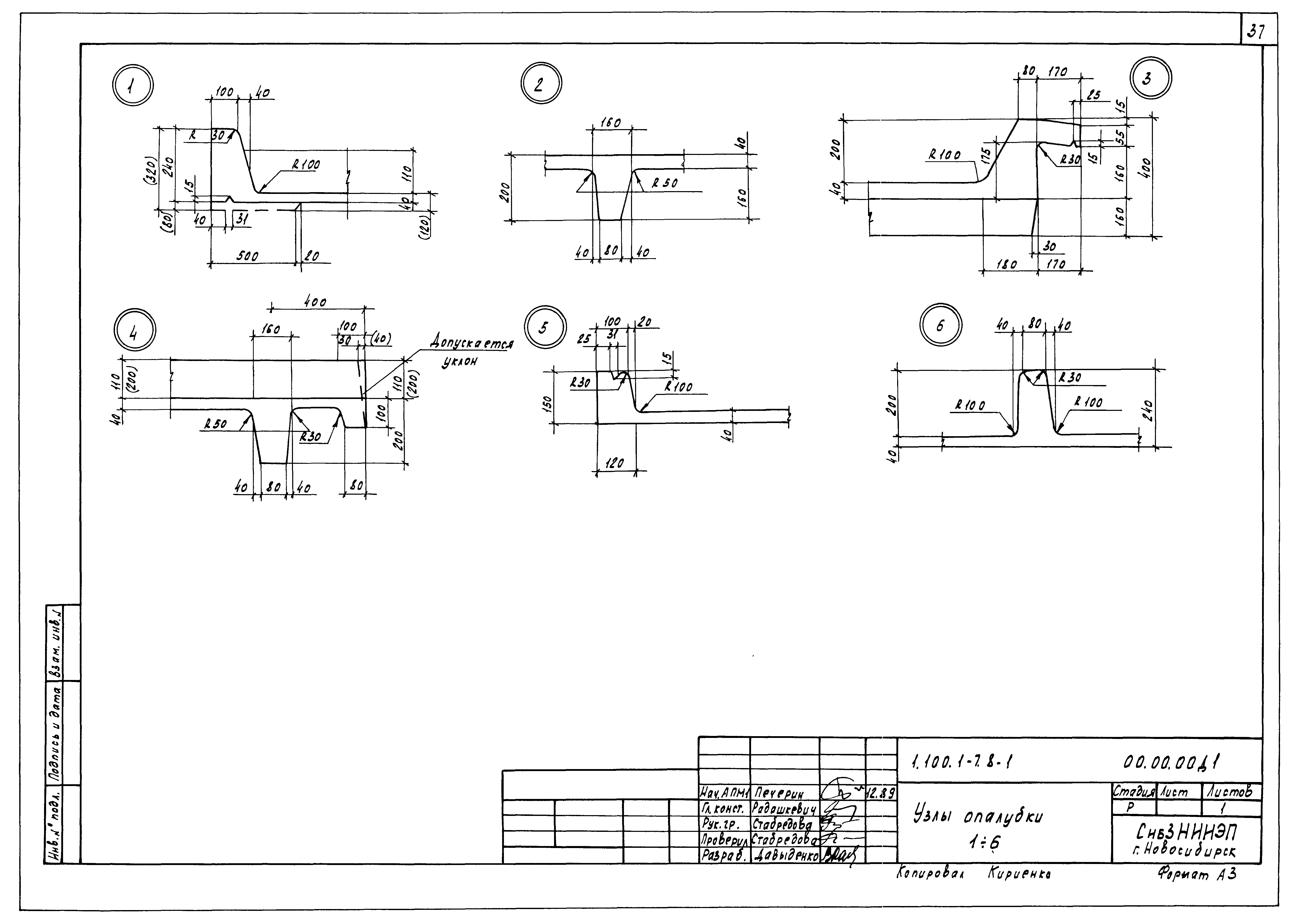
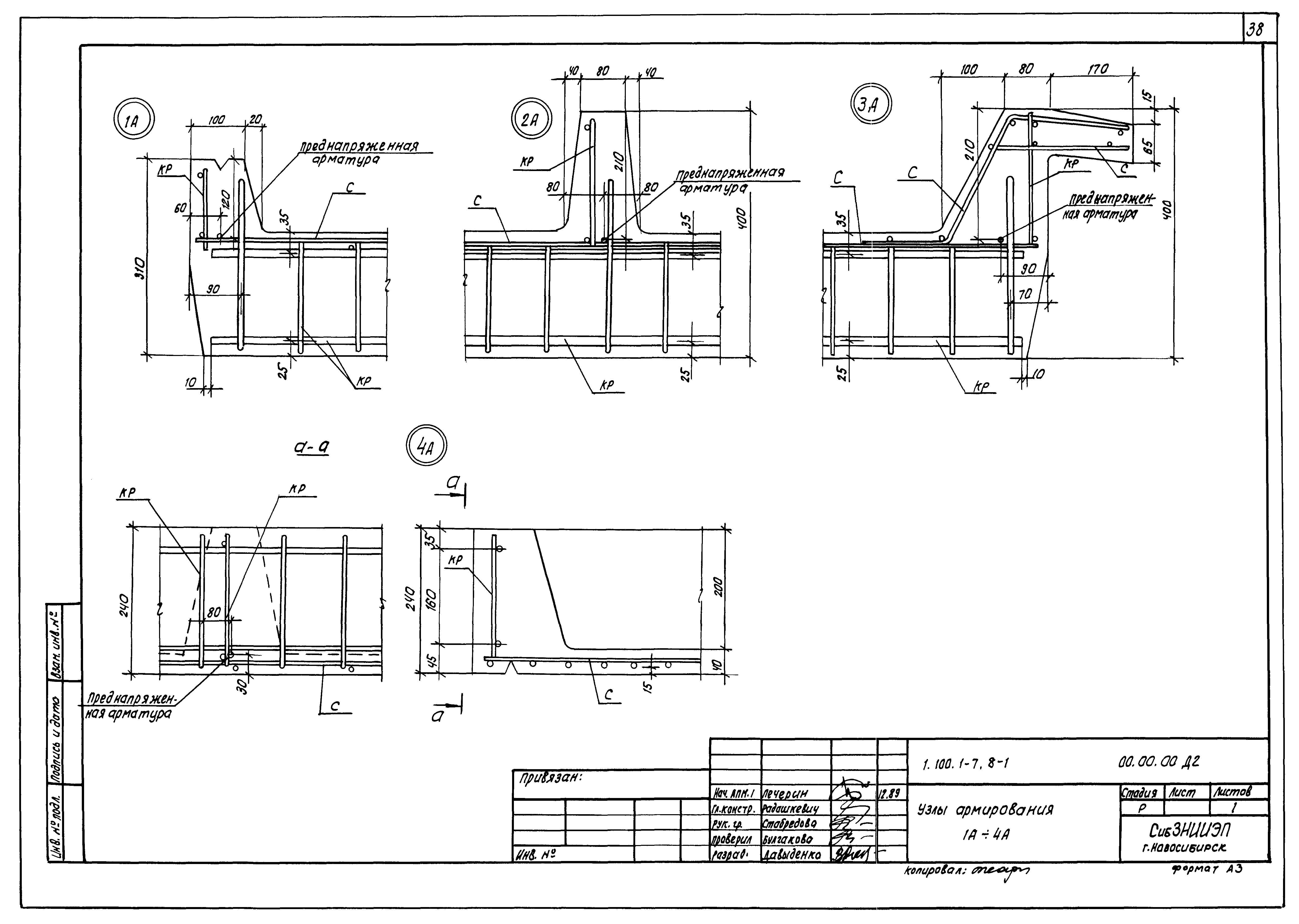
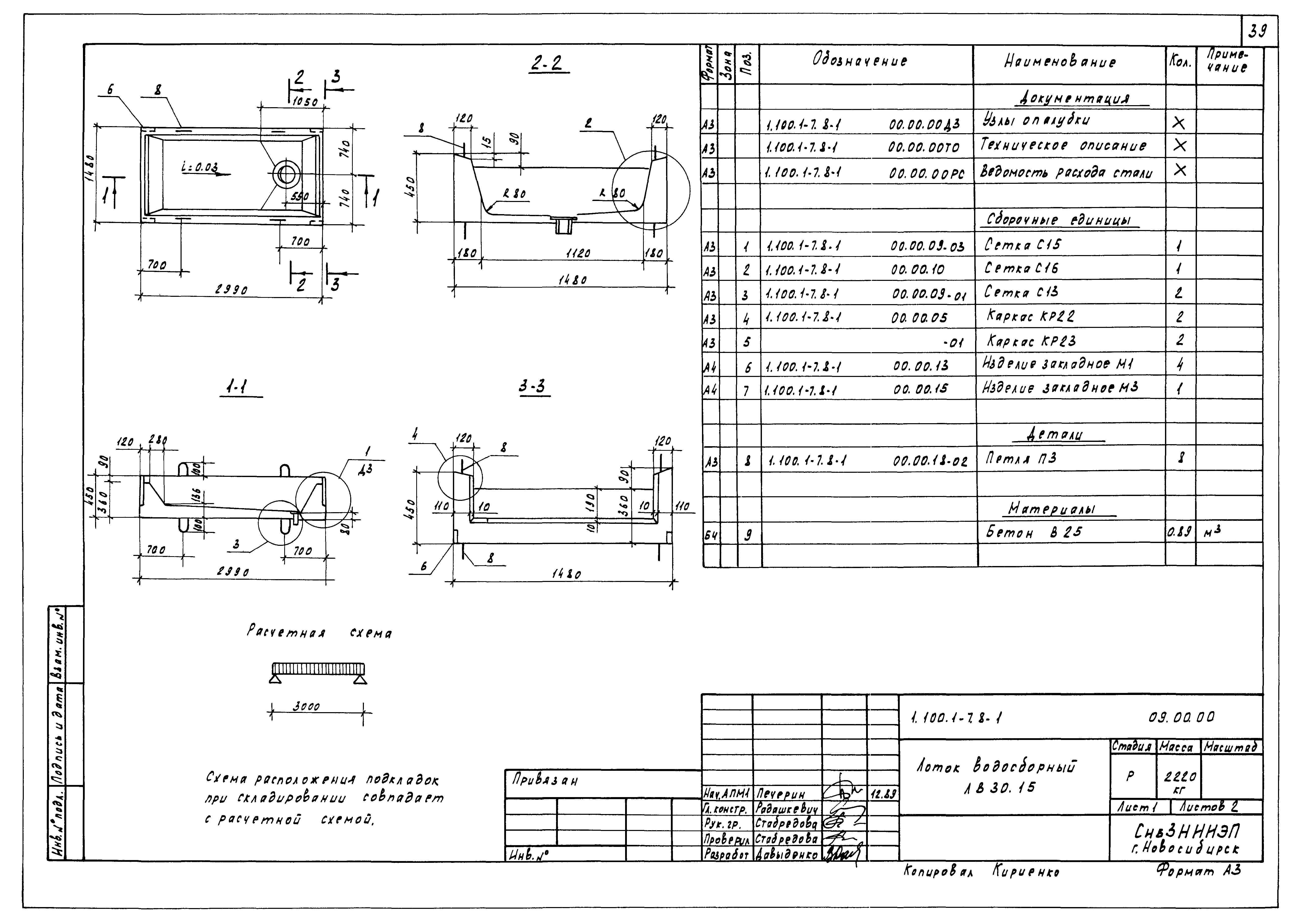
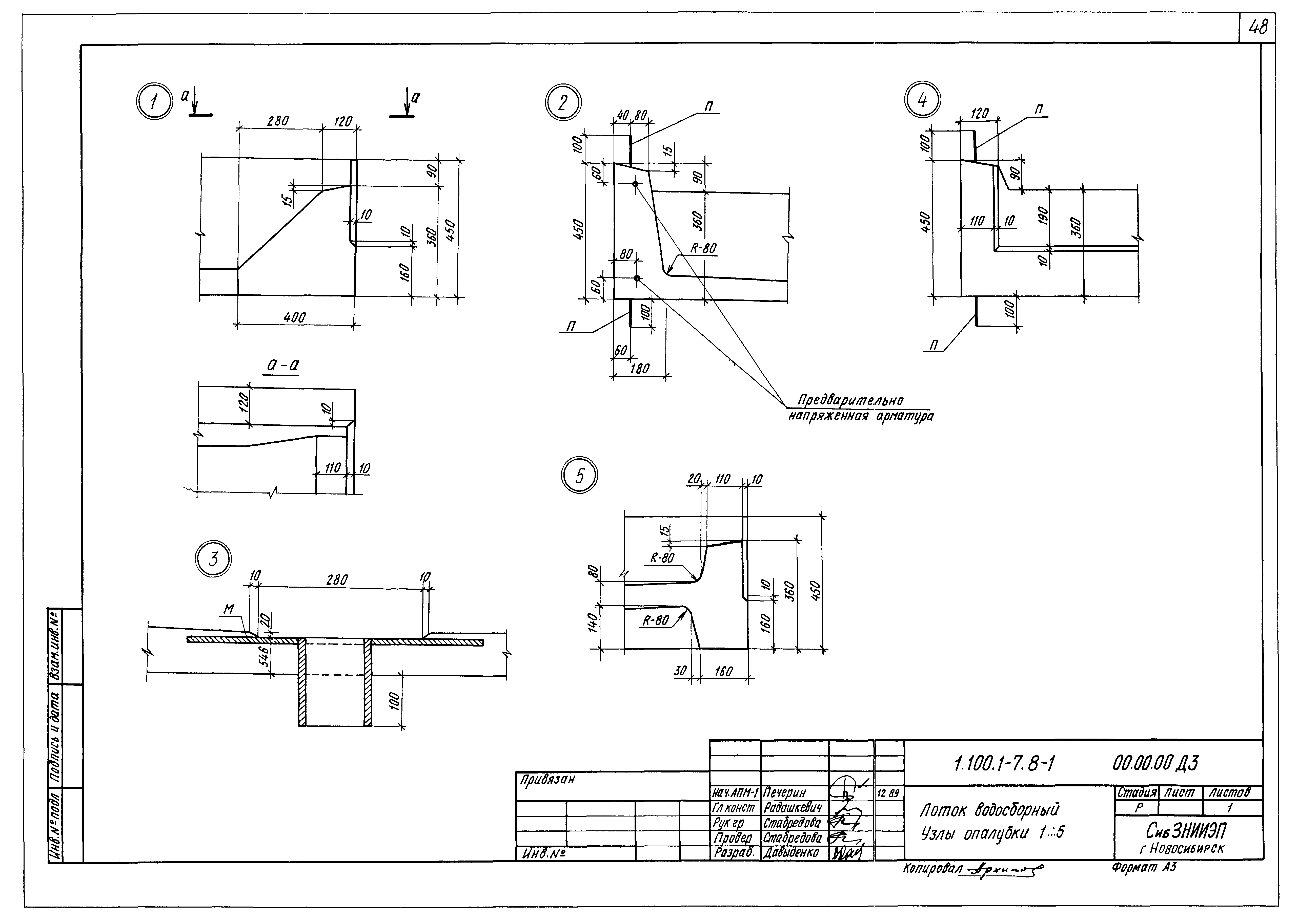
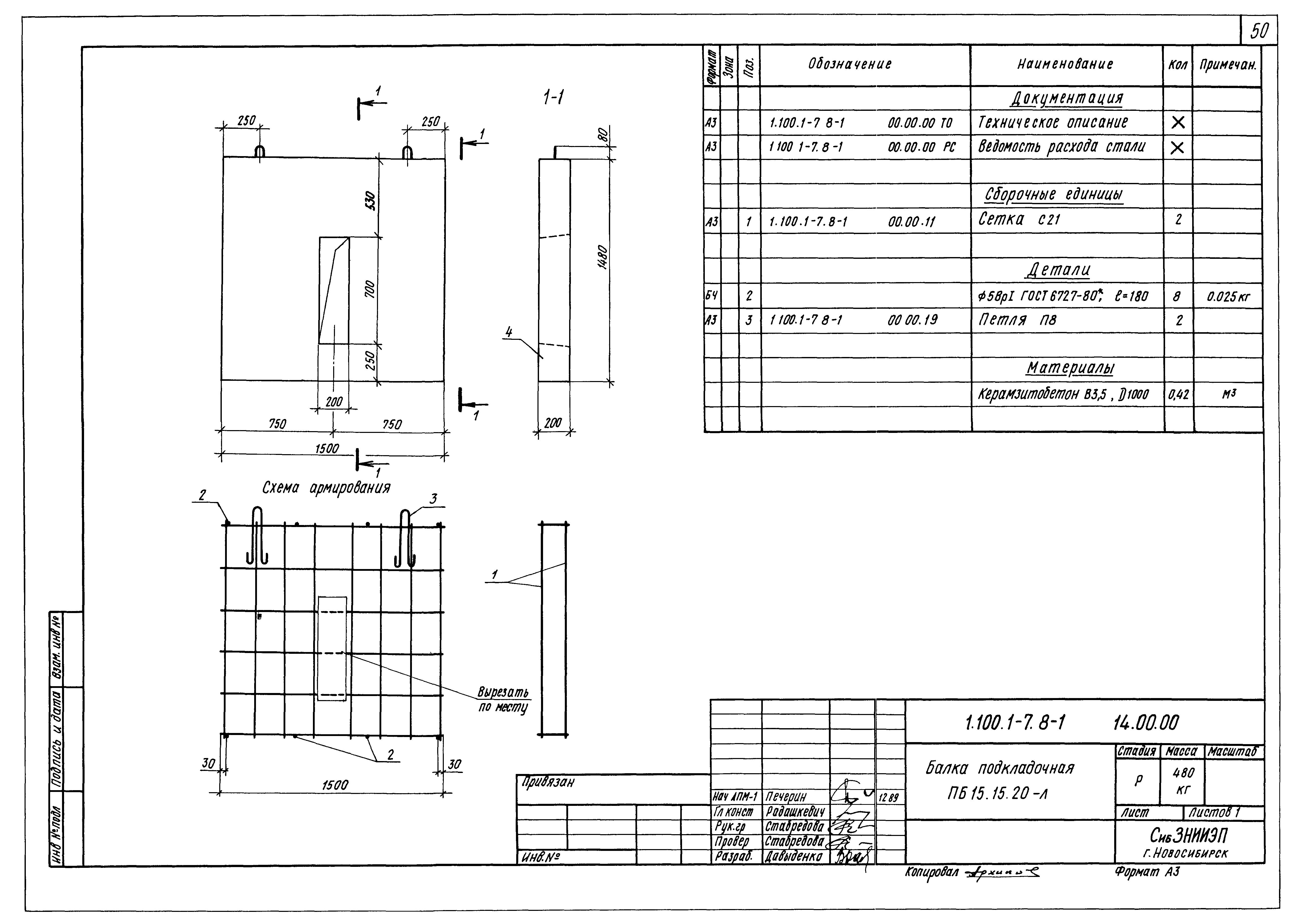
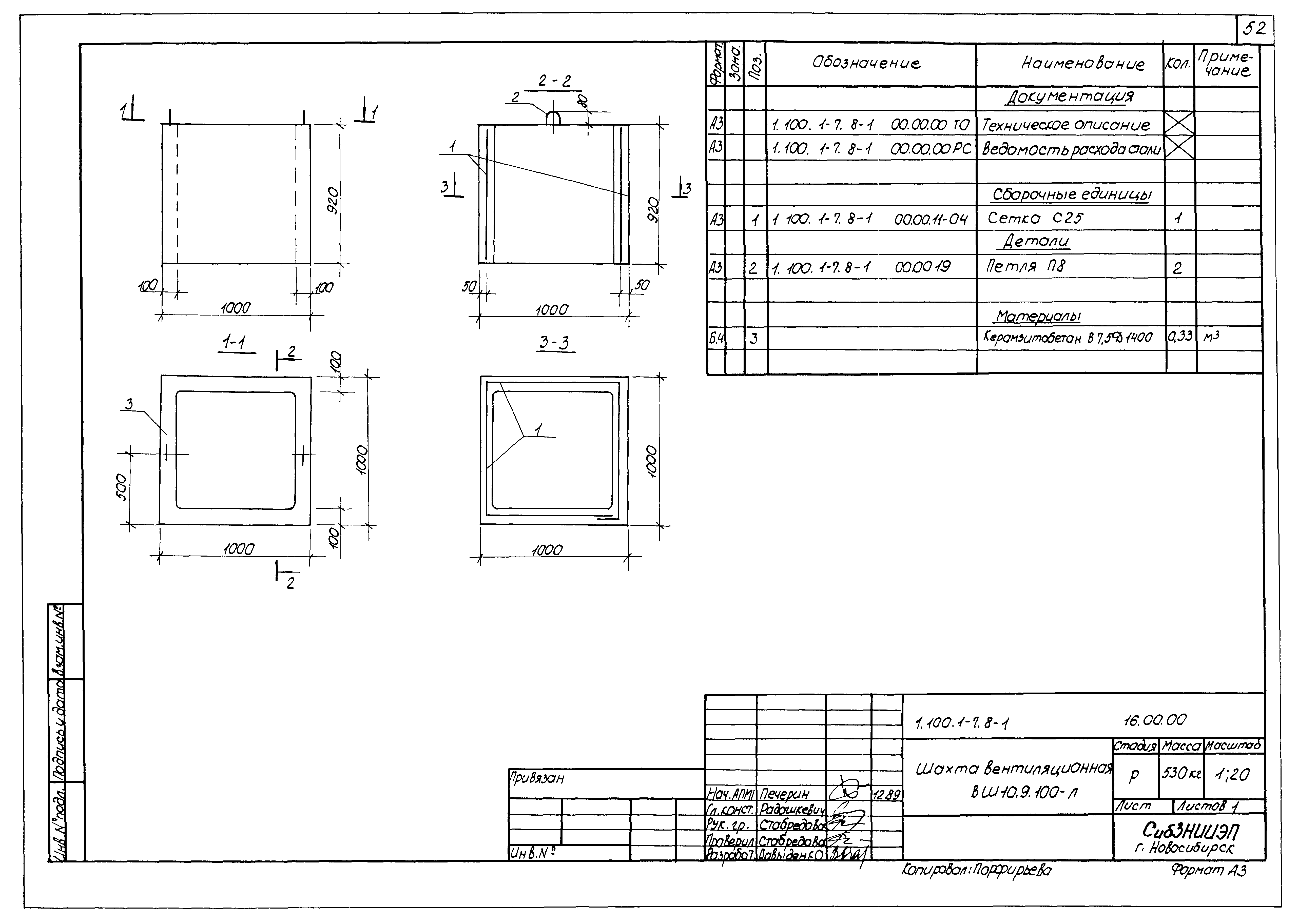
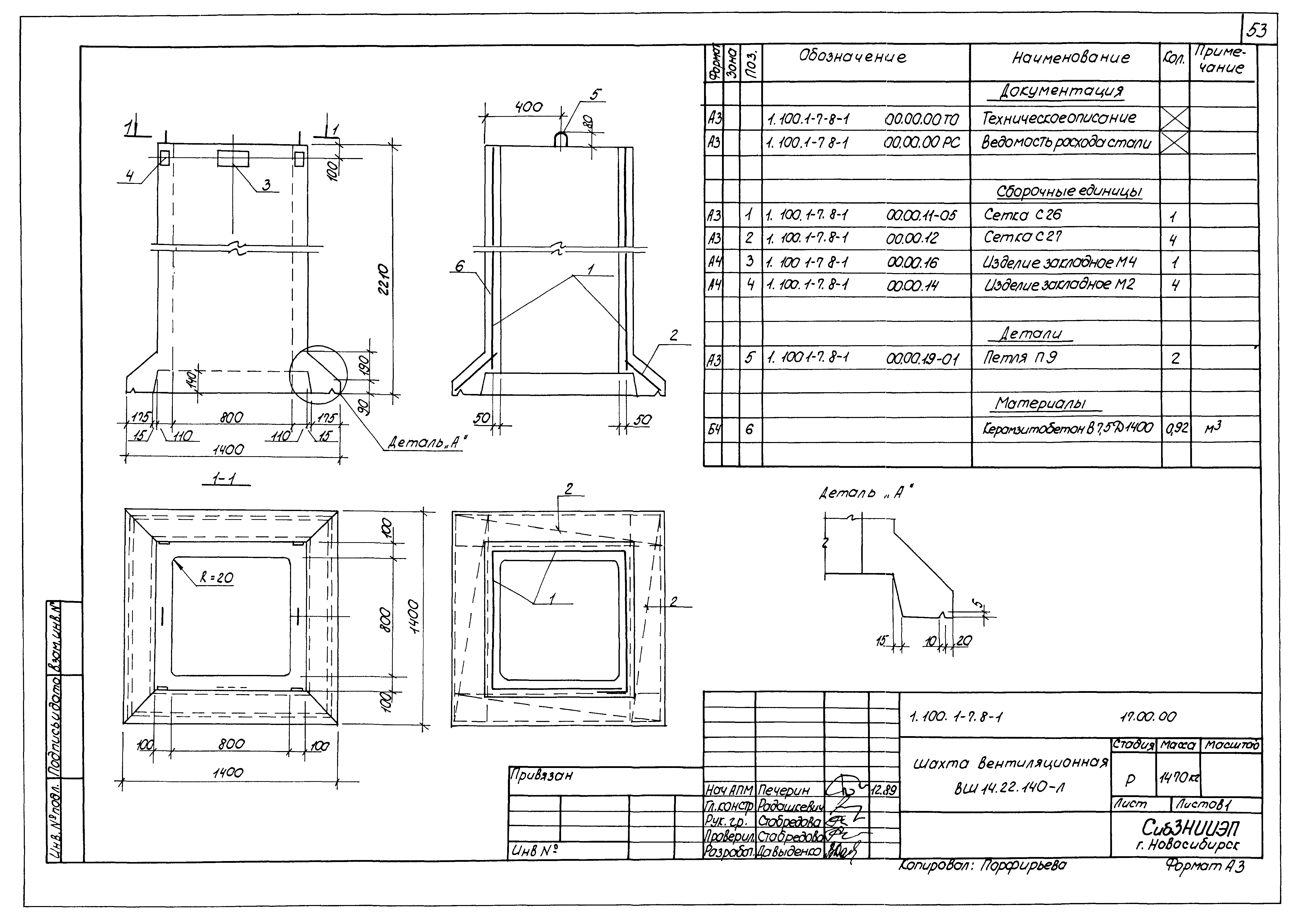
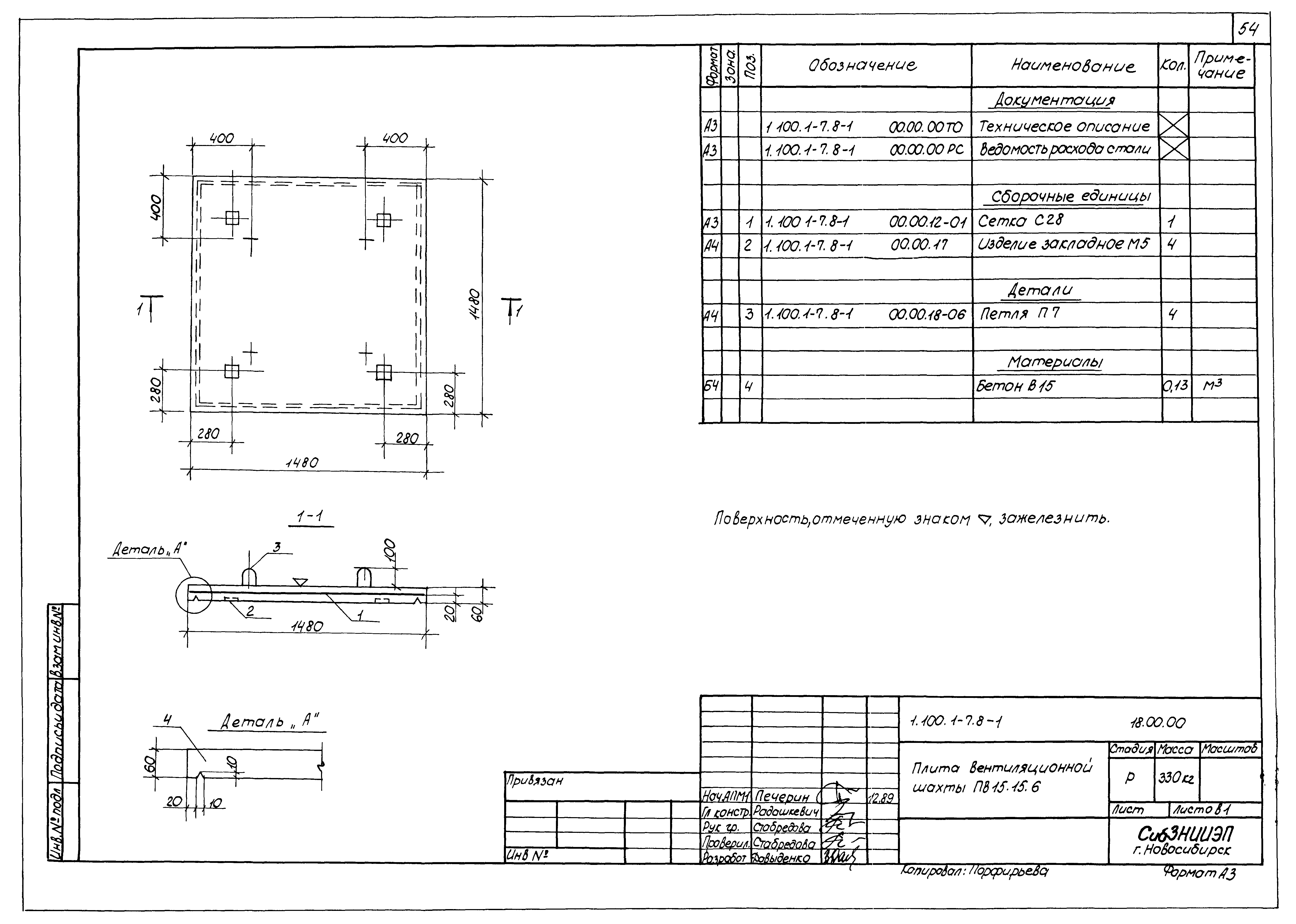
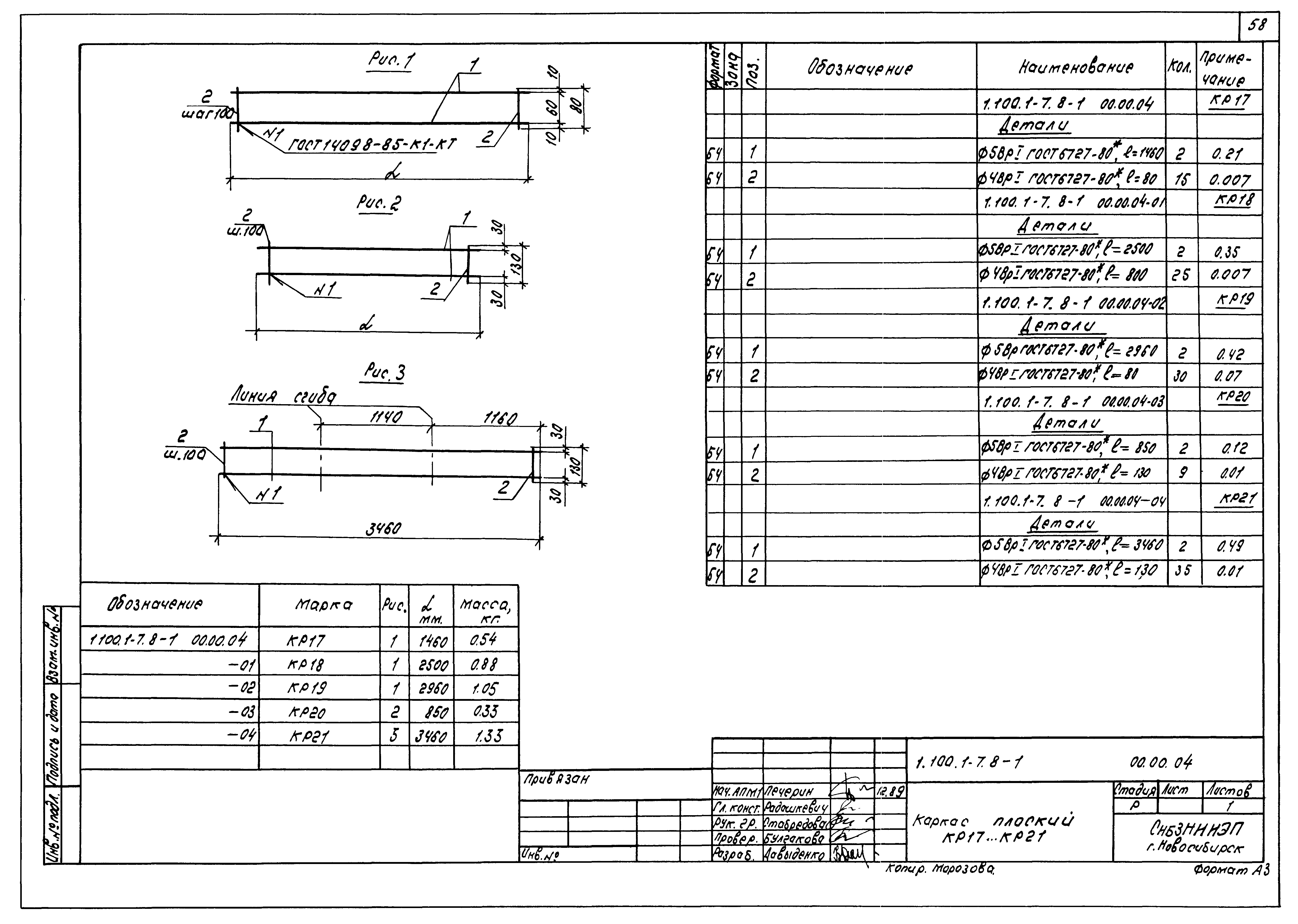
| Оглавление: | 1.100.1-7.8-1 00.00.00 Содержание 1.100.1-7.8-1 00.00.00ТО Техническое описание 1.100.1-7.8-1 00.00.00НИ Номенклатура изделий 1.100.1-7.8-1 01.00.00 Панель кровельная ПК45.7.5-14АIV 1.100.1-7.8-1 01.00.00 СБ Панель кровельная ПК45.7.5-14АIV. Сборочный чертеж 1.100.1-7.8-1 02.00.00 Панель кровельная ПК45.15-14АIV-К 1.100.1-7.8-1 02.00.00 СБ Панель кровельная ПК45.15-14АIV-К. Сборочный чертеж 1.100.1-7.8-1 03.00.00 Панель кровельная ПК45.25-14АIV 1.100.1-7.8-1 03.00.00 СБ Панель кровельная ПК45.25-14АIV. Сборочный чертеж 1.100.1-7.8-1 04.00.00 Панель кровельная ПК45.30-14АIV-Л,ПК45.30-14АIV 1.100.1-7.8-1 04.00.00 СБ Панель кровельная ПК45.30-14АIV-Л,ПК45.30-14АIV. Сборочный чертеж 1.100.1-7.8-1 05.00.00 Панель кровельная ПК60.7.5-14АIV 1.100.1-7.8-1 05.00.00 СБ Панель кровельная ПК60.7.5-14АIV. Сборочный чертеж 1.100.1-7.8-1 06.00.00 Панель кровельная ПК60.15-14АIV-К,ПК60.15-14АIV 1.100.1-7.8-1 06.00.00 СБ Панель кровельная ПК60.15-14АIV-К,ПК60.15-14АIV. Сборочный чертеж 1.100.1-7.8-1 07.00.00 Панель кровельная ПК60.30-14АIV-К,ПК60.30-14АIV 1.100.1-7.8-1 07.00.00 СБ Панель кровельная ПК60.30-14АIV-К,ПК60.30-14АIV. Сборочный чертеж 1.100.1-7.8-1 08.00.00 Панель кровельная ПК60.30-14АIV-К-1,ПК60.30-14АIV-1 1.100.1-7.8-1 08.00.00 СБ Панель кровельная ПК60.30-14АIV-К-1,ПК60.30-14АIV-1. Сборочный чертеж 1.100.1-7.8-1 00.00.00Д1 Узлы опалубки 1.100.1-7.8-1 00.00.00Д2 Узлы армирования 1.100.1-7.8-1 09.00.00 Лоток водосборный ЛВ.30.15 1.100.1-7.8-1 10.00.00 Лоток водосборный ЛВ.45.15-14АIV 1.100.1-7.8-1 11.00.00 Лоток водосборный ЛВ.60.15-16АIV 1.100.1-7.8-1 12.00.00 Лоток водосборный ЛВ.105.15-16АIV 1.100.1-7.8-1 12.00.00 СБ Лоток водосборный ЛВ.105.15-16АIV. Сборочный чертеж 1.100.1-7.8-1 00.00.00Д3 Лоток водосборный. Узлы опалубки 1...5 1.100.1-7.8-1 13.00.00 Плита карнизная КП16.5 1.100.1-7.8-1 14.00.00 Балка подкладочная ПБ15.15.20-Л 1.100.1-7.8-1 15.00.00 Короб вентиляционный ВК36.28.150-Л 1.100.1-7.8-1 16.00.00 Шахта вентиляционная ВШ10.9.100-Л 1.100.1-7.8-1 17.00.00 Шахта вентиляционная ВШ14.22.140-Л 1.100.1-7.8-1 18.00.00 Плита вентиляционной шахты ПВ15.15.6 1.100.1-7.8-1 00.00.01 Каркас плоский КР1...КР5 1.100.1-7.8-1 00.00.02 Каркас плоский КР6...КР10 1.100.1-7.8-1 00.00.03 Каркас плоский КР11...КР16 1.100.1-7.8-1 00.00.04 Каркас плоский КР17...КР21 1.100.1-7.8-1 00.00.05 Каркас плоский КР22...КР26 1.100.1-7.8-1 00.00.06 Каркас плоский КР27...КР29 1.100.1-7.8-1 00.00.07 Сетка С1...С6 1.100.1-7.8-1 00.00.08 Сетка С7...С11 1.100.1-7.8-1 00.00.09 Сетка С12...С15 1.100.1-7.8-1 00.00.10 Сетка С16...С20 1.100.1-7.8-1 00.00.11 Сетка С21...С26 1.100.1-7.8-1 00.00.12 Сетка С27,С28 1.100.1-7.8-1 00.00.13 Деталь закладная М1 1.100.1-7.8-1 00.00.14 Деталь закладная М2 1.100.1-7.8-1 00.00.15 Деталь закладная М3 1.100.1-7.8-1 00.00.16 Деталь закладная М4 1.100.1-7.8-1 00.00.17 Деталь закладная М5 1.100.1-7.8-1 00.00.18 Петли монтажные П1...П7 1.100.1-7.8-1 00.00.18 СБ Петли монтажные П1...П7. Сборочный чертеж 1.100.1-7.8-1 00.00.19 Петли монтажные П8...П10 1.100.1-7.8-1 00.00.19 СБ Петли монтажные П8...П10. Сборочный чертеж 1.100.1-7.8-1 00.00.00РС Ведомость расхода стали |
| Разработан: | СибЗНИИЭП Госгражданстроя |
| Утверждён: | 23.03.1990 Госкомархитектура (46) |







































































