Скачать Серия 1.100.1-7 Выпуск 8-2. Изделия сборные железобетонные и бетонные для покрытий и помещений теплого чердака. Рабочие чертежиДата актуализации: 01.01.2021
|
| Обозначение: | Серия 1.100.1-7 |
| Обозначение англ: | Series 1.100.1-7 |
| Статус: | действует |
| Название рус.: | Выпуск 8-2. Изделия сборные железобетонные и бетонные для покрытий и помещений теплого чердака. Рабочие чертежи |
| Дата добавления в базу: | 01.09.2013 |
| Дата актуализации: | 01.01.2021 |
| Дата введения: | 30.04.1990 |
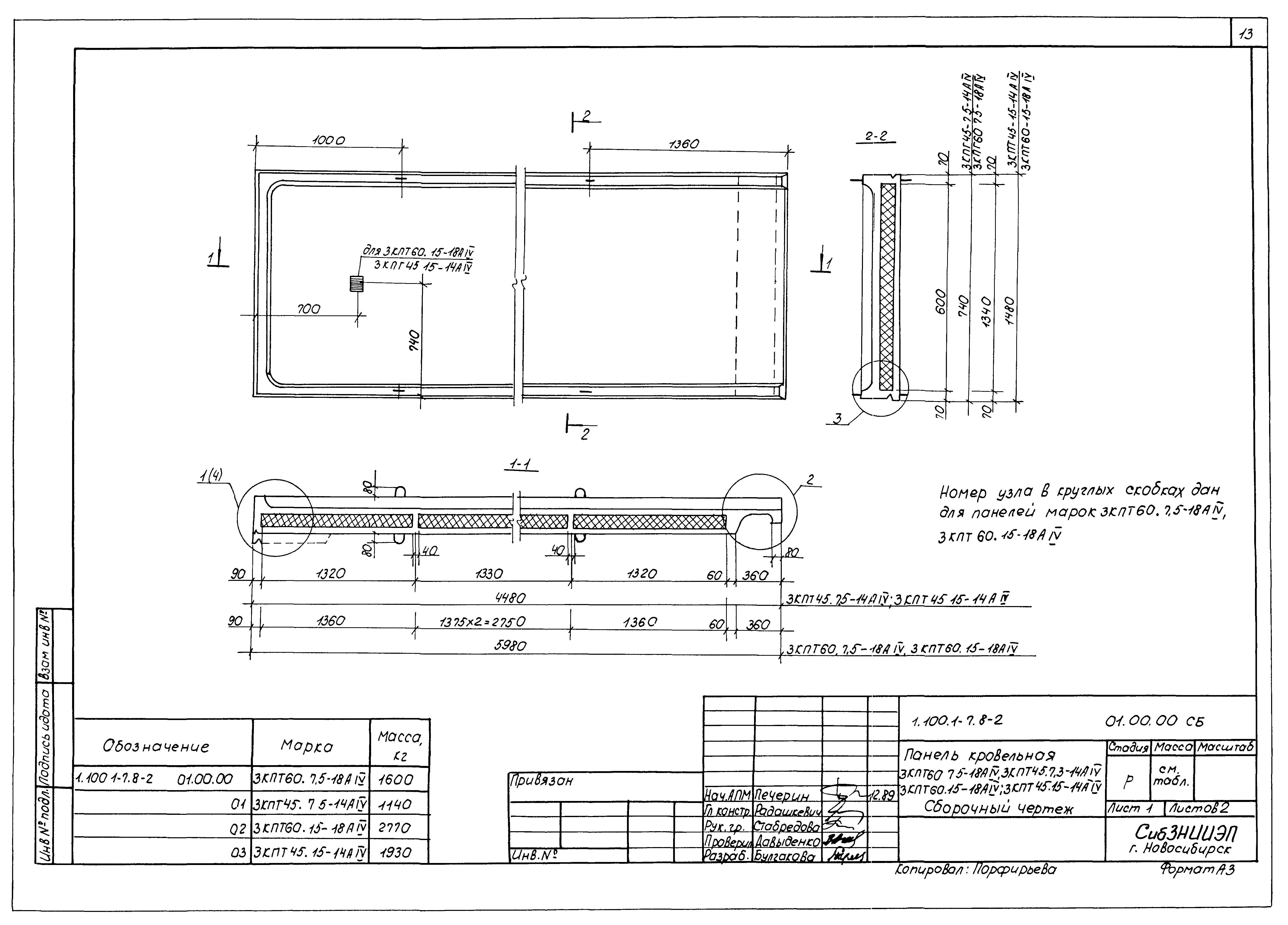
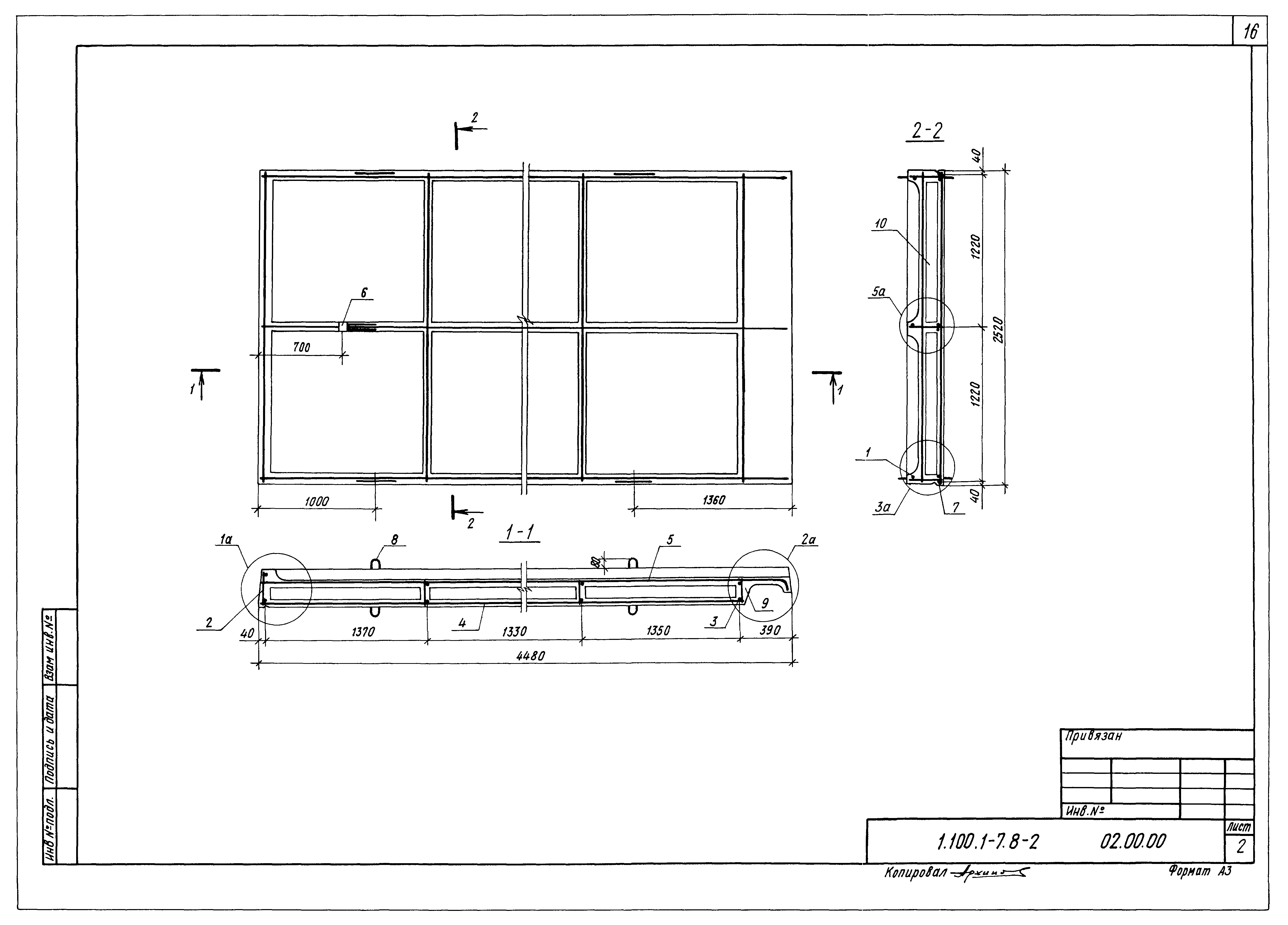
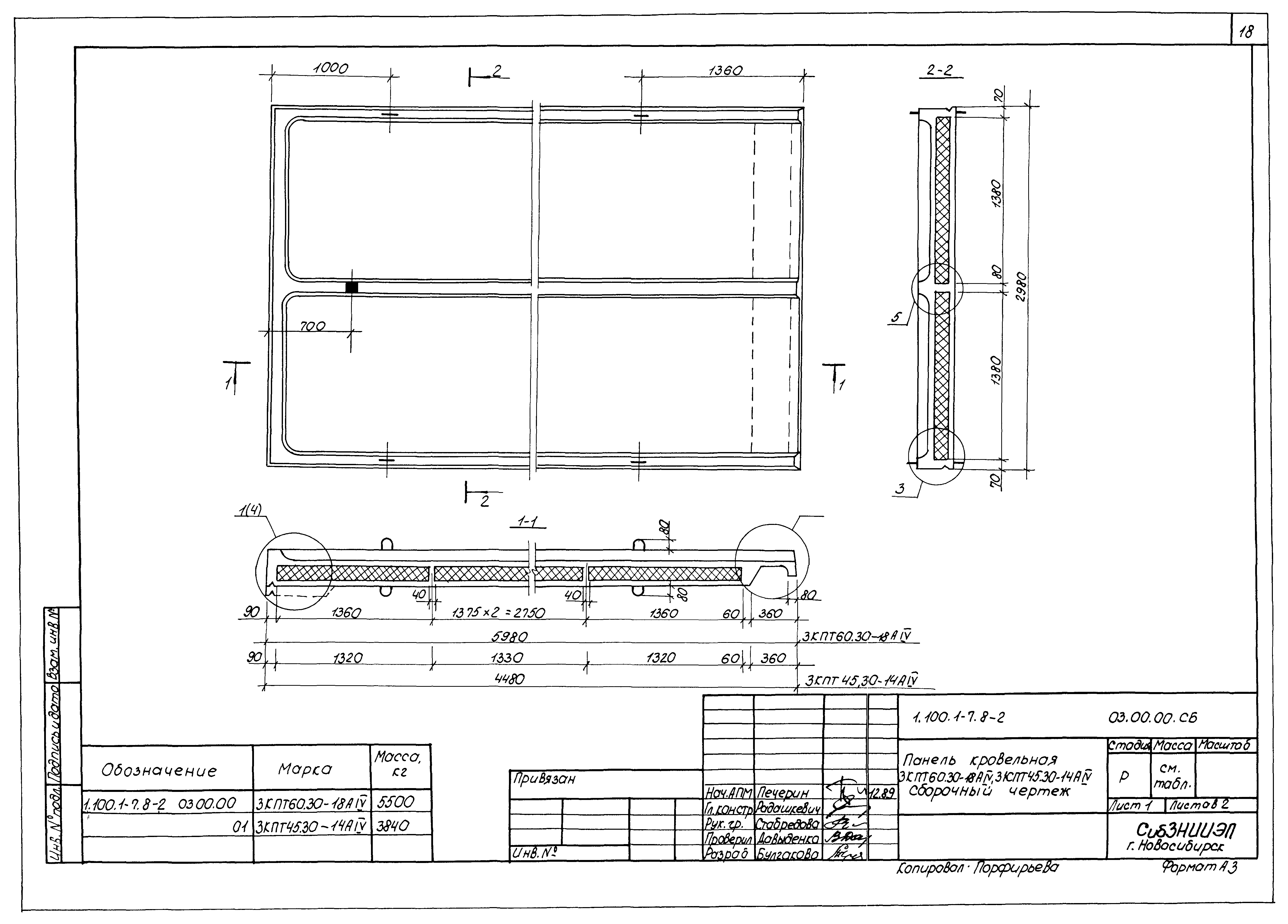
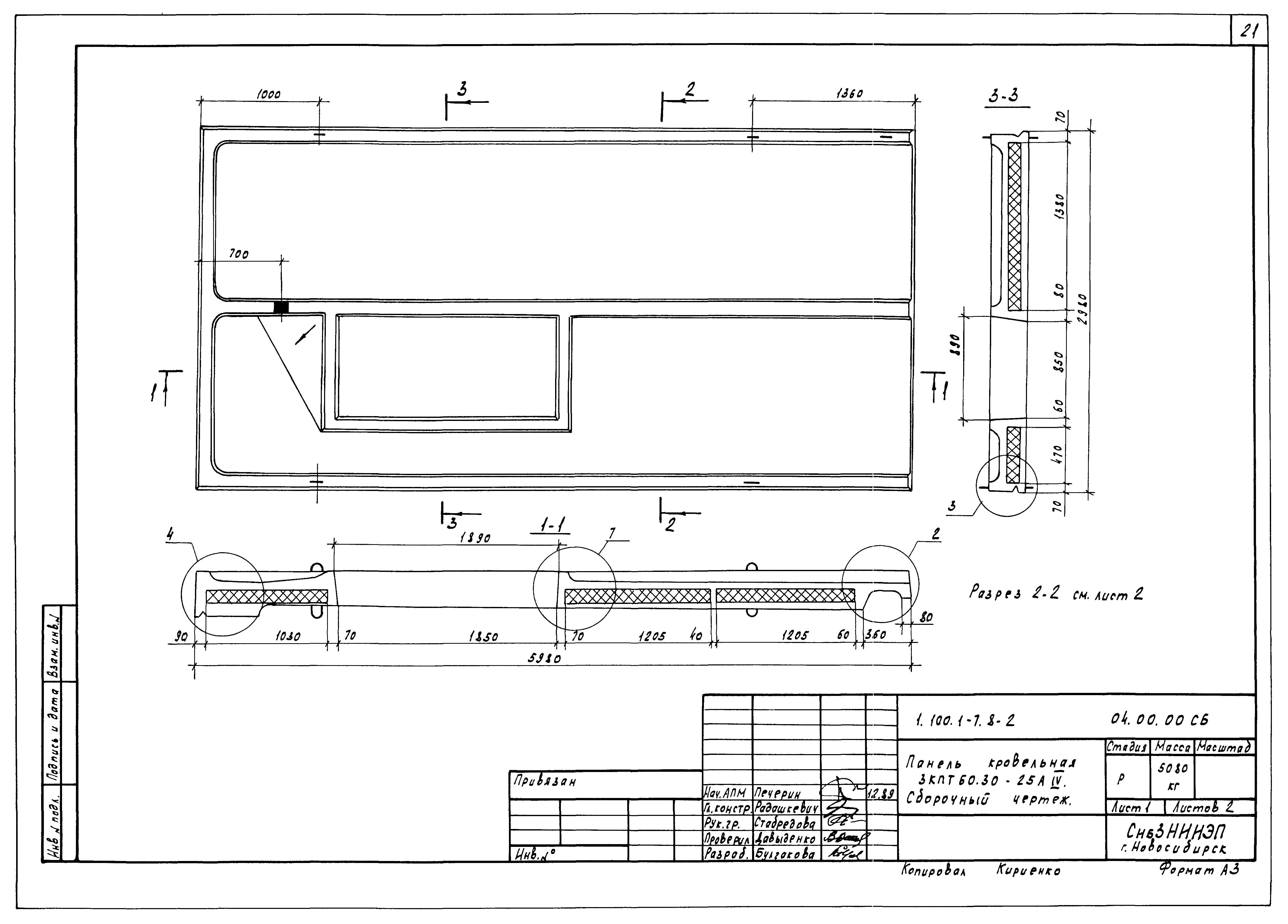
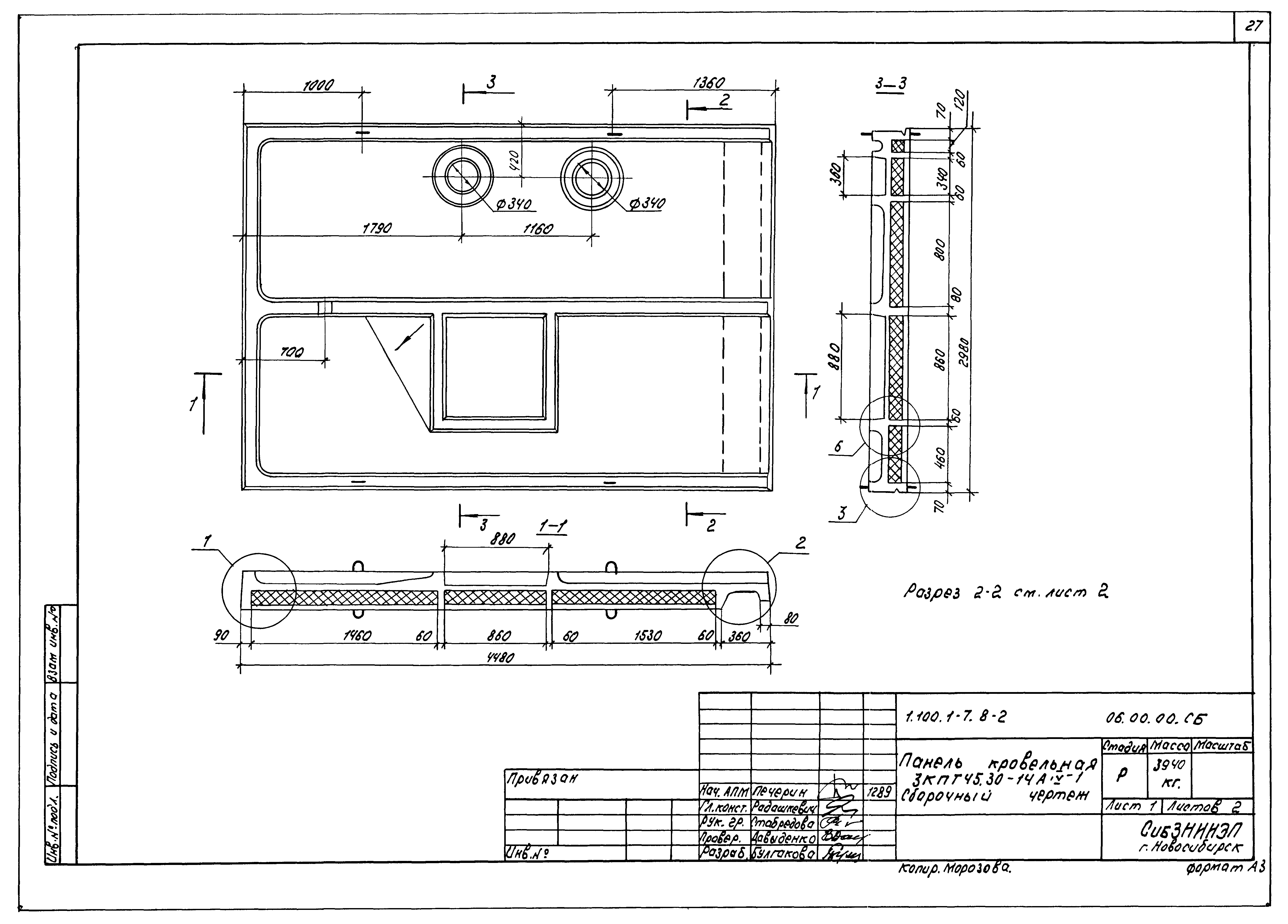
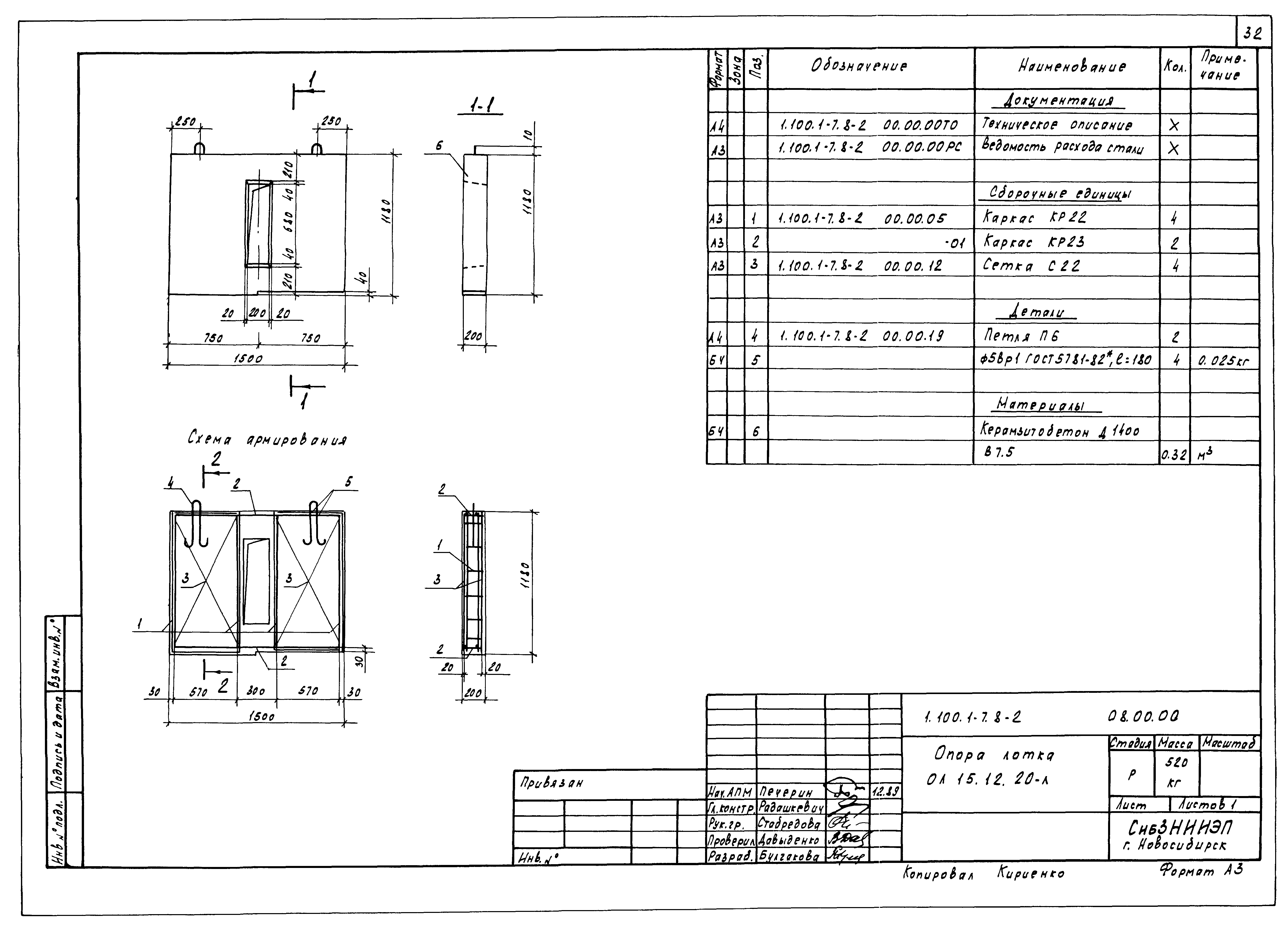
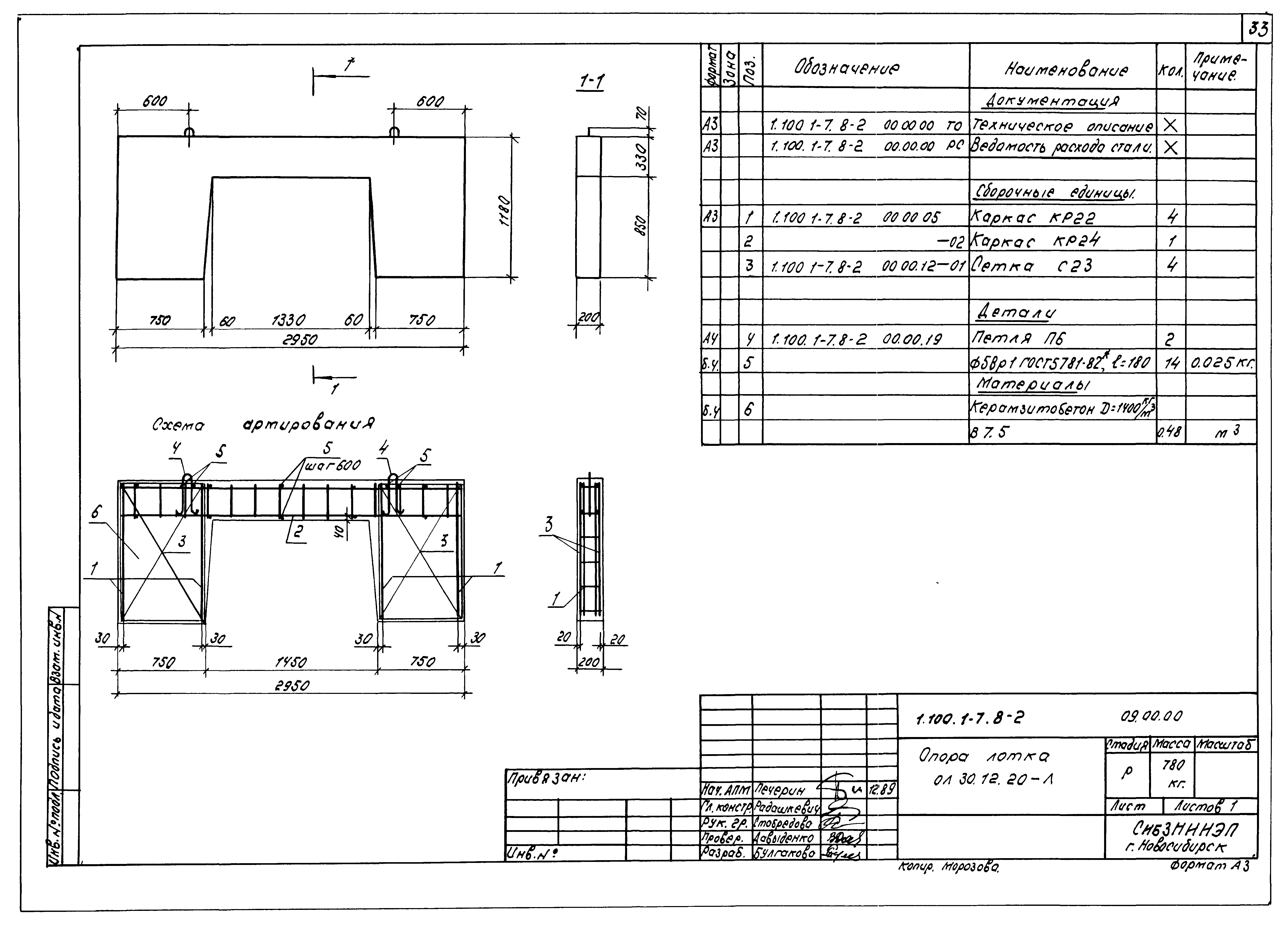
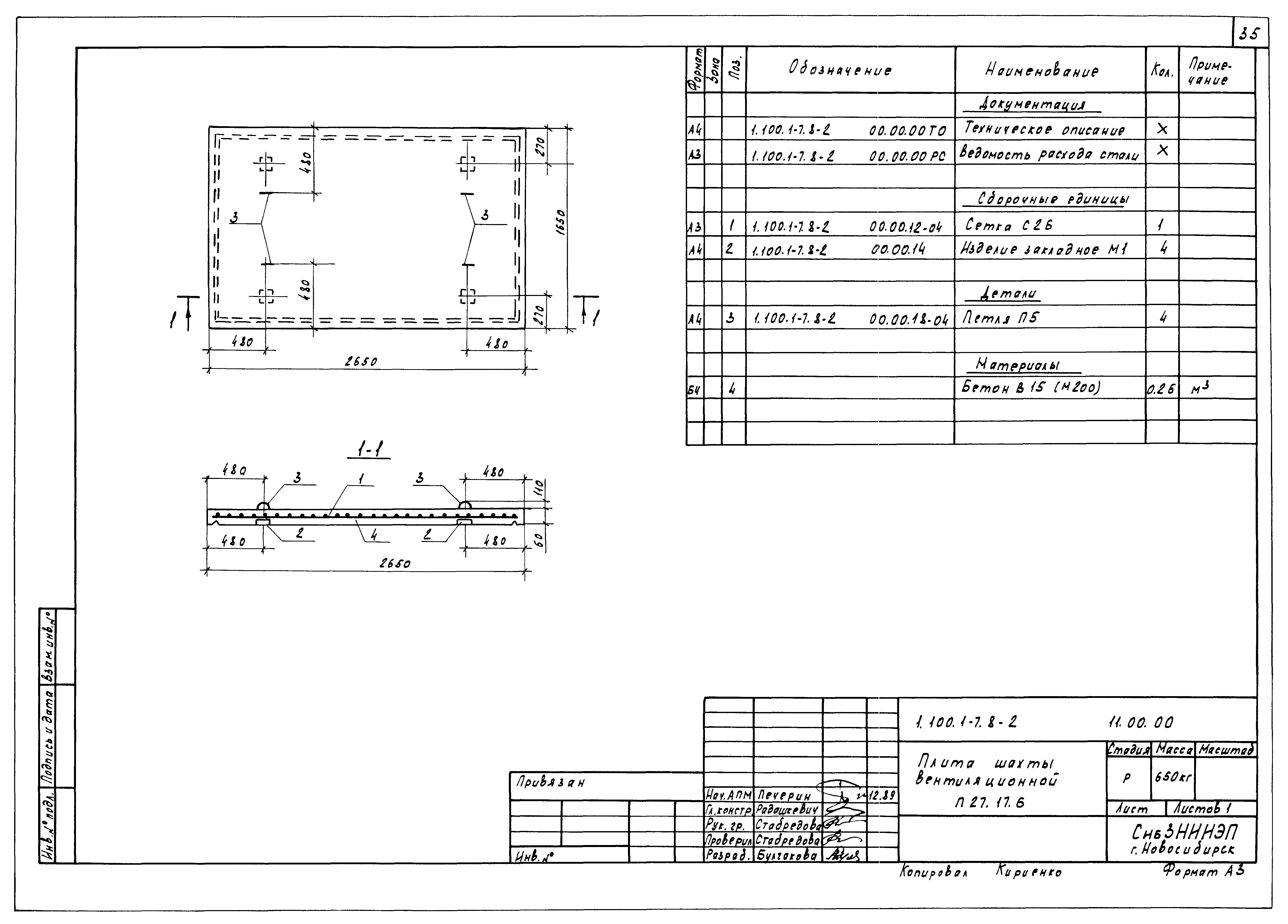
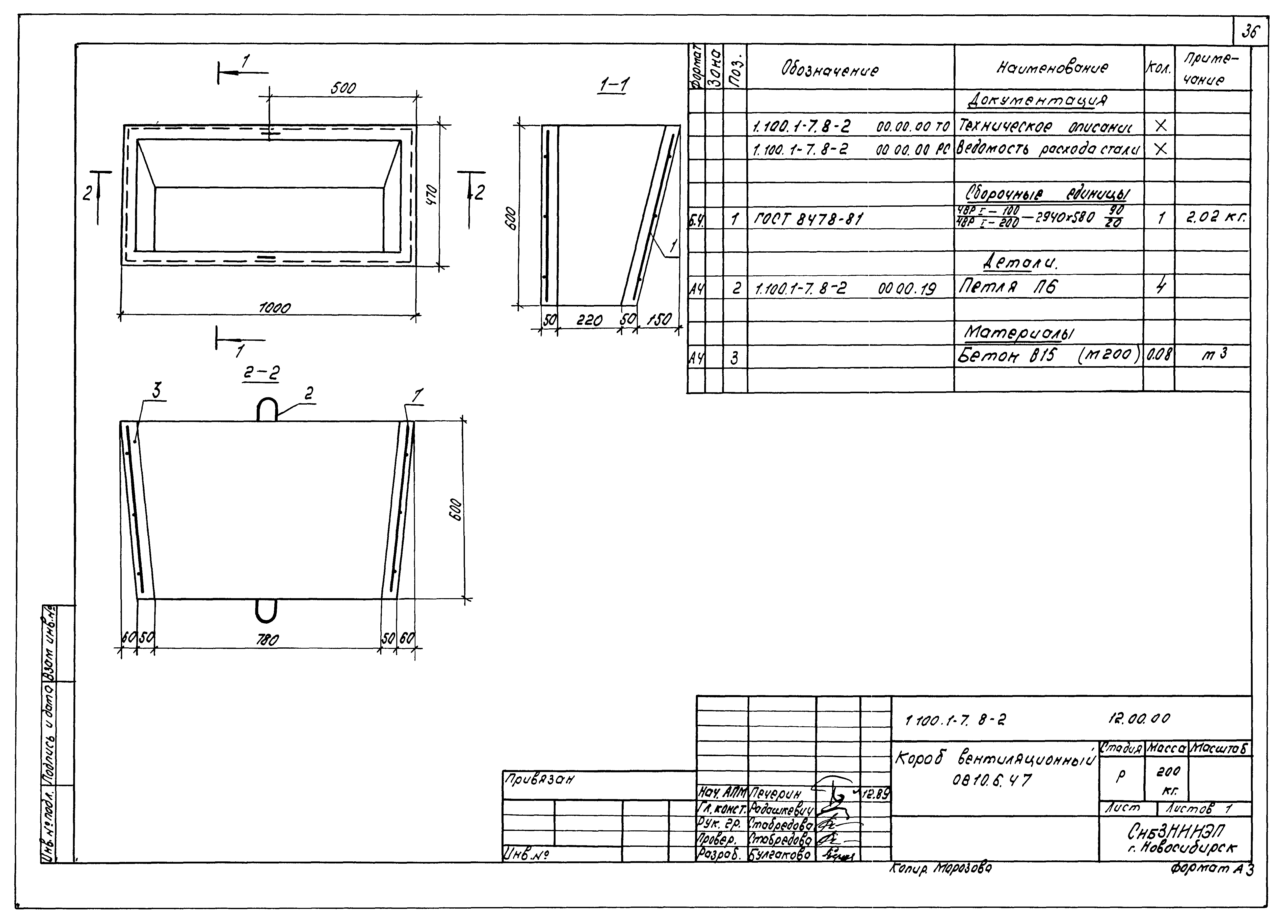
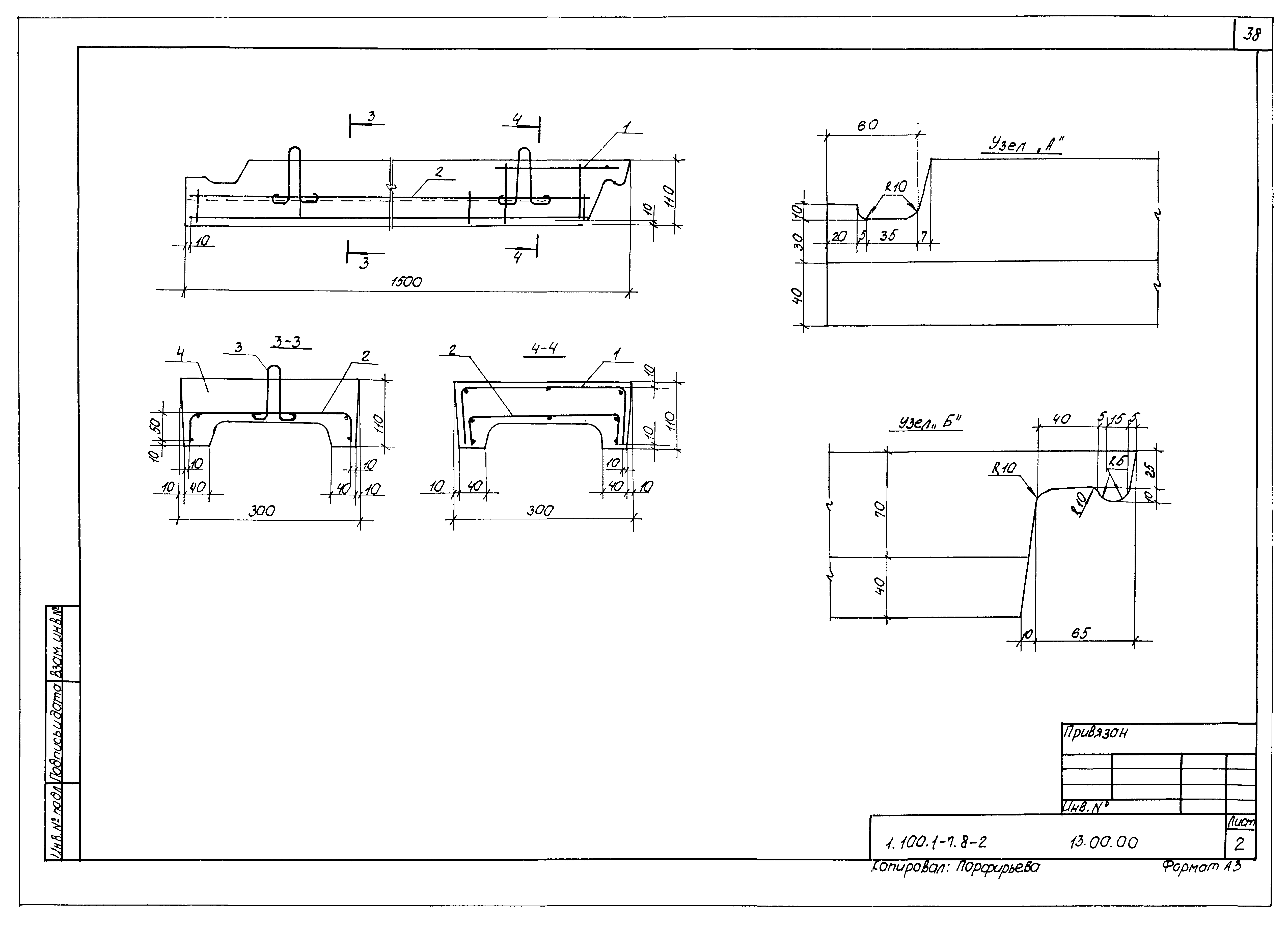
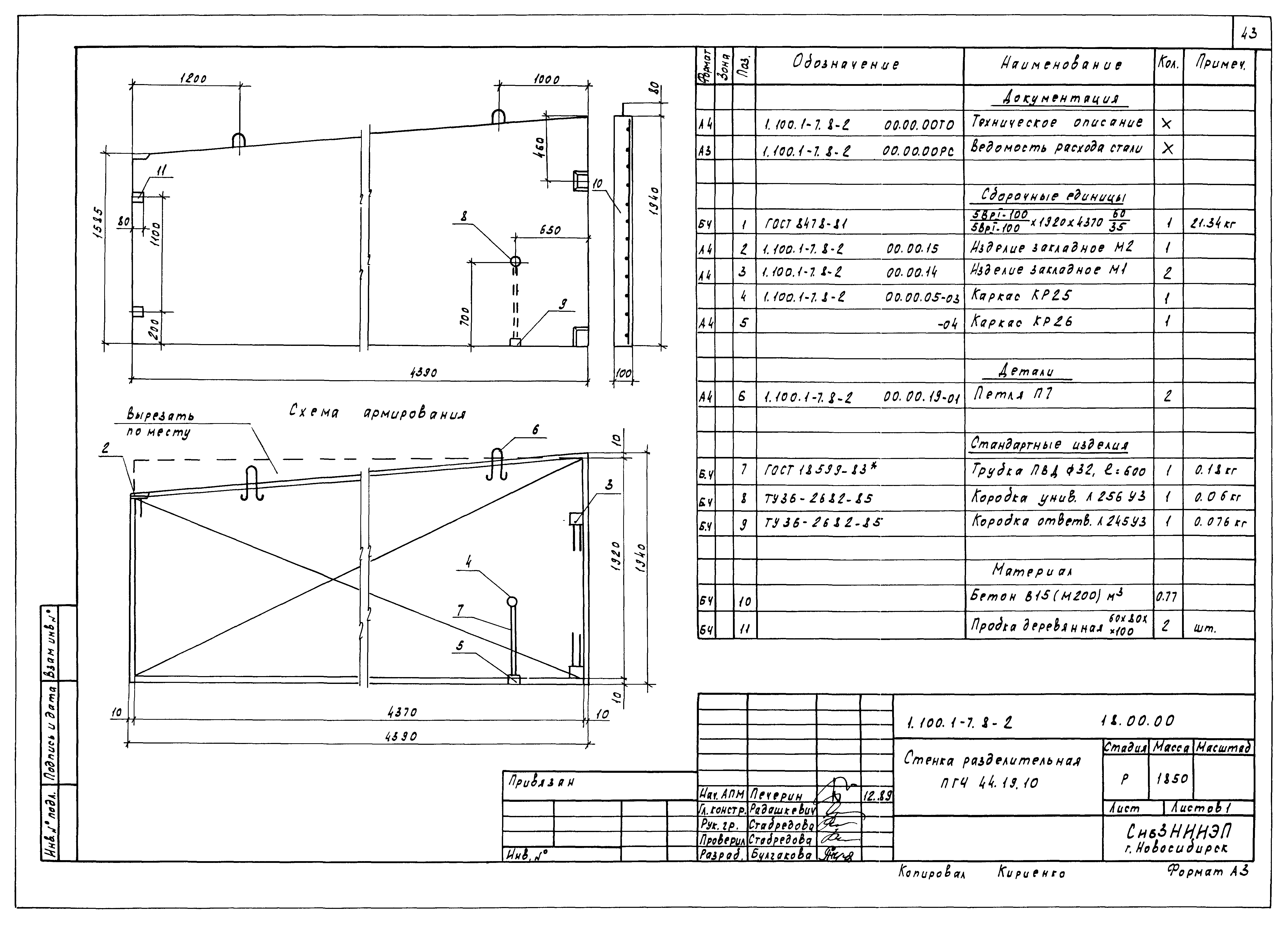
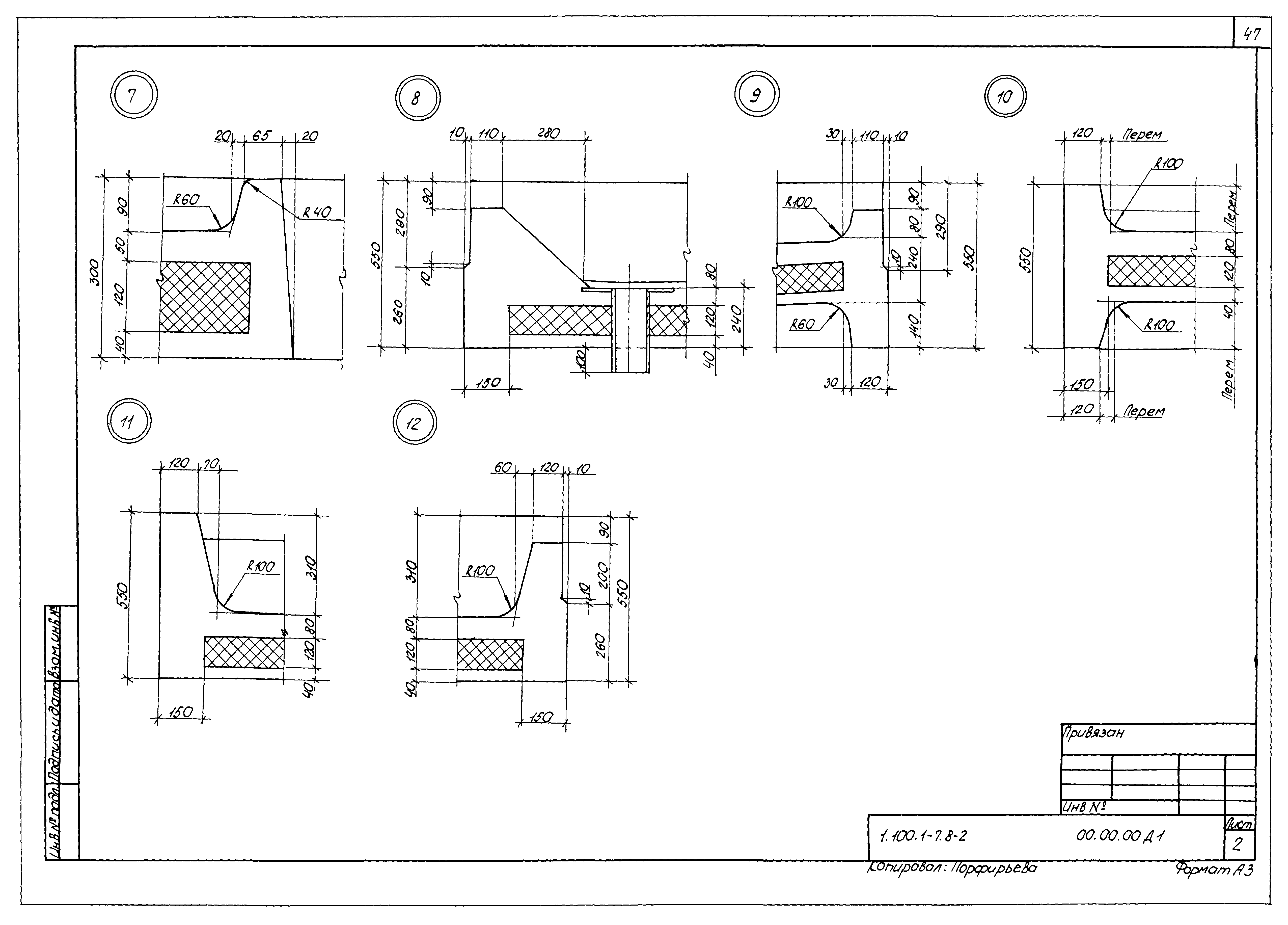
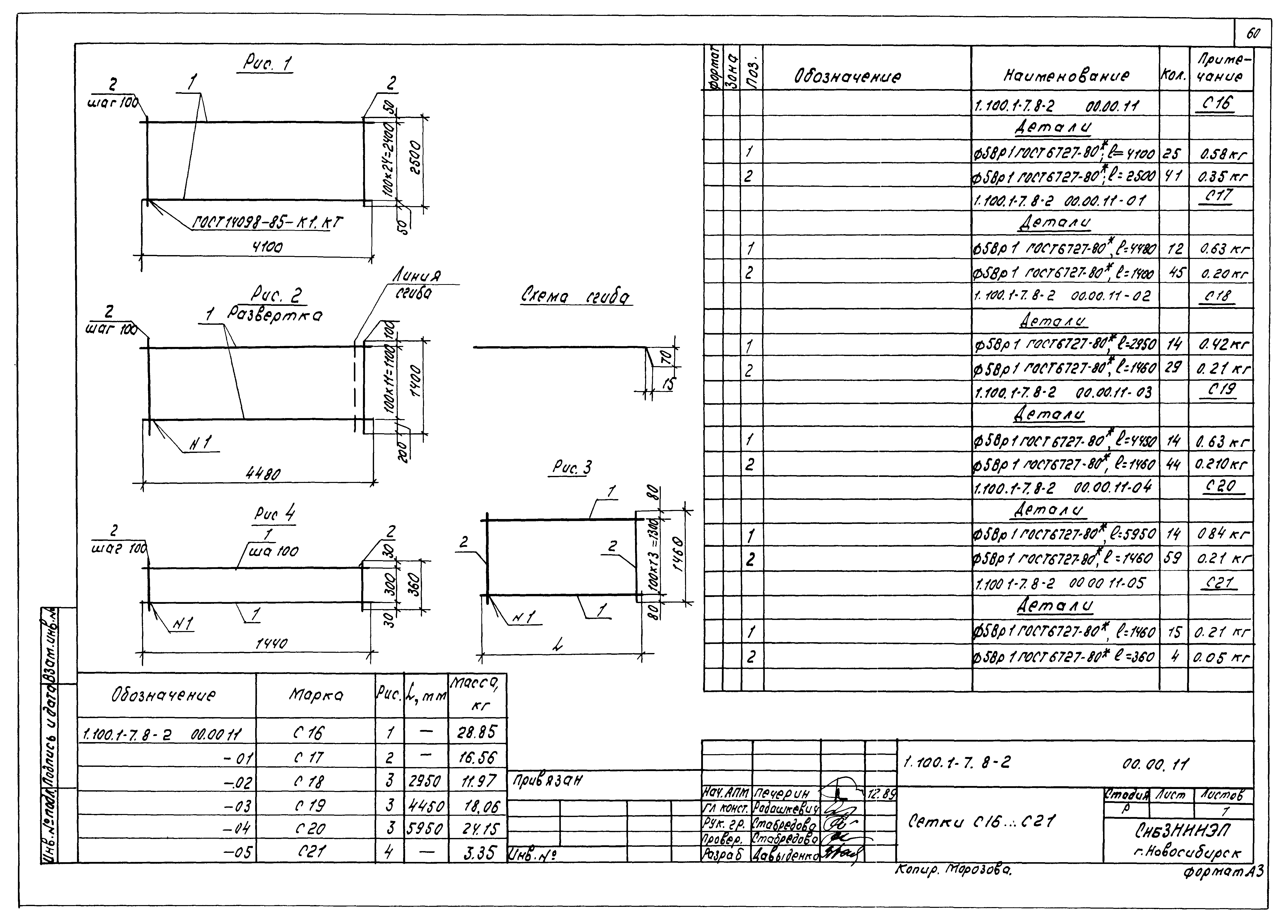
| Оглавление: | 1.100.1-7.8-2 00.00.00 Содержание 1.100.1-7.8-2 00.00.00ТО Техническое описание 1.100.1-7.8-2 00.00.00НИ Номенклатура изделий 1.100.1-7.8-2 01.00.00 Панель кровельная 3КПТ60.7.5-18АIV;3КПТ45.7.5-14АIV;3КПТ60.15-18АIV;3КПТ45.15-14АIV 1.100.1-7.8-2 01.00.00 СБ Панель кровельная 3КПТ60.7.5-18АIV;3КПТ45.7.5-14АIV;3КПТ60.15-18АIV;3КПТ45.15-14АIV. Сборочный чертеж 1.100.1-7.8-2 02.00.00 Панель кровельная 3КПТ45.25-14АIV 1.100.1-7.8-2 03.00.00 Панель кровельная 3КПТ60.30-18АIV;3КПТ45.30-14АIV 1.100.1-7.8-2 03.00.00 СБ Панель кровельная 3КПТ60.30-18АIV;3КПТ45.30-14АIV. Сборочный чертеж 1.100.1-7.8-2 04.00.00 Панель кровельная 3КПТ60.30-25АIV 1.100.1-7.8-2 04.00.00 СБ Панель кровельная 3КПТ60.30-25АIV. Сборочный чертеж 1.100.1-7.8-2 05.00.00 Панель кровельная 3КПТ60.30-18АIV-1 1.100.1-7.8-2 05.00.00 СБ Панель кровельная 3КПТ60.30-18АIV-1. Сборочный чертеж 1.100.1-7.8-2 06.00.00 Панель кровельная 3КПТ45.30-14АIV-1 1.100.1-7.8-2 06.00.00 СБ Панель кровельная 3КПТ45.30-14АIV-1. Сборочный чертеж 1.100.1-7.8-2 07.00.00 Лоток водосборный 3ЛВТ30.15;3ЛВТ45.15-16АIV;3ЛВТ60.15-18АIV 1.100.1-7.8-2 07.00.00 СБ Лоток водосборный 3ЛВТ30.15;3ЛВТ45.15-16АIV;3ЛВТ60.15-18АIV. Сборочный чертеж 1.100.1-7.8-2 08.00.00 Опора лотка ОЛ15.12.20-Л 1.100.1-7.8-2 09.00.00 Опора лотка ОЛ30.12.20-Л 1.100.1-7.8-2 10.00.00 Шахта вентиляционная ВШ21.21.105-Л 1.100.1-7.8-2 11.00.00 Плита шахты вентиляционной П27.17.6 1.100.1-7.8-2 12.00.00 Короб вентиляционный ОВ10.6.47 1.100.1-7.8-2 13.00.00 Нащельник ПН15.30 1.100.1-7.8-2 14.00.00 Стенка разделительная ПГ4.43.19.10 1.100.1-7.8-2 15.00.00 Стенка разделительная ПГ4.29.16.10 1.100.1-7.8-2 16.00.00 Стенка разделительная ПГ4.36.19.10 1.100.1-7.8-2 17.00.00 Стенка разделительная ПГ4.51.20.10 1.100.1-7.8-2 18.00.00 Стенка разделительная ПГ4.44.19.10 1.100.1-7.8-2 19.00.00 Стенка машинного помещения ПГВ31.30.8 1.100.1-7.8-2 20.00.00 Стенка машинного помещения ПГВ29.30.8 1.100.1-7.8-2 00.00.00Д1 Узлы опалубки 1.100.1-7.8-2 00.00.00Д2 Узлы армирования 1.100.1-7.8-2 00.00.01 Каркасы КР1...КР4 1.100.1-7.8-2 00.00.02 Каркасы КР5...КР10 1.100.1-7.8-2 00.00.03 Каркасы КР11...КР16 1.100.1-7.8-2 00.00.04 Каркасы КР17...КР21 1.100.1-7.8-2 00.00.05 Каркасы КР22...КР26 1.100.1-7.8-2 00.00.06 Каркасы КР27...КР32 1.100.1-7.8-2 00.00.07 Сетки С1...С6 1.100.1-7.8-2 00.00.08 Сетки С7...С9-1 1.100.1-7.8-2 00.00.09 Сетки С10...С13 1.100.1-7.8-2 00.00.10 Сетки С14...С15 1.100.1-7.8-2 00.00.11 Сетки С16...С21 1.100.1-7.8-2 00.00.12 Сетки С22-С26 1.100.1-7.8-2 00.00.13 Сетки С27-С30 1.100.1-7.8-2 00.00.14 Деталь закладная М1 1.100.1-7.8-2 00.00.15 Деталь закладная М2 1.100.1-7.8-2 00.00.16 Деталь закладная М3 1.100.1-7.8-2 00.00.17 Деталь закладная М4 1.100.1-7.8-2 00.00.18 Петли монтажные П1...П5 1.100.1-7.8-2 00.00.18 СБ Петли монтажные П1...П5. Сборочный чертеж 1.100.1-7.8-2 00.00.19 Петли монтажные П6,П7 1.100.1-7.8-2 00.00.19 СБ Петли монтажные П6,П7. Сборочный чертеж 1.100.1-7.8-2 00.00.00РС Ведомость расхода стали |
| Разработан: | СибЗНИИЭП Госгражданстроя |
| Утверждён: | 23.03.1990 Госкомархитектура (46) |



































































