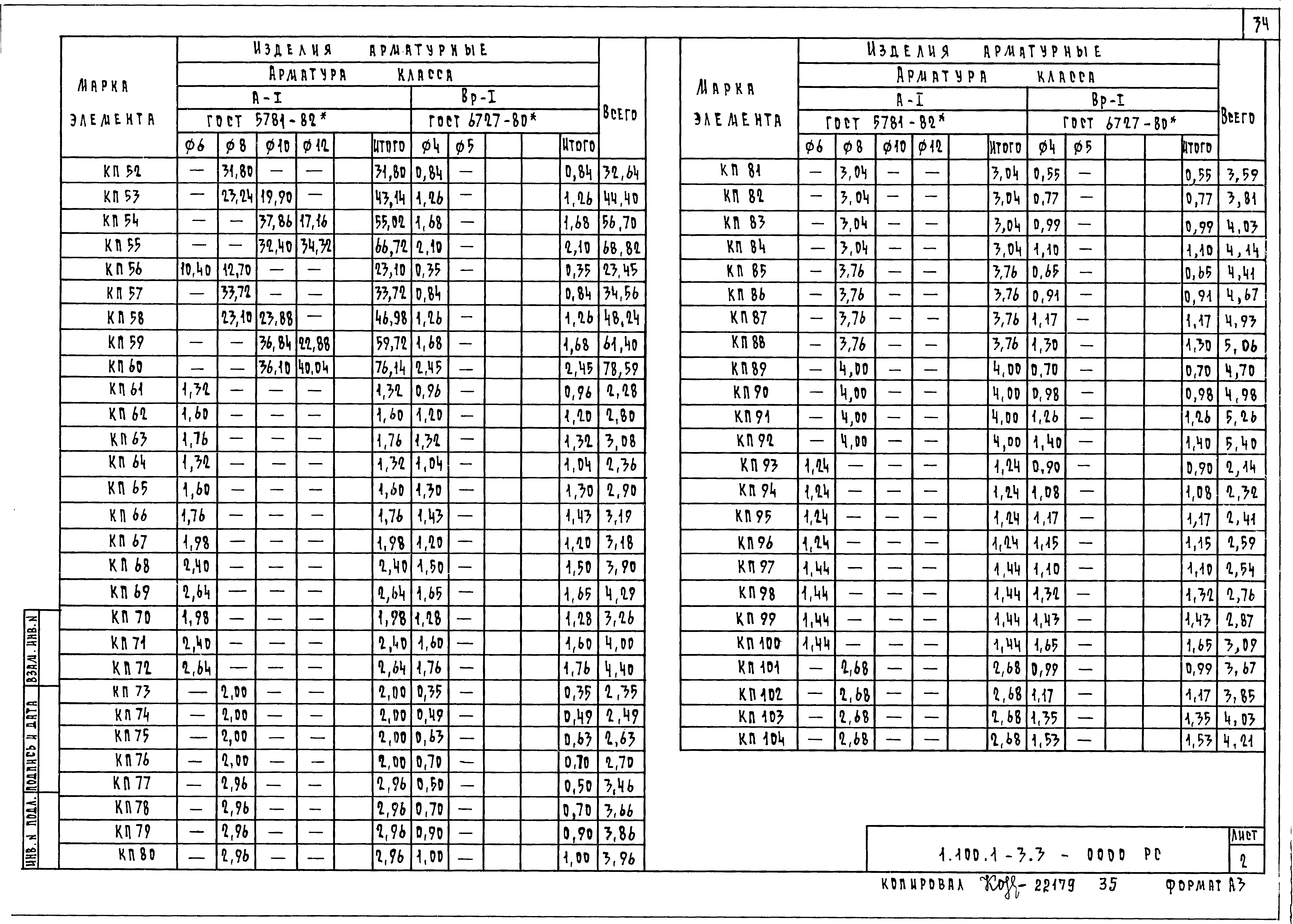
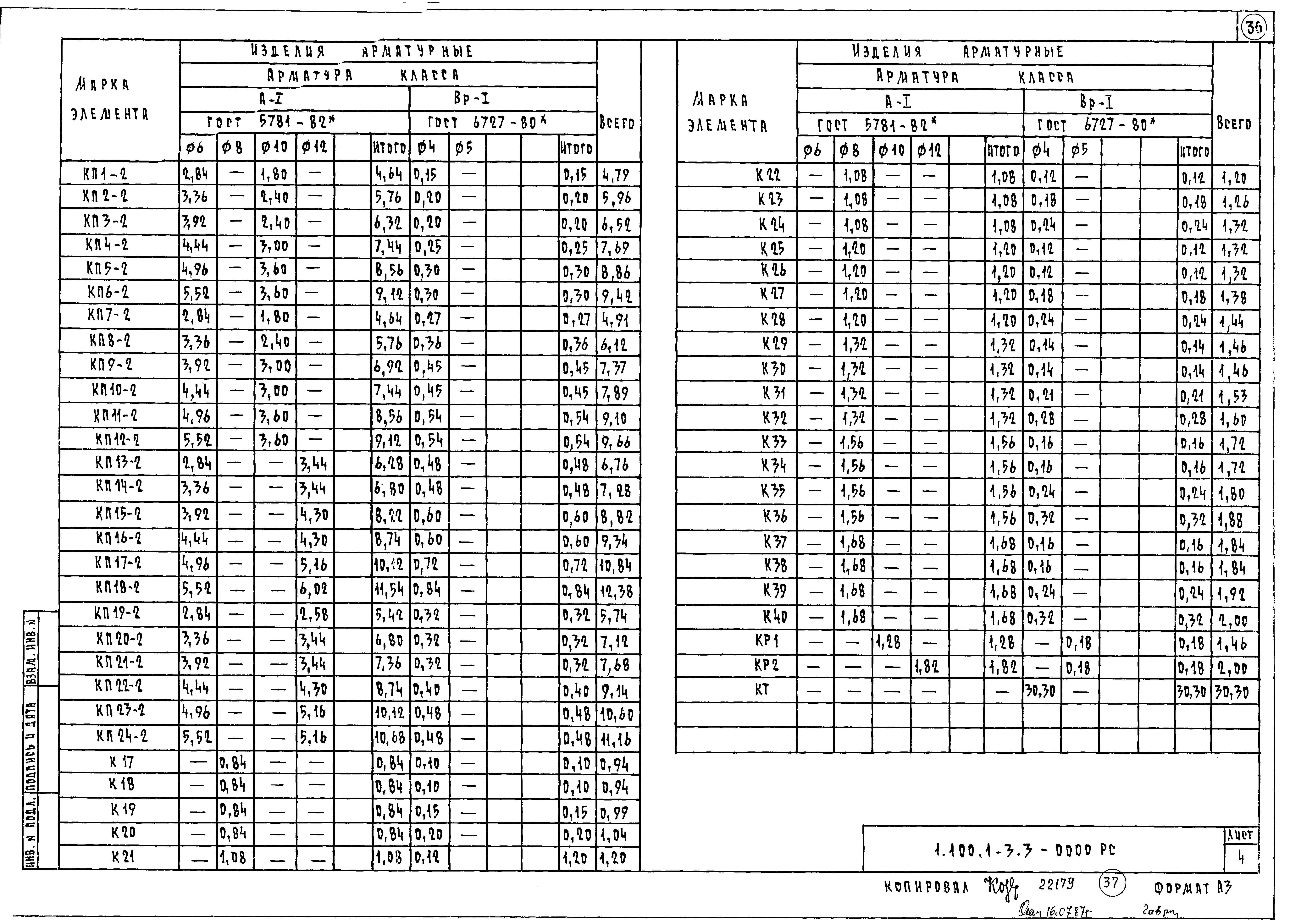
Скачать Серия 1.100.1-3 Выпуск 3. Элементы и узлы сопряжения монолитных стен. Арматурные изделия. Рабочие чертежиДата актуализации: 01.01.2021
|
| Обозначение: | Серия 1.100.1-3 |
| Обозначение англ: | Series 1.100.1-3 |
| Статус: | не определен законодательством |
| Название рус.: | Выпуск 3. Элементы и узлы сопряжения монолитных стен. Арматурные изделия. Рабочие чертежи |
| Дата добавления в базу: | 01.09.2013 |
| Дата актуализации: | 01.01.2021 |
| Дата введения: | 15.05.1987 |
| Дата окончания срока действия: | 30.06.2003 |
| Разработан: | ЦНИИЭП граждансельстрой ЦНИИЭП жилища |
| Утверждён: | 11.05.1987 Госгражданстрой (Gosgrazhdanstroy 150) |




































