Скачать Серия 1.100.1-4 Выпуск 4. Элементы монолитных стен при сборных перекрытиях из многопустотных панелей. Материалы для проектирования. Арматурные изделия. Рабочие чертежиДата актуализации: 01.01.2021
|
| Обозначение: | Серия 1.100.1-4 |
| Обозначение англ: | Series 1.100.1-4 |
| Статус: | не определен законодательством |
| Название рус.: | Выпуск 4. Элементы монолитных стен при сборных перекрытиях из многопустотных панелей. Материалы для проектирования. Арматурные изделия. Рабочие чертежи |
| Дата добавления в базу: | 01.09.2013 |
| Дата актуализации: | 01.01.2021 |
| Дата введения: | 01.01.1988 |
| Дата окончания срока действия: | 30.06.2003 |
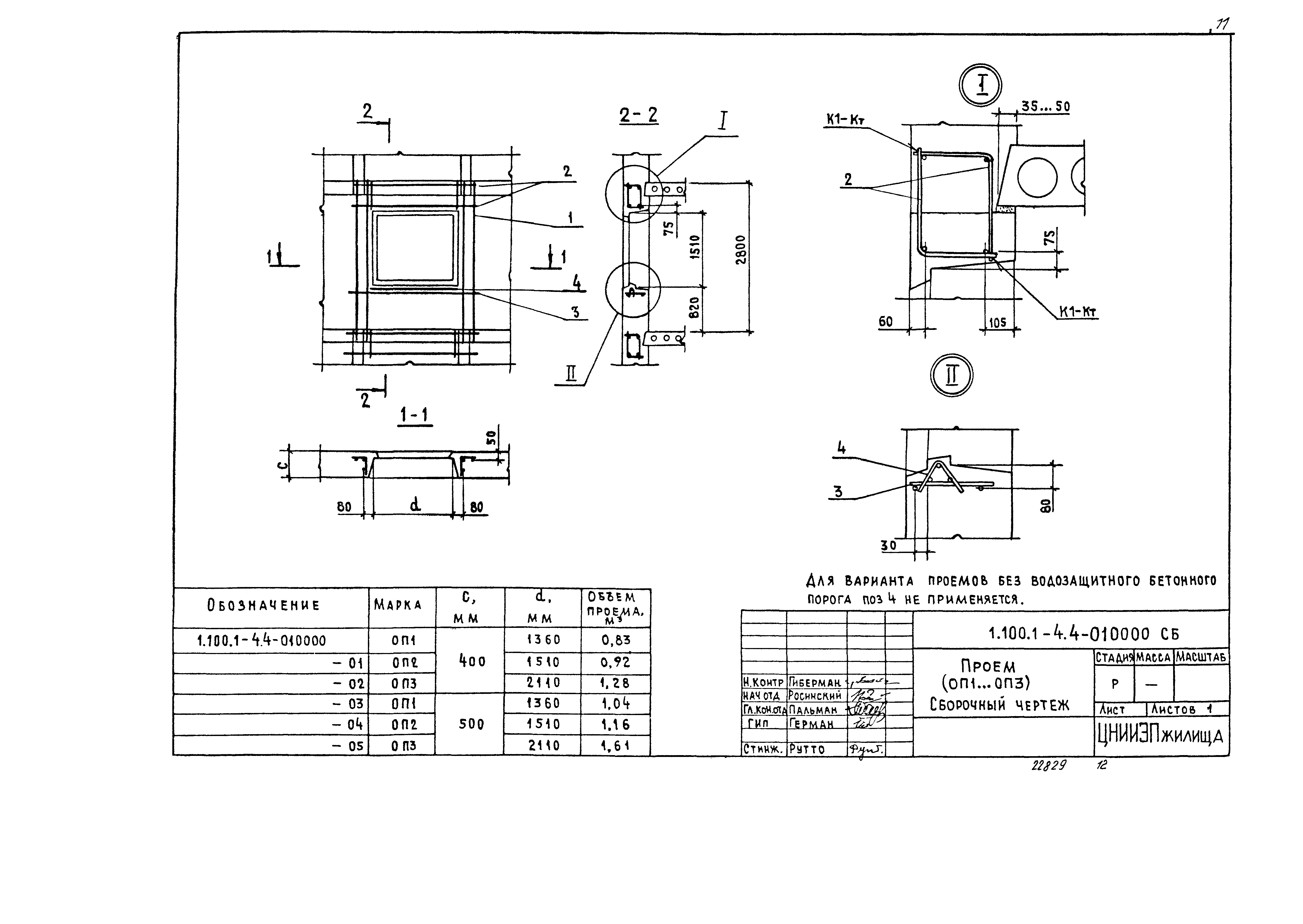
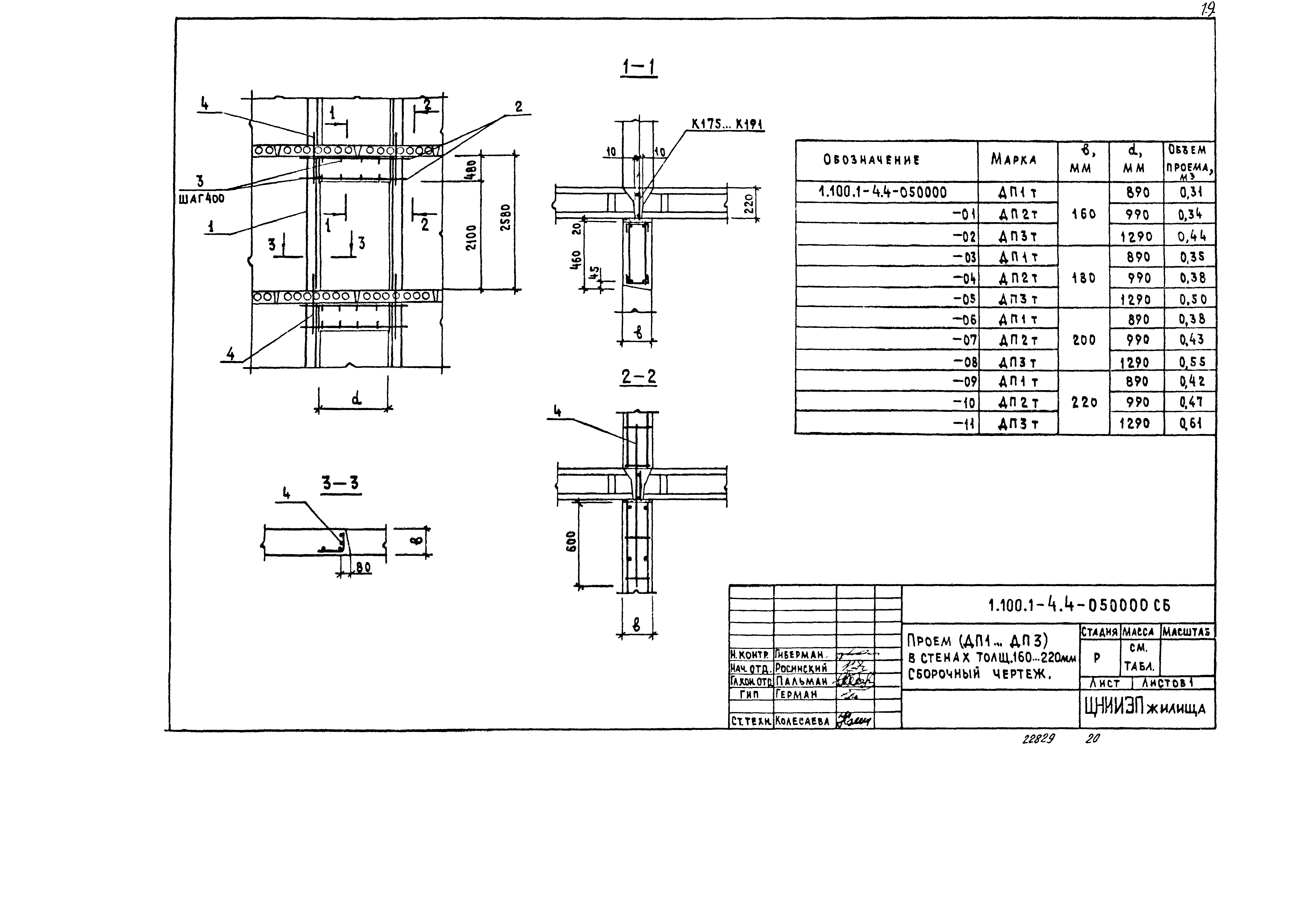
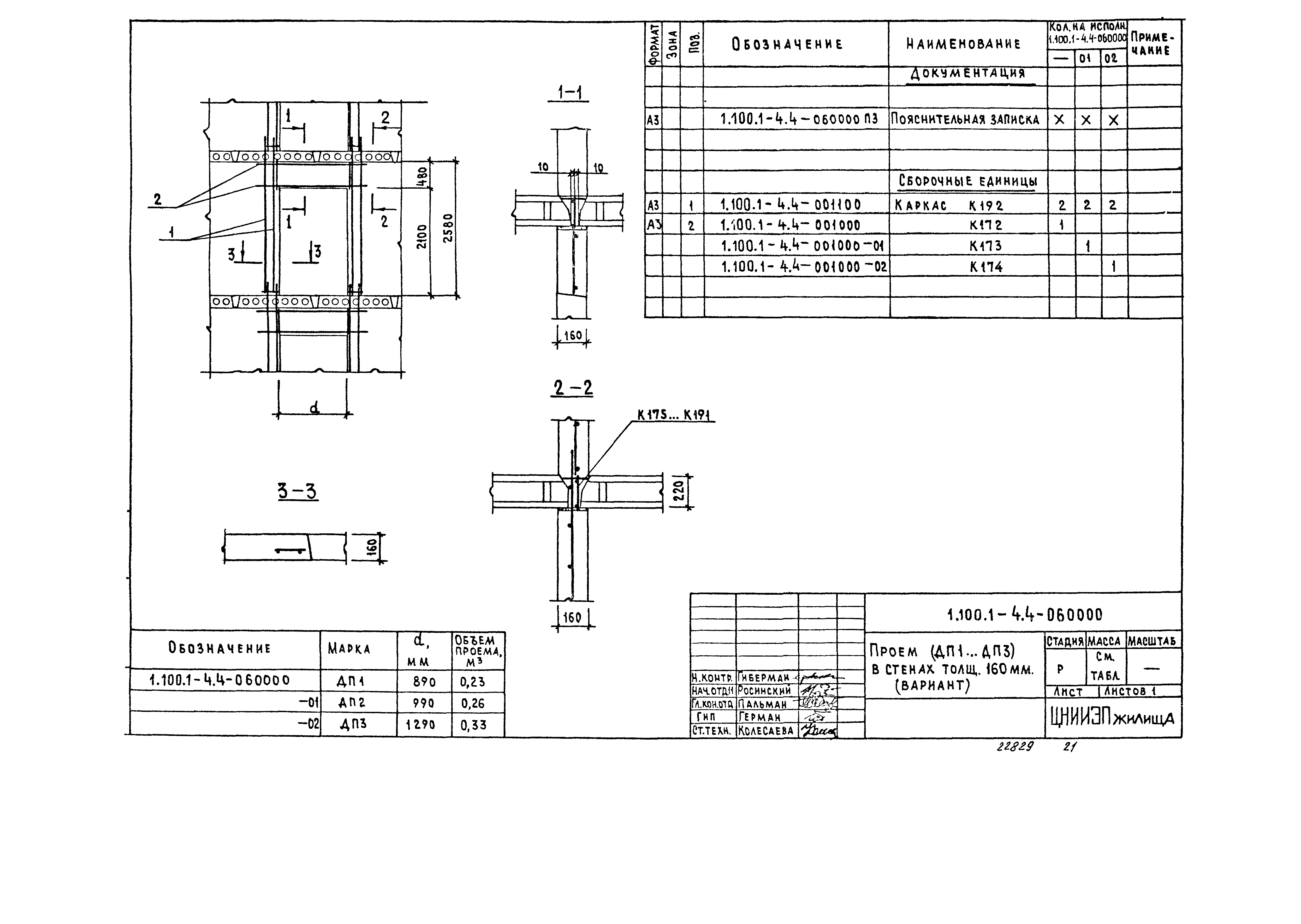
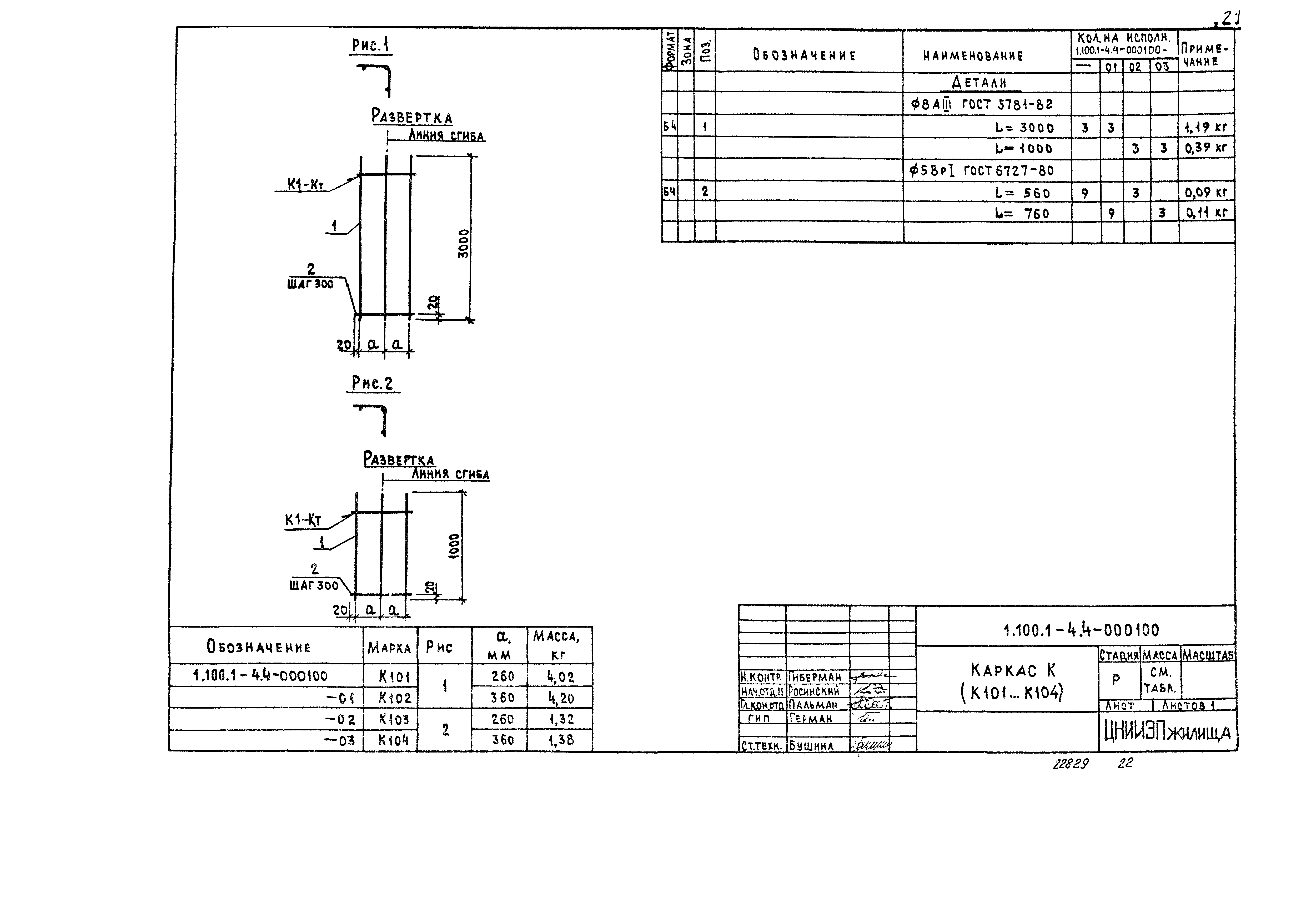
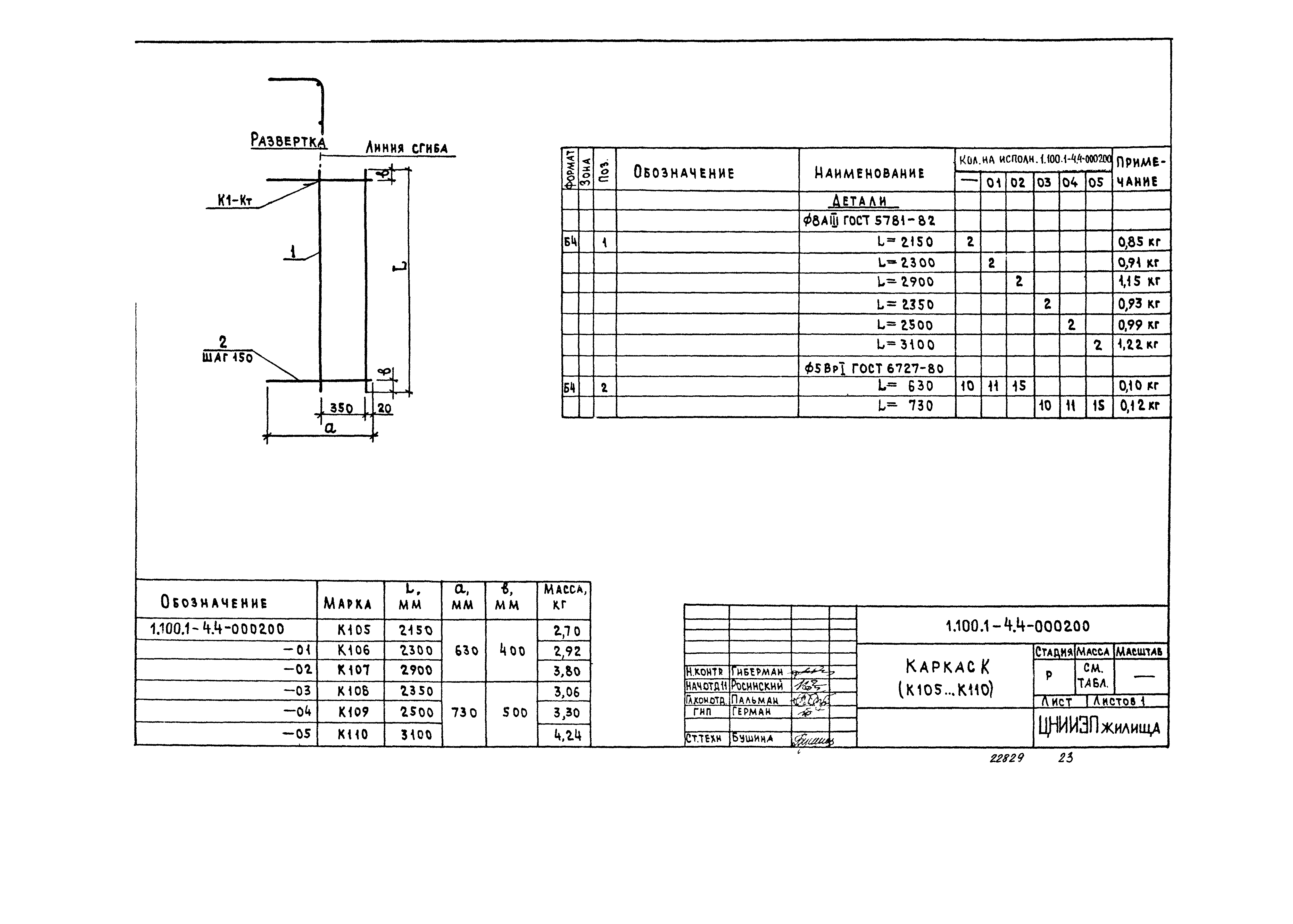
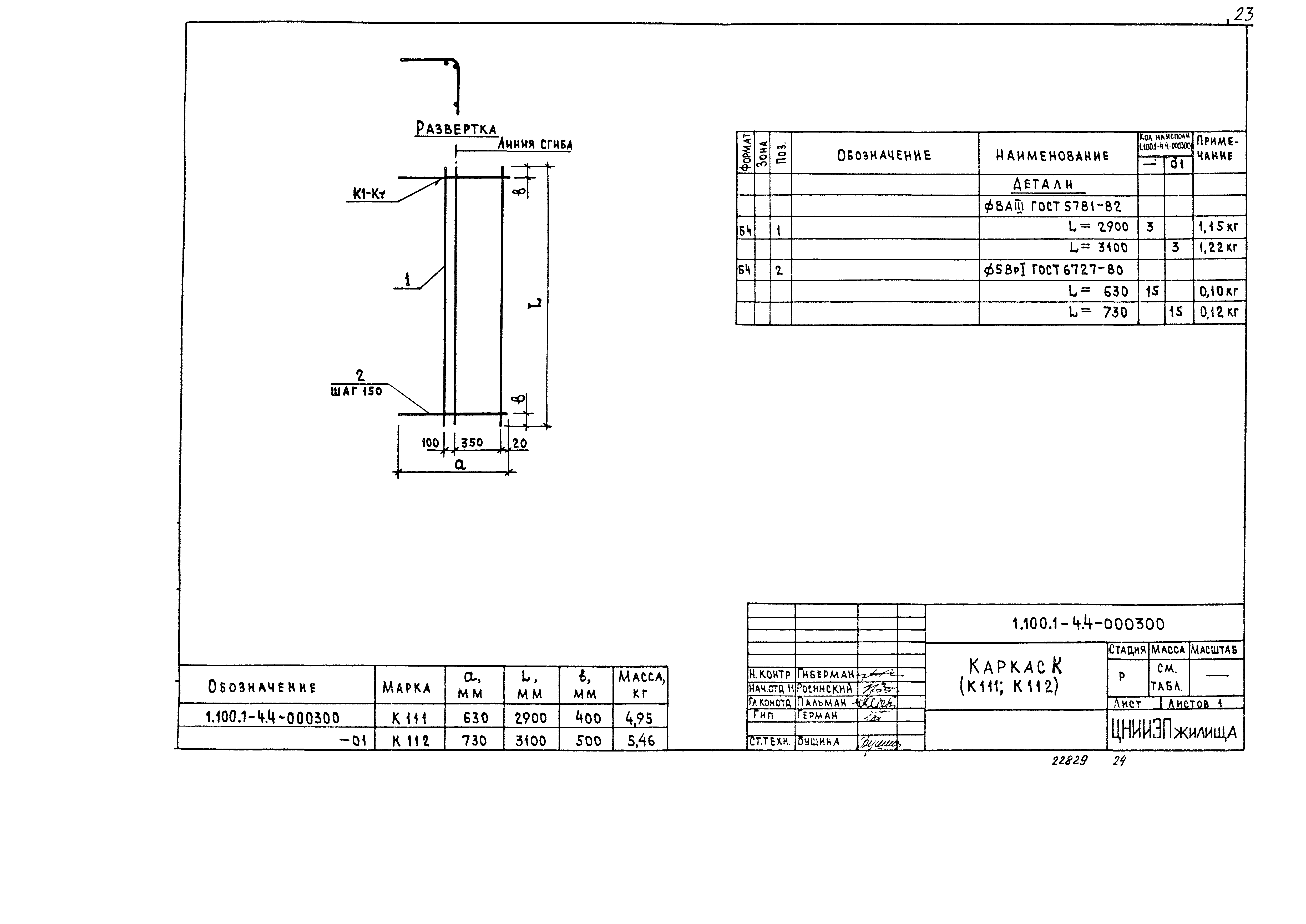
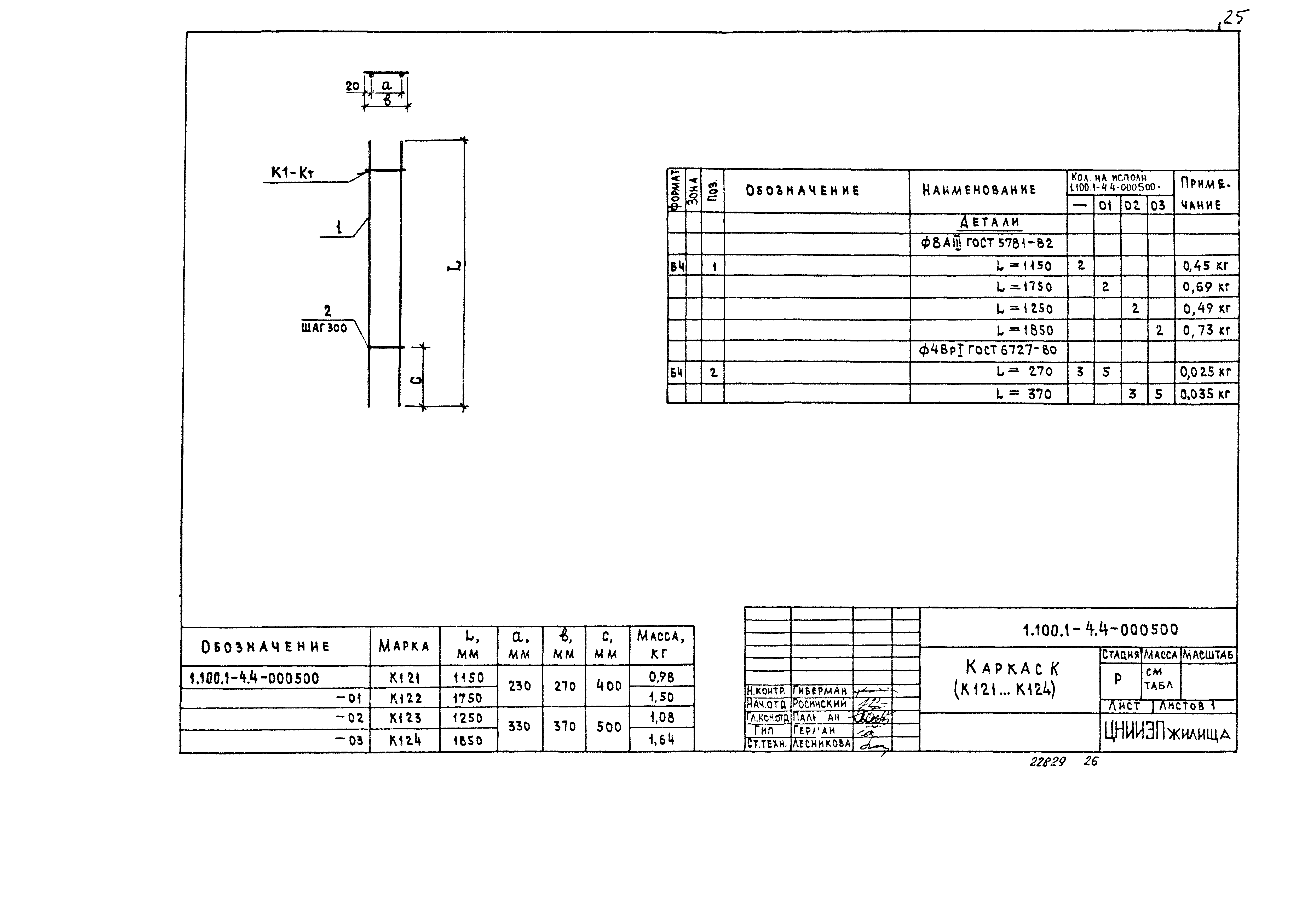
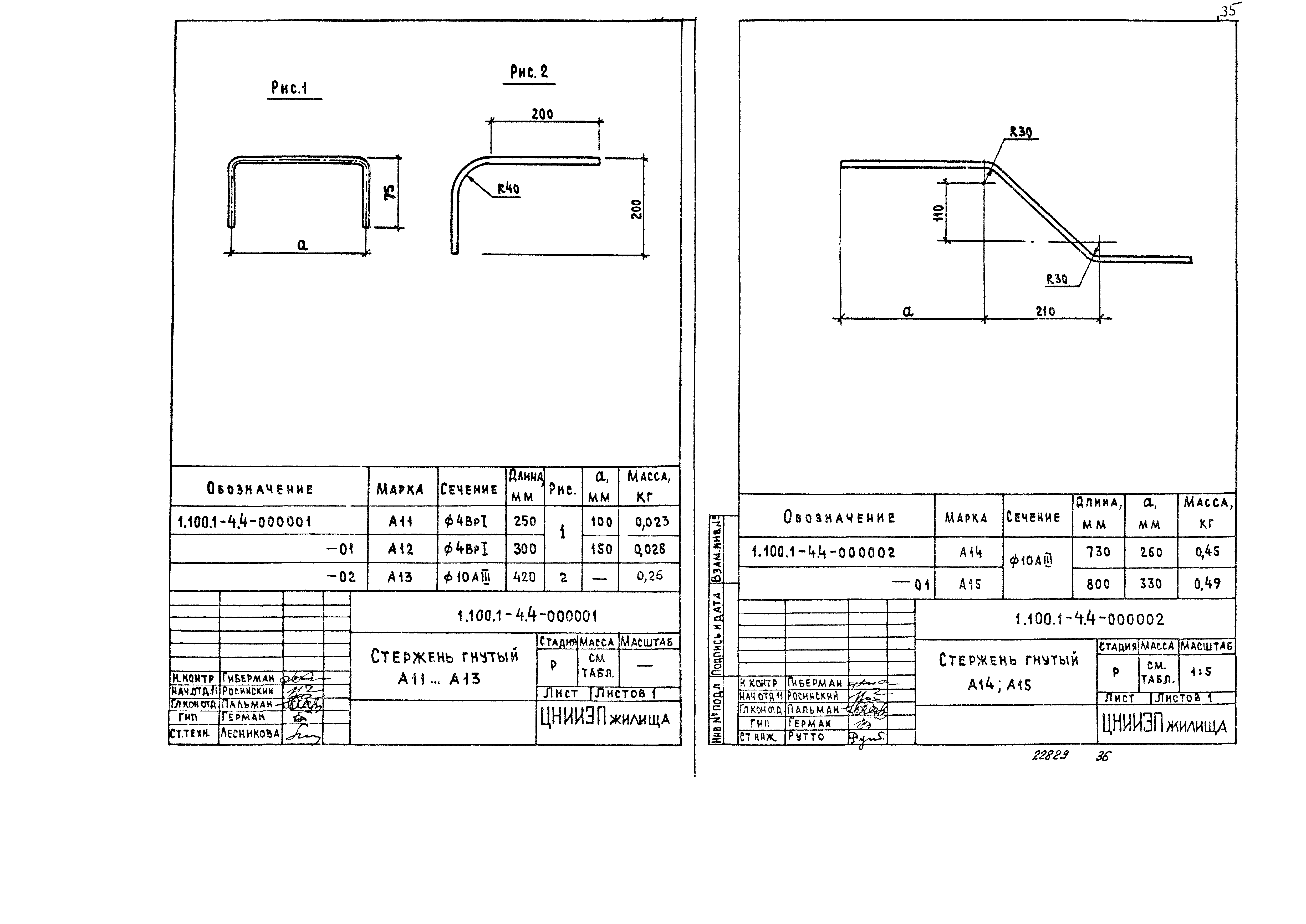
| Оглавление: | 1.100.1-4.4-000000 ПЗ Пояснительная записка 1.100.1-4.4-000000 Д1 Модифицированные сборные панели перекрытия 1.100.1-4.4-000000 Д2 Пример раскладки панелей перекрытия. Узлы опирания 1.100.1-4.4-010000 Проем (ОП1...ОП3) 1.100.1-4.4-010000 СБ Проем (ОП1...ОП3). Сборочный чертеж 1.100.1-4.4-020000 Проем с усиленной перемычкой (ОП1т...ОП3т) 1.100.1-4.4-020000 СБ Проем с усиленной перемычкой (ОП1т...ОП3т). Сборочный чертеж 1.100.1-4.4-030000 Проем БП1,БП2 1.100.1-4.4-030000 СБ Проем БП1,БП2. Сборочный чертеж 1.100.1-4.4-040000 Проем с усиленной перемычкой БП1т,БП2т 1.100.1-4.4-040000 СБ Проем с усиленной перемычкой БП1т,БП2т. Сборочный чертеж 1.100.1-4.4-050000 Проем (ДП1...ДП3) в стенах толщ. 160...220 1.100.1-4.4-050000 СБ Проем (ДП1...ДП3) в стенах толщ. 160...220. Сборочный чертеж 1.100.1-4.4-060000 Проем (ДП1...ДП3) в стенах толщ. 160 (вариант) 1.100.1-4.4-000100 Каркас К(К101...К104) 1.100.1-4.4-000200 Каркас К(К105...К110) 1.100.1-4.4-000300 Каркас К(К111...К112) 1.100.1-4.4-000400 Каркас К(К113...К120) 1.100.1-4.4-000500 Каркас К(К121...К124) 1.100.1-4.4-000600 Каркас К(К125...К130) 1.100.1-4.4-000700 Каркас К(К131...К159) 1.100.1-4.4-000700 СБ Каркас К(К131...К159). Сборочный чертеж 1.100.1-4.4-000800 Каркас К(К160...К163) 1.100.1-4.4-000900 Каркас К(К170,К171) 1.100.1-4.4-001000 Каркас К(К172...К174) 1.100.1-4.4-001100 Каркас К(К175...К192) 1.100.1-4.4-001100 СБ Каркас К(К175...К192). Сборочный чертеж 1.100.1-4.4-000001 Стержень гнутый А11...А13 1.100.1-4.4-000002 Стержень гнутый А14;А15 1.100.1-4.4-001200 Каркас К(К1,К2,К6,К7,К9,К10) 1.100.1-4.4-001300 Каркас К(К15,К16) 1.100.1-4.4-001400 Каркас К(К17...К20) 1.100.1-4.4-001500 Сетка С1 |
| Разработан: | ЦНИИЭП жилища |
| Утверждён: | 15.12.1987 Госгражданстрой (Gosgrazhdanstroy 407) |
| Издан: | ЦИТП Госстроя СССР (CITP, Gosstroy (USSR) 1988 г. ) |








































