Скачать Серия 5.407-112 Выпуск 1. Монтажные чертежи. Чертежные изделияДата актуализации: 01.01.2021
|
| Обозначение: | Серия 5.407-112 |
| Обозначение англ: | Series 5.407-112 |
| Статус: | не определен законодательством |
| Название рус.: | Выпуск 1. Монтажные чертежи. Чертежные изделия |
| Дата добавления в базу: | 01.09.2013 |
| Дата актуализации: | 01.01.2021 |
| Дата введения: | 01.01.1990 |
| Дата окончания срока действия: | 30.06.2003 |
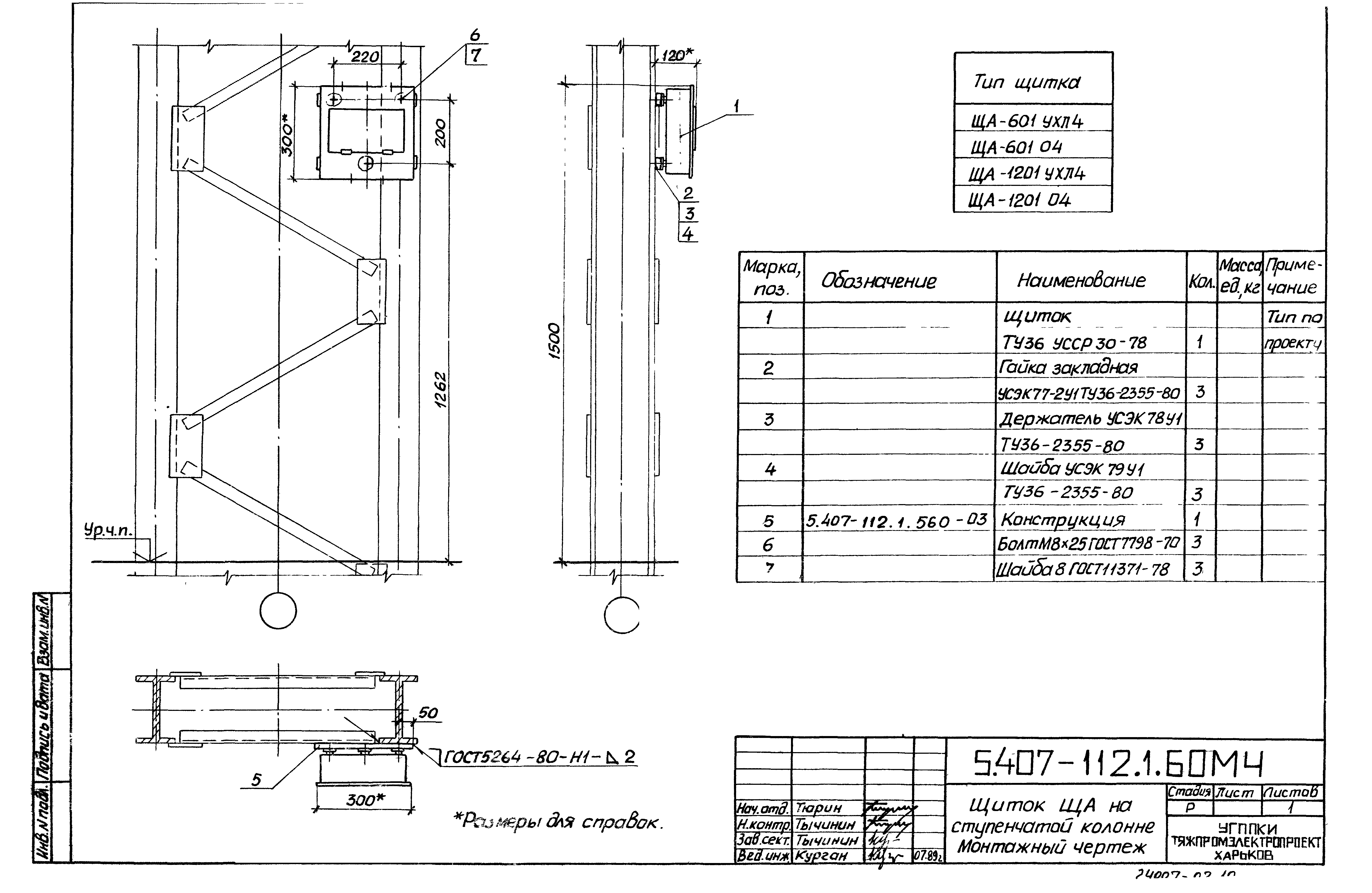
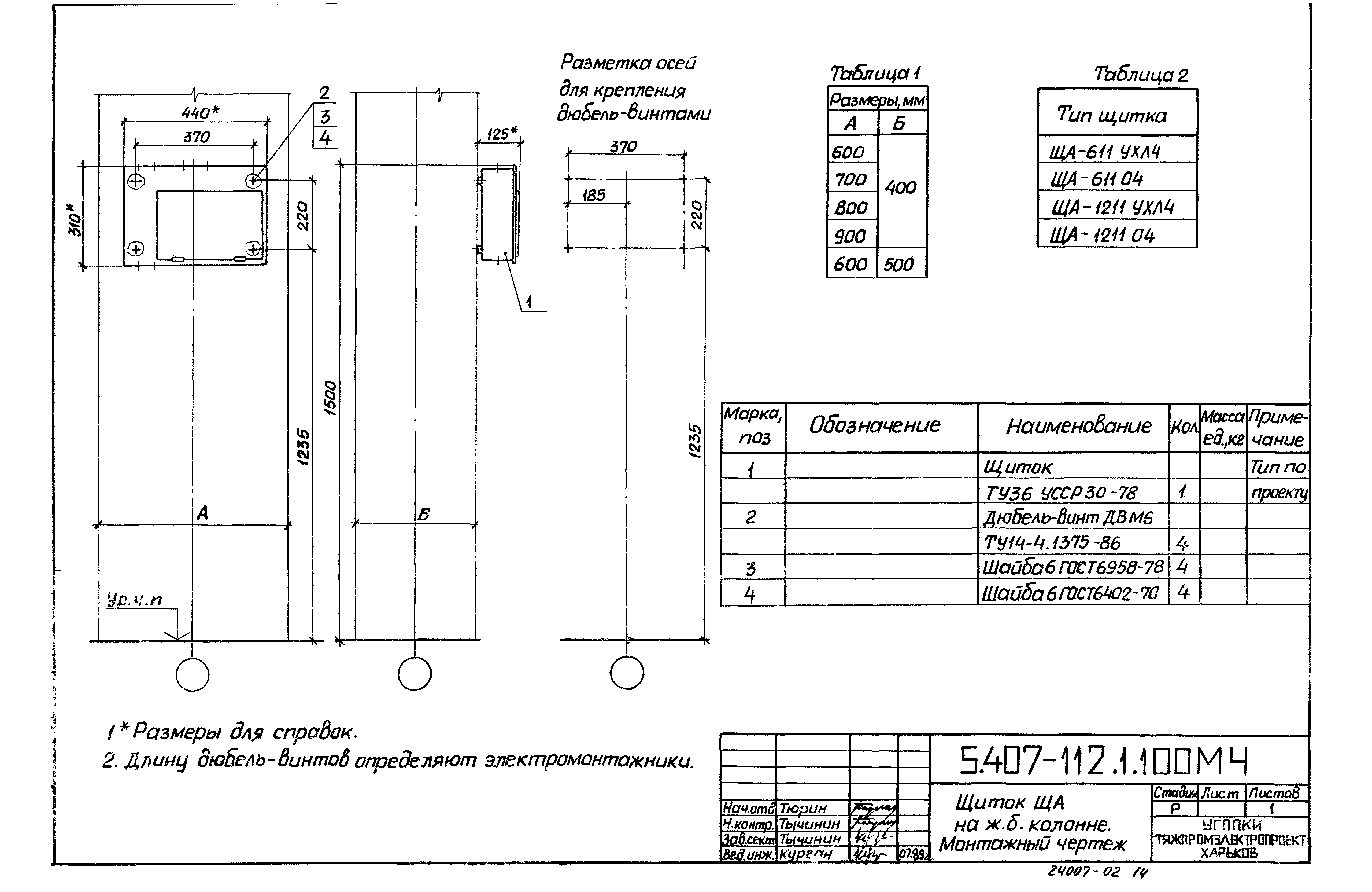
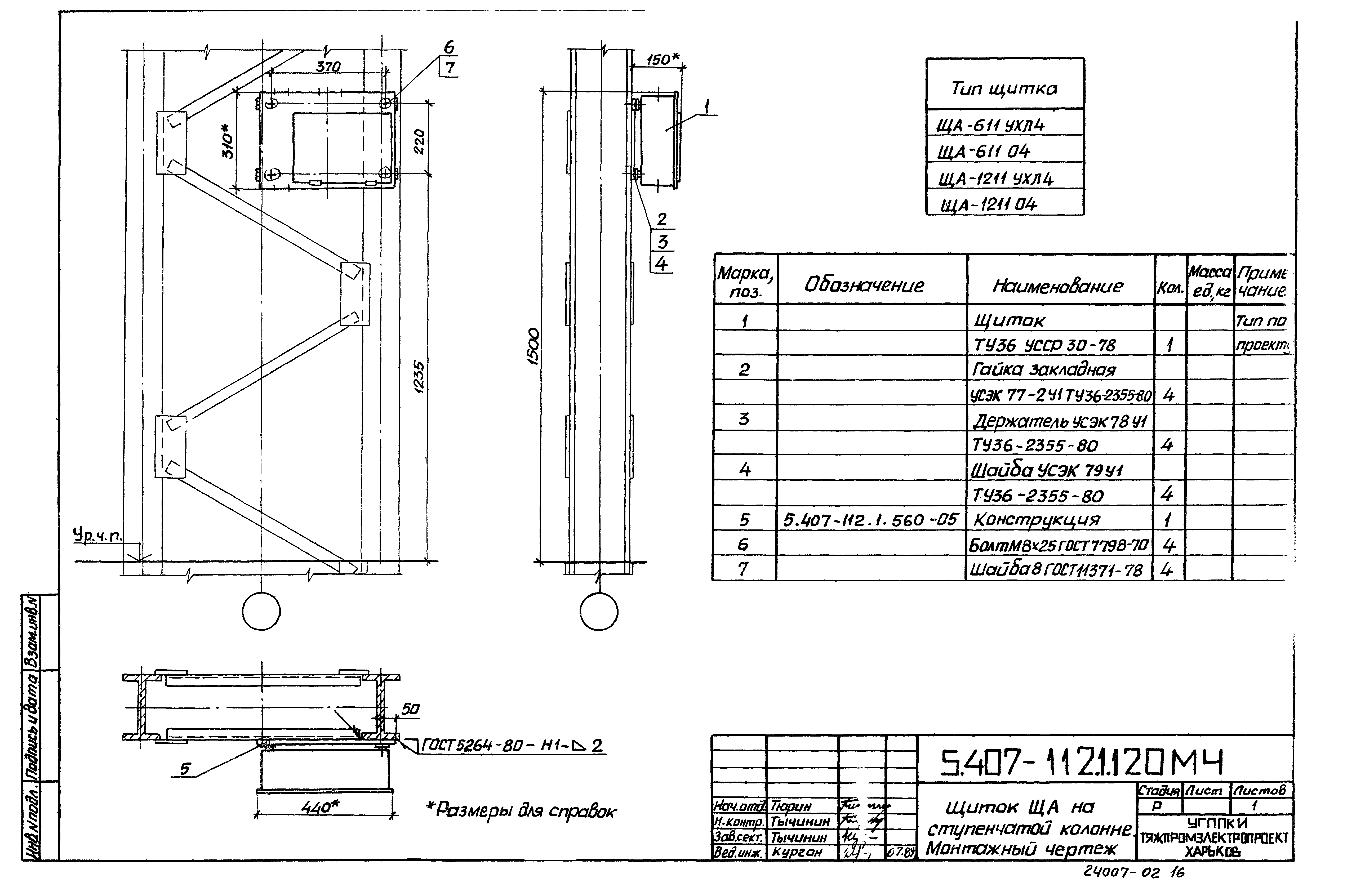
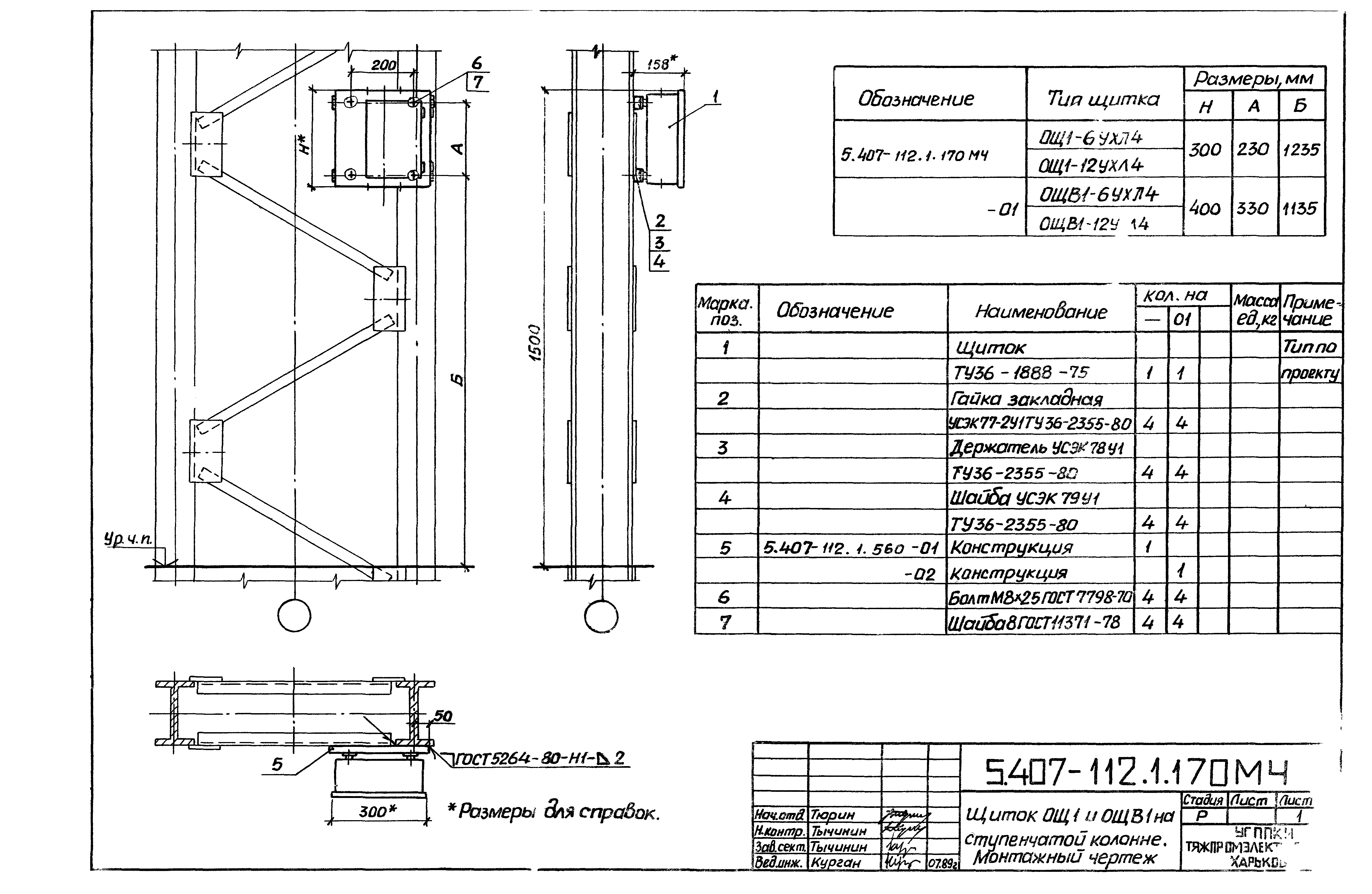
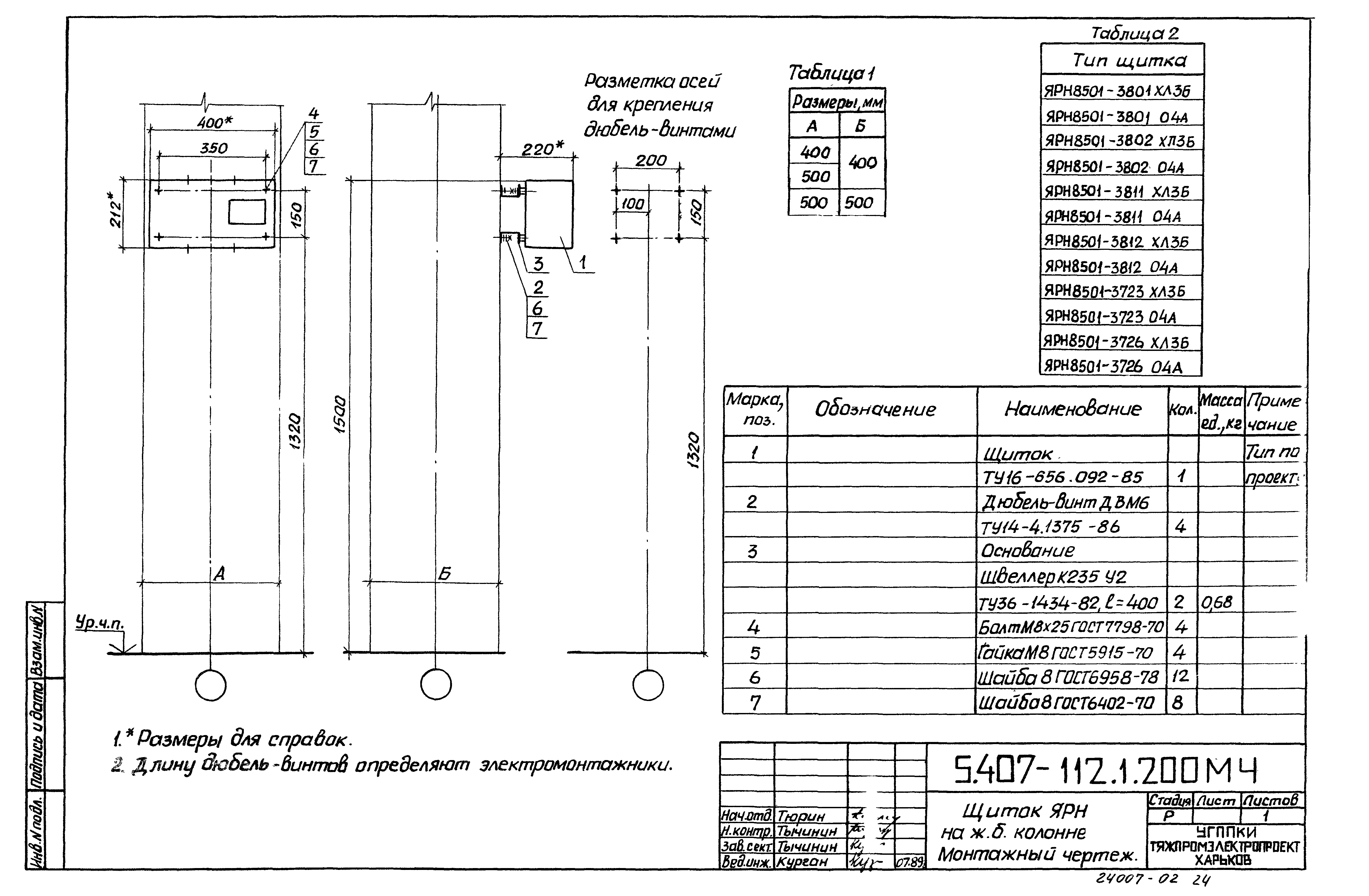
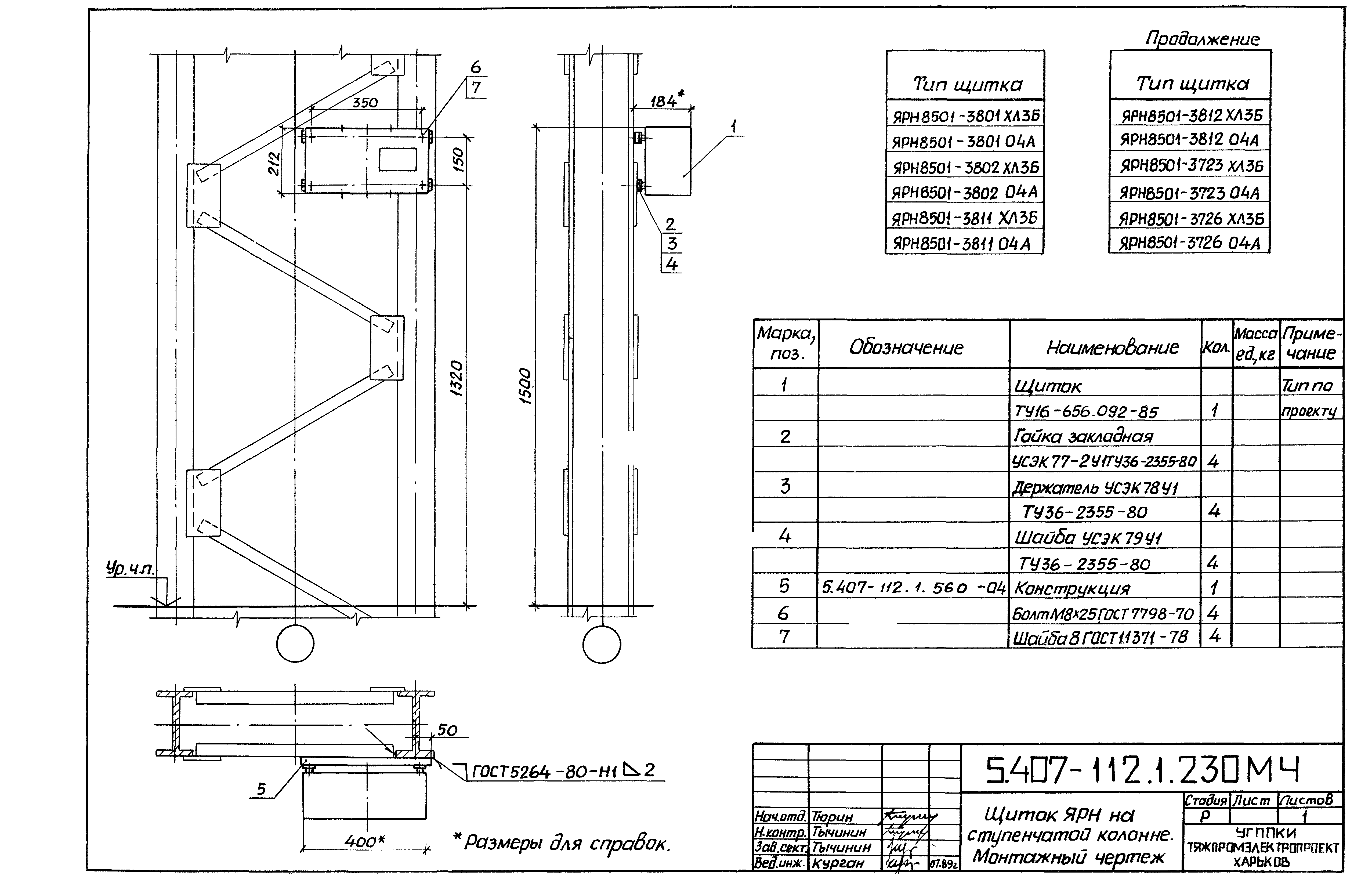
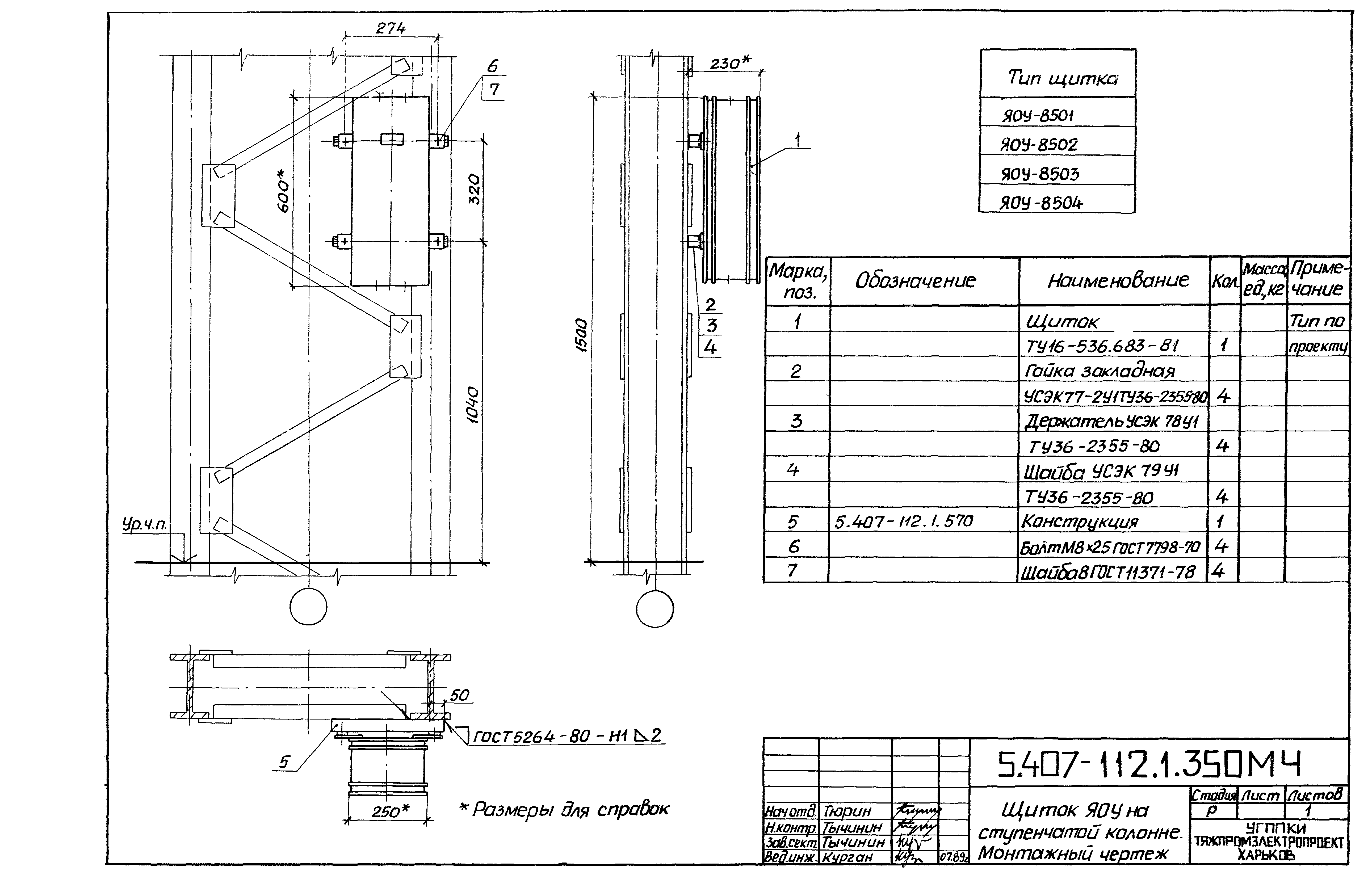
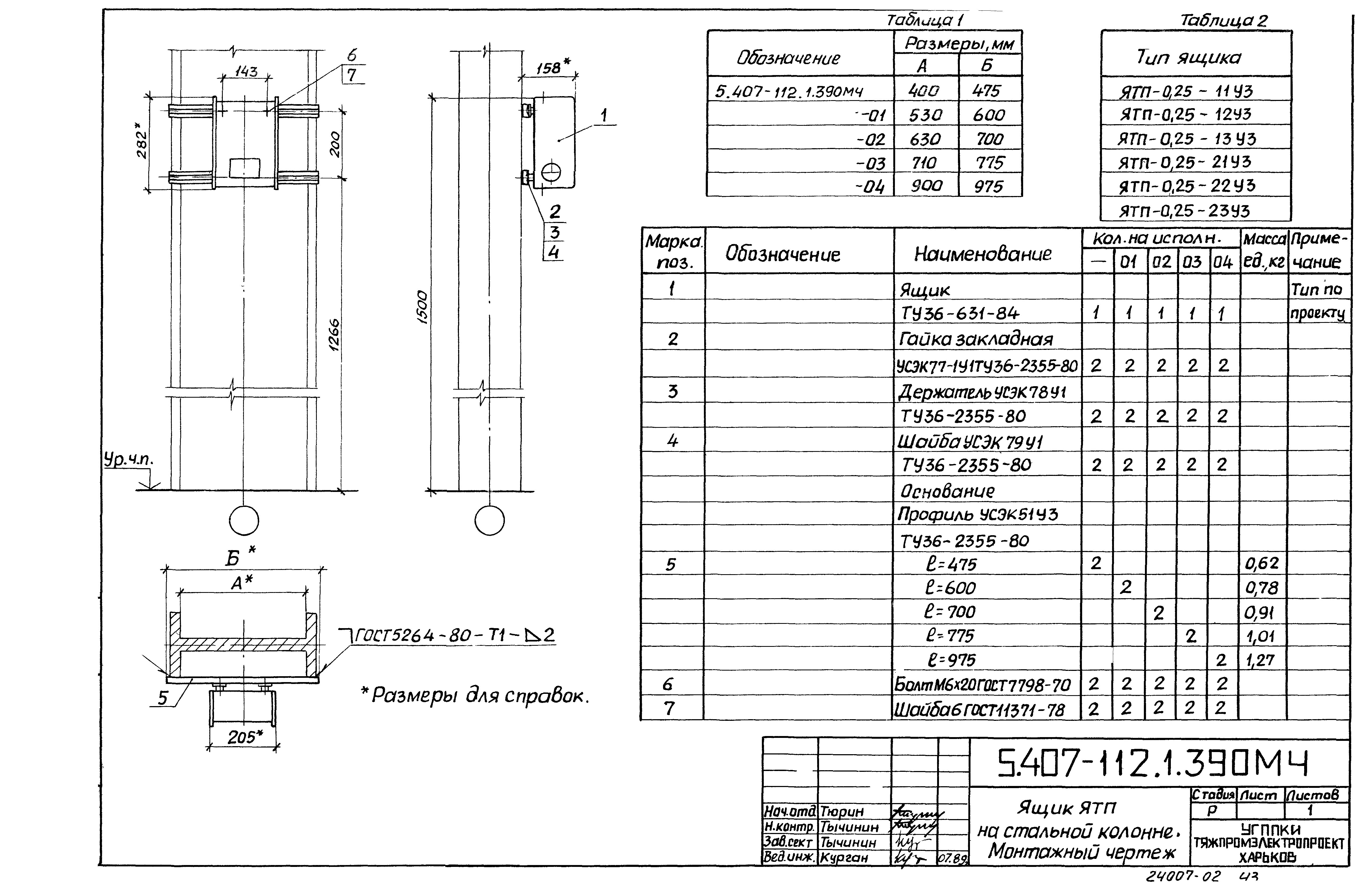
| Оглавление: | 5.407-112.1 Титульный лист 5.407-112.1 Содержание 5.407-112.1.10МЧ Щиток ЩА на стене. Монтажный чертеж 5.407-112.1.20МЧ Щиток ЩА на стене с коробом. Монтажный чертеж 5.407-112.1.30МЧ Щиток ЩА на ж.б. колонне. Монтажный чертеж 5.407-112.1.40МЧ Щиток ЩА на ж.б. колонне. Монтажный чертеж 5.407-112.1.50МЧ Щиток ЩА на стальной колонне. Монтажный чертеж 5.407-112.1.60МЧ Щиток ЩА на ступенчатой колонне. Монтажный чертеж 5.407-112.1.70МЧ Щиток ЩА на стене. Монтажный чертеж 5.407-112.1.80МЧ Щиток ЩА на стене с коробом. Монтажный чертеж 5.407-112.1.90МЧ Щиток ЩА на ж.б. колонне. Монтажный чертеж 5.407-112.1.100МЧ Щиток ЩА на ж.б. колонне. Монтажный чертеж 5.407-112.1.110МЧ Щиток ЩА на стальной колонне. Монтажный чертеж 5.407-112.1.120МЧ Щиток ЩА на ступенчатой колонне. Монтажный чертеж 5.407-112.1.130МЧ Щиток ОЩ1 и ОЩВ1 на стене. Монтажный чертеж 5.407-112.1.140МЧ Щиток ОЩ1 и ОЩВ1 на стене с коробом. Монтажный чертеж 5.407-112.1.150МЧ Щиток ОЩ1 и ОЩВ1 на ж.б. колонне. Монтажный чертеж 5.407-112.1.160МЧ Щиток ОЩ1 и ОЩВ1 на стальной колонне. Монтажный чертеж 5.407-112.1.170МЧ Щиток ОЩ1 и ОЩВ1 на ступенчатой колонне. Монтажный чертеж 5.407-112.1.180МЧ Щиток ЯРН на стене. Монтажный чертеж 5.407-112.1.190МЧ Щиток ЯРН на стене с коробом. Монтажный чертеж 5.407-112.1.200МЧ Щиток ЯРН на ж.б. колонне. Монтажный чертеж 5.407-112.1.210МЧ Щиток ЯРН на ж.б. колонне. Монтажный чертеж 5.407-112.1.220МЧ Щиток ЯРН на стальной колонне. Монтажный чертеж 5.407-112.1.230МЧ Щиток ЯРН на ступенчатой колонне. Монтажный чертеж 5.407-112.1.240МЧ Щиток ЯРН на стене. Монтажный чертеж 5.407-112.1.250МЧ Щиток ЯРН на стене с коробом. Монтажный чертеж 5.407-112.1.260МЧ Щиток ЯРН на ж.б. колонне. Монтажный чертеж 5.407-112.1.270МЧ Щиток ЯРН на ж.б. колонне. Монтажный чертеж 5.407-112.1.280МЧ Щиток ЯРН на стальной колонне. Монтажный чертеж 5.407-112.1.290МЧ Щиток ЯРН на ступенчатой колонне. Монтажный чертеж 5.407-112.1.300МЧ Щиток ЯОУ на стене. Монтажный чертеж 5.407-112.1.310МЧ Щиток ЯОУ на стене с коробом. Монтажный чертеж 5.407-112.1.320МЧ Щиток ЯОУ на ж.б. колонне. Монтажный чертеж 5.407-112.1.330МЧ Щиток ЯОУ на ж.б. колонне. Монтажный чертеж 5.407-112.1.340МЧ Щиток ЯОУ на стальной колонне. Монтажный чертеж 5.407-112.1.350МЧ Щиток ЯОУ на ступенчатой колонне. Монтажный чертеж 5.407-112.1.360МЧ Щиток ЯТП на стене. Монтажный чертеж 5.407-112.1.370МЧ Щиток ЯТП на стене с коробом. Монтажный чертеж 5.407-112.1.380МЧ Щиток ЯТП на ж.б. колонне. Монтажный чертеж 5.407-112.1.390МЧ Щиток ЯТП на стальной колонне. Монтажный чертеж 5.407-112.1.400МЧ Щиток ЯТП на ступенчатой колонне. Монтажный чертеж 5.407-112.1.410МЧ Щиток ЩА в нише. Монтажный чертеж 5.407-112.1.420МЧ Два щитка ЩА в нише. Монтажный чертеж 5.407-112.1.430МЧ Щиток ЩА в нише. Монтажный чертеж 5.407-112.1.440МЧ Два щитка ЩА в нише. Монтажный чертеж 5.407-112.1.450МЧ Щиток УОЩВ1 в нише. Монтажный чертеж 5.407-112.1.460МЧ Два щитка УОЩВ1 в нише. Монтажный чертеж 5.407-112.1.470МЧ Щиток ЯРУ в нише. Монтажный чертеж 5.407-112.1.480МЧ Два щитка ЯРУ в нише. Монтажный чертеж 5.407-112.1.490МЧ Щиток ЯРУ в нише. Монтажный чертеж 5.407-112.1.500МЧ Два щитка ЯРУ в нише. Монтажный чертеж 5.407-112.1.510МЧ Щиток ЯОУ в нише. Монтажный чертеж 5.407-112.1.520МЧ Два щитка ЯОУ в нише. Монтажный чертеж 5.407-112.1.530 Скоба в сборе 5.407-112.1.540 Короб 5.407-112.1.541 Короб 5.407-112.1.550 Профиль в сборе 5.407-112.1.560 Конструкция 5.407-112.1.570 Конструкция 5.407-112.1.580 Блок патрубков |
| Разработан: | УГППКИ Тяжпромэлектропроект НПО Укрэлектромонтаж МИНМОнтажспецстрой УССР |
| Утверждён: | 14.02.1989 НПО Электромонтаж ММСС СССР |
| Издан: | ЦИТП Госстроя СССР (CITP, Gosstroy (USSR) 1989 г. ) |





























































