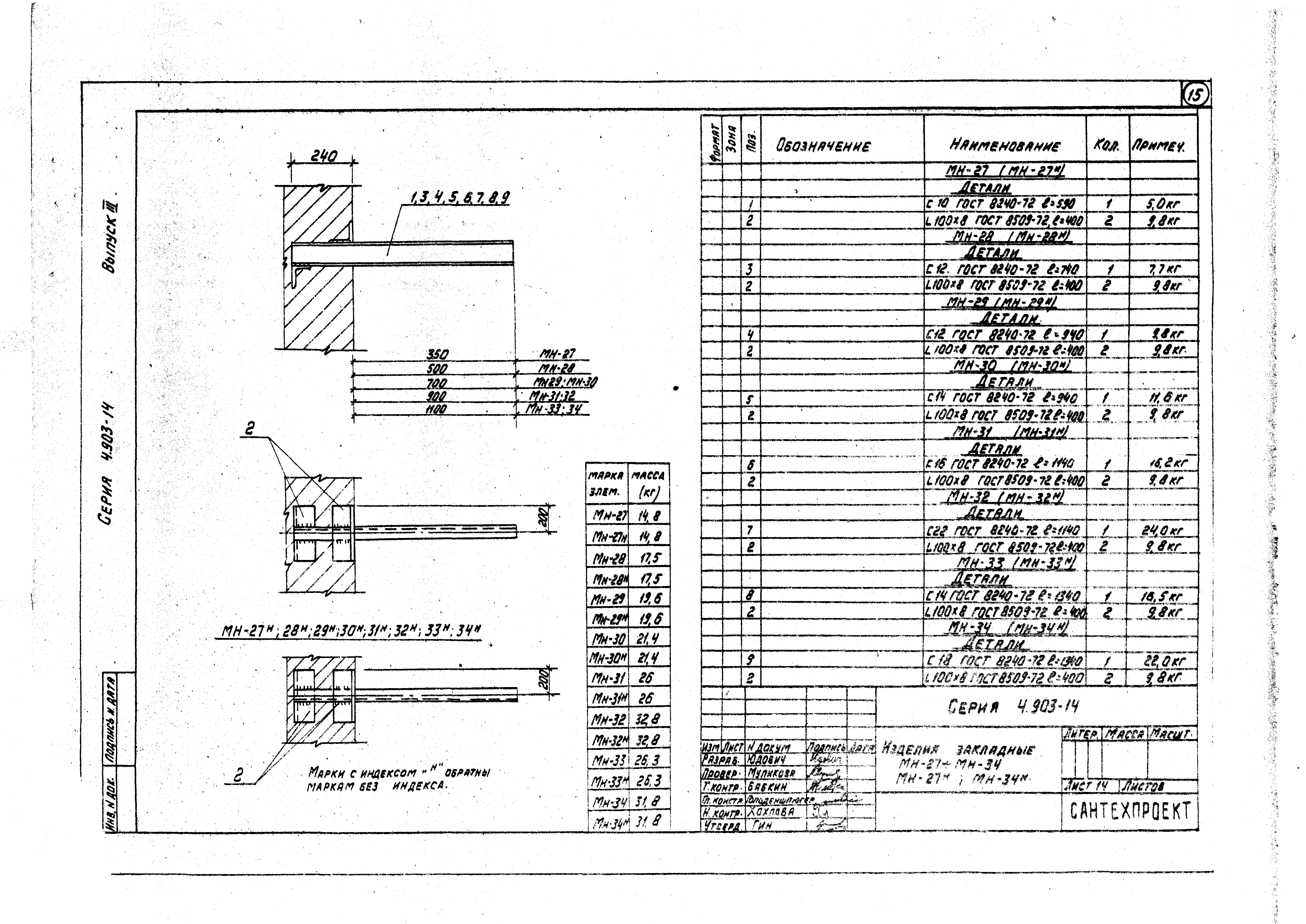
Скачать Серия 4.903-14 Выпуск 3. Типовые детали. Чертежи КЖИДата актуализации: 01.01.2021
|
| Обозначение: | Серия 4.903-14 |
| Обозначение англ: | Series 4.903-14 |
| Статус: | не определен законодательством |
| Название рус.: | Выпуск 3. Типовые детали. Чертежи КЖИ |
| Дата добавления в базу: | 01.09.2013 |
| Дата актуализации: | 01.01.2021 |
| Дата введения: | 01.01.1980 |
| Дата окончания срока действия: | 30.06.2003 |
| Разработан: | ГПИ Сантехпроект Госстроя СССР |
| Утверждён: | 25.12.1979 ГПИ Сантехпроект (209) |















