Скачать Типовые проектные решения 902-09-22.84 Альбом VII. Строительные изделияДата актуализации: 01.01.2021
|
| Обозначение: | Типовые проектные решения 902-09-22.84 |
| Обозначение англ: | 902-09-22.84 |
| Статус: | справочные материалы, мп, тпр |
| Название рус.: | Альбом VII. Строительные изделия |
| Дата добавления в базу: | 01.09.2013 |
| Дата актуализации: | 01.01.2021 |
| Дата введения: | 07.12.1983 |
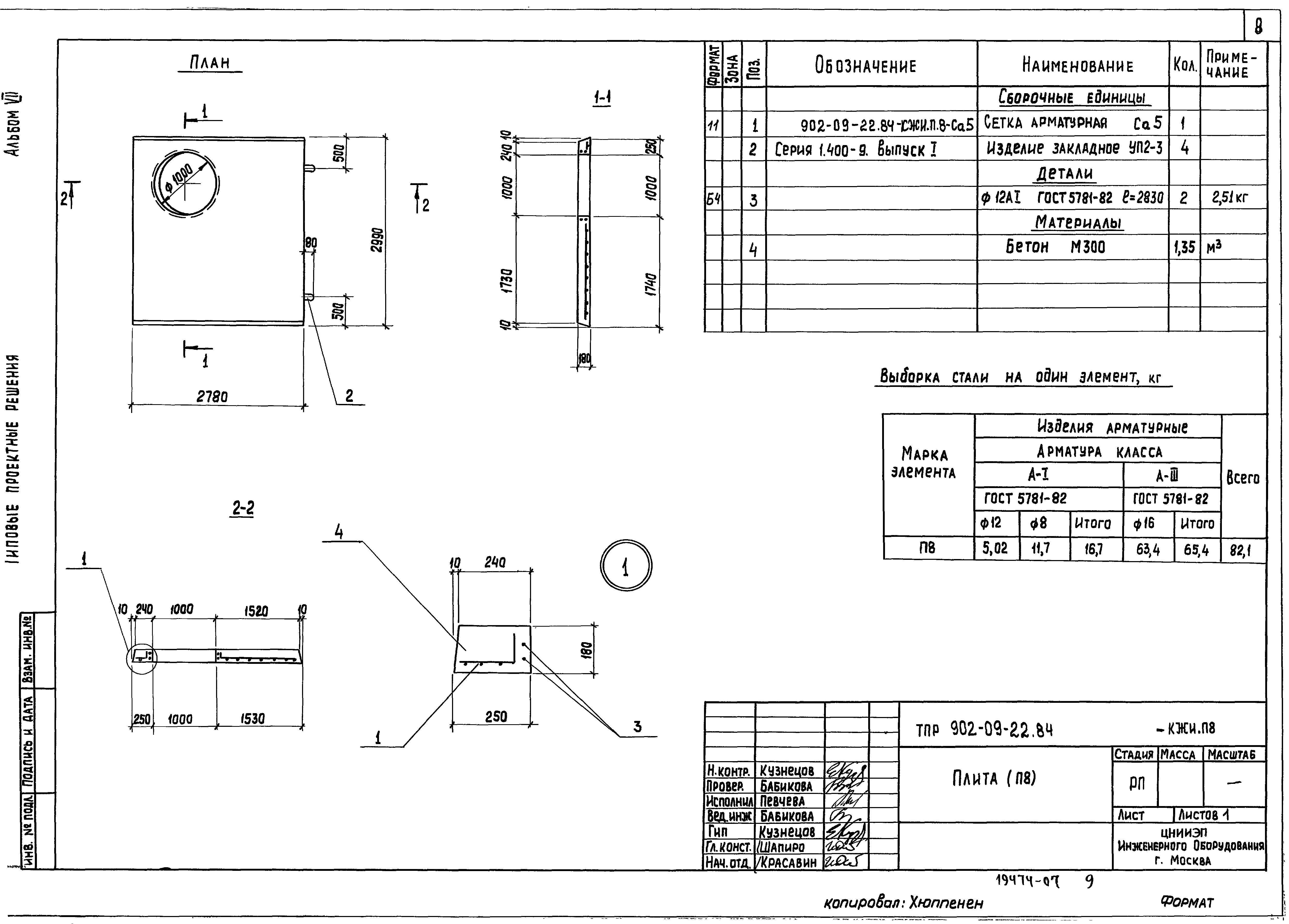
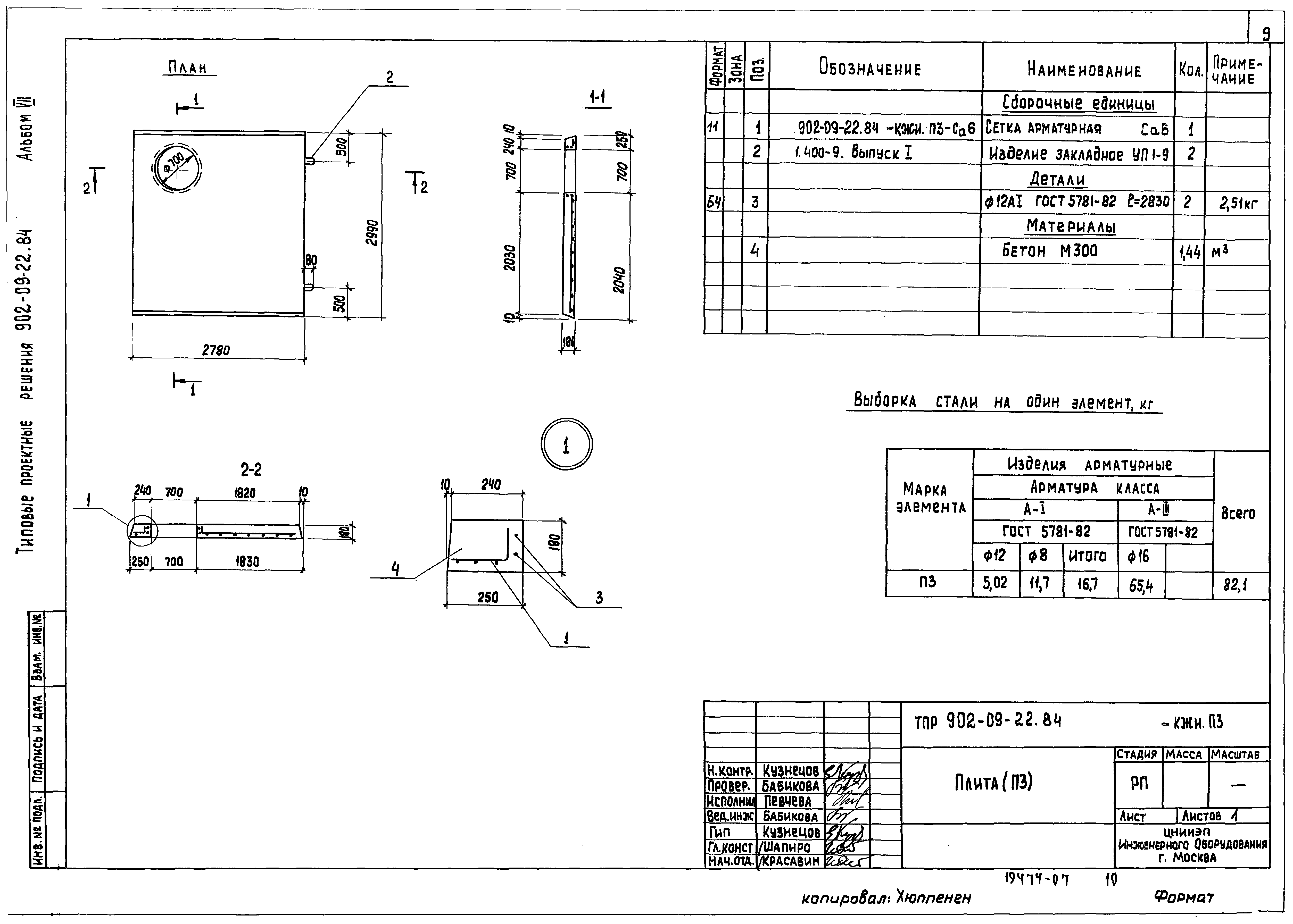
| Оглавление: | ТПР 902-09-22.84-КЖИ.ПД Плита дорожная ПД ТПР 902-09-22.84-КЖИ.ПД Са1 Сетка арматурная Са1 ТПР 902-09-22.84-КЖИ.ПД Са2 Сетка арматурная Са2 ТПР 902-09-22.84-КЖИ.КО Плита КО ТПР 902-09-22.84-КЖИ.П7 Плита П7 ТПР 902-09-22.84-КЖИ.КО Са3 Сетка арматурная Са3 ТПР 902-09-22.84-КЖИ.П7 Са4 Сетка арматурная Са4 ТПР 902-09-22.84-КЖИ.П8 Плита П8 ТПР 902-09-22.84-КЖИ.П3 Плита П3 ТПР 902-09-22.84-КЖИ.П8 Са5 Сетка арматурная Са 5 ТПР 902-09-22.84-КЖИ.П3 Са6 Сетка арматурная Са 6 ТПР 902-09-22.84-КЖИ.С1 СБ Сборочный чертеж ТПР 902-09-22.84-КЖИ.ЗО Звено ограждения ТПР 902-09-22.84-КЖИ.С1 Стремянка С1 ТПР 902-09-22.84-КЖИ.К1 Крышка металлическая К1 ТПР 902-09-22.84-КЖИ.К2 Крышка деревянная К2 ТПР 902-09-22.84-КЖИ.СР10 СБ Сборочный чертеж ТПР 902-09-22.84-КЖИ.СР10 Стенка-растекатель СР10 ТПР 902-09-22.84-КЖИ.СР11 СБ Сборочный чертеж ТПР 902-09-22.84-КЖИ.СР11 Стенка-растекатель СР11 ТПР 902-09-22.84-КЖИ.Са7 Сетка арматурная Са7 ТПР 902-09-22.84-КЖИ.СР12 СБ Сборочный чертеж ТПР 902-09-22.84-КЖИ.СР12 Сетка-растекатель СР12 ТПР 902-09-22.84-КЖИ.СР8 Сетка арматурная Са8 ТПР 902-09-22.84-КЖИ.СР9 Сетка арматурная Са9 ТПР 902-09-22.84-КЖИ.Са10 Сетка арматурная Са10 ТПР 902-09-22.84-КЖИ.Са11 Сетка арматурная Са11 ТПР 902-09-22.84-КЖИ.Са12 Сетка арматурная Са12 ТПР 902-09-22.84-КЖИ.Са13 Сетка арматурная Са13 ТПР 902-09-22.84-КЖИ.Са14 СБ Сборочный чертеж ТПР 902-09-22.84-КЖИ.Са15 Сетка арматурная Са15 ТПР 902-09-22.84-КЖИ.Са14 Сетка арматурная Са14 |
| Разработан: | ЦНИИЭП инженерного оборудования |
| Утверждён: | 20.05.1983 Госгражданстрой (Gosgrazhdanstroy 147) |
| Издан: | ЦИТП Госстроя СССР (CITP, Gosstroy (USSR) 1988 г. ) |
| Заменяет собой: |




























