Скачать Серия 5.407-111 Выпуск 1. Монтажные чертежиДата актуализации: 01.01.2021
|
| Обозначение: | Серия 5.407-111 |
| Обозначение англ: | Series 5.407-111 |
| Статус: | не определен законодательством |
| Название рус.: | Выпуск 1. Монтажные чертежи |
| Дата добавления в базу: | 01.09.2013 |
| Дата актуализации: | 01.01.2021 |
| Дата введения: | 01.01.1990 |
| Дата окончания срока действия: | 30.06.2003 |
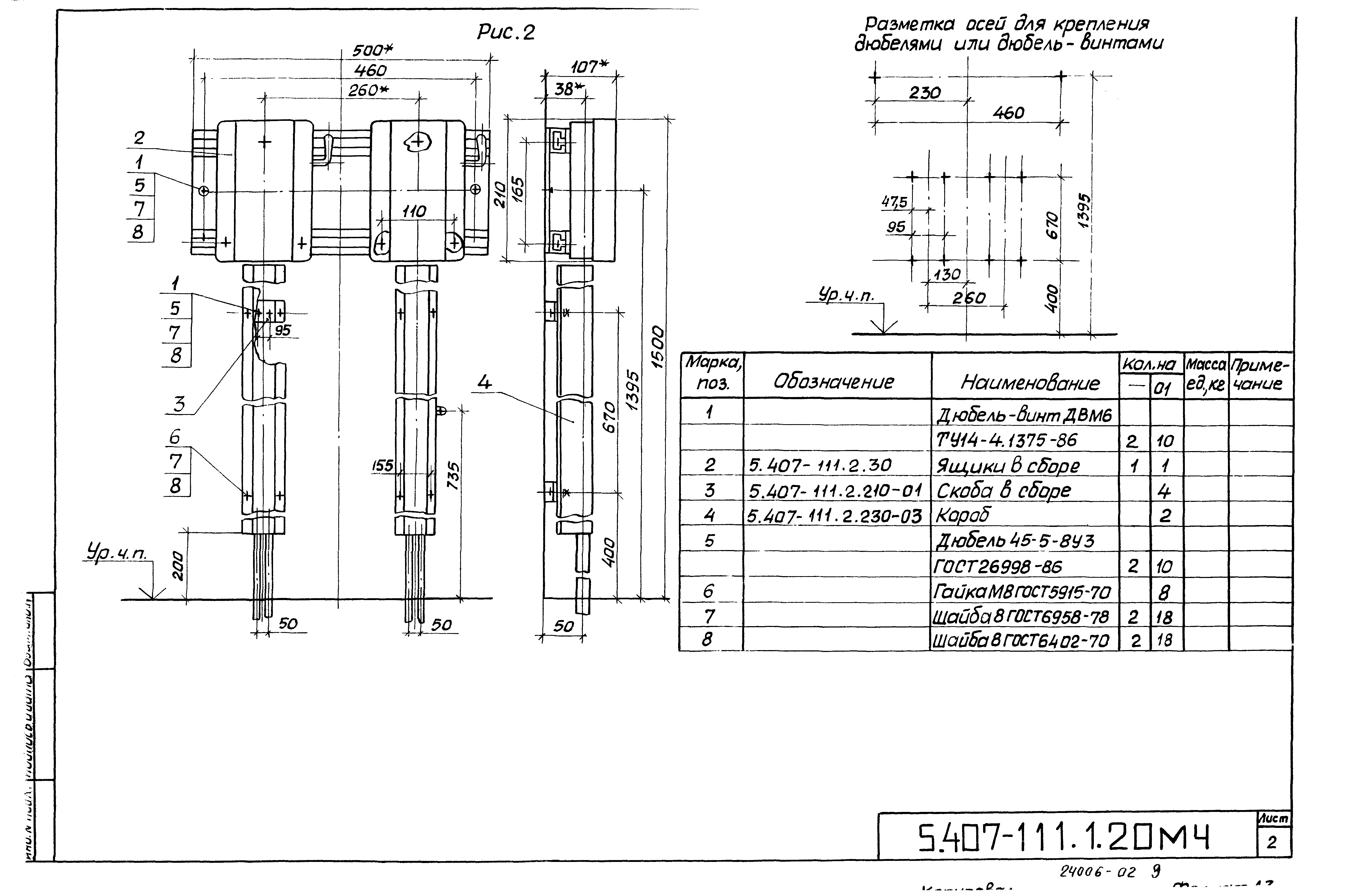
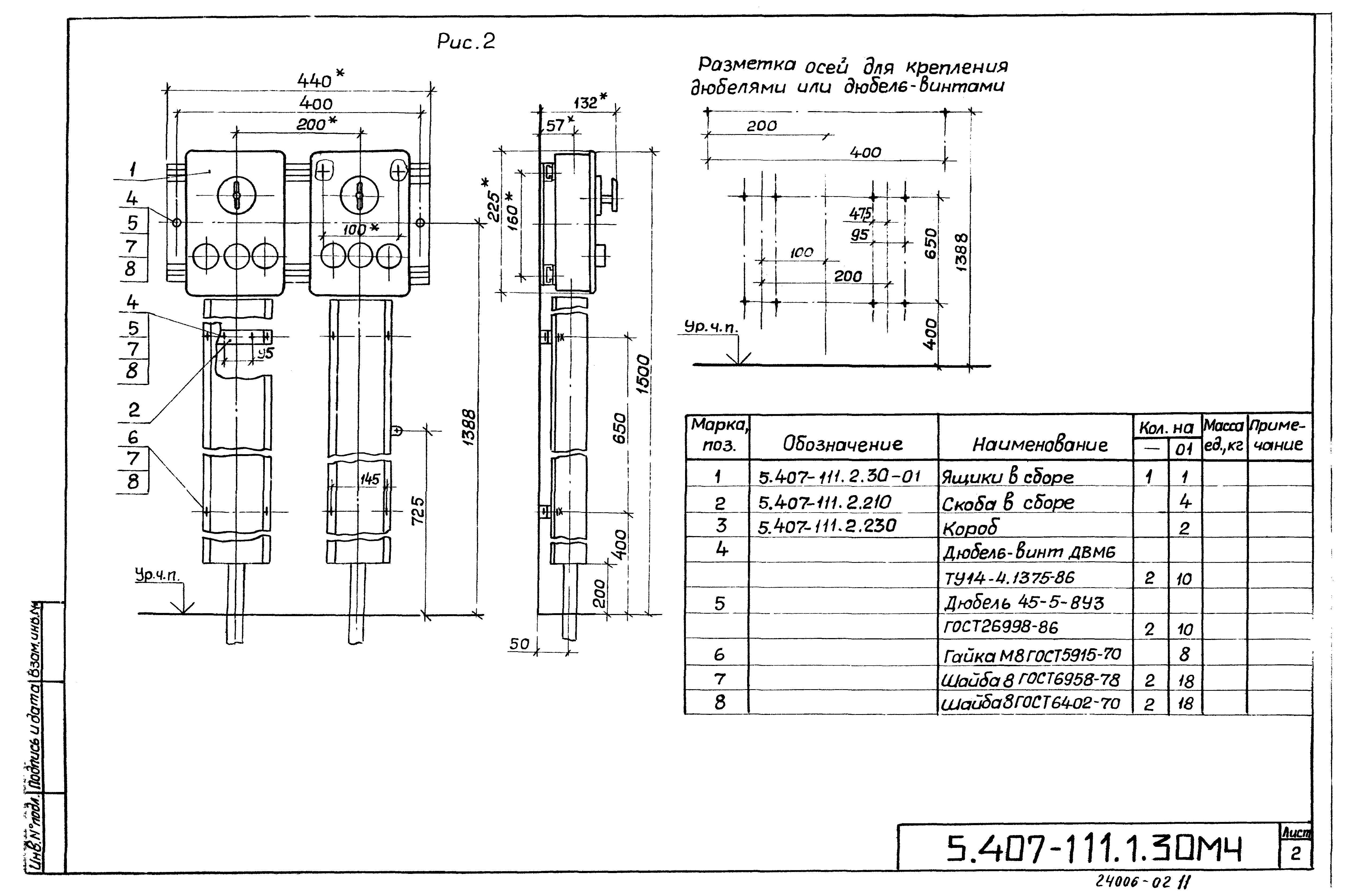
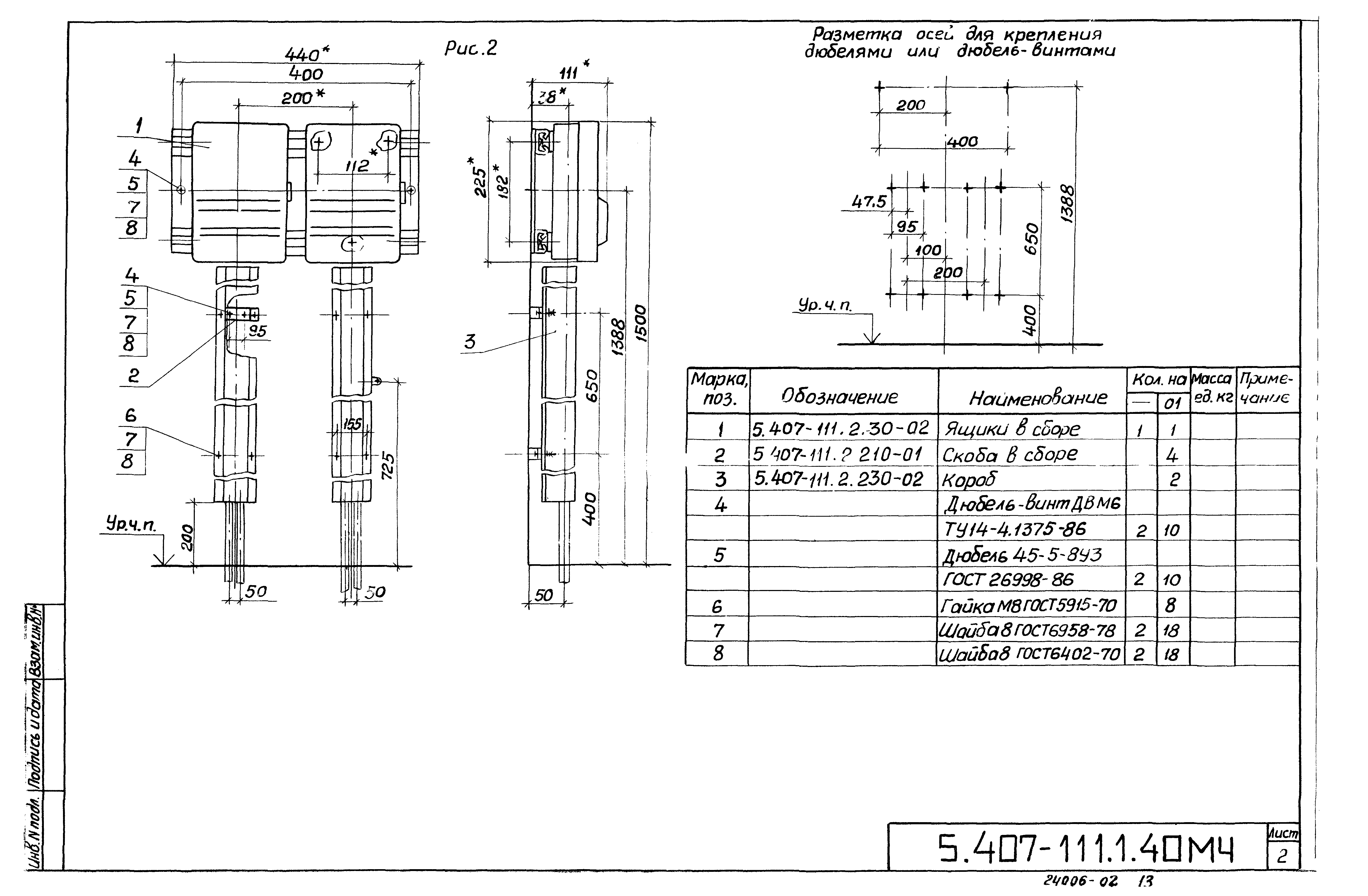
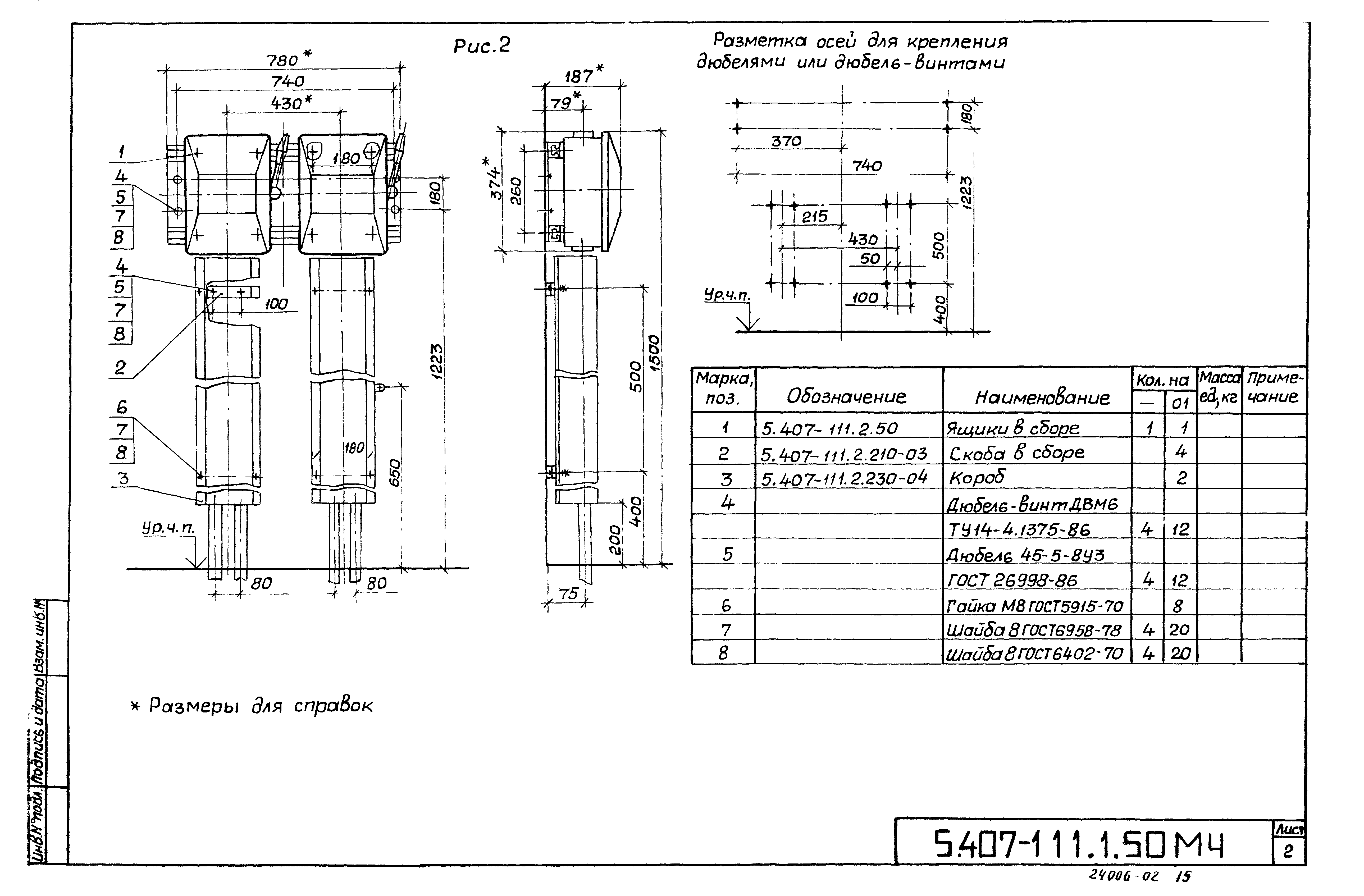
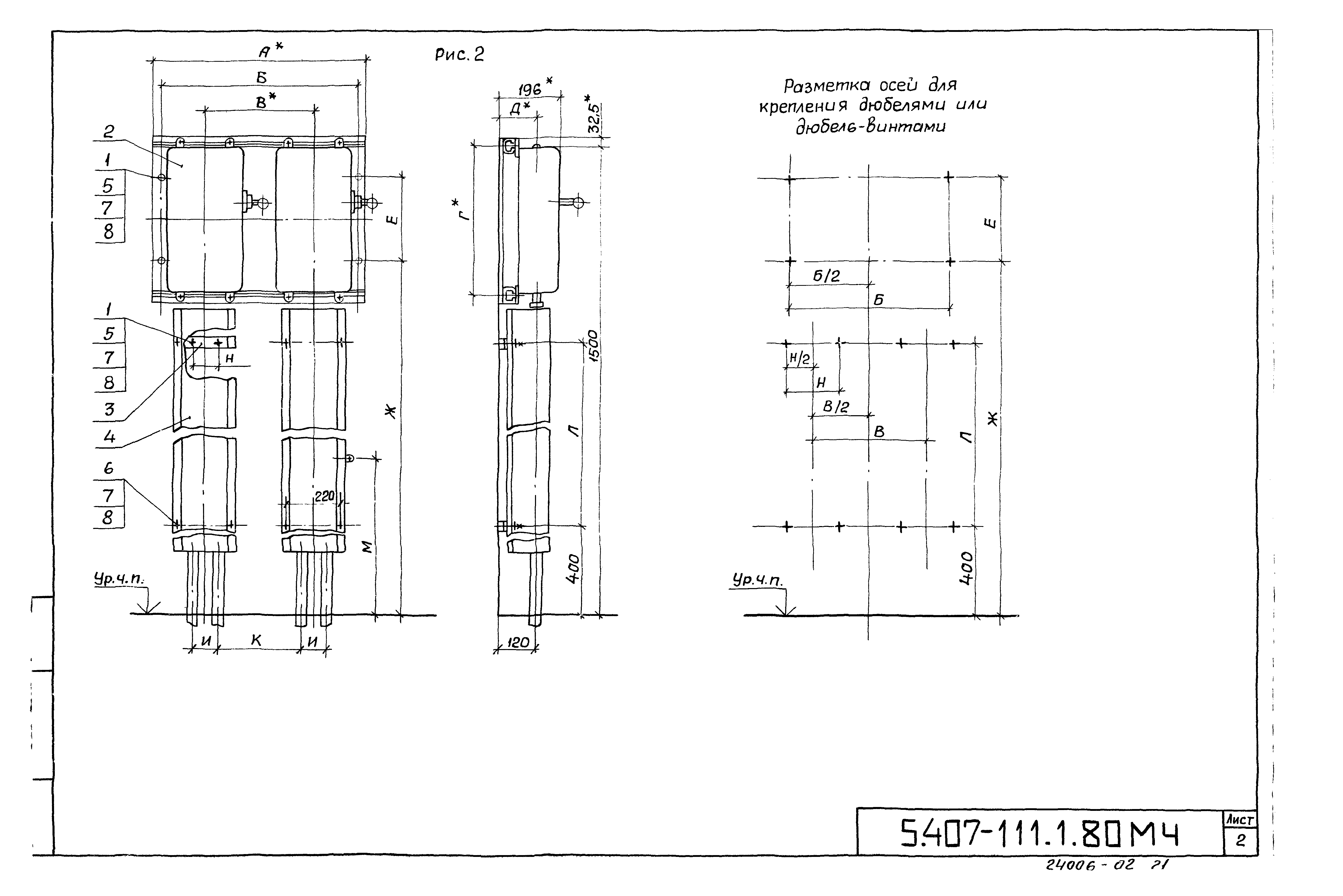
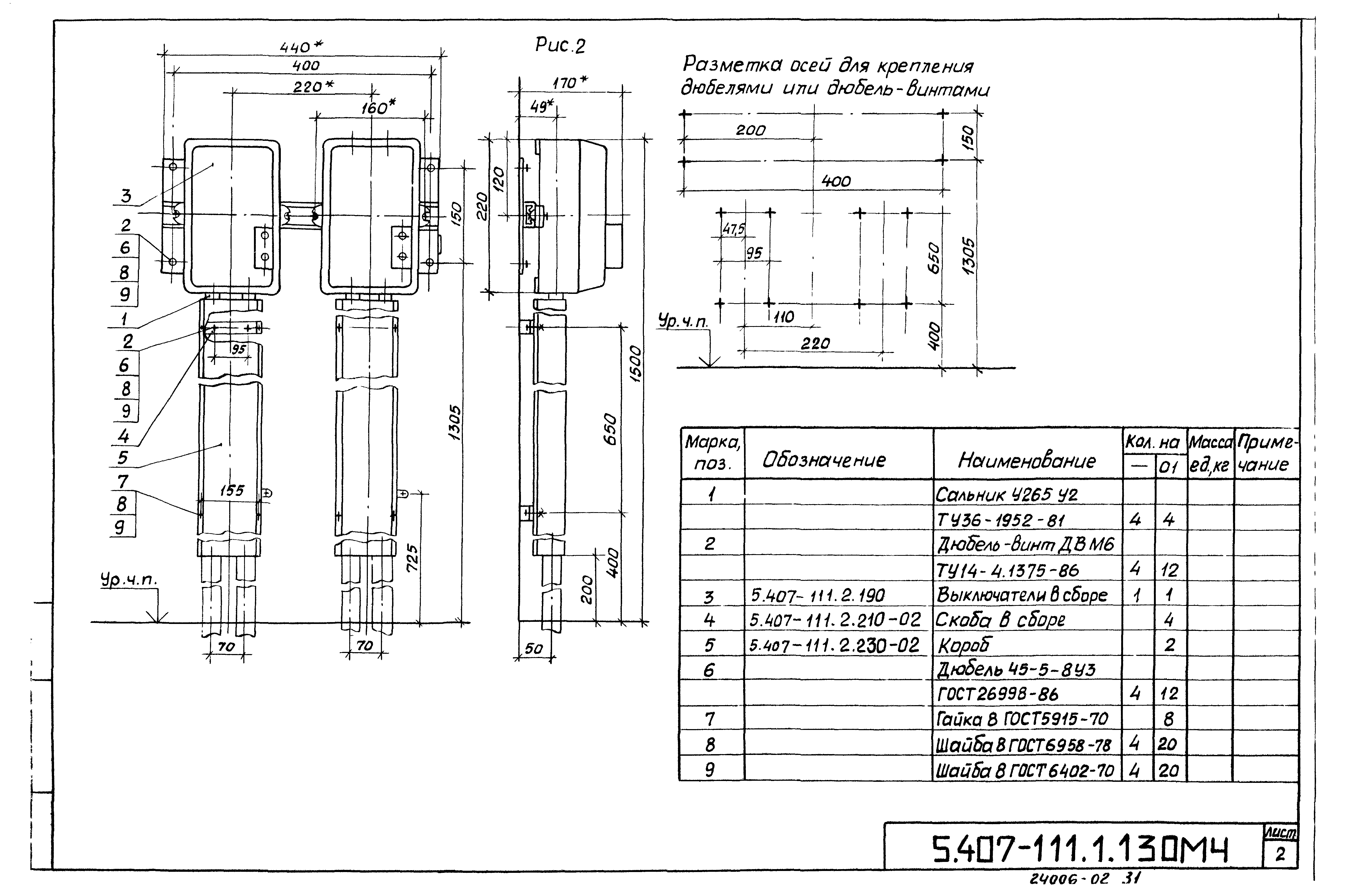
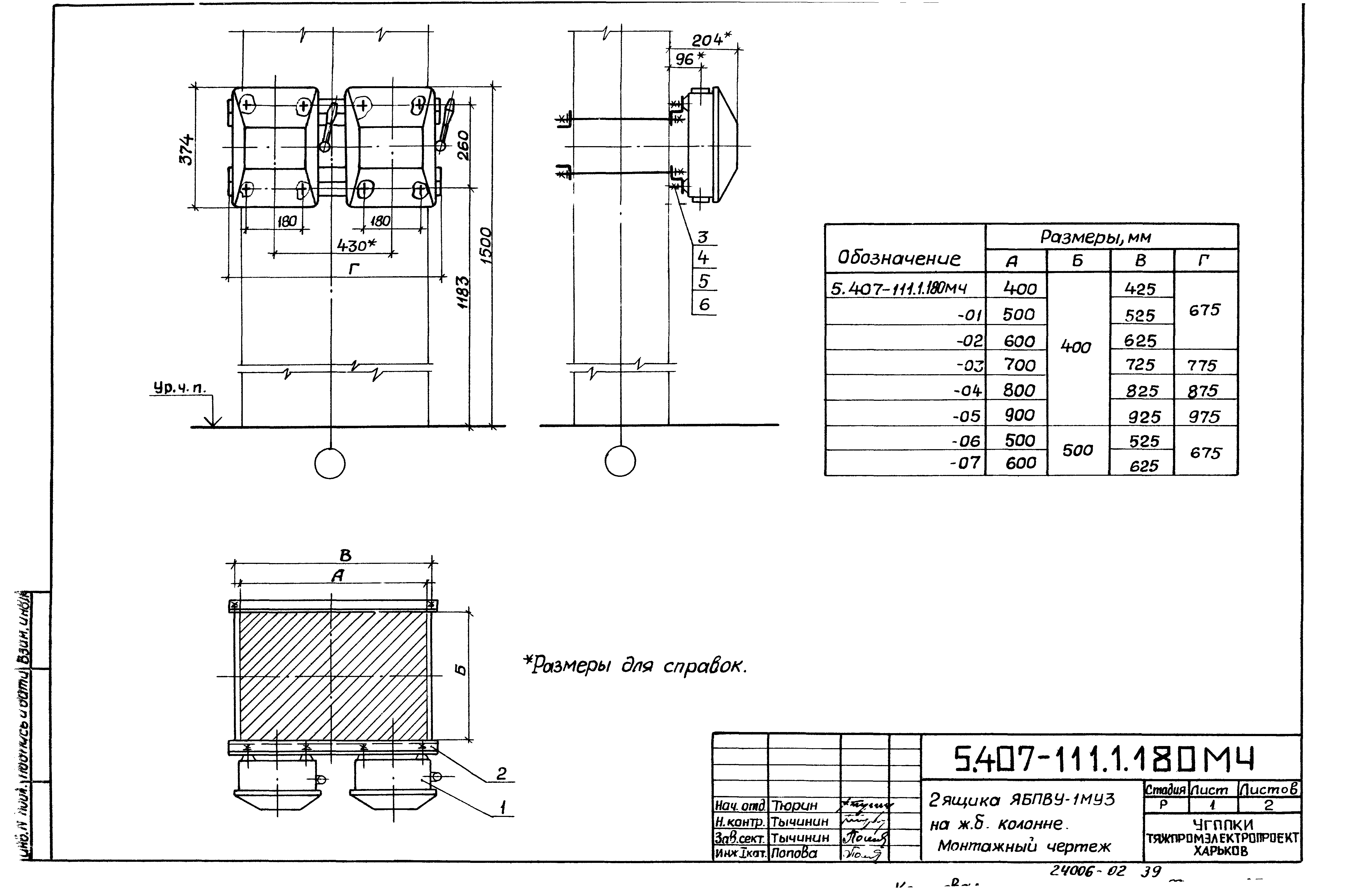
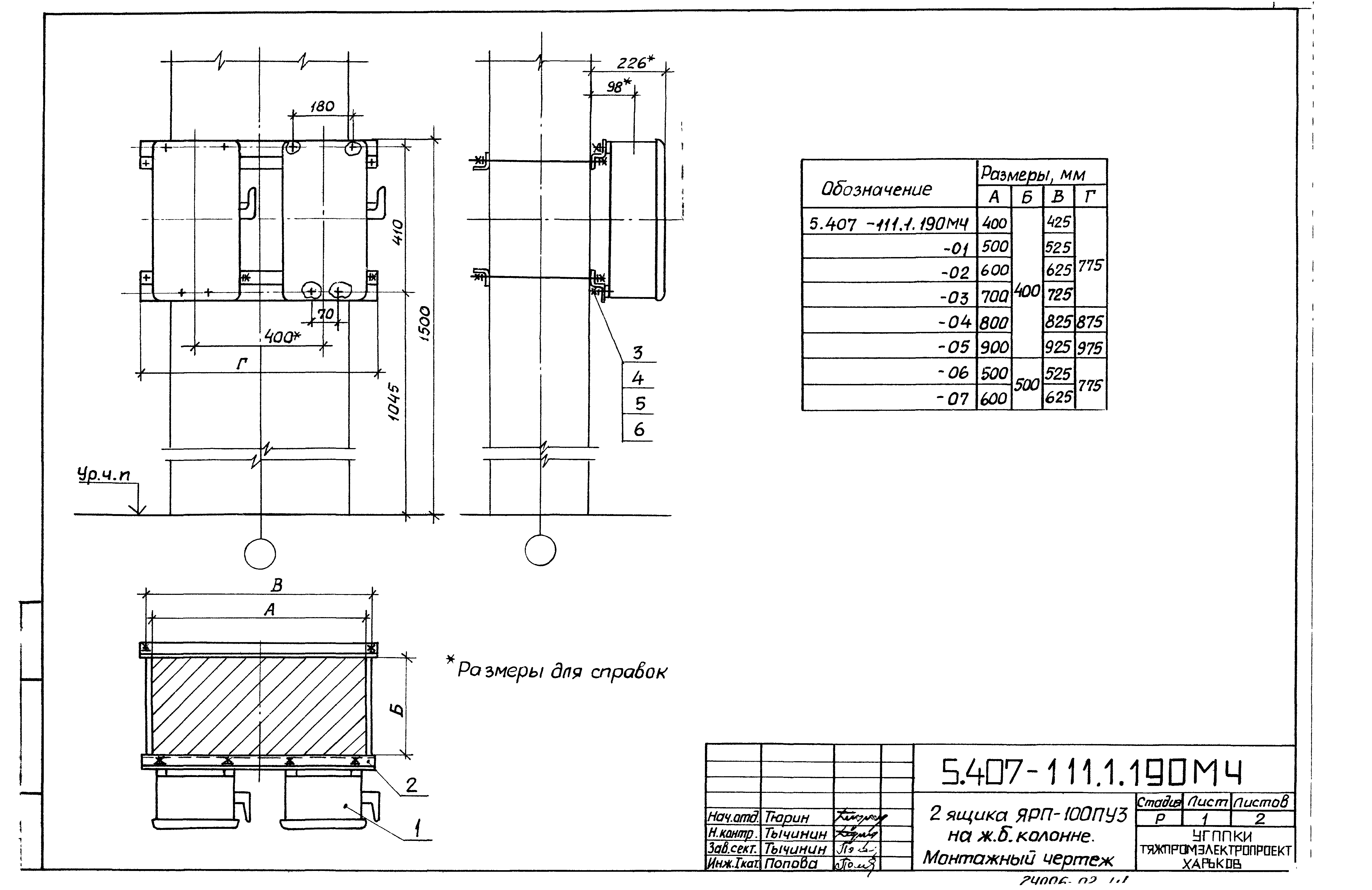
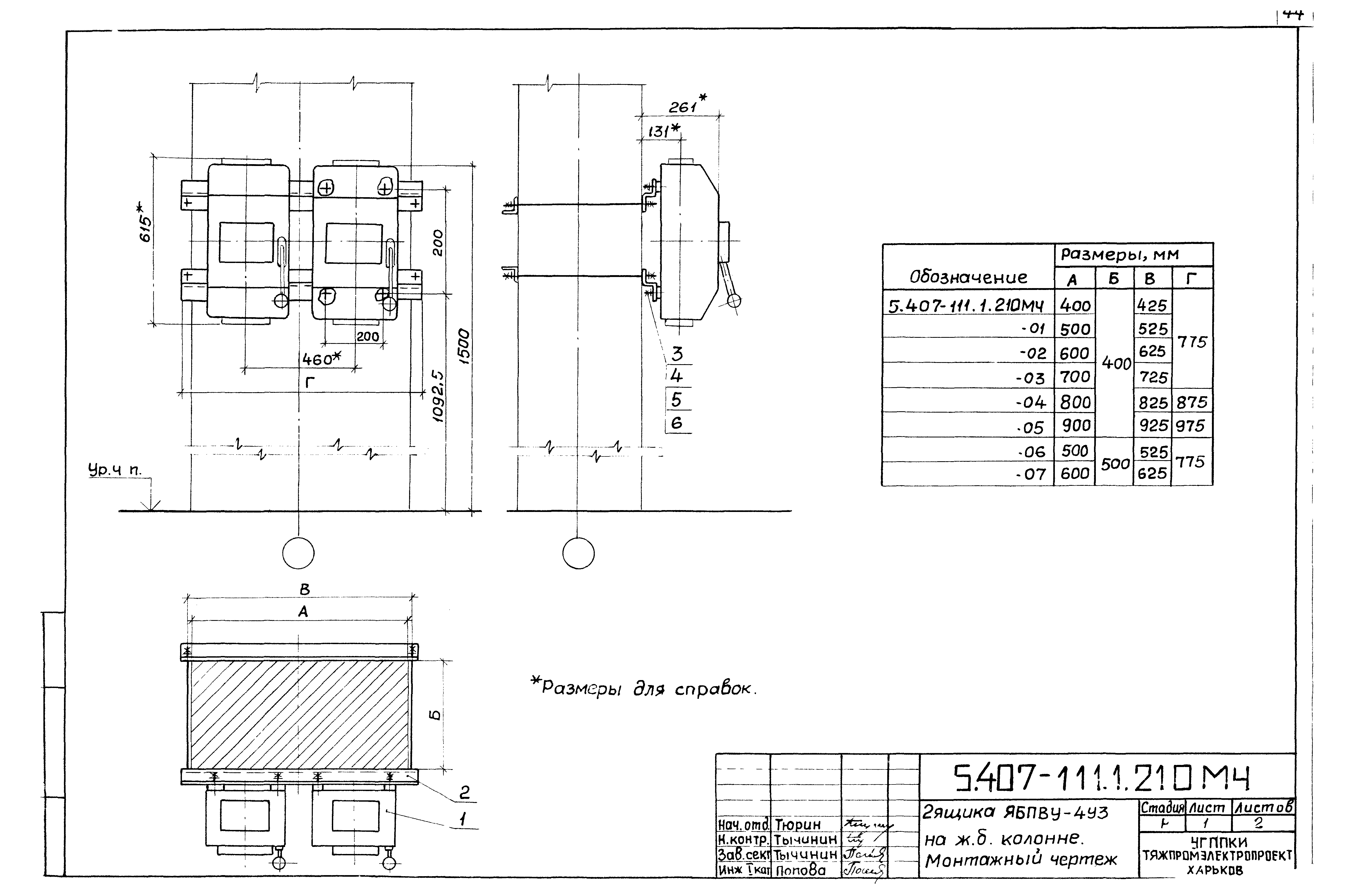
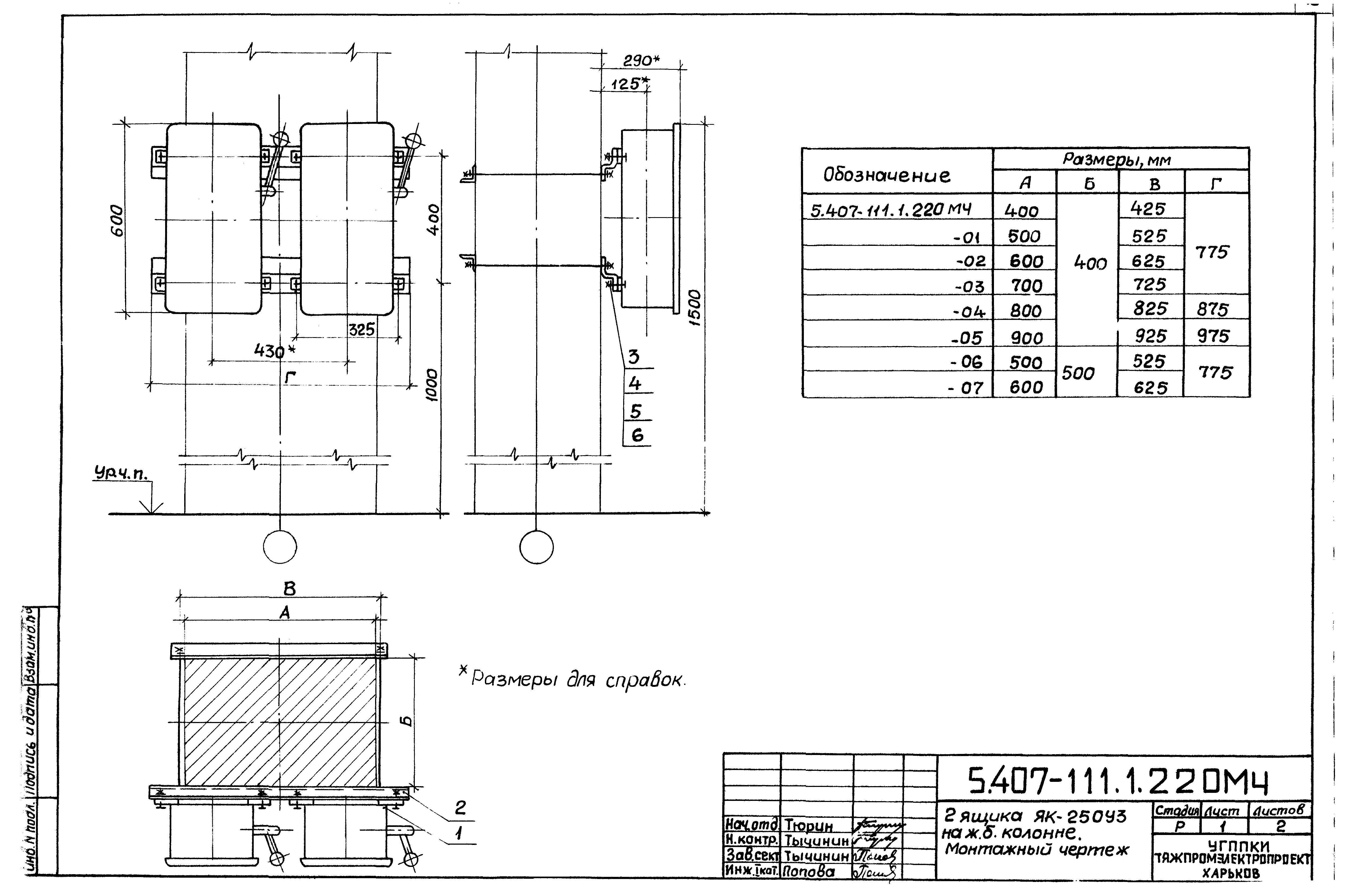
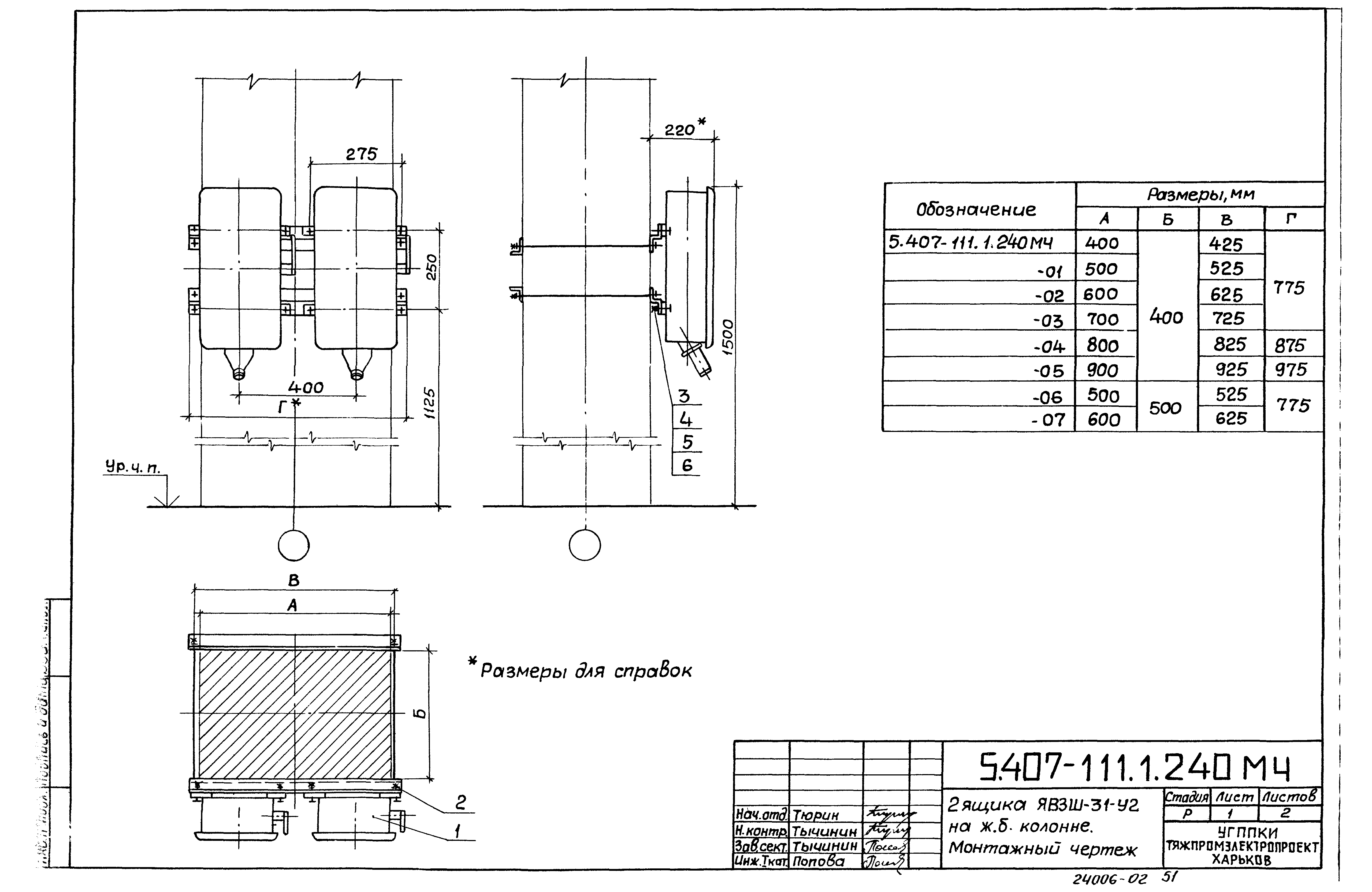
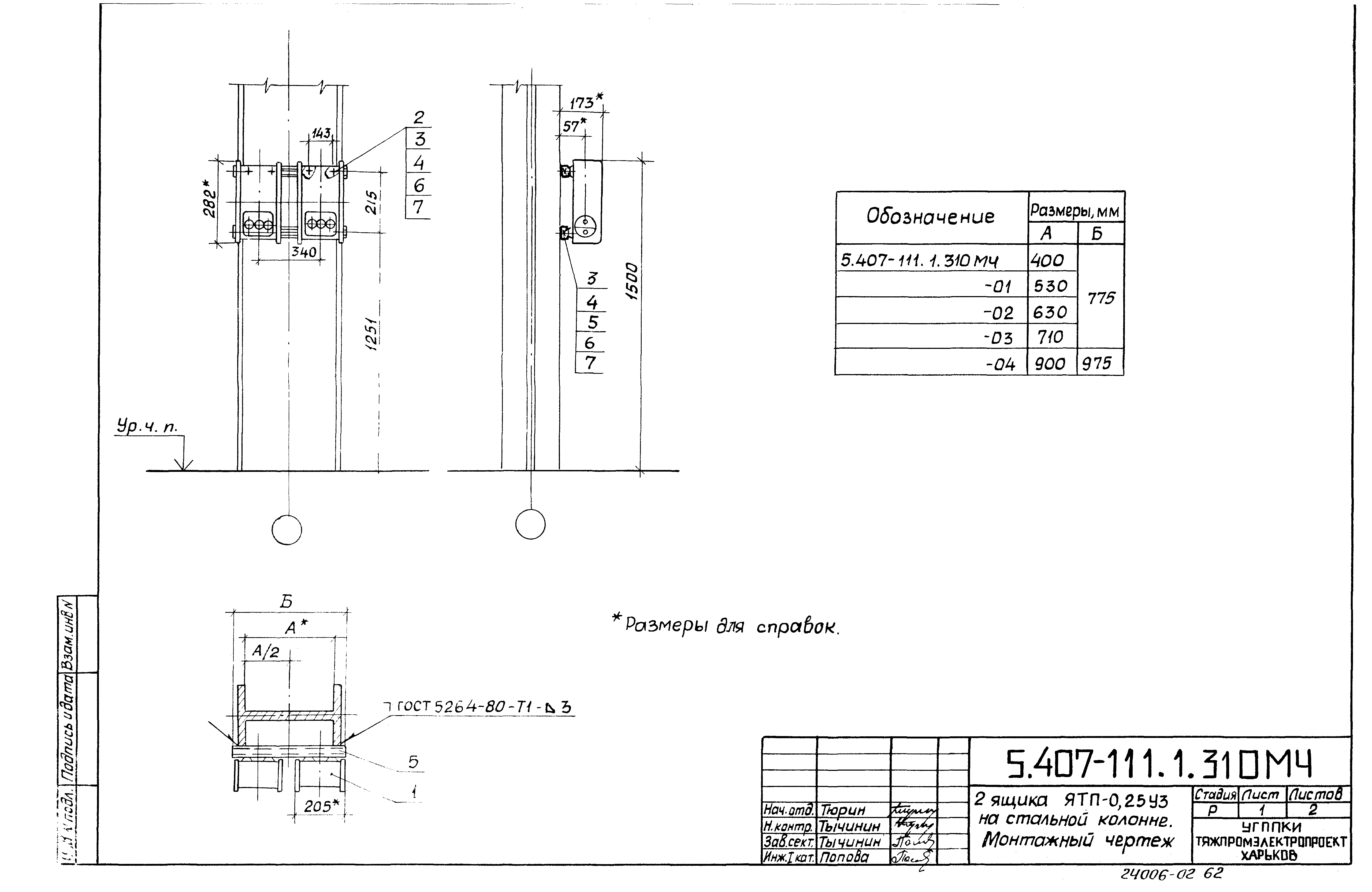
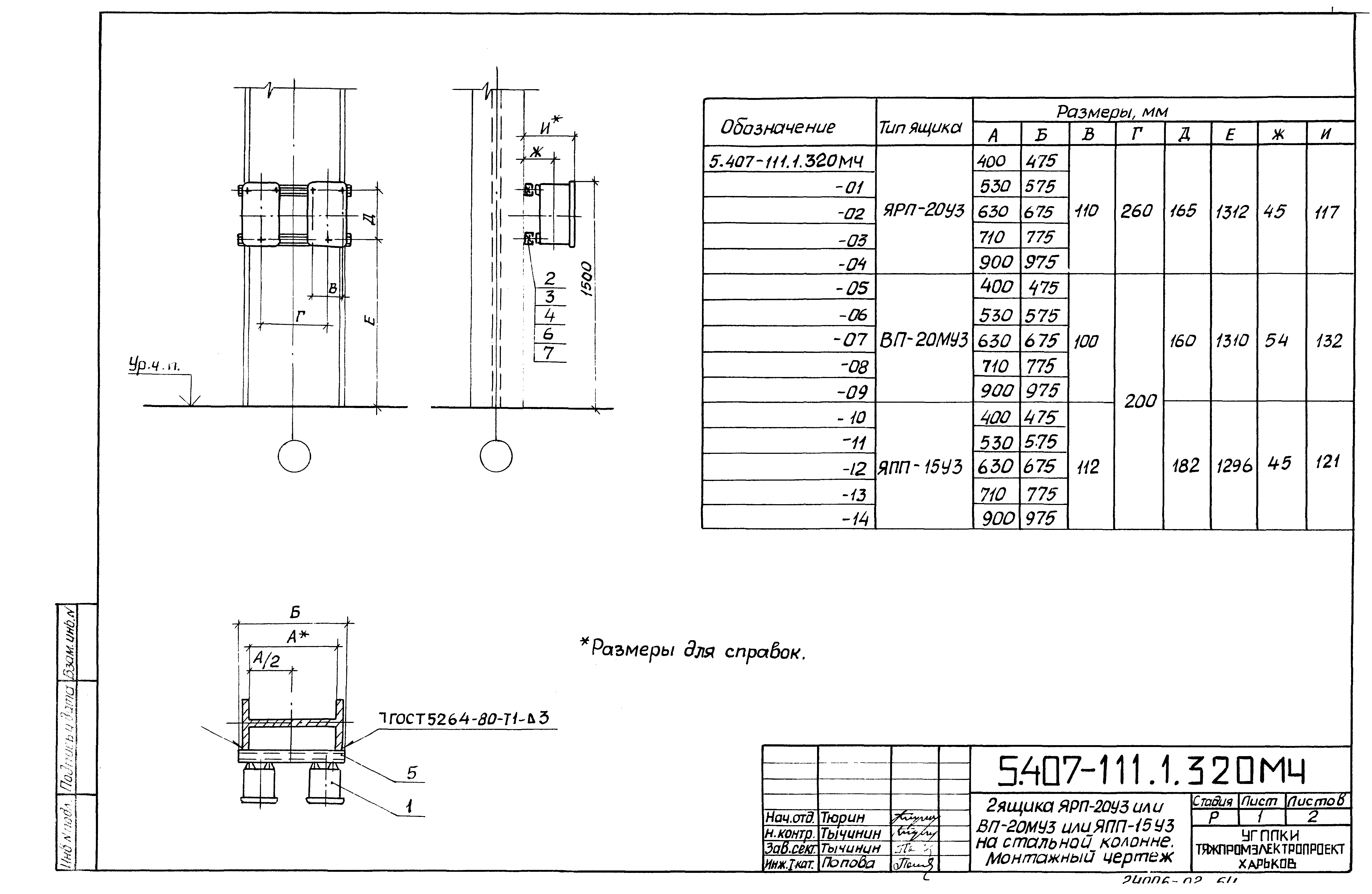
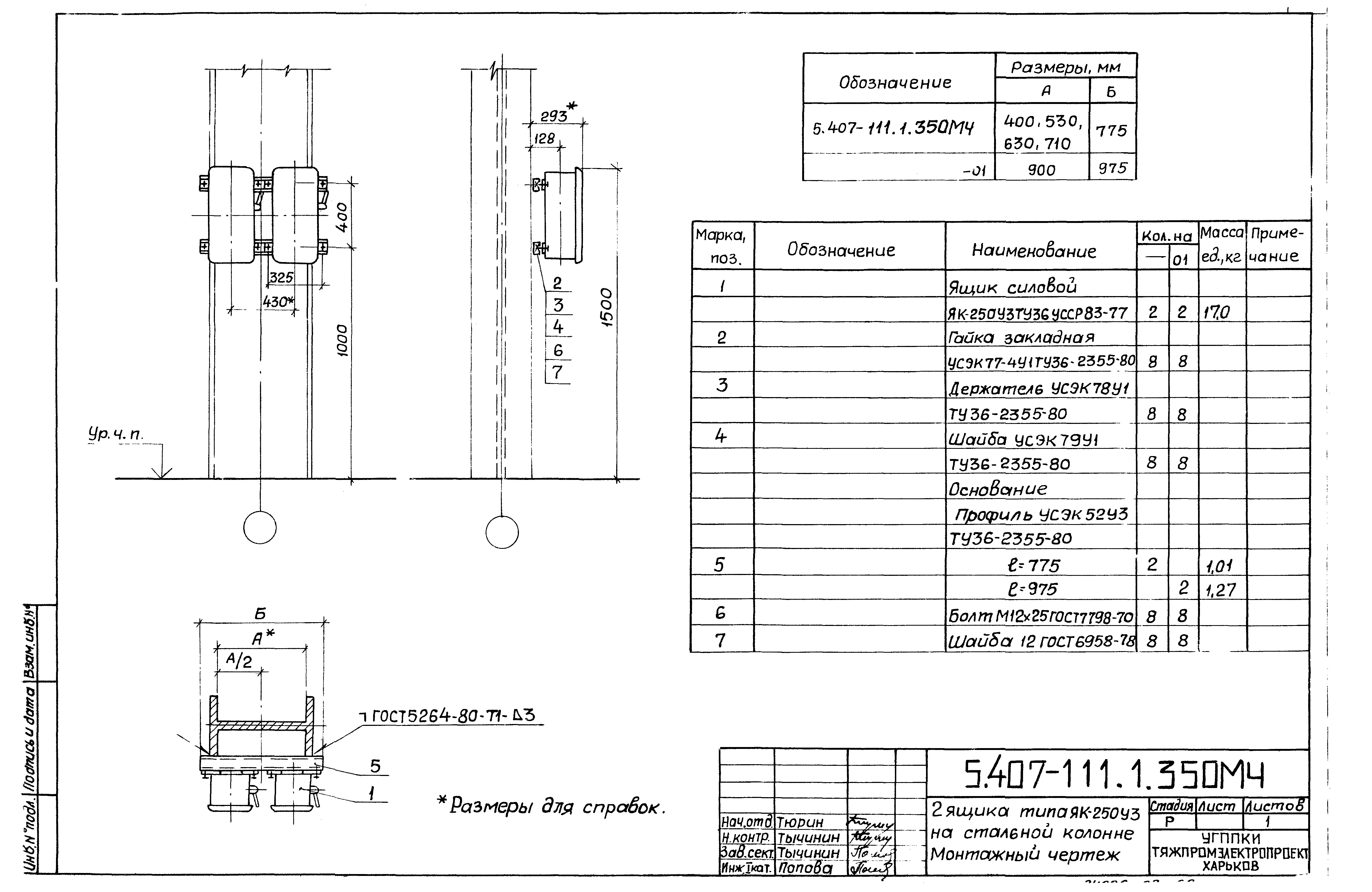
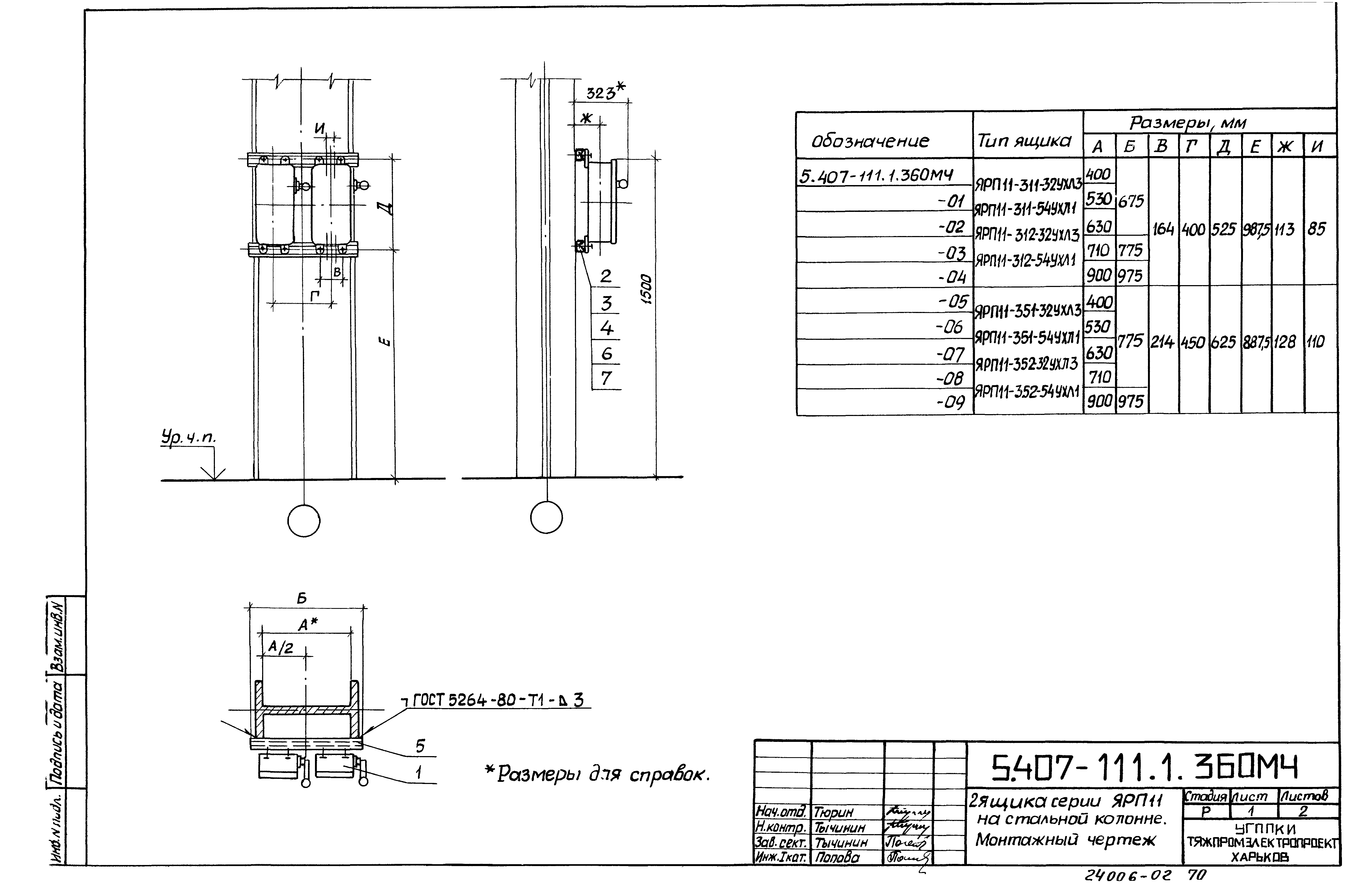
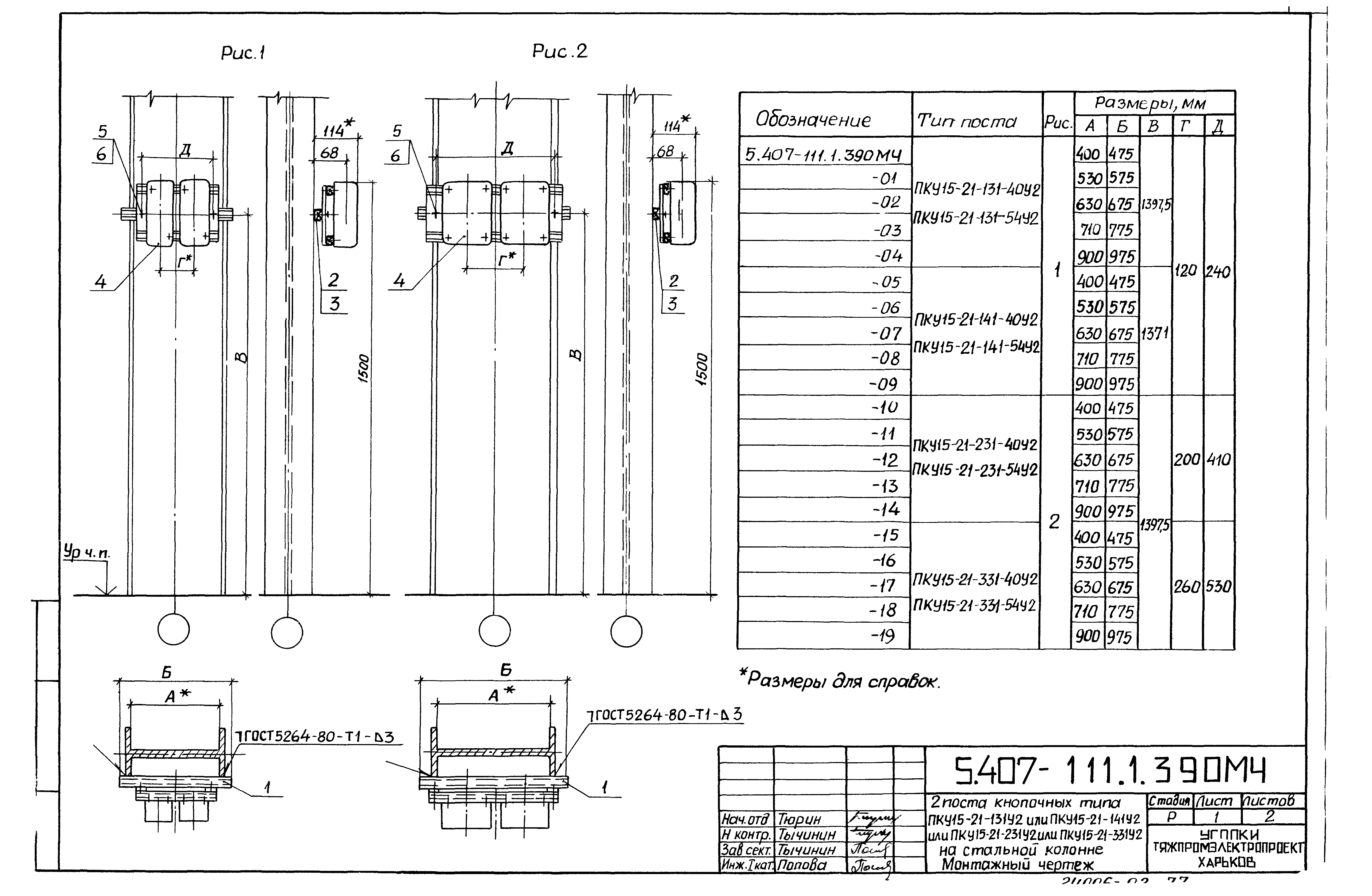
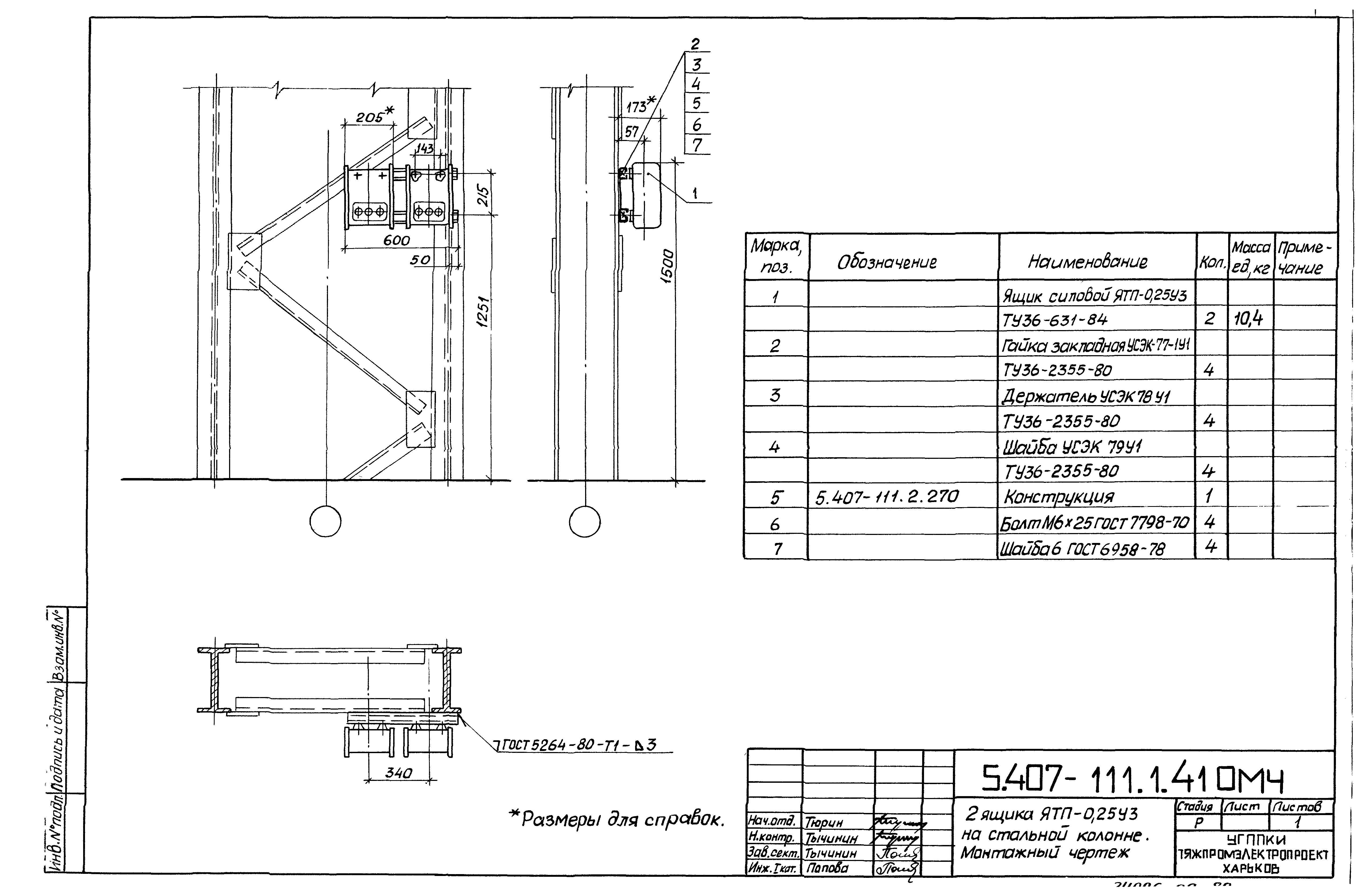
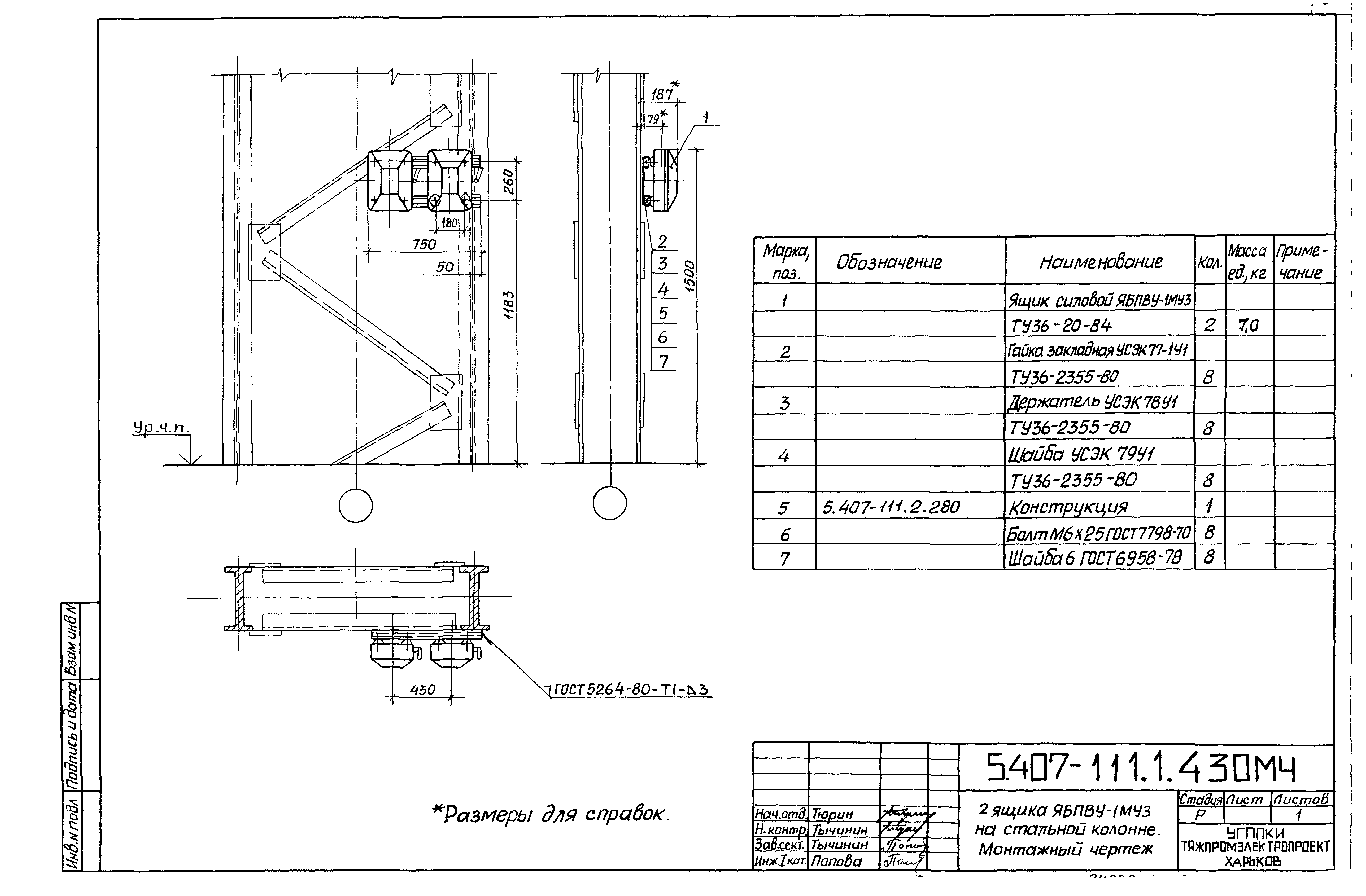
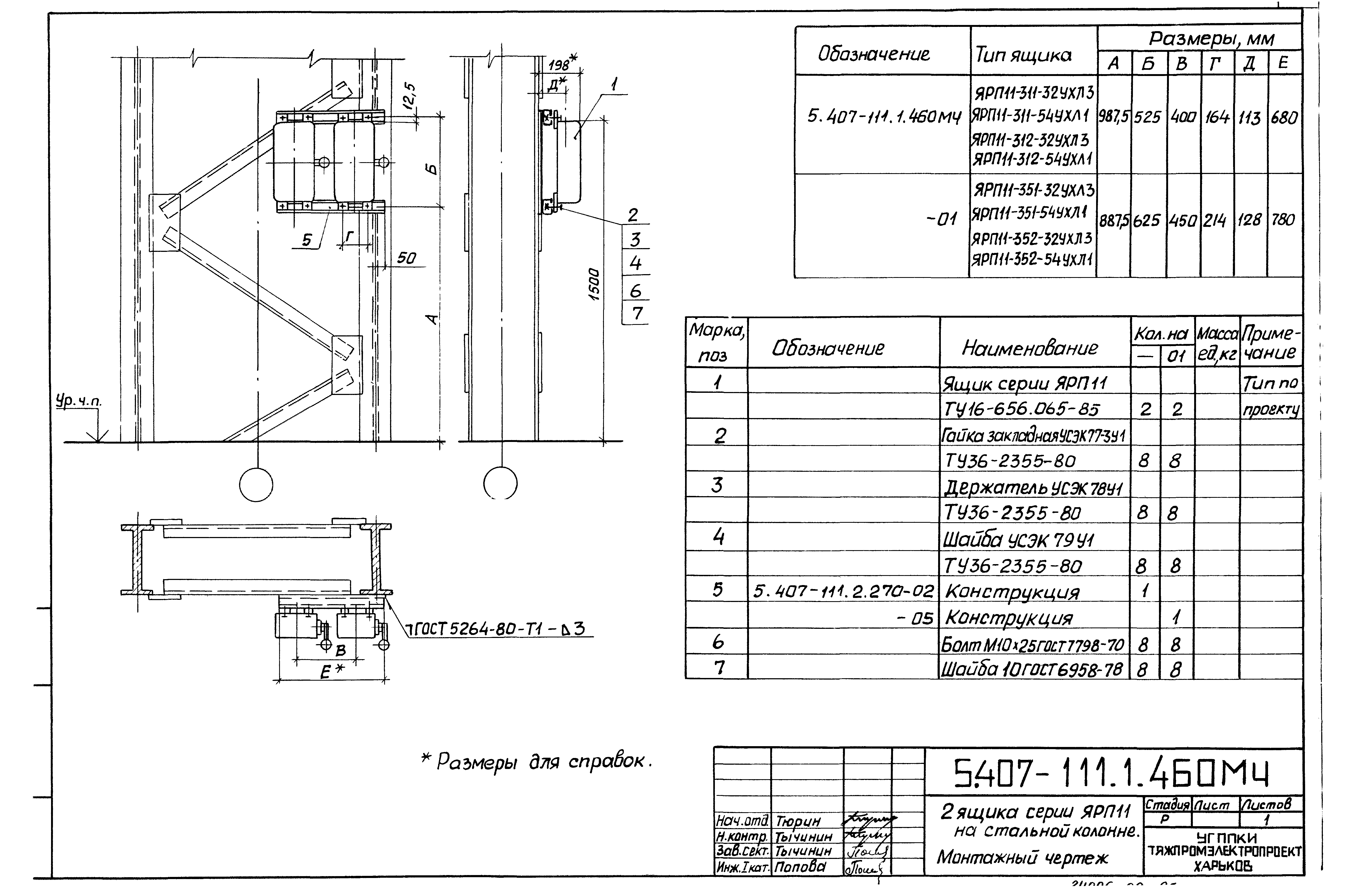
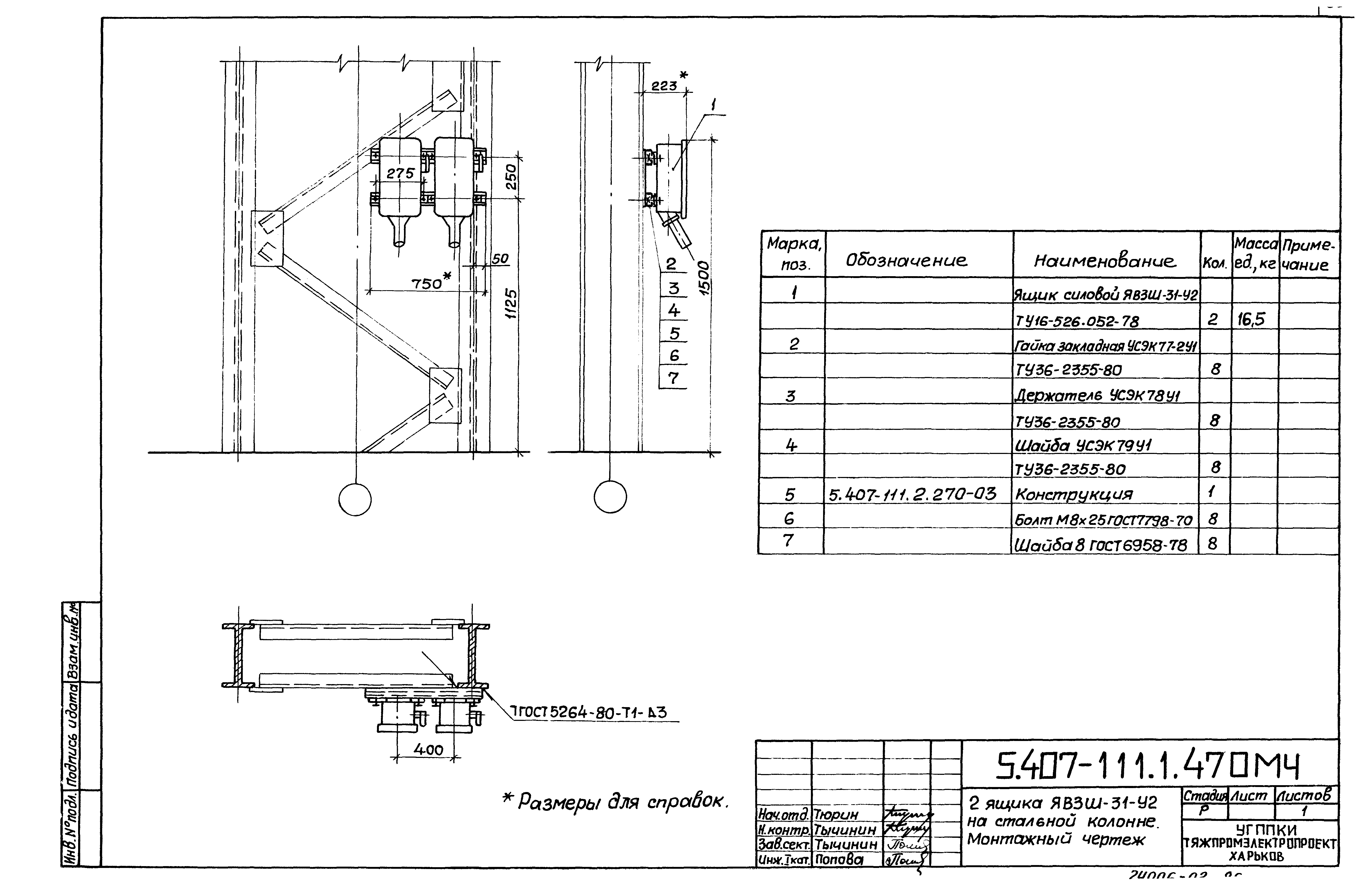
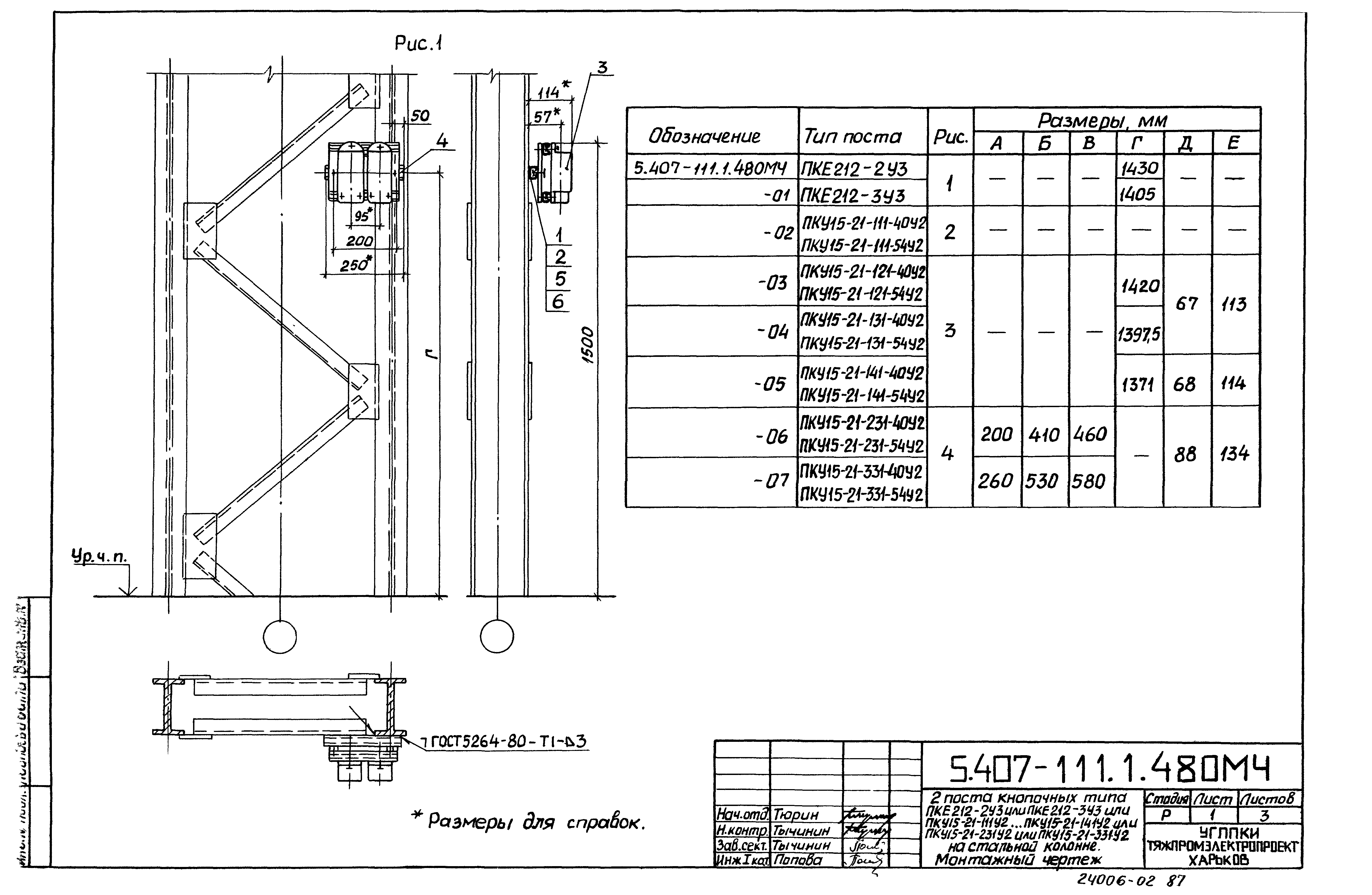
| Оглавление: | Титульный лист Содержание 5.407-111.1.10МЧ 2 ящика ЯТП-0,25УЗ на стене и на стене с коробом. Монтажный чертеж 5.407-111.1.20МЧ 2 ящика ЯРП-20УЗ на стене и на стене с коробом. Монтажный чертеж 5.407-111.1.30МЧ 2 ящика ВП-20МУЗ на стене и на стене с коробом. Монтажный чертеж 5.407-111.1.40МЧ 2 ящика ЯПП-15УЗ на стене и на стене с коробом. Монтажный чертеж 5.407-111.1.50МЧ 2 ящика ЯБПВУ-1МУЗ на стене и на стене с коробом. Монтажный чертеж 5.407-111.1.60МЧ 2 ящика ЯРП-100ПУЗ или ЯБ1-2УЗ или ЯБПВУ-4УЗ на стене и на стене с коробом. Монтажный чертеж 5.407-111.1.70МЧ 2 ящика ЯК-250УЗ на стене и на стене с коробом. Монтажный чертеж 5.407-111.1.80МЧ 2 ящика ЯРП11 на стене и на стене с коробом. Монтажный чертеж 5.407-111.1.90МЧ 2 ящика ЯВЗШ-31-У2 на стене. Монтажный чертеж 5.407-111.1.100МЧ 2 поста кнопочных типа ПКЕ212-2УЗ или ПКЕ212-3УЗ на стене и на стене с коробом. Монтажный чертеж 5.407-111.1.110МЧ 2 поста кнопочных типа ПКУ15-21-111У2... ПКУ15-21-141У2 на стене и на стене с коробом. Монтажный чертеж 5.407-111.1.120МЧ 2 поста кнопочных типа ПКУ15-21-231У2, ПКУ15-21-331У2 на стене и на стене с коробом. Монтажный чертеж 5.407-111.1.130МЧ 2 выключателя серии АП-50 на стене и на стене с коробом. Монтажный чертеж 5.407-111.1.140МЧ 2 ящика ЯТП-0,25УЗ на ж.б. колонне. Монтажный чертеж 5.407-111.1.150МЧ 2 ящика ЯТП-0,25УЗ на ж.б. колонне. Монтажный чертеж 5.407-111.1.160МЧ 2 ящика ЯРП-20УЗ или ВП-20МУЗ или ЯПП-15УЗ на ж.б. колонне. Монтажный чертеж 5.407-111.1.170МЧ 2 ящика ЯРП-20УЗ или ВП-20МУЗ или ЯПП-15УЗ на ж.б. колонне. Монтажный чертеж 5.407-111.1.180МЧ 2 ящика ЯБПВУ-1МУЗ и на ж.б. колонне. Монтажный чертеж 5.407-111.1.190МЧ 2 ящика ЯРП-100ПУЗ на ж.б. колонне. Монтажный чертеж 5.407-111.1.200МЧ 2 ящика ЯБ1-2УЗ на ж.б. колонне. Монтажный чертеж 5.407-111.1.210МЧ 2 ящика ЯБПВУ-4УЗ на ж.б. колонне. Монтажный чертеж 5.407-111.1.220МЧ 2 ящика ЯК-250УЗ на ж.б. колонне. Монтажный чертеж 5.407-111.1.230МЧ 2 ящика ЯРП11 на ж.б. колонне. Монтажный чертеж 5.407-111.1.240МЧ 2 ящика ЯВЗШ-31-У2 на ж.б. колонне. Монтажный чертеж 5.407-111.1.250МЧ 2 поста кнопочных типа ПКЕ212-2УЗ или ПКЕ212-3УЗ на ж.б. колонне. Монтажный чертеж 5.407-111.1.260МЧ 2 поста кнопочных типа ПКУ15-21-111-40У2... ПКУ15-21-111-54У2 на ж.б. колонне. Монтажный чертеж 5.407-111.1.270МЧ 2 поста кнопочных типа ПКУ15-21-121У2... ПКУ15-21-141У2 на ж.б. колонне. Монтажный чертеж 5.407-111.1.280МЧ 2 поста кнопочных типа ПКУ15-21-231У2, ПКУ15-21-331У2 на ж.б. колонне. Монтажный чертеж 5.407-111.1.290МЧ 2 выключателя серии АП-50 на стене и на ж.б. колонне. Монтажный чертеж 5.407-111.1.300МЧ 2 выключателя серии АП-50 на стене и на ж.б. колонне. Монтажный чертеж 5.407-111.1.310МЧ 2 ящика ЯТП-0,25УЗ на стальной колонне. Монтажный чертеж 5.407-111.1.320МЧ 2 ящика ЯРП-20УЗ или ВП-20МУЗ или ЯПП-15УЗ на стальной колонне. Монтажный чертеж 5.407-111.1.330МЧ 2 ящика ЯБПВУ-1МУЗ на стальной колонне. Монтажный чертеж 5.407-111.1.340МЧ 2 ящика ЯРП-100ПУЗ или ЯБ1-2УЗ или ЯБПВУ-4УЗ на стальной колонне. Монтажный чертеж 5.407-111.1.350МЧ 2 ящика ЯК-250УЗ на стальной колонне. Монтажный чертеж 5.407-111.1.360МЧ 2 ящика ЯРП11 на стальной колонне. Монтажный чертеж 5.407-111.1.370МЧ 2 ящика ЯВЗШ-31-У2 на стальной колонне. Монтажный чертеж 5.407-111.1.380МЧ 2 поста кнопочных типа ПКЕ212-2УЗ или ПКЕ212-3УЗ или ПКУ15-21-111УЗ или ПКУ15-21-121УЗ на стальной колонне. Монтажный чертеж 5.407-111.1.390МЧ 2 поста кнопочных типа ПКУ15-21-131У2 или ПКУ15-21-141У2 или ПКУ15-21-231У2 или ПКУ15-21-331У2 на стальной колонне. Монтажный чертеж 5.407-111.1.400МЧ 2 выключателя серии АП-50 на стальной колонне. Монтажный чертеж 5.407-111.1.410МЧ 2 ящика ЯТП-0,25УЗ на стальной колонне. Монтажный чертеж 5.407-111.1.420МЧ 2 ящика ЯРП-20УЗ или ВП-20МУЗ или ЯПП-15УЗ на стальной колонне. Монтажный чертеж 5.407-111.1.430МЧ 2 ящика ЯБПВУ-1МУЗ на стальной колонне. Монтажный чертеж 5.407-111.1.440МЧ 2 ящика ЯРП-100ПУЗ или ЯБ1-2УЗ или ЯБПВУ-4УЗ на стальной колонне. Монтажный чертеж 5.407-111.1.450МЧ 2 ящика ЯК-250УЗ на стальной колонне. Монтажный чертеж 5.407-111.1.460МЧ 2 ящика ЯРП11 на стальной колонне. Монтажный чертеж 5.407-111.1.470МЧ 2 ящика ЯВЗШ-31-У2 на стальной колонне. Монтажный чертеж 5.407-111.1.480МЧ 2 поста кнопочных типа ПКЕ212-2УЗ или ПКЕ212-3УЗ или ПКУ15-21-111У2... ПКУ15-21-141У2 или ПКУ15-21-231У2 или ПКУ15-21-331У2 на стальной колонне. Монтажный чертеж 5.407-111.1.490МЧ 2 выключателя серии АП-50 на стальной колонне. Монтажный чертеж |
| Разработан: | УГППКИ Тяжпромэлектропроект |
| Утверждён: | 14.02.1989 НПО Электромонтаж ММСС СССР |
| Издан: | ЦИТП Госстроя СССР (CITP, Gosstroy (USSR) 1989 г. ) |

























































































