Скачать Серия 5.407-131 Выпуск 1. Изделия. Рабочие чертежиДата актуализации: 01.01.2021
|
| Обозначение: | Серия 5.407-131 |
| Обозначение англ: | Series 5.407-131 |
| Статус: | не определен законодательством |
| Название рус.: | Выпуск 1. Изделия. Рабочие чертежи |
| Дата добавления в базу: | 01.09.2013 |
| Дата актуализации: | 01.01.2021 |
| Дата введения: | 01.01.1991 |
| Дата окончания срока действия: | 30.06.2003 |
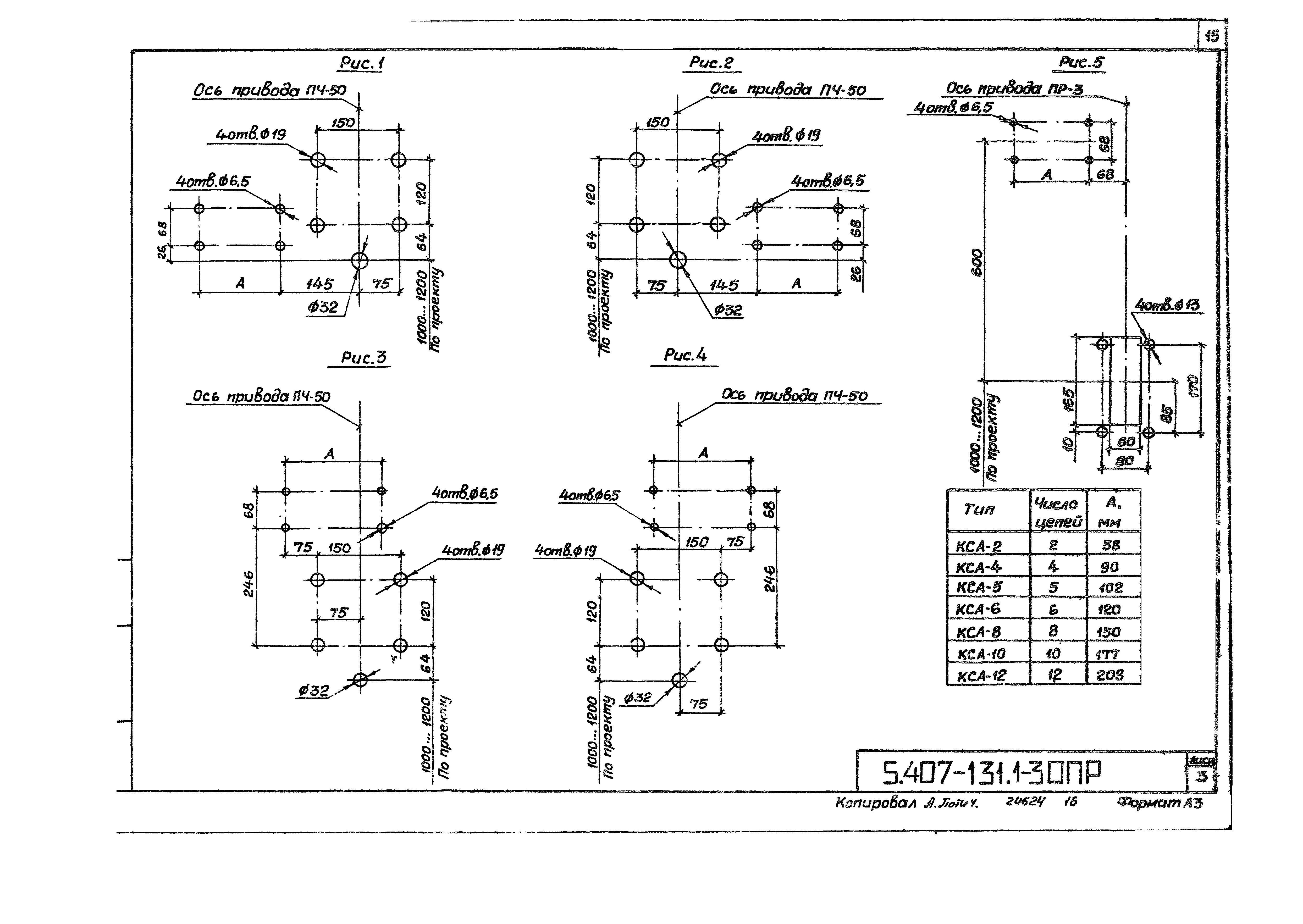
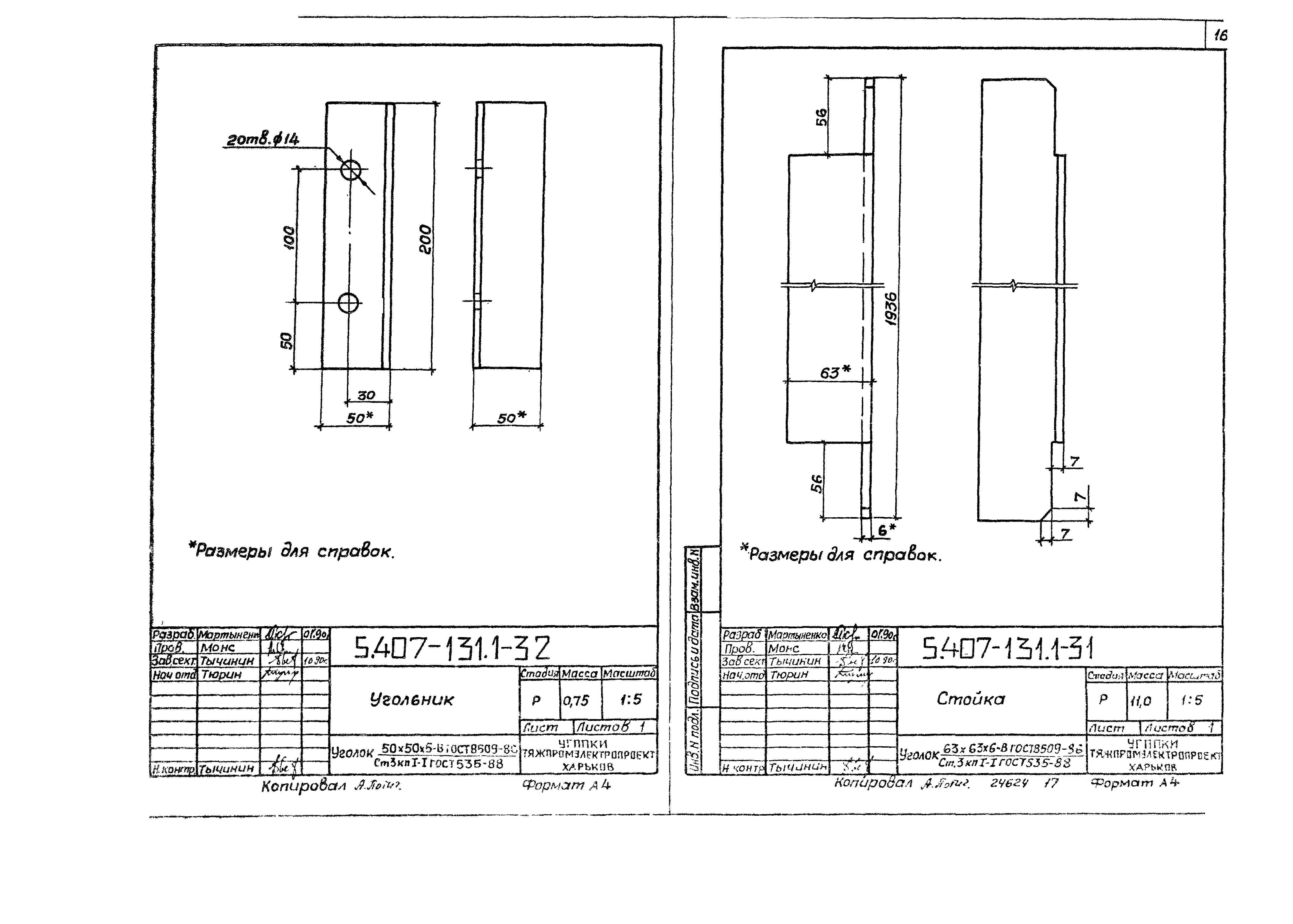
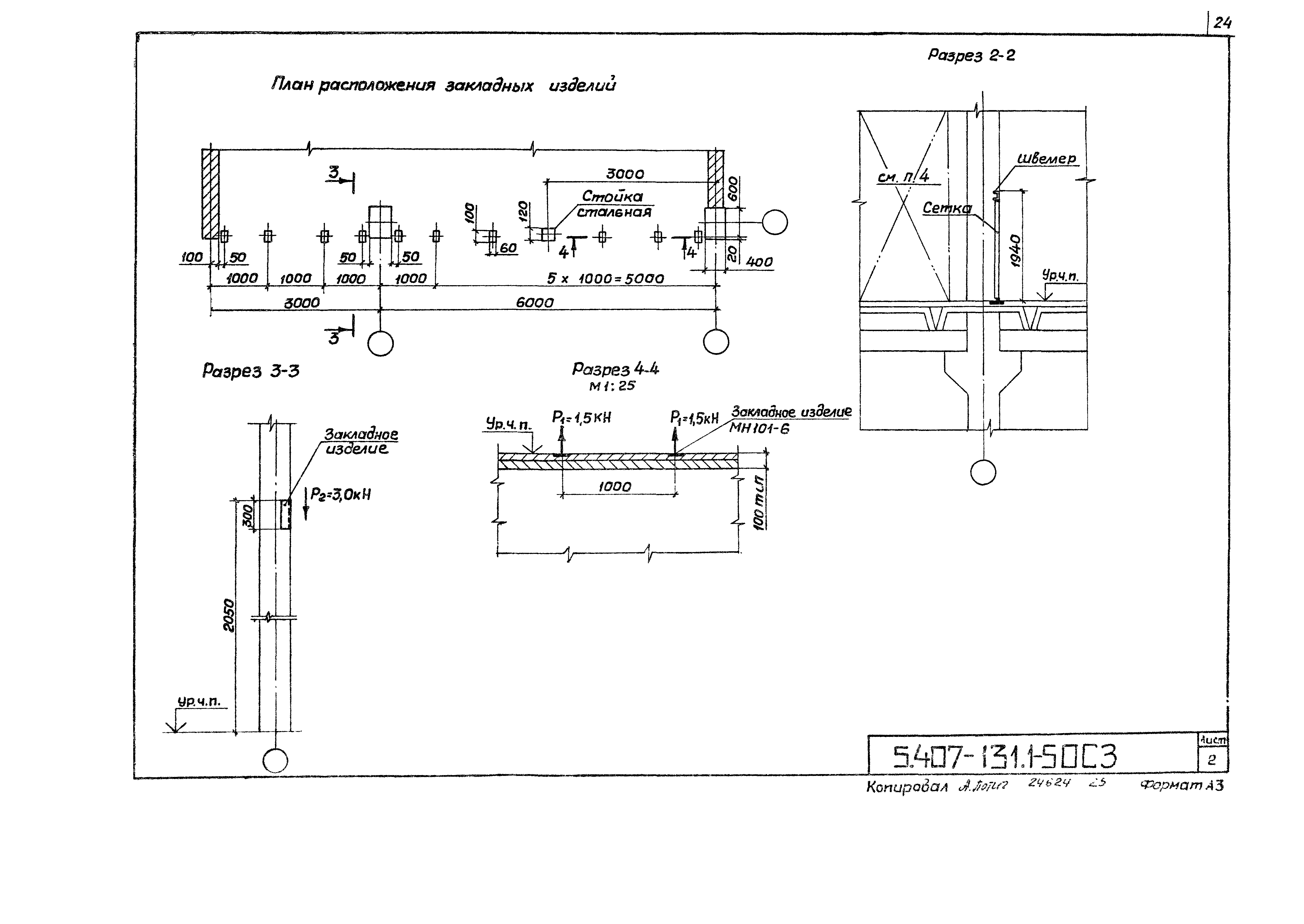
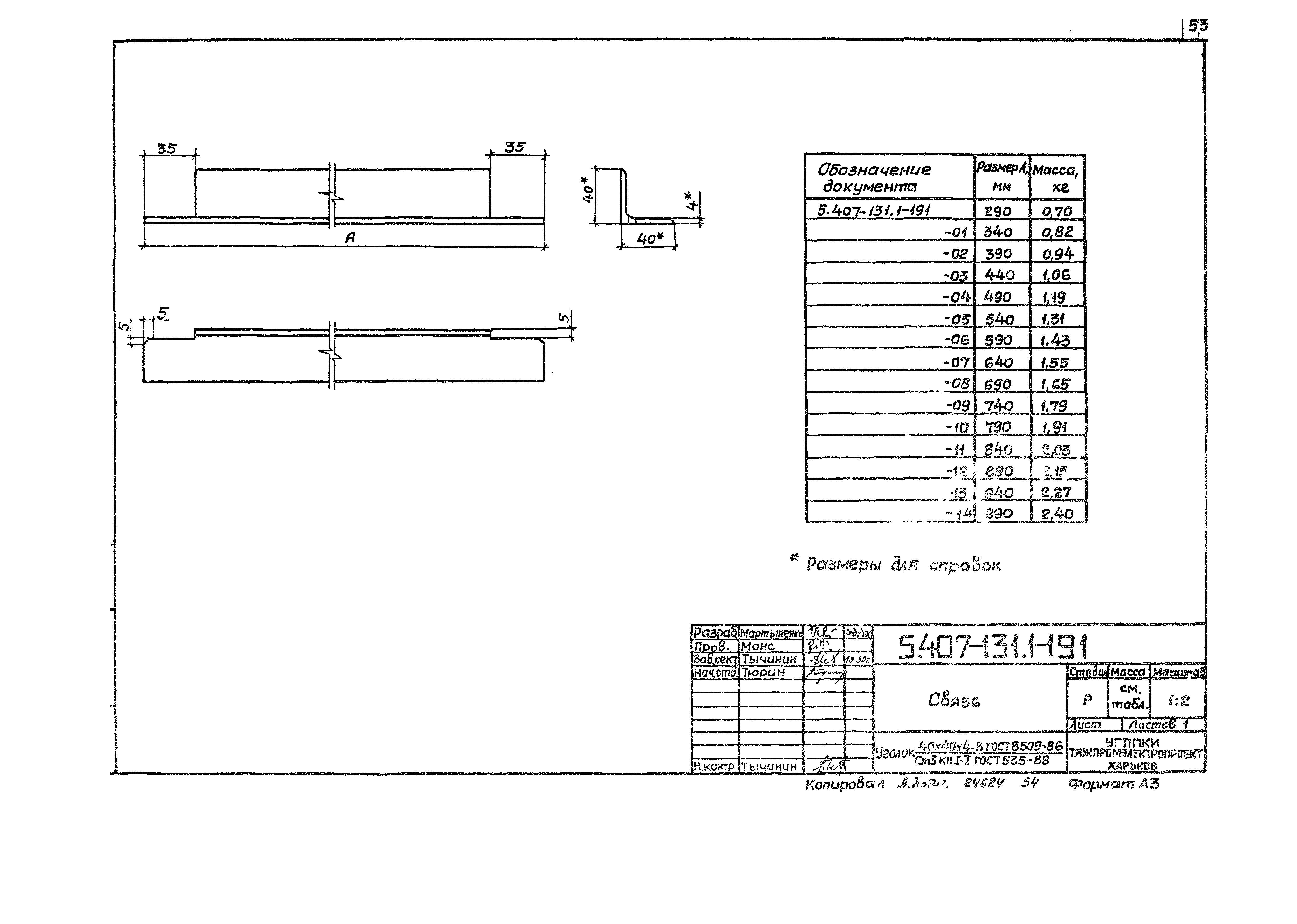
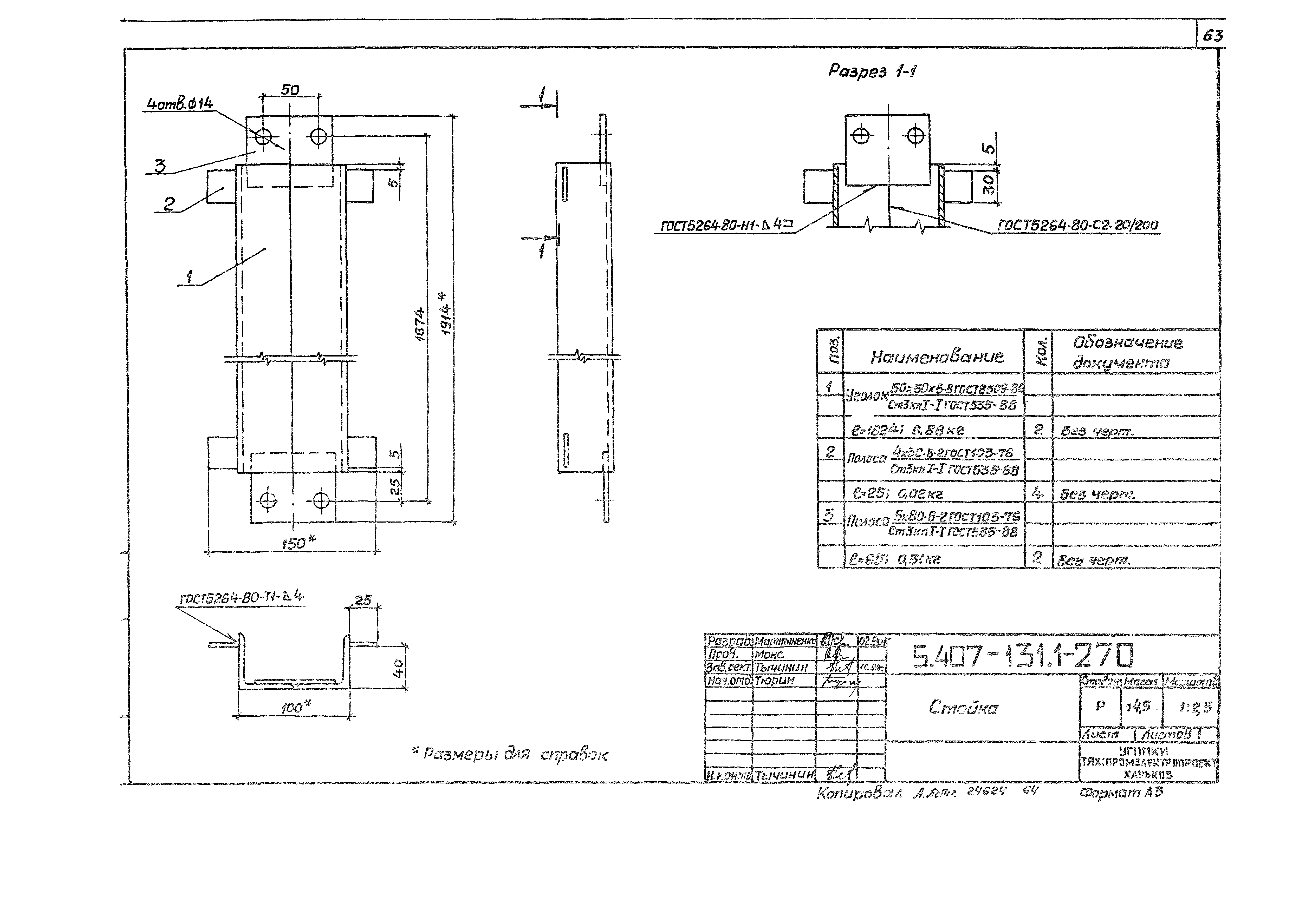
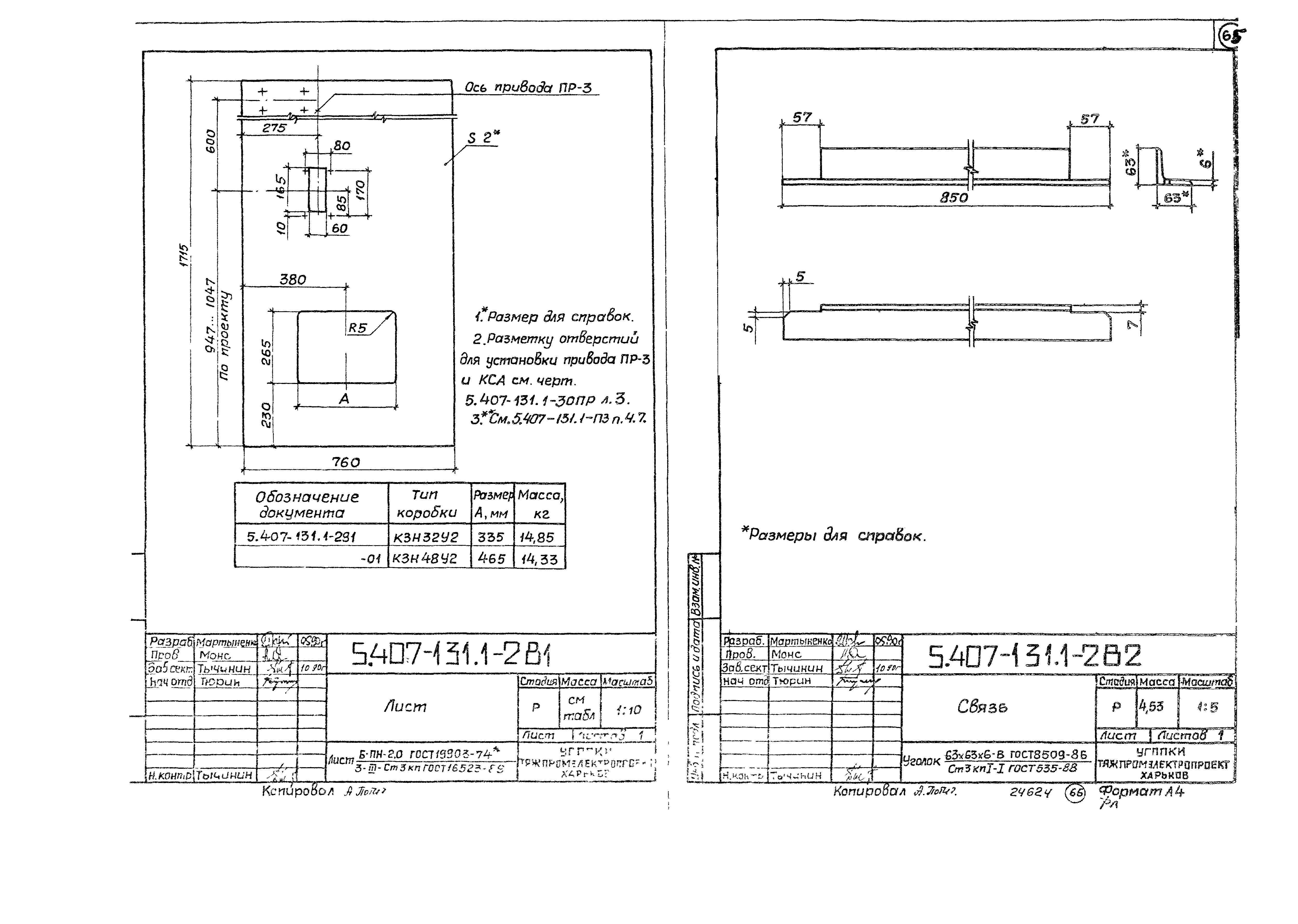
| Оглавление: | Титульный лист Содержание выпуска 5.407-131.1-ПЗ Пояснительная записка 5.407-131.1-10ТБ Таблица выбора чертежей 5.407-131.1-20ВМ Ведомость потребности в оборудовании, изделиях и материалах 5.407-131.1-30ПР Ограждение с одной дверью. Пример 5.407-131.1-31 Стойка 5.407-131.1-32 Угольник 5.407-131.1-33 Лист 5.407-131.1-34 Лист 5.407-131.1-35 Скоба 5.407-131.1-36 Уголок 5.407-131.1-37 Уголок 5.407-131.1-38 Ручка 5.407-131.1-40ПР Ограждение с двумя дверьми. Пример 5.407-131.1-41 Лист 5.407-131.1-50СЗ Сетчатое ограждение камеры вводных реакторов горизонтальной установки. Строительное здание. Пример 5.407-131.1-60 Сетка 300…950х300 мм 5.407-131.1-61 Связь 5.407-131.1-70 Сетка 300…950х400 мм 5.407-131.1-80 Сетка 300…950х500 мм 5.407-131.1-90 Сетка 300…950х600 мм 5.407-131.1-100 Сетка 300…950х700 мм 5.407-131.1-110 Сетка 300…950х800 мм 5.407-131.1-120 Сетка 300…950х900 мм 5.407-131.1-130 Сетка 300…950х1000 мм 5.407-131.1-140 Сетка 300…950х1200 мм 5.407-131.1-150 Сетка 300…950х1400 мм 5.407-131.1-160 Сетка 300…950х1600 мм 5.407-131.1-170 Сетка 300…950х1800 мм 5.407-131.1-180 Сетка 300…950х2000 мм 5.407-131.1-190 Сетка усиленная 300…1000х1600 мм 5.407-131.1-191 Связь 5.407-131.1-200 Сетка усиленная 300…1000х1800 мм 5.407-131.1-210 Сетка усиленная 300…1000х2000 мм 5.407-131.1-220 Сетка усиленная 300…1000х2200 мм 5.407-131.1-230 Узел 1 5.407-131.1-240 Узел 1 5.407-131.1-250 Петля 5.407-131.1-260 Установка замка ЗЯ-4У1 5.407-131.1-270 Стойка 5.407-131.1-280 Панель 5.407-131.1-281 Лист 5.407-131.1-282 Связь |
| Разработан: | УГППКИ Тяжпромэлектропроект |
| Утверждён: | 22.03.1990 НПО Электромонтаж ММСС СССР |
| Издан: | ЦИТП Госстроя СССР (CITP, Gosstroy (USSR) 1991 г. ) |

































































