Скачать Серия 1.020.1-2с/89 Выпуск 0-0. Состав серии. Общие указания. Номенклатура изделийДата актуализации: 01.01.2021
|
| Обозначение: | Серия 1.020.1-2с/89 |
| Обозначение англ: | Series 1.020.1-2с/89 |
| Статус: | не определен законодательством |
| Название рус.: | Выпуск 0-0. Состав серии. Общие указания. Номенклатура изделий |
| Дата добавления в базу: | 01.09.2013 |
| Дата актуализации: | 01.01.2021 |
| Дата введения: | 01.07.1990 |
| Дата окончания срока действия: | 30.06.2003 |
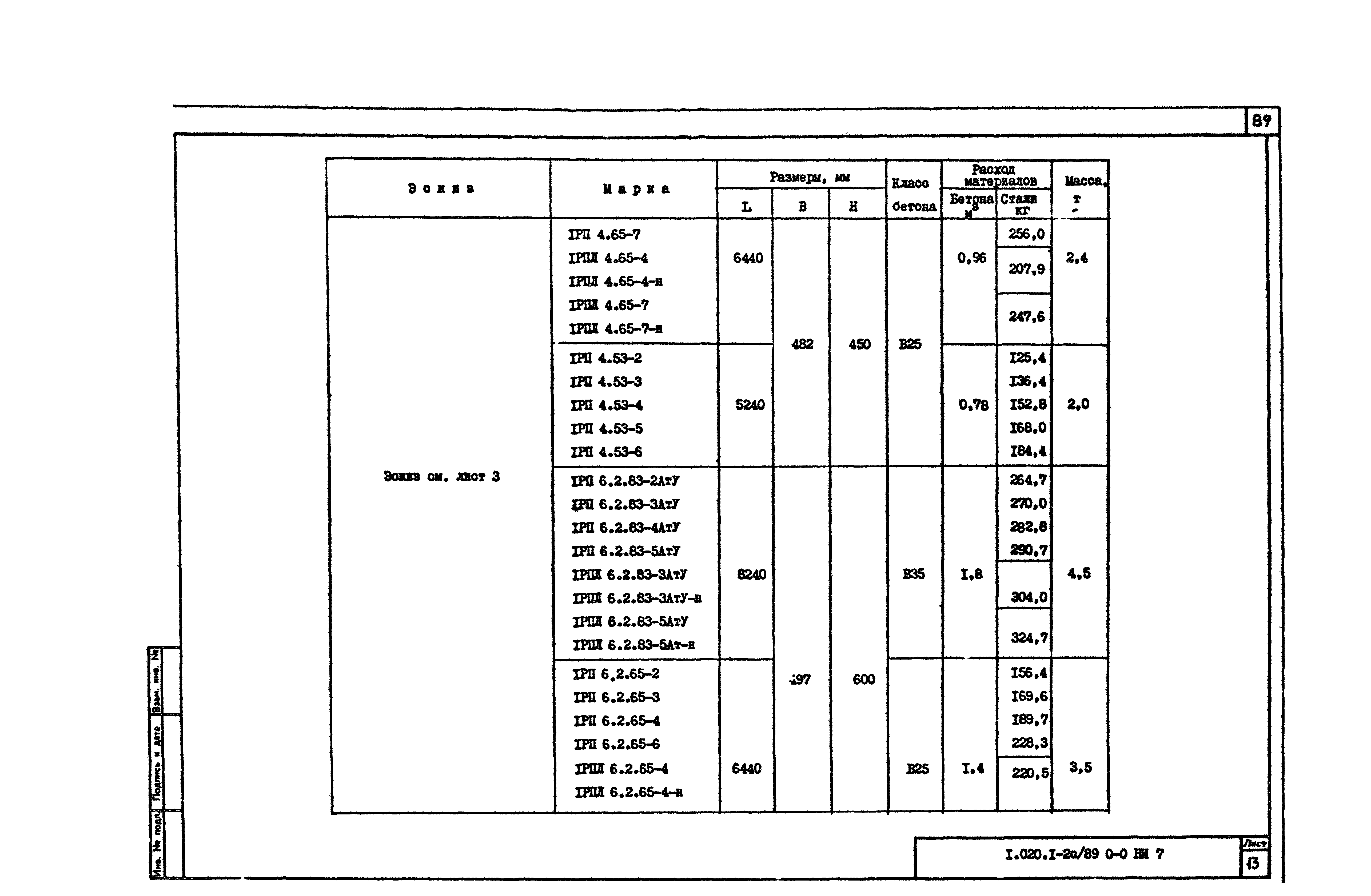
| Оглавление: | 1.020.1-2с/89 0-0 Содержание 1.020.1-2с/89 ПЗ Пояснительная записка 1.020.1-2с/89 НИ1 Номенклатура колонн для зданий с высотой этажа 3,3 м 1.020.1-2с/89 НИ2 Номенклатура колонн для зданий с высотой этажей 3,6 и 3,6(4,8) м 1.020.1-2с/89 НИ3 Номенклатура колонн для зданий с высотой этажа 4,2 м 1.020.1-2с/89 НИ4 Номенклатура колонн для зданий с высотой этажей 4,8 м и 4,8(6,0)м 1.020.1-2с/89 НИ5 Номенклатура колонн для зданий с высотой этажей 5,4; 6,0 и 6,0(7,2)м 1.020.1-2с/89 НИ6 Номенклатура колонн для зальных помещений 1.020.1-2с/89 НИ7 Номенклатура ригелей для опирания многопустотных плит перекрытия 1.020.1-2с/89 НИ8 Номенклатура ригелей для опирания ребристых плит типа "ТТ" 1.020.1-2с/89 НИ9 Номенклатура диафрагм жесткости 1.020.1-2с/89 НИ10 Номенклатура фундаментов |
| Разработан: | НИИЖБ Госстроя СССР ТбилЗНИИЭП |
| Утверждён: | 25.12.1989 Госкомархитектура (244) |
| Принят: | ЦНИИСК им.Кучеренко (Kucherenko TsNIISK ) |
| Заменяет собой: |
|


































































































