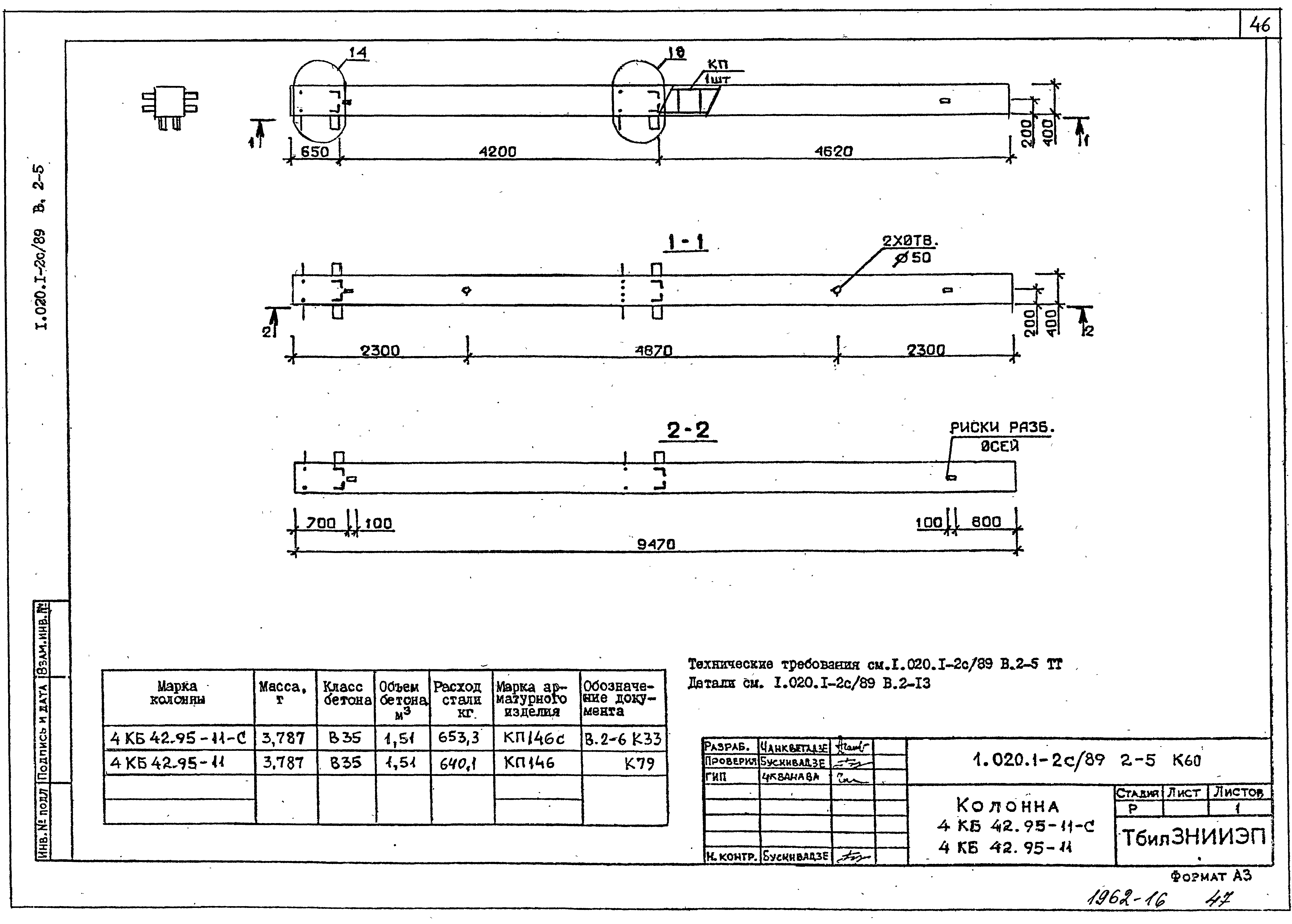
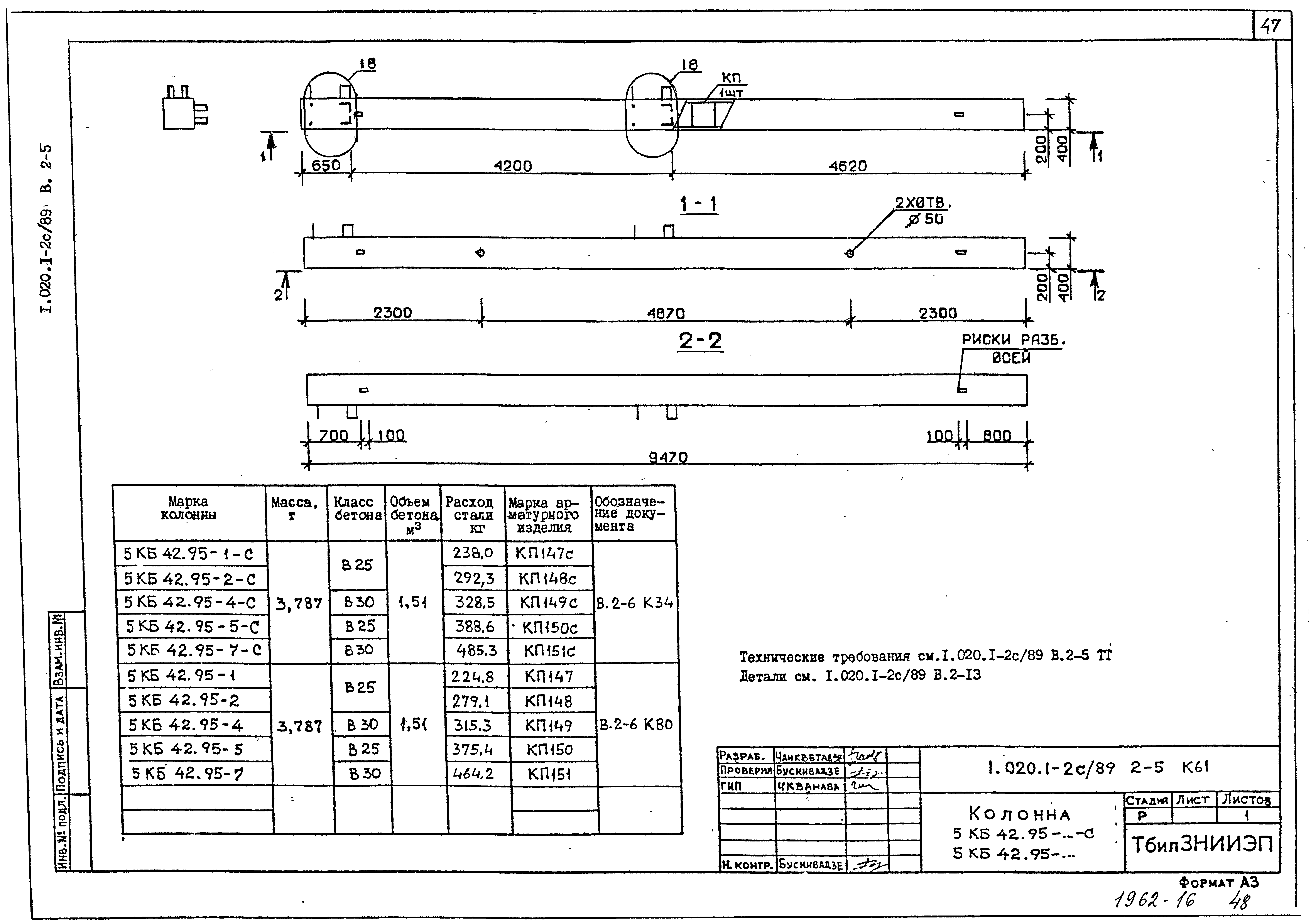
Скачать Серия 1.020.1-2с/89 Выпуск 2-5. Колонны сечением 400х400 мм для зданий с высотой этажа 4,2 м. Рабочие чертежиДата актуализации: 01.01.2021 Серия 1.020.1-2с/89
Выпуск 2-5. Колонны сечением 400х400 мм для зданий с высотой этажа 4,2 м. Рабочие чертежи| Обозначение: | Серия 1.020.1-2с/89 | | Обозначение англ: | Series 1.020.1-2с/89 | | Статус: | не определен законодательством | | Название рус.: | Выпуск 2-5. Колонны сечением 400х400 мм для зданий с высотой этажа 4,2 м. Рабочие чертежи | | Дата добавления в базу: | 01.09.2013 | | Дата актуализации: | 01.01.2021 | | Дата введения: | 01.07.1990 | | Дата окончания срока действия: | 30.06.2003 | | Разработан: | НИИЖБ Госстроя СССР ТбилЗНИИЭП
| | Утверждён: | 25.12.1989 Госкомархитектура (244)
| | Принят: | ЦНИИСК им.Кучеренко (Kucherenko TsNIISK )
| | Заменяет собой: | |
                                                                                             
|