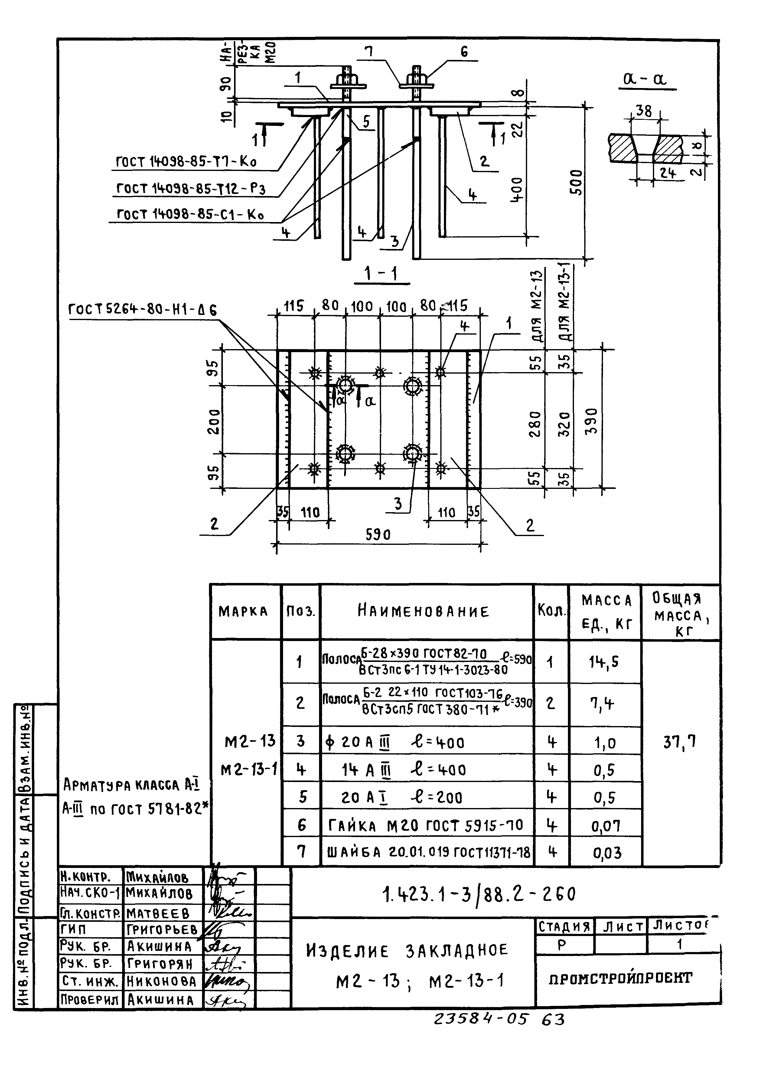
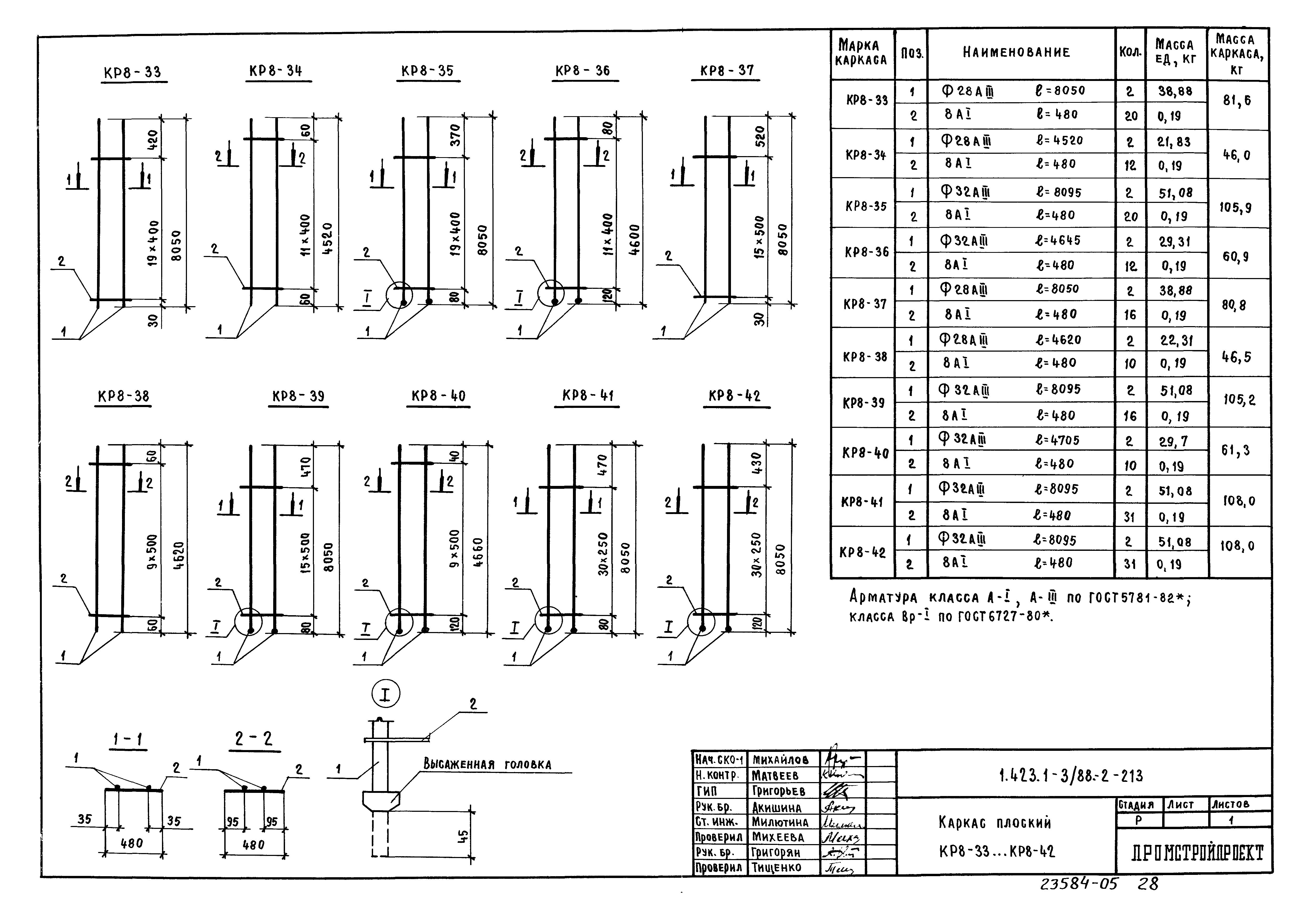
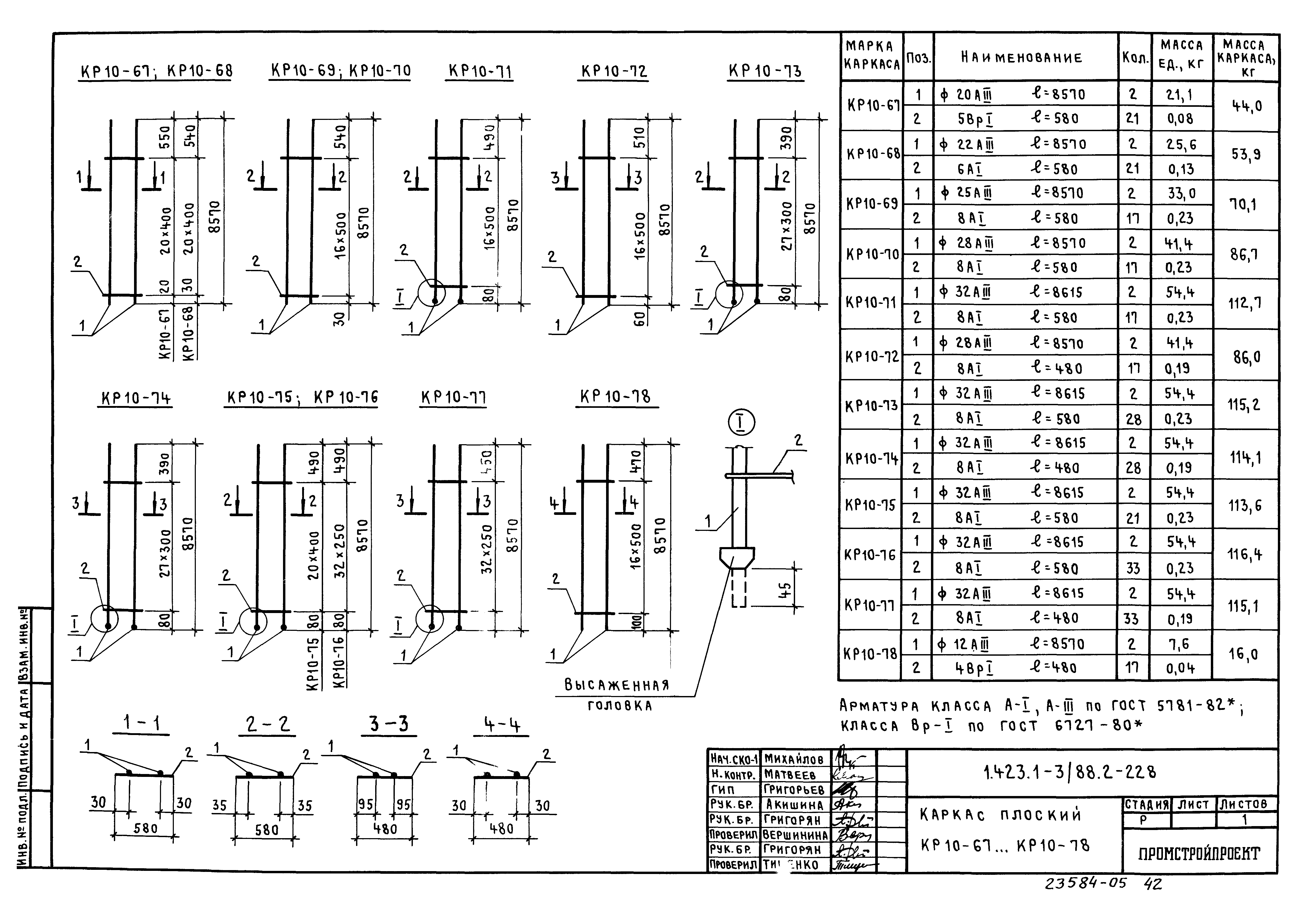
Скачать Серия 1.423.1-3/88 Выпуск 2. Часть 2. Арматурные и закладные изделия. Рабочие чертежи

Дата актуализации: 01.01.2021

Серия 1.423.1-3/88

Выпуск 2. Часть 2. Арматурные и закладные изделия. Рабочие чертежи

Обозначение: Серия 1.423.1-3/88
Обозначение англ: Series 1.423.1-3/88
Статус:не определен законодательством
Название рус.:Выпуск 2. Часть 2. Арматурные и закладные изделия. Рабочие чертежи
Дата добавления в базу:01.09.2013
Дата актуализации:01.01.2021
Дата введения:01.04.1989
Дата окончания срока действия:30.06.2003
Разработан: НИИЖБ
ГПИ Промстройпроект
Утверждён:23.12.1988 Госстрой СССР (Государственный комитет Совета Министров СССР по делам строительства) (USSR Gosstroy АЧ-47)
Издан: ЦИТП Госстроя СССР (CITP, Gosstroy (USSR) 1989 г. )
Заменяет собой:
  • Серия 1.423-3
Серия 1.423.1-3/88Серия 1.423.1-3/88Серия 1.423.1-3/88Серия 1.423.1-3/88Серия 1.423.1-3/88Серия 1.423.1-3/88Серия 1.423.1-3/88Серия 1.423.1-3/88Серия 1.423.1-3/88Серия 1.423.1-3/88Серия 1.423.1-3/88Серия 1.423.1-3/88Серия 1.423.1-3/88Серия 1.423.1-3/88Серия 1.423.1-3/88Серия 1.423.1-3/88Серия 1.423.1-3/88Серия 1.423.1-3/88Серия 1.423.1-3/88Серия 1.423.1-3/88Серия 1.423.1-3/88Серия 1.423.1-3/88Серия 1.423.1-3/88Серия 1.423.1-3/88Серия 1.423.1-3/88Серия 1.423.1-3/88Серия 1.423.1-3/88Серия 1.423.1-3/88Серия 1.423.1-3/88Серия 1.423.1-3/88Серия 1.423.1-3/88Серия 1.423.1-3/88Серия 1.423.1-3/88Серия 1.423.1-3/88Серия 1.423.1-3/88Серия 1.423.1-3/88Серия 1.423.1-3/88Серия 1.423.1-3/88Серия 1.423.1-3/88Серия 1.423.1-3/88Серия 1.423.1-3/88Серия 1.423.1-3/88Серия 1.423.1-3/88Серия 1.423.1-3/88Серия 1.423.1-3/88Серия 1.423.1-3/88Серия 1.423.1-3/88Серия 1.423.1-3/88Серия 1.423.1-3/88Серия 1.423.1-3/88Серия 1.423.1-3/88Серия 1.423.1-3/88Серия 1.423.1-3/88Серия 1.423.1-3/88Серия 1.423.1-3/88Серия 1.423.1-3/88Серия 1.423.1-3/88Серия 1.423.1-3/88Серия 1.423.1-3/88Серия 1.423.1-3/88Серия 1.423.1-3/88Серия 1.423.1-3/88Серия 1.423.1-3/88Серия 1.423.1-3/88Серия 1.423.1-3/88Серия 1.423.1-3/88Серия 1.423.1-3/88Серия 1.423.1-3/88Серия 1.423.1-3/88Серия 1.423.1-3/88Серия 1.423.1-3/88Серия 1.423.1-3/88Серия 1.423.1-3/88Серия 1.423.1-3/88Серия 1.423.1-3/88Серия 1.423.1-3/88Серия 1.423.1-3/88Серия 1.423.1-3/88Серия 1.423.1-3/88Серия 1.423.1-3/88Серия 1.423.1-3/88Серия 1.423.1-3/88Серия 1.423.1-3/88Серия 1.423.1-3/88Серия 1.423.1-3/88Серия 1.423.1-3/88Серия 1.423.1-3/88Серия 1.423.1-3/88Серия 1.423.1-3/88Серия 1.423.1-3/88Серия 1.423.1-3/88Серия 1.423.1-3/88Серия 1.423.1-3/88Серия 1.423.1-3/88Серия 1.423.1-3/88Серия 1.423.1-3/88Серия 1.423.1-3/88Серия 1.423.1-3/88Серия 1.423.1-3/88Серия 1.423.1-3/88Серия 1.423.1-3/88Серия 1.423.1-3/88Серия 1.423.1-3/88Серия 1.423.1-3/88