Скачать Серия 2.140-1 Выпуск 2. ПолыДата актуализации: 01.01.2021
|
| Обозначение: | Серия 2.140-1 |
| Обозначение англ: | Series 2.140-1 |
| Статус: | не действует |
| Название рус.: | Выпуск 2. Полы |
| Дата добавления в базу: | 01.09.2013 |
| Дата актуализации: | 01.01.2021 |
| Дата окончания срока действия: | 01.09.1977 |
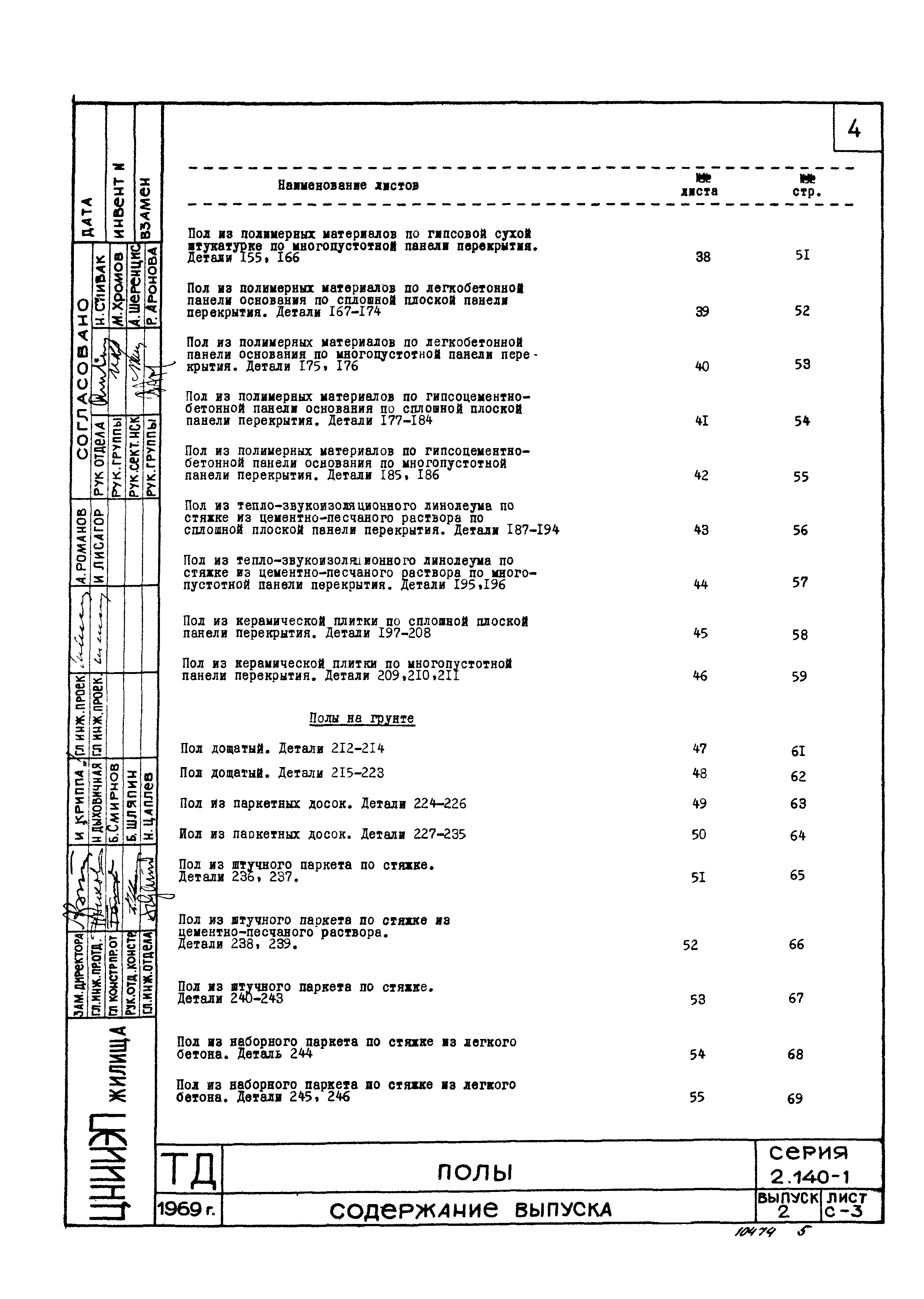
| Оглавление: | Пояснительная записка Таблица для выбора типа полов Поды междуэтажных перекрытий Под дощатый. Детали 1-4 Пол дощатый щитовой. Детали 5-8 Пол из паркетных досок. Детали 9-12 Пол из штучного паркета по стяжке из цементно-песчаного раствора. Детали 13-18 Пол из штучного паркета по стяжке из литого асфальтобетона. Детали 19-24 Пол из наборного паркета по стяжке из легкого бетона. Детали 25-30 Пол из наборного паркета по полутвердой древесно-волокнистой плите. Детали 31-36 Пол из наборного паркета на легкобетонной панели основания. Детали 37-40 Пол из наборного паркета на гипсоцементно-бетонной панели основания. Детали 41-44 Пол из полимерных материалов по гипсовой сухой штукатурке. Детали 45-50 Пол из полимерных материалов по легкобетонной панели основание Детали 51-54 Пол из полимерных материалов по гипсоцементно-бвтонной панели основания. Детали 55-58 Пол из тепло-звукоизоляционного линолеума по сплошной плоской панели перекрытия. Деталь 59 Пол из тепло-звукоизоляционного линолеума по многопустотной панели перекрытия. Деталь 60 Пол из керамической плитки. Детали 61-63 Пол из керамической плитки. Детали 64-66 Полы перекрытий над неотапливаемыми подвалами Пол дощатый по сплошной плоской панели перекрытия. Детали 67-74 Пол дощатый по многопустотной панели перекрытия. Детали 75, 76 Пол дощатый щитовой по сплошной плоской панели перекрытия. Детали 77-84 Пол дощатый щитовой по многопустотной панели перекрытия. Детали 85, 86 Пол из паркетных досок по сплошной плоской панели перекрытия. Детали 87-94 Пол из паркетных досок по многопустотной панели перекрытия. Детали 95, 96 Пол из штучного паркета по стяжке из цементно-песчаного раствора пл сплошной плоской панели перекрытия. Детали 97-104 Пол из штучного паркета по стяжке из цементно-песчаного раствора по многопустотной панели перекрытия. Детали 105. 106 Пол из штучного паркета по стяжке из литого асфальтобетона по сплошной плоской панели перекрытия. Детали 107-114 Пол из штучного паркета по стяжке из литого асфальтобетона по многопустотной панели перекрытия. Детали 115, 116 Пол из наборного паркета по стяжке из легкого бетона по сплошной плоской панели перекрытия. Детали 117-124 Пол из наборного паркета по стяжке из легкого бетона по многопустотной панели перекрытий. Детали 125, 126 Пол из наборного паркета по полутвердой древесноволокнистой плите по сплошной плоской панели перекрытия. Детали 127-134 Пол из наборного паркета по полутвердой древесноволокнистой плите по многопустотной панели перекрытия. Детали 135, 136 Пол из наборного паркета по легкобетонной панели основания по сплошной панели перекрытия. Детали 137-144 Пол из наборного паркета по легкобетонной панели основания по многопустотной панели перекрытия. Детали 145,146 Пол из наборного паркета по гипсоцементнобетонной панели основания по сплошной плоской панели перекрытия. Детали 147-154 Пол из наборного паркета по гипсоцементнобетонной панели основания по многопустотной панели перекрытия. Детали 155, 156 Пол из полимерных материалов по гипсовой сухой штукатурке по сплошной плоской панели перекрытия. Детали 157-164 Пол из полимерных материалов по гипсовой сухой штукатурке по многопустотной панели перекрытия. Детали 155, 166 Пол из полимерных материалов по легкобетонной панели основания по сплошной плоской панели перекрытия. Детали 167-174 Пол из полимерных материалов по легкобетонной панели основания по многопустотной панели перекрытия. Детали 175, 176 Пол из полимерных материалов по гипсоцементно-бетонной панели основания по сплошной плоской панели перекрытия. Детали 177-184 Пол из полимерных материалов по гипсоцементно-бетонной панели основания по многопустотной панели перекрытия. Детали 185, 186 Пол из тепло-звукоизоляционного линолеума по стяжке из цементно-песчаного раствора по сплошной плоской панели перекрытия. Детали 187-194 Пол из тепло-звукоизоляционного линолеума по стяжке из цементно-песчаного раствора по многопустотной панели перекрытия. Детали 195, 196 Пол из керамической плитки по сплошной плоской панели перекрытия. Детали 197-208 Пол из керамической плитки по многопустотной панели перекрытия. Детали 209, 210, 211 Полы на грунте Пол дощатый. Детали 212-214 Пол дощатый. Детали 215-223 Пол из паркетных досок. Детали 224-226 Пол из паркетных досок. Детали 227-235 Пол из штучного паркета по стяжке. Детали 236, 237 Пол из штучного паркета по стяжке из цементно-песчаного раствора. Детали 238, 239 Пол из штучного паркета по стяжке. Детали 240-243 Пол из наборного паркета по стяжке из легкого бетона. Деталь 244 Пол из наборного паркета по стяжке из легкого бетона. Детали 245, 246 Пол из наборного паркета по стяжке из легкого бетона .Детали 247, 248 Пол из наборного паркета по полутвердой древесноволокнистой плите. Деталь 249 Пол из наборного паркета по полутвердой древесноволокнистой плите. Детали 250, 251 Пол из наборного паркета по полутвердой древесноволокнистой плите. Детали 252, 253 Пол из наборного паркета по панели основания. Детали 254, 255 Пол из наборного паркета по панели основания. Детали 256 - 259 Пол из наборного паркета по панели основания. Детали 260 - 263 Пол из полимерных материалов по гипсовой сухой штукатурке. Деталь 264 Пол из полимерных материалов по гипсовой сухой штукатурке. Детали 265, 266 Пол из полимерных материалов по гипсовой сухой штукатурке. Детали 267, 268 Пол из полимерных материалов по панели основания. Детали 269, 270 Пол из полимерных материалов по панели основания. Детали 271 - 274 Пол из полимерных материалов по панели основания. Детали 275 - 278 Пол из тепло-звукоизоляционного линолеума по стяжке из цементно-песчаного раствора. Деталь 279 Пол из тепло-звукоизоляционного линолеума по стяжке из цементно-песчаного раствора. Детали 280, 281 Пол из тепло-звукоизоляционного линолеума по стяжке из цементно-песчаного раствора. Детали 282, 283 Пол из керамической плитки. Деталь 284 Пол из керамической плитки. Детали 285, 286 Пол из керамической плитки. Детали 287, 288 Пол цементный. Деталь 289 Пол цементный. Детали 290, 291 Пол цементный детали 292, 293 Пол глинобетонный. Деталь 294 |
| Разработан: | ЦНИИЭП жилища |
| Утверждён: | 26.02.1970 Государственный комитет по гражданскому строительству и архитектуре при Госстрое СССР (23) |
| Издан: | ЦИТП Госстроя СССР (CITP, Gosstroy (USSR) 1970 г. ) |
| Чем заменён: |





























































































