Скачать Серия 7.402-5 Выпуск 1. Монтажные схемы и узлыДата актуализации: 01.01.2021
|
| Обозначение: | Серия 7.402-5 |
| Обозначение англ: | Series 7.402-5 |
| Статус: | действует |
| Название рус.: | Выпуск 1. Монтажные схемы и узлы |
| Дата добавления в базу: | 01.09.2013 |
| Дата актуализации: | 01.01.2021 |
| Дата введения: | 26.03.1987 |
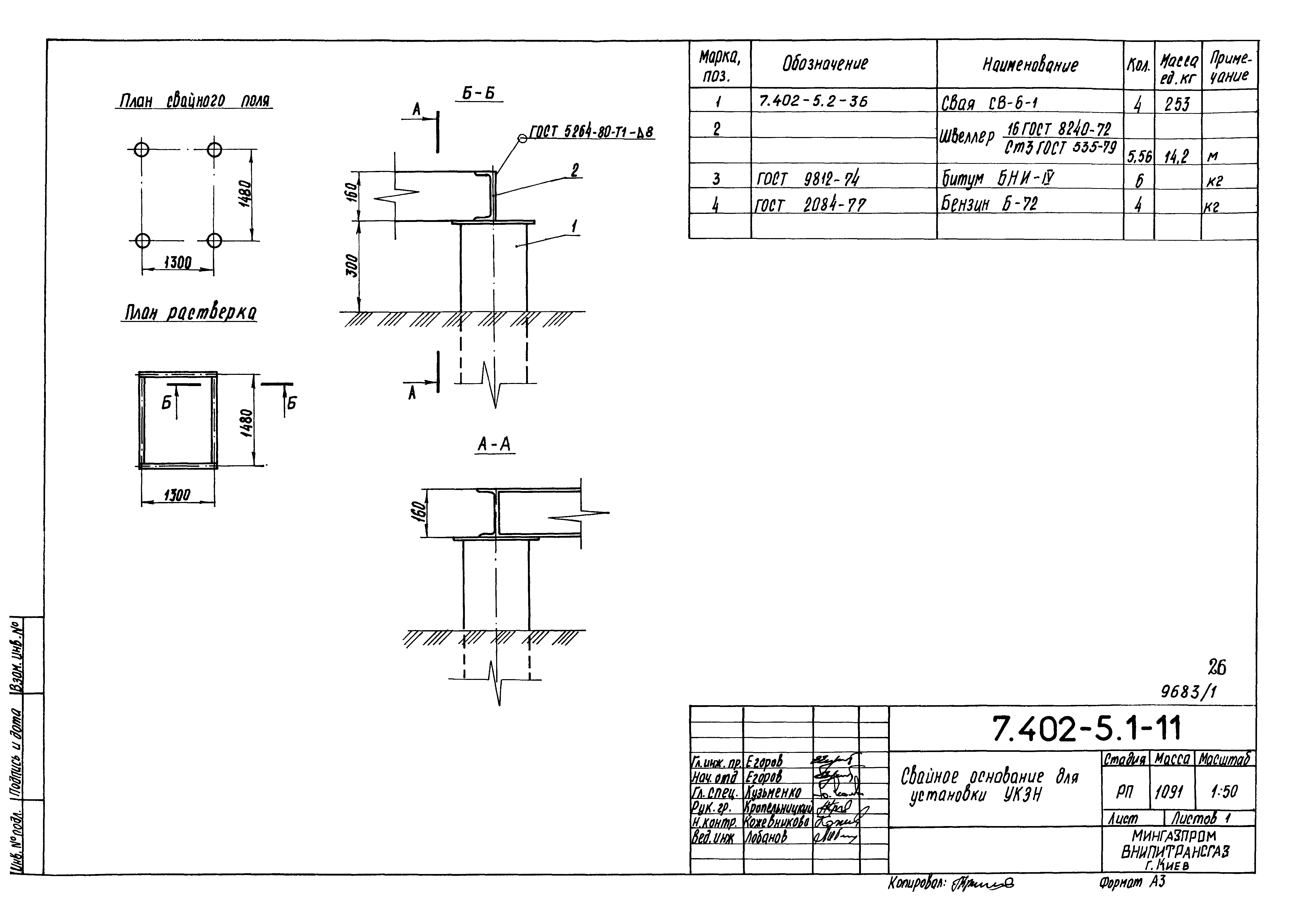
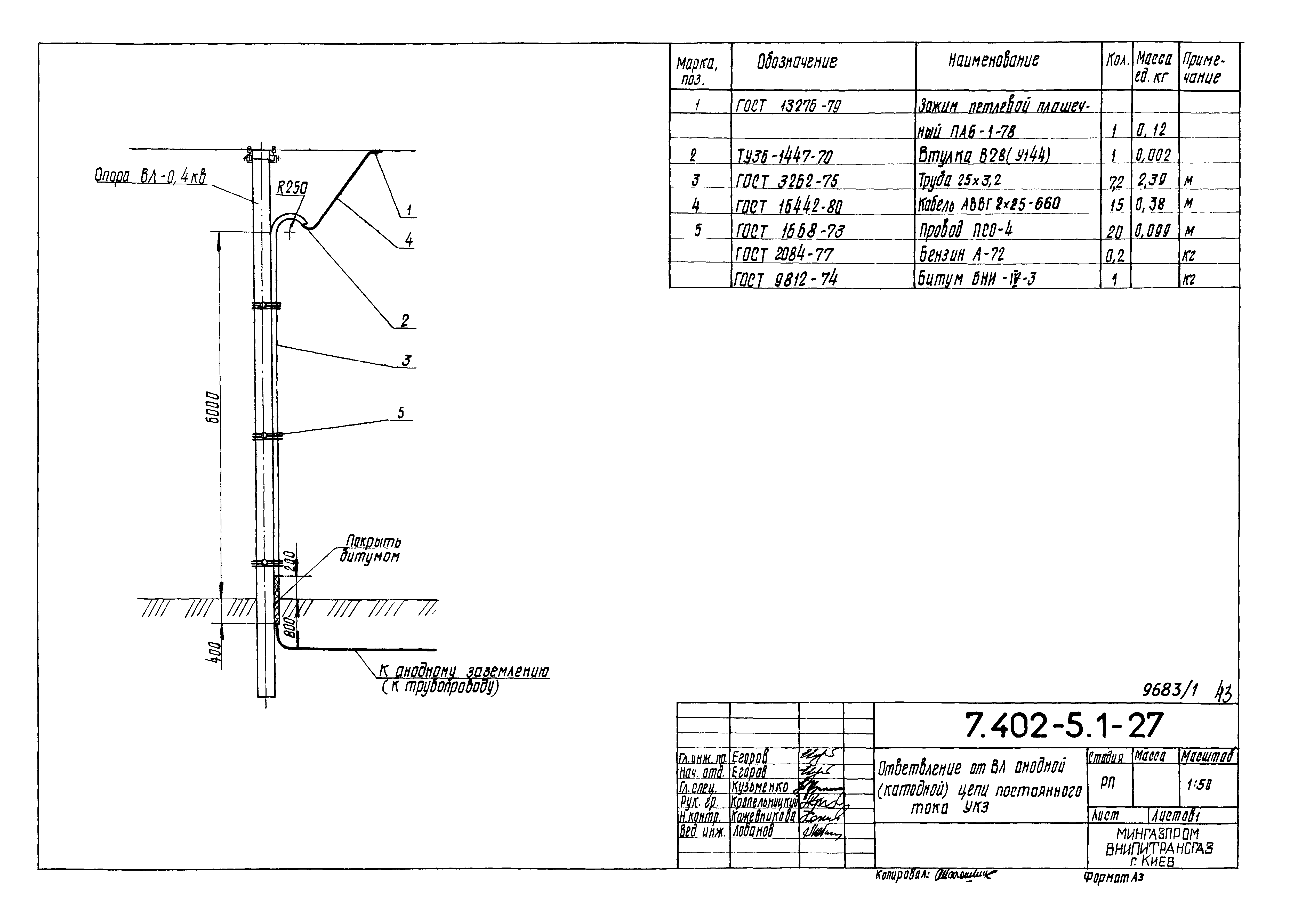
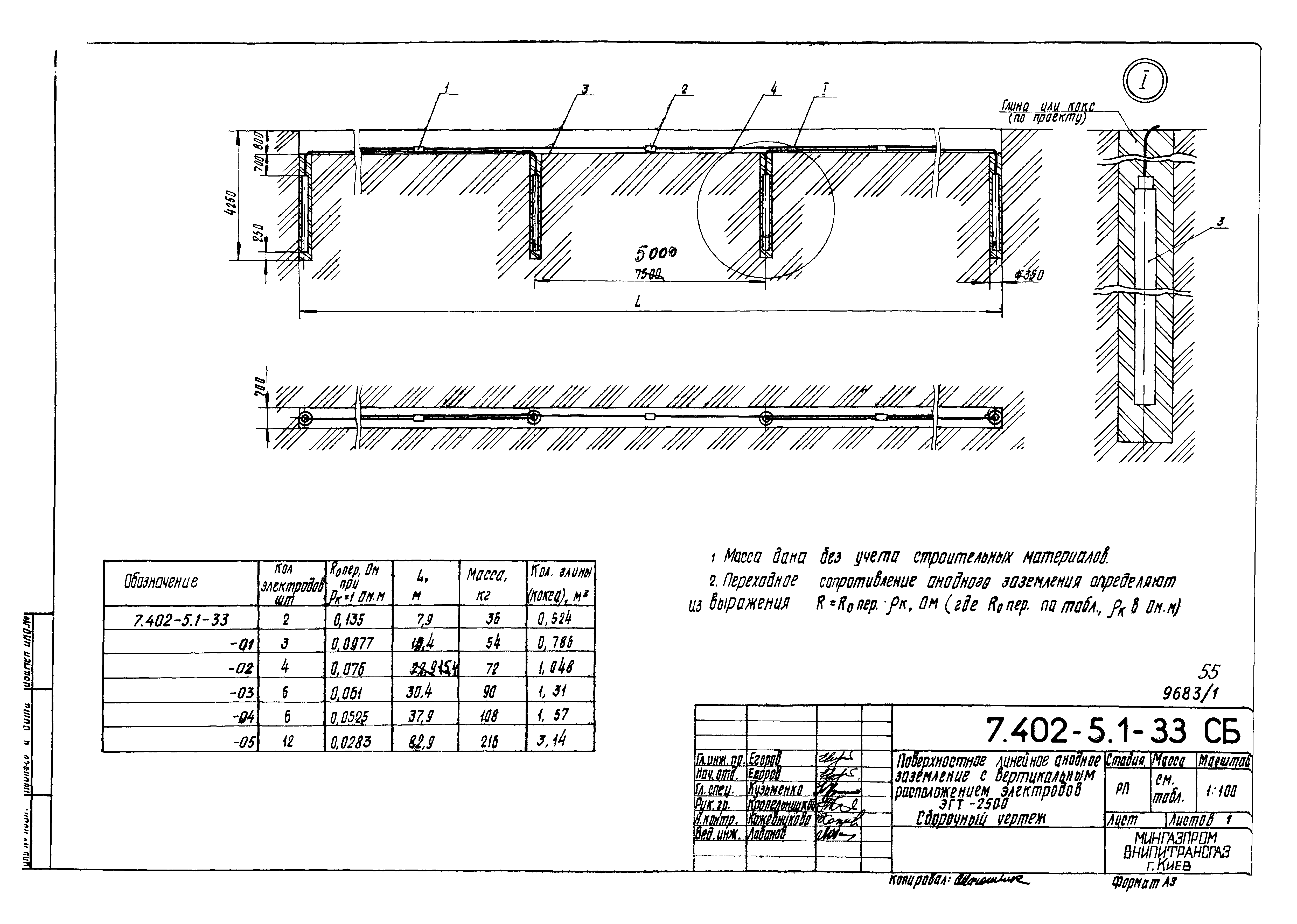
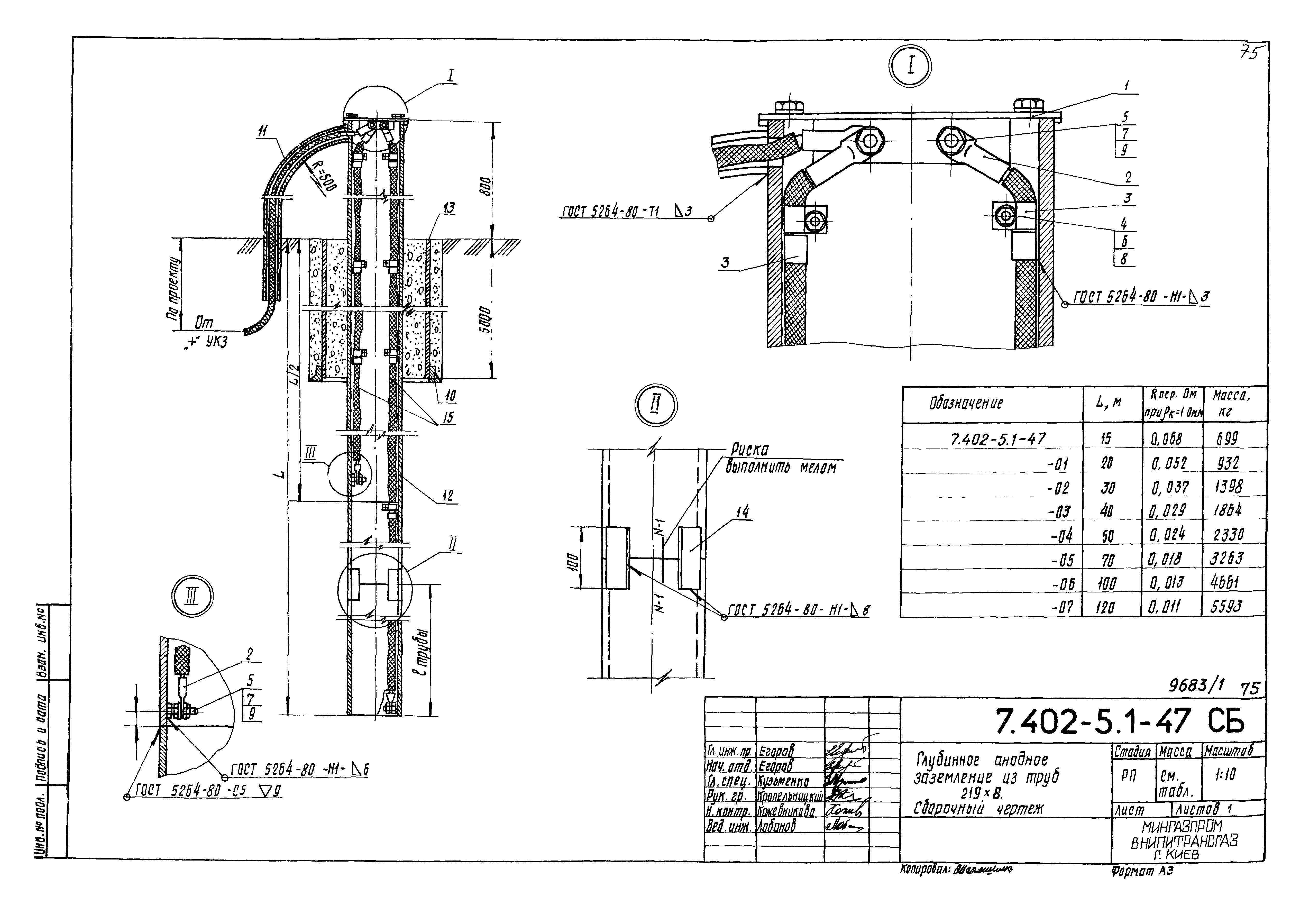
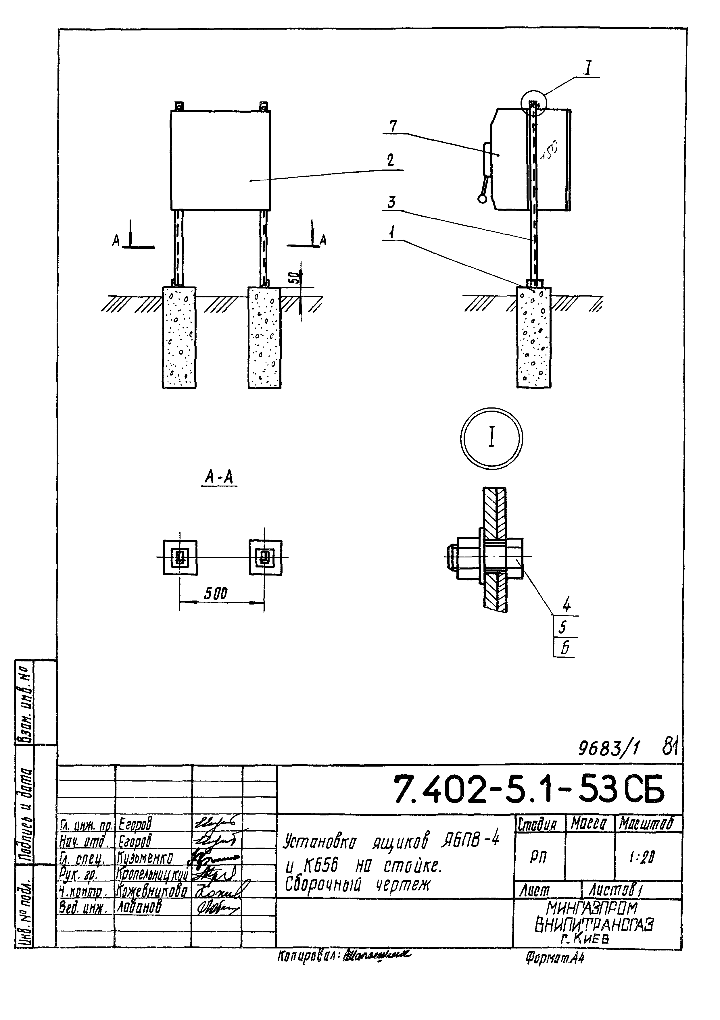
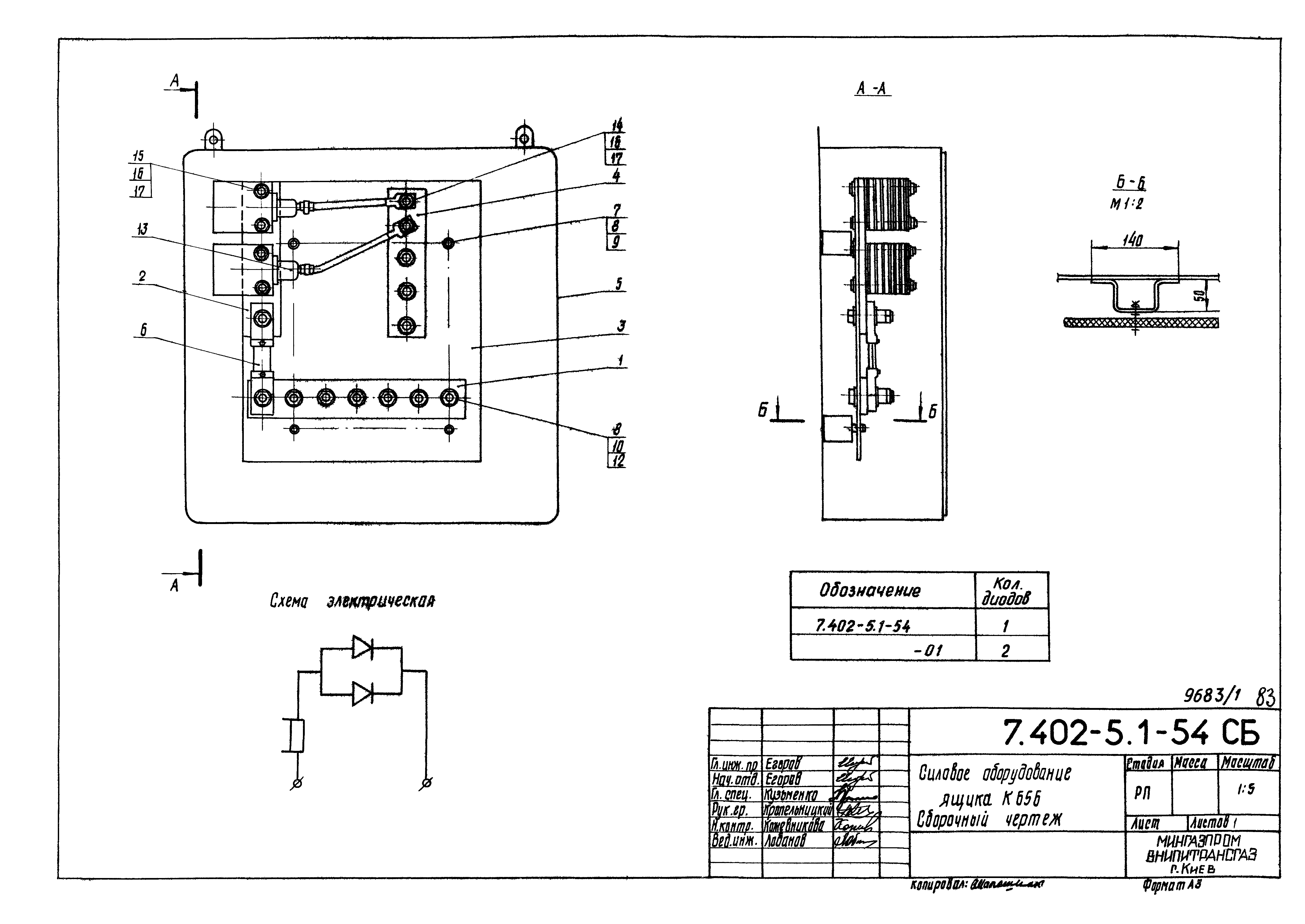
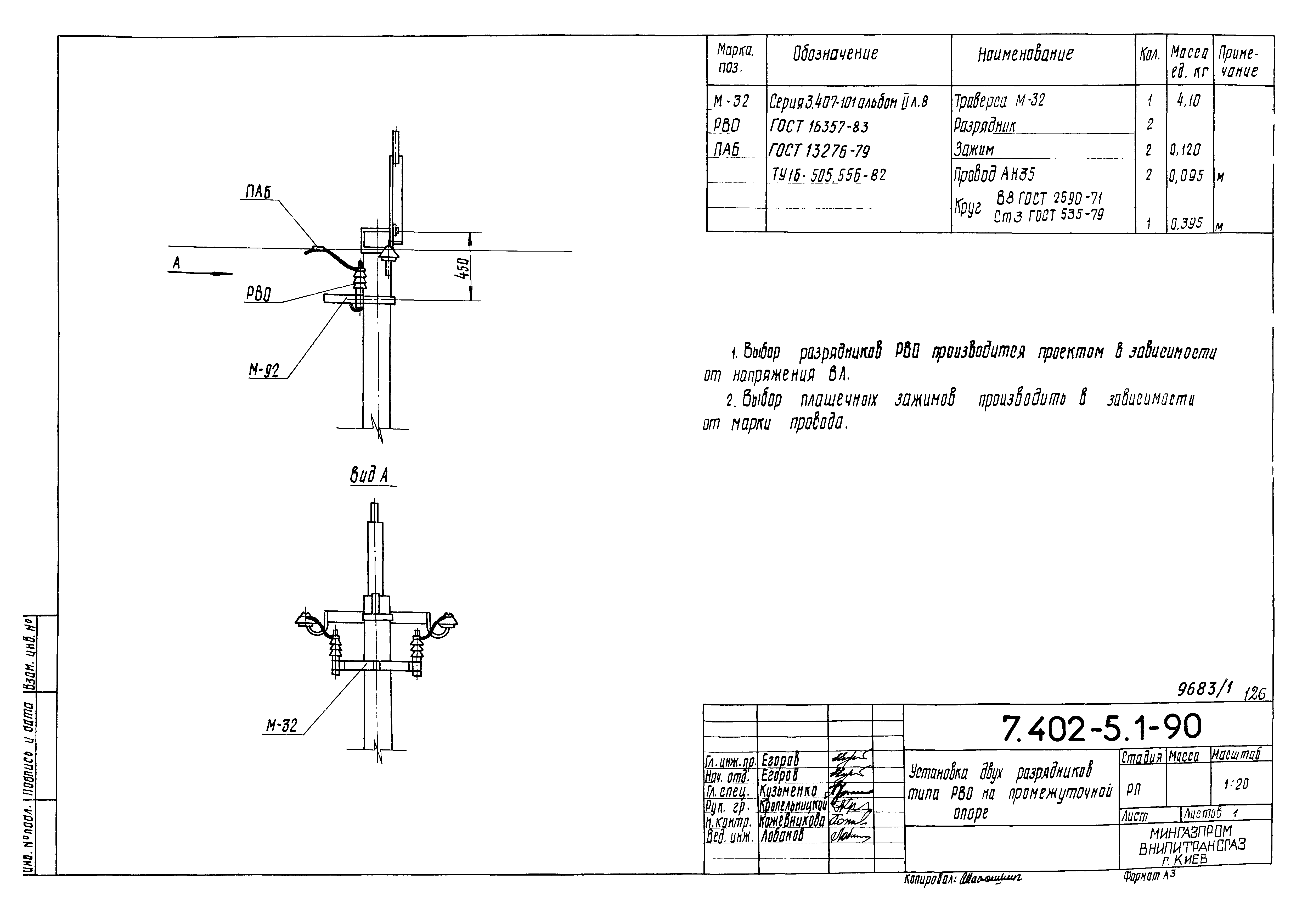
| Оглавление: | 7.402-5.1-00С Содержание 7.402-5.1-00ПЗ Пояснительная записка 7.402-5.1-01 Пример установки УКЗВ (первой и последующей) при вдоль трассовой ВЛ 10 кВ 7.402-5.1-02 Пример установки УКЗВ (первой и последующей) при ВЛ 10(6) кВ, пересекающей систему трубопроводов 7.402-5.1-03 Пример установки одной (двух) УКЗН с питанием от ВЛ 220 В 7.402-5.1-04 Пример установки одной (двух) УКЗН, УКЗВ в огороде 7.402-5.1-05 Схема подключения усиленного дренажа с сглаживающим устройством типа ЗТФ к рельсовому пути 7.402-5.1-06 Установка УКЗВ на железобетонных стеллажах 7.402-5.1-07 Установка УКЗВ на свайном основании 7.402-5.1-08 Свайное основание для установки УКЗВ 7.402-5.1-09 Установка УКЗН на железобетонных стеллажах 7.402-5.1-10 Установка УКЗН на свайном основании 7.402-5.1-11 Свайное основание для установки УКЗН 7.402-5.1-12 Установка блок-бокса на свайном основании 7.402-5.1-13 Основание из железобетонных плит под блок-бокс 7.402-5.1-13СБ Основание из железобетонных плит под блок-бокс. Сборочный чертеж 7.402-5.1-14 Свайное основание под блок-бокс 7.402-5.1-15 Силовое оборудование блок-бокса 7.402-5.1-15СБ Силовое оборудование блок-бокса. Сборочный чертеж 7.402-5.1-16 Расчетная схема щита освещения ЯОУ-8501 7.402-5.1-17 Схема включения трансформатора ОСМ-0.63 7.402-5.1-18 Установка преобразователя на стойке в грунте 7.402-5.1-19 Установка преобразователя на стойке на бетонной площадке 7.402-5.1-20 Установка на опоре КТПМ катодного преобразователя 7.402-5.1-21 Присоединение УКЗВ к ВЛ 6(10) кВ 7.402-5.1-22 Подключение питания проектируемой УКЗН от существующей УКЗВ 7.402-5.1-23 Подключение питания проектируемой УКЗН от существующей УКЗВ. Схема соединений 7.402-5.1-24 Подключение на опоре ВЛ кабелей питания и кабелей цепи постоянного тока УКЗ 7.402-5.1-24СБ Подключение на опоре ВЛ кабелей питания и кабелей цепи постоянного тока УКЗ. Сборочный чертеж 7.402-5.1-25 Питание последующего преобразователя 7.402-5.1-26 Электроснабжение блок-бокса УКЗ от ВЛ 10 кВ 7.402-5.1-27 Ответвление от ВЛ одной (катодной) цепи постоянного тока УКЗ 7.402-5.1-28 Поверхностное линейное анодное заземление с горизонтальным расположением электродов АЗМ-2 7.402-5.1-28СБ Поверхностное линейное анодное заземление с горизонтальным расположением электродов АЗМ-3. Сборочный чертеж 7.402-5.1-29 Поверхностное линейное анодное заземление с горизонтальным расположением электродов ЭГТ-1500 7.402-5.1-29СБ Поверхностное линейное анодное заземление с горизонтальным расположением электродов ЭГТ-1500. Сборочный чертеж 7.402-5.1-30 Поверхностное линейное анодное заземление с горизонтальным расположением электродов ЭГТ-2500 7.402-5.1-30СБ Поверхностное линейное анодное заземление с горизонтальным расположением электродов ЭГТ-2500. Сборочный чертеж 7.402-5.1- 31 Поверхностное линейное анодное заземление с вертикальным расположением электродов АЗМ-2 7.402-5.1- 31СБ Поверхностное линейное анодное заземление с вертикальным расположением электродов АЗМ-2. Сборочный чертеж 7.402-5.1-32 Поверхностное линейное анодное заземление с вертикальным расположением электродов ЭГТ-1500 7.402-5.1-32СБ Поверхностное линейное анодное заземление с вертикальным расположением электродов ЭГТ-1500. Сборочный чертеж 7.402-5.1-33 Поверхностное линейное анодное заземление с вертикальным расположением электродов ЭГТ-2500 7.402-5.1-33СБ Поверхностное линейное анодное заземление с вертикальным расположением электродов ЭГТ-2500. Сборочный чертеж 7.402-5.1-34 Поверхностное радиальное анодное заземление с горизонтальным расположением электродов АЗМ-2 7.402-5.1-34СБ Поверхностное радиальное анодное заземление с горизонтальным расположением электродов АЗМ-2. Сборочный чертеж 7.402-5.1-35 Поверхностное радиальное анодное заземление с горизонтальным расположением электродов ЭГТ-1500 7.402-5.1-35СБ Поверхностное радиальное анодное заземление с горизонтальным расположением электродов ЭГТ-1500. Сборочный чертеж 7.402-5.1-36 Поверхностное радиальное анодное заземление с вертикальным расположением электродов АЗМ-2 7.402-5.1-36СБ Поверхностное радиальное анодное заземление с вертикальным расположением электродов АЗМ-2. Сборочный чертеж 7.402-5.1-37 Поверхностное радиальное анодное заземление с вертикальным расположением электродов ЭГТ-1500 7.402-5.1-37СБ Поверхностное радиальное анодное заземление с вертикальным расположением электродов ЭГТ-1500. Сборочный чертеж 7.402-5.1-38 Электрод ЭГТ-1500 в сборе с кабелем 7.402-5.1-38СБ Электрод ЭГТ-1500 в сборе с кабелем. Сборочный чертеж 7.402-5.1-39 Электрод ЭГТ-2500 в сборе с кабелем 7.402-5.1-39СБ Электрод ЭГТ-2500 в сборе с кабелем. Сборочный чертеж 7.402-5.1-40 Узел присоединения электродов к кабелю магистрали 7.402-5.1-41 Узел присоединения соединительной линии к кабелю магистрали 7.402-5.1-42 Узел соединения электродов заземления опрессованием в кабельной муфте 7.402-5.1-42СБ Узел соединения электродов заземления опрессованием в кабельной муфте. Сборочный чертеж 7.402-5.1-43 Глубинное анодное заземление из электродов ЭГТ-2500 7.402-5.1-43СБ Глубинное анодное заземление из электродов ЭГТ-2500. Сборочный чертеж 7.402-5.1-44 Узел соединения углеграфитовых электродов ЭГТ-2500 7.402-5.1-45 Глубинное анодное заземление из труб 159х8 7.402-5.1-45СБ Глубинное анодное заземление из труб 159х8. Сборочный чертеж 7.402-5.1-46 Оголовок глубинного анодного заземления ОГ-1 7.402-5.1-47 Глубинное анодное заземление из труб 219х8 7.402-5.1-47СБ Глубинное анодное заземление из труб 219х8. Сборочный чертеж 7.402-5.1-48 Оголовок глубинного анодного заземления ОГ-2 7.402-5.1-49 Установка электродренажа ПД-3А и клеммного ящика на стойке СК-6 7.402-5.1-49СБ Установка электродренажа ПД-3А и клеммного ящика на стойке СК-6. Сборочный чертеж 7.402-5.1-50 Клеммный ящик для подключения дренажных кабелей 7.402-5.1-50СБ Клеммный ящик для подключения дренажных кабелей. Сборочный чертеж 7.402-5.1-51 Схема соединений узлов установки дренажной защиты 7.402-5.1-52 Присоединение дренажного кабеля к средней точке дроссель-трансформатора 7.402-5.1-52СБ Присоединение дренажного кабеля к средней точке дроссель-трансформатора. Сборочный чертеж 7.402-5.1-53 Установка ящиков ЯБПВ-4 и К656 на стойке 7.402-5.1-53СБ Установка ящиков ЯБПВ-4 и К656 на стойке. Сборочный чертеж 7.402-5.1-54 Силовое оборудование ящика К656 7.402-5.1-54СБ Силовое оборудование ящика К656. Сборочный чертеж 7.402-5.1-55 Установка КИП с резистором СДЗ на пересечении двух трубопроводов 7.402-5.1-55СБ Установка КИП с резистором СДЗ на пересечении двух трубопроводов. Сборочный чертеж 7.402-5.1-56 КИП с резистором СДЗ на пересечении трубопровода с кабелем связи 7.402-5.1-56СБ КИП с резистором СДЗ на пересечении трубопровода с кабелем связи. Сборочный чертеж 7.402-5.1-57 КИП с резистором СДЗ на пересечении трубопровода с двумя кабелями связи 7.402-5.1-57СБ КИП с резистором СДЗ на пересечении трубопровода с двумя кабелями связи. Сборочный чертеж 7.402-5.1-58 Оборудование КИП для измерения поляризационного потенциала 7.402-5.1-59 Установка группы проекторов на защитном кожухе 7.402-5.1-60 Установка протекторной защиты на трубопроводе 7.402-5.1-60СБ Установка протекторной защиты на трубопроводе. Сборочный чертеж 7.402-5.1-61 Установка протекторной защиты на кабеле связи 7.402-5.1-61СБ Установка протекторной защиты на кабеле связи. Сборочный чертеж 7.402-5.1-62 Установка протекторной защиты на двух кабелях связи 7.402-5.1-62СБ Установка протекторной защиты на двух кабелях связи. Сборочный чертеж 7.402-5.1-63 Установка КИП с резистором СДЗ на трубопроводе и на защитном кожухе 7.402-5.1-64 Установка КИП на кабеле связи 7.402-5.1-64СБ Установка КИП на кабеле связи. Сборочный чертеж 7.402-5.1-65 Установка КИП на двух кабелях связи 7.402-5.1-65СБ Установка КИП на двух кабелях связи. Сборочный чертеж 7.402-5.1-66 Установка КИП на трубопроводе 7.402-5.1-66СБ Установка КИП на трубопроводе. Сборочный чертеж 7.402-5.1-67 Установка КИП ТР-1216 7.402-5.1-68 Приварка контактного вывода к кольцевому монтажному стыку 7.402-5.1-69 Присоединение кабеля к трубопроводу из стали повышенной прочности 7.402-5.1-70 Присоединение кабеля к трубопроводу из стали нормальной прочности 7.402-5.1-71 Узел присоединения кабеля к обсадной трубе скважины 7.402-5.1-72 Присоединение двух кабелей к броне и свинцовой оболочке кабеля 7.402-5.1-73 Присоединение двух кабелей к броне и свинцовой оболочке кабеля в существующей муфте 7.402-5.1-74 Узел присоединения дренажного кабеля к трубопроводу из обычной стали 7.402-5.1-75 Узел присоединения двух дренажных кабелей к трубопроводу из обычной стали 7.402-5.1-76 Узел присоединения кабеля к трубопроводу из стали повышенной прочности 7.402-5.1-77 Узел присоединения двух кабелей к трубопроводу из стали повышенной прочности 7.402-5.1-78 Установка резистора СДЗ на КИП 7.402-5.1-78СБ Установка резистора СДЗ на КИП. Сборочный чертеж 7.402-5.1-79 Узел размещения проекторов АЦК-М 7.402-5.1-79СБ Узел размещения проекторов АЦК-М. Сборочный чертеж 7.402-5.1-80 Узел размещения проекторов ПМ 7.402-5.1-80СБ Узел размещения проекторов ПМ. Сборочный чертеж 7.402-5.1-81 Ограда 5х5 м 7.402-5.1-81СБ Ограда 5х5 м. Сборочный чертеж 7.402-5.1-82 Укрепление промежуточной опоры ВЛ 0.4(10) кВ подкосом 7.402-5.1-83 Укрепление ж/б промежуточной опоры ВЛ 0.4(10) кВ на стальной свае 7.402-5.1-83СБ Укрепление ж/б промежуточной опоры ВЛ 0.4(10) кВ на стальной свае. Сборочный чертеж 7.402-5.1-84 Укрепление ж/б концевой опоры ВЛ 0.4(10) кВ на стальных сваях 7.402-5.1-84СБ Укрепление ж/б концевой опоры ВЛ 0.4(10) кВ на стальных сваях. Сборочный чертеж 7.402-5.1-85 Укрепление ж/б анкерной опоры ВЛ 0.4(6,10) кВ на стальных сваях 7.402-5.1-85СБ Укрепление ж/б анкерной опоры ВЛ 0.4(6,10) кВ на стальных сваях. Сборочный чертеж 7.402-5.1-86 Укрепление ж/б угловой опоры ВЛ 0.4(6,10) кВ на стальных сваях 7.402-5.1-86СБ Укрепление ж/б угловой опоры ВЛ 0.4(6,10) кВ на стальных сваях. Сборочный чертеж 7.402-5.1-87 Защита нижней части опор от коррозии мастикой на основе лака этиноль или битума 7.402-5.1-88 Устройство для защиты птиц от поражения электрическим током 7.402-5.1-89 Установка защитных ершей на ВЛ 6(10) кВ с металлической траверсой 7.402-5.1-90 Установка двух разрядников типа РВО на промежуточной опоре 7.402-5.1-91 Установка трех разрядников типа РВО на промежуточной опоре 7.402-5.1-92 Установка КИП на трубопроводе с кожухом 7.402-5.1-93 Защитное заземление |
| Разработан: | ВНИПИтрансгаз Мингазпрома |
| Утверждён: | 26.03.1987 Мингазпром (Mingazprom 27-2) |
| Издан: | ЦИТП Госстроя СССР (CITP, Gosstroy (USSR) 1988 г. ) |









































































































































































