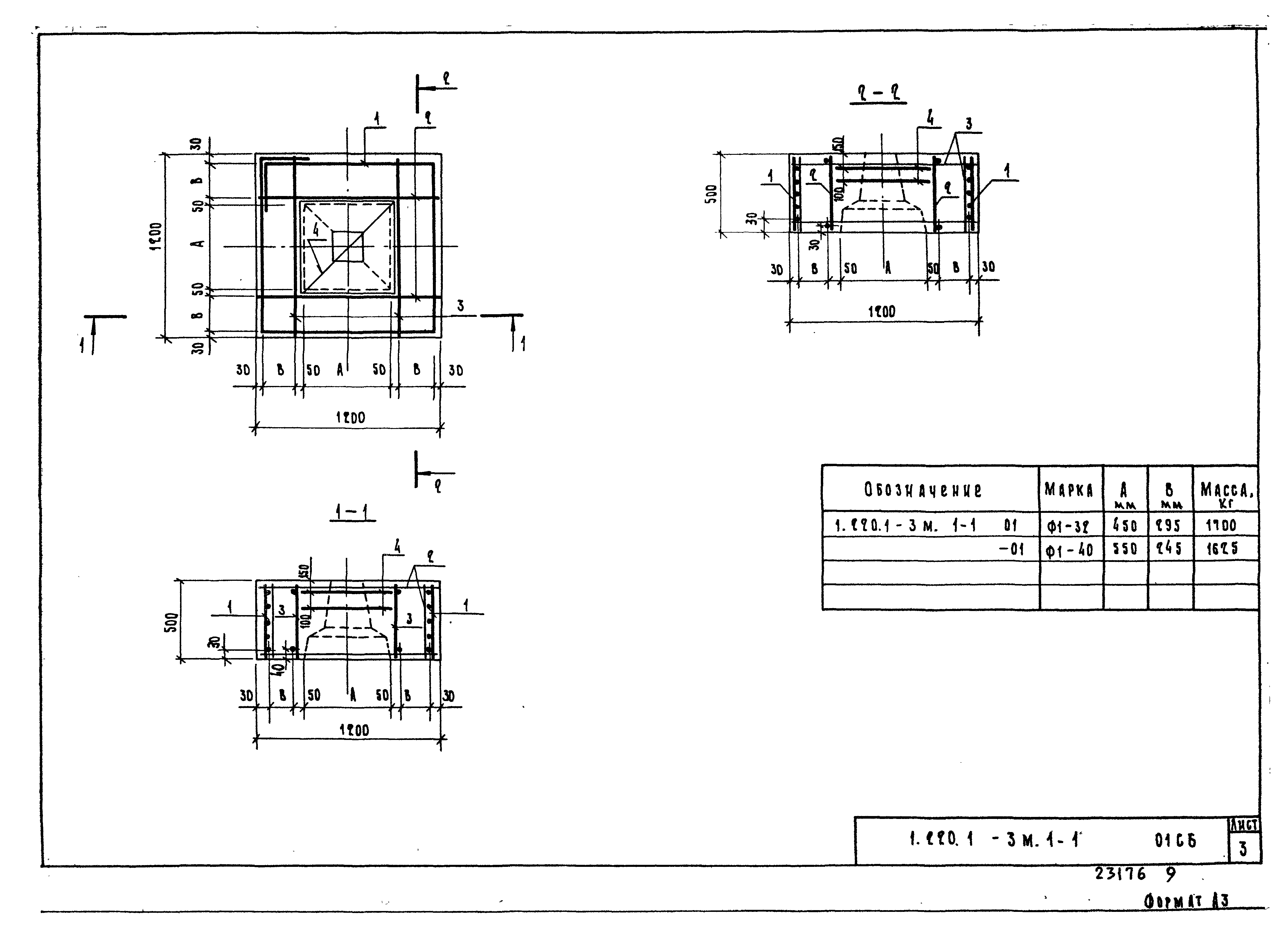
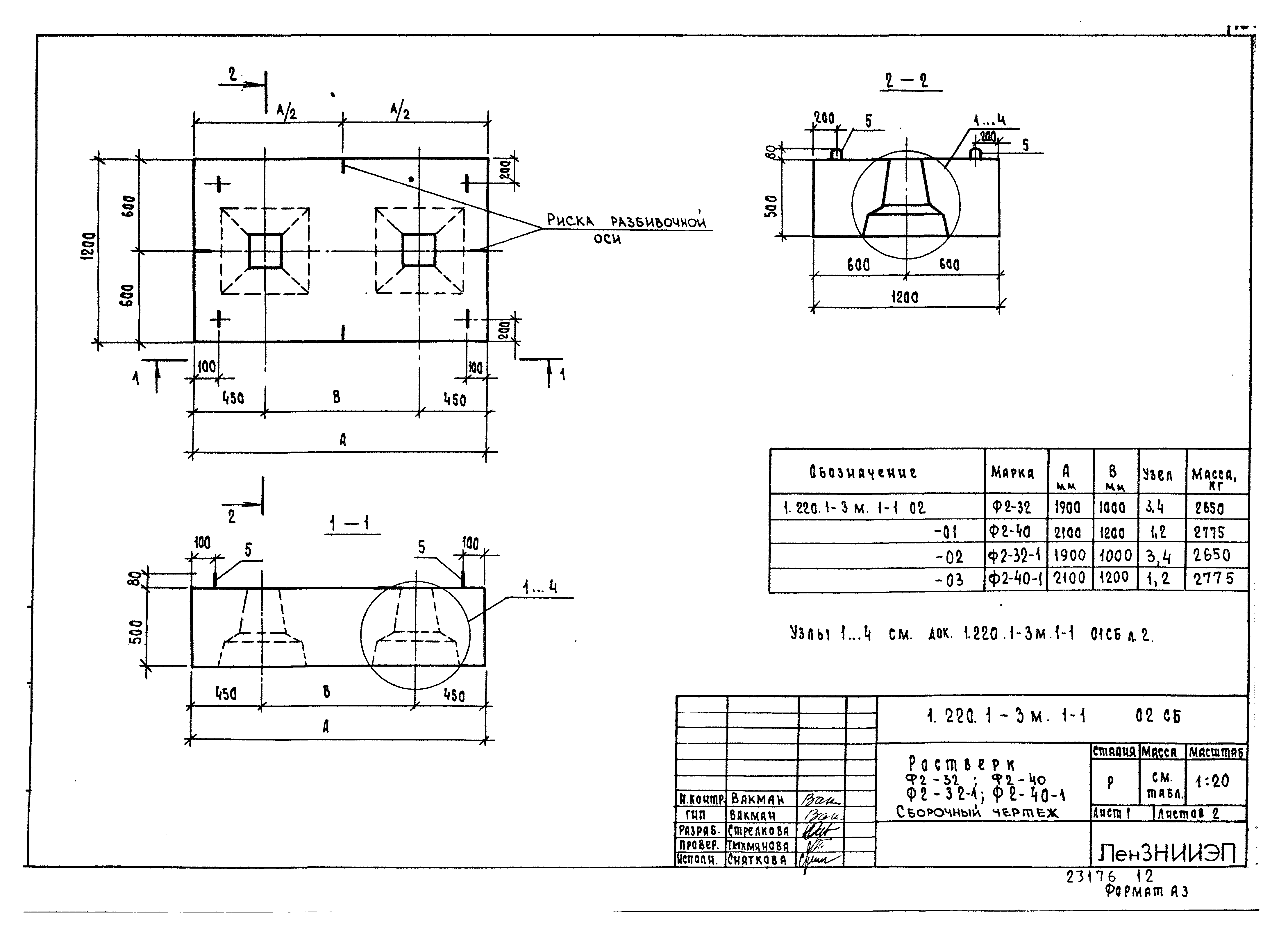
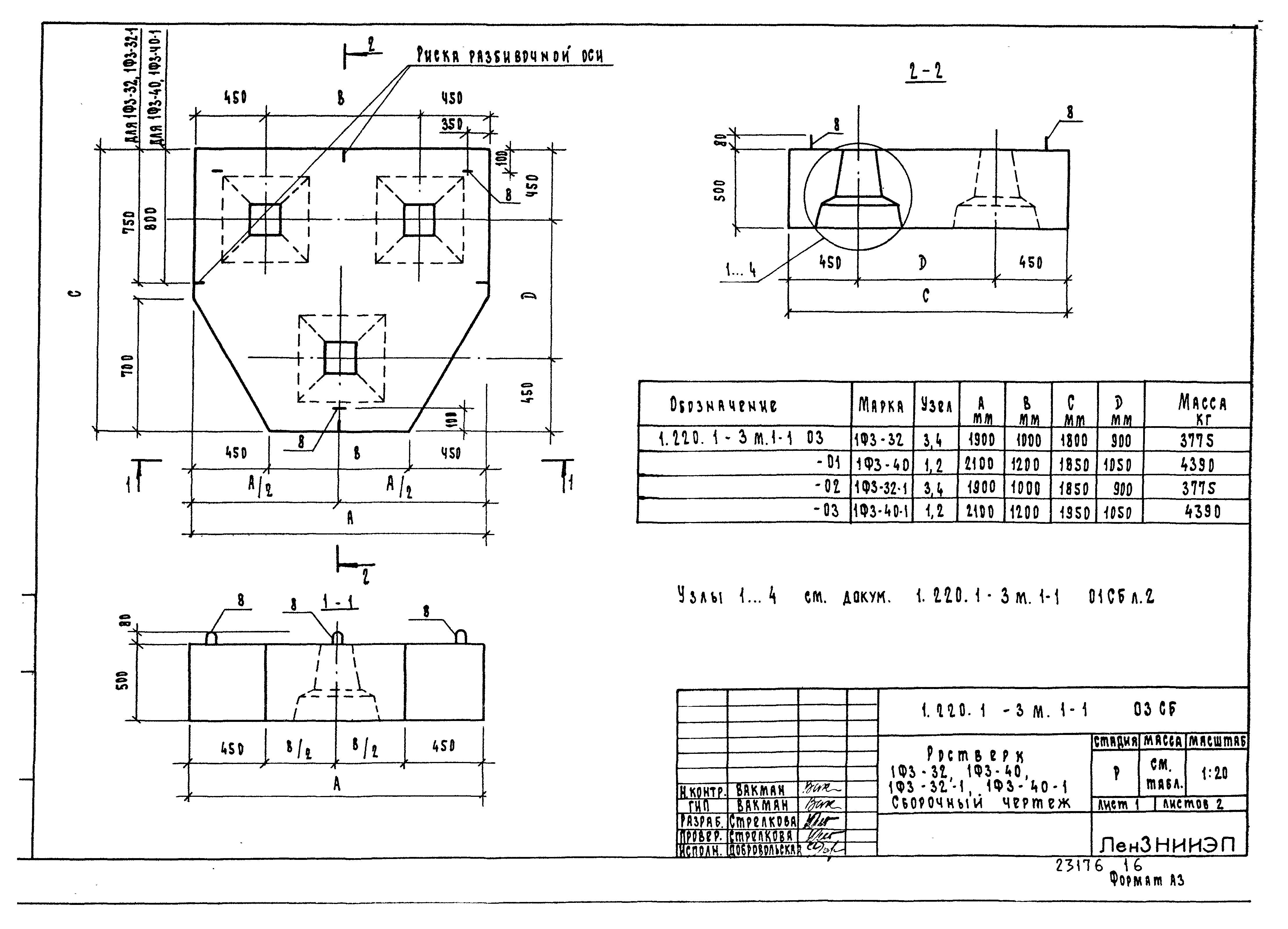
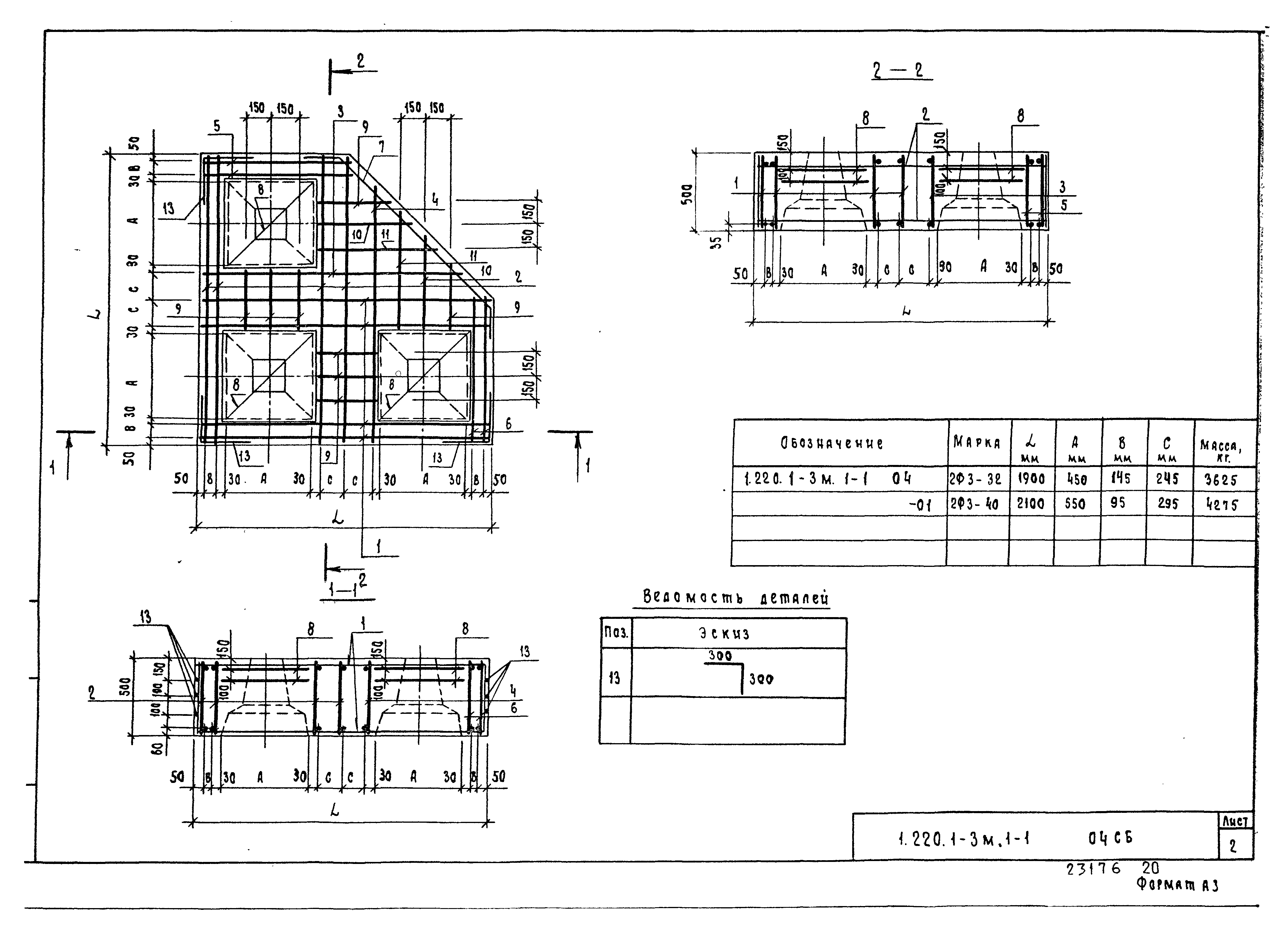
Скачать Серия 1.220.1-3м Выпуск 1-1. Ростверки, подколонники, элементы цокольной части. Рабочие чертежиДата актуализации: 01.01.2021 Серия 1.220.1-3м
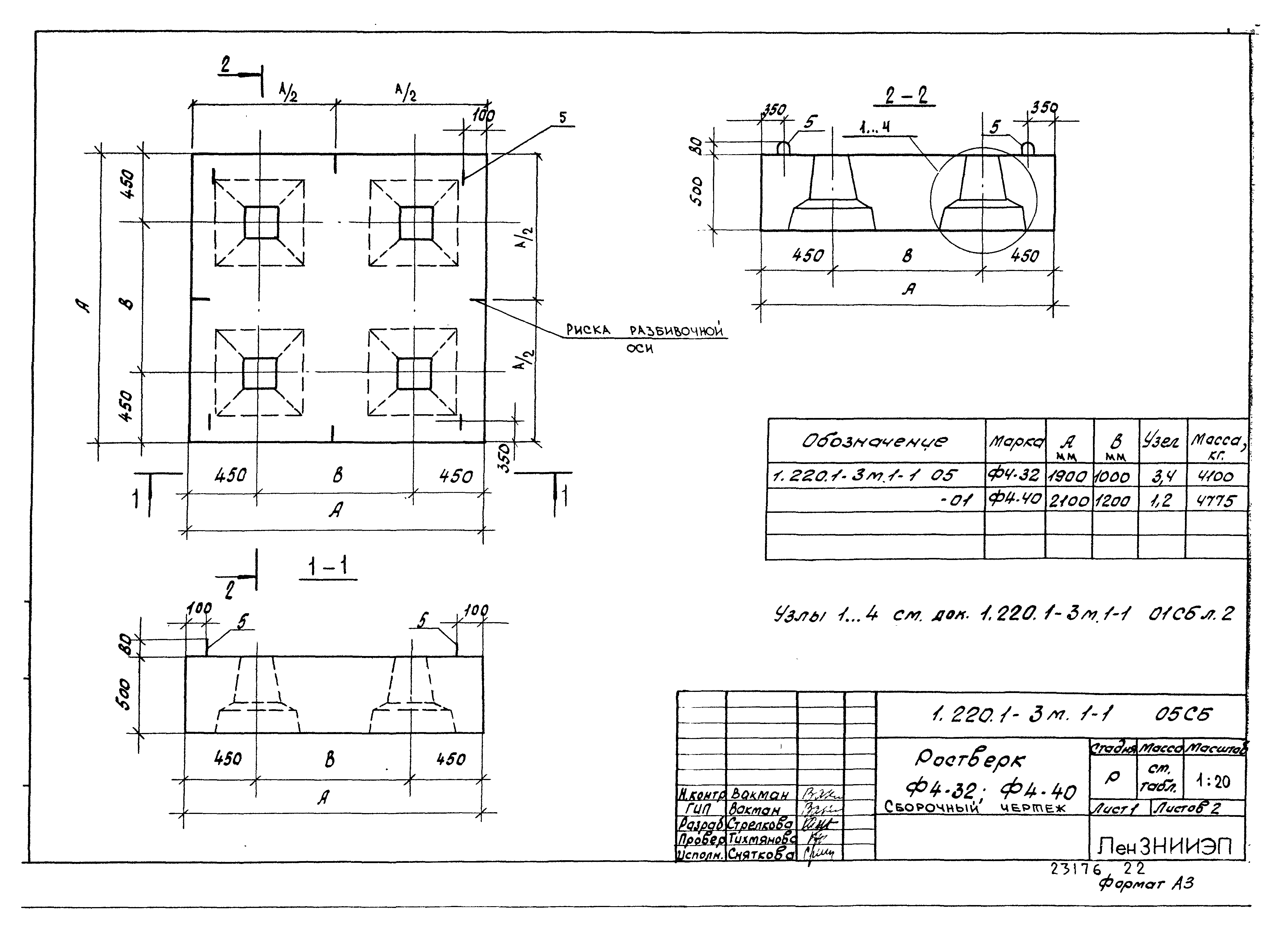
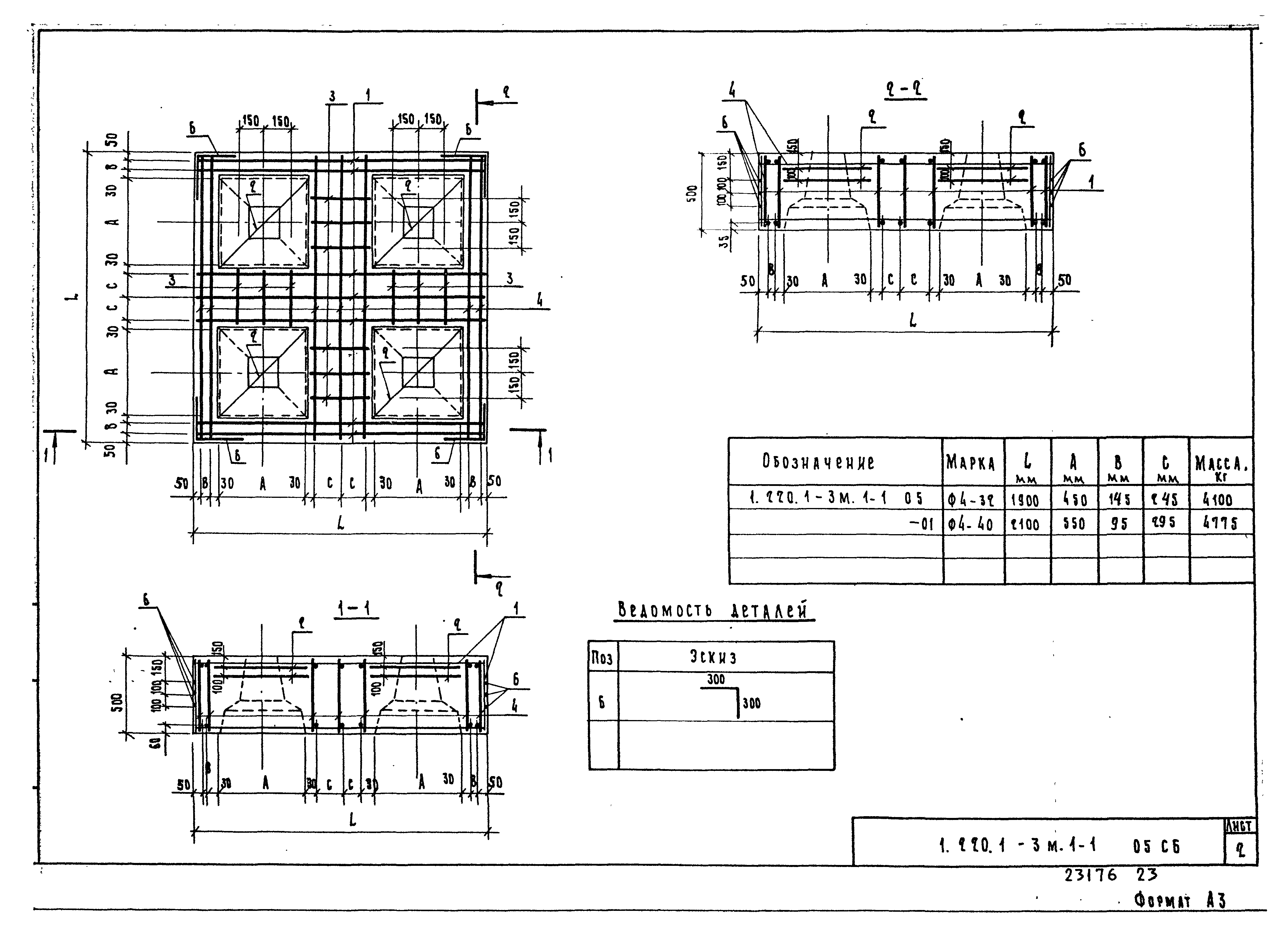
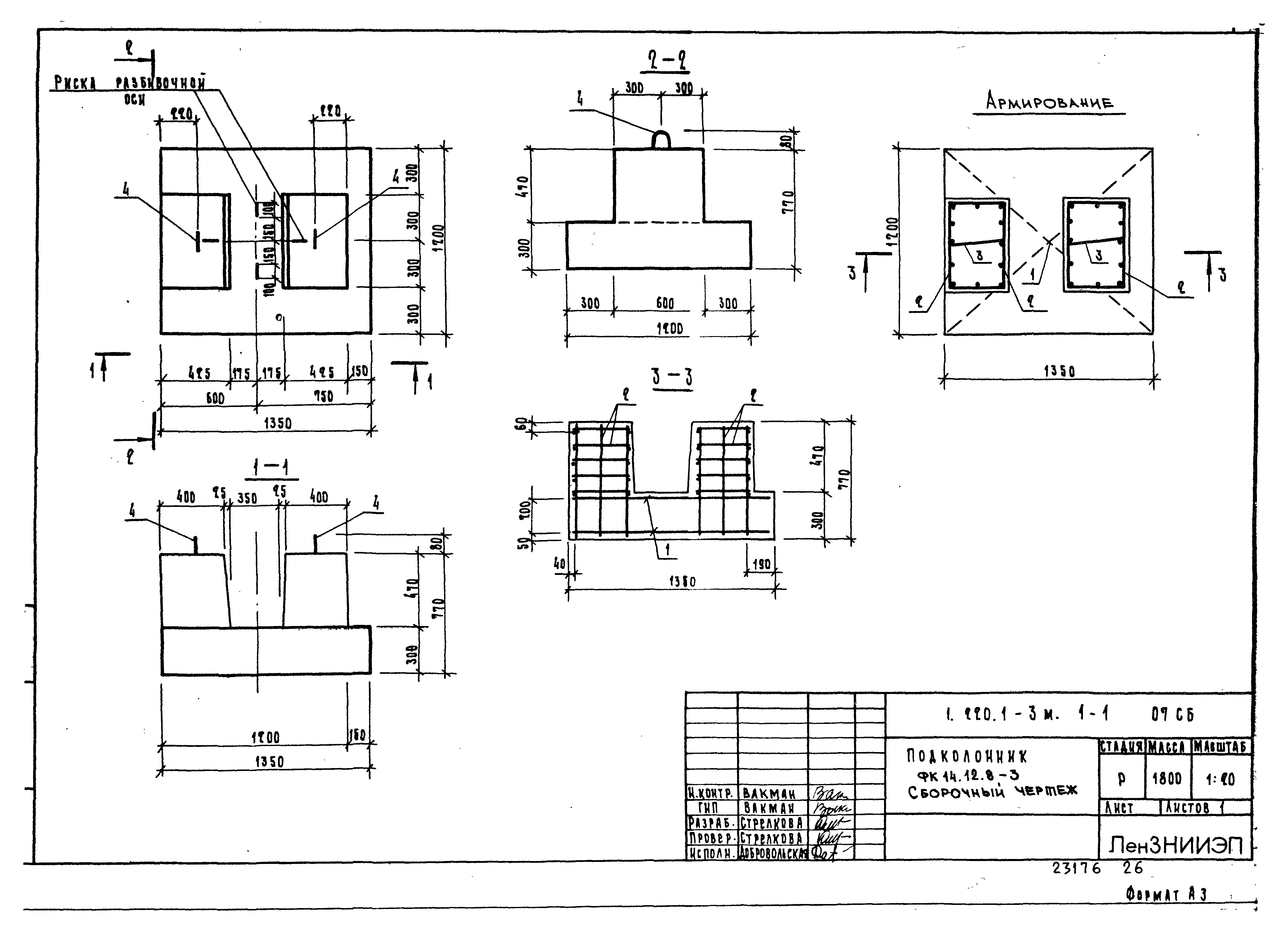
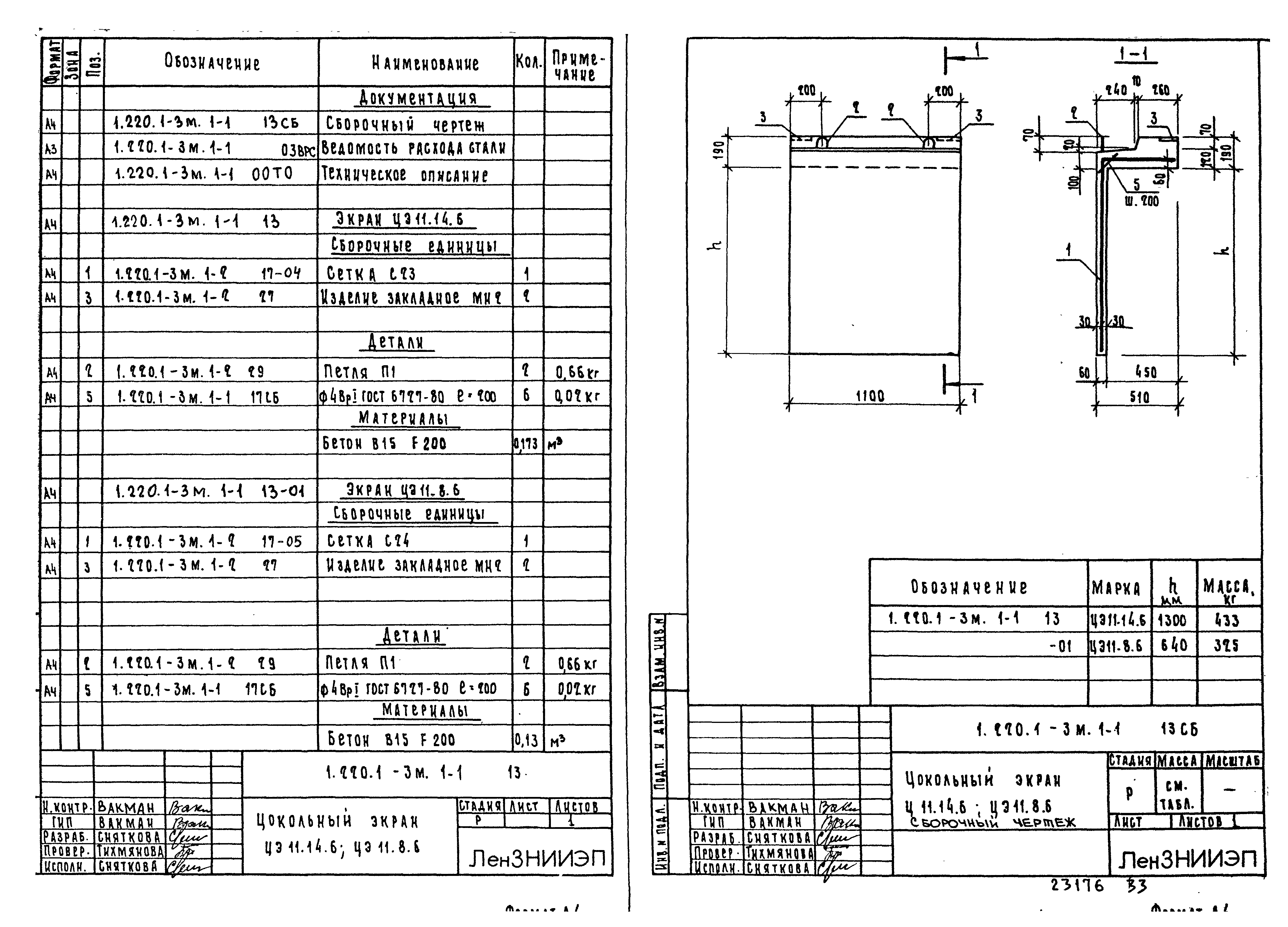
Выпуск 1-1. Ростверки, подколонники, элементы цокольной части. Рабочие чертежи| Обозначение: | Серия 1.220.1-3м | | Обозначение англ: | Series 1.220.1-3м | | Статус: | не определен законодательством | | Название рус.: | Выпуск 1-1. Ростверки, подколонники, элементы цокольной части. Рабочие чертежи | | Дата добавления в базу: | 01.09.2013 | | Дата актуализации: | 01.01.2021 | | Дата введения: | 01.07.1988 | | Дата окончания срока действия: | 30.06.2003 | | Разработан: | ЛенЗНИИЭП Госгражданстроя КиевЗНИИЭП
| | Утверждён: | 23.05.1988 Госкомархитектура (146)
|
                                                     
|