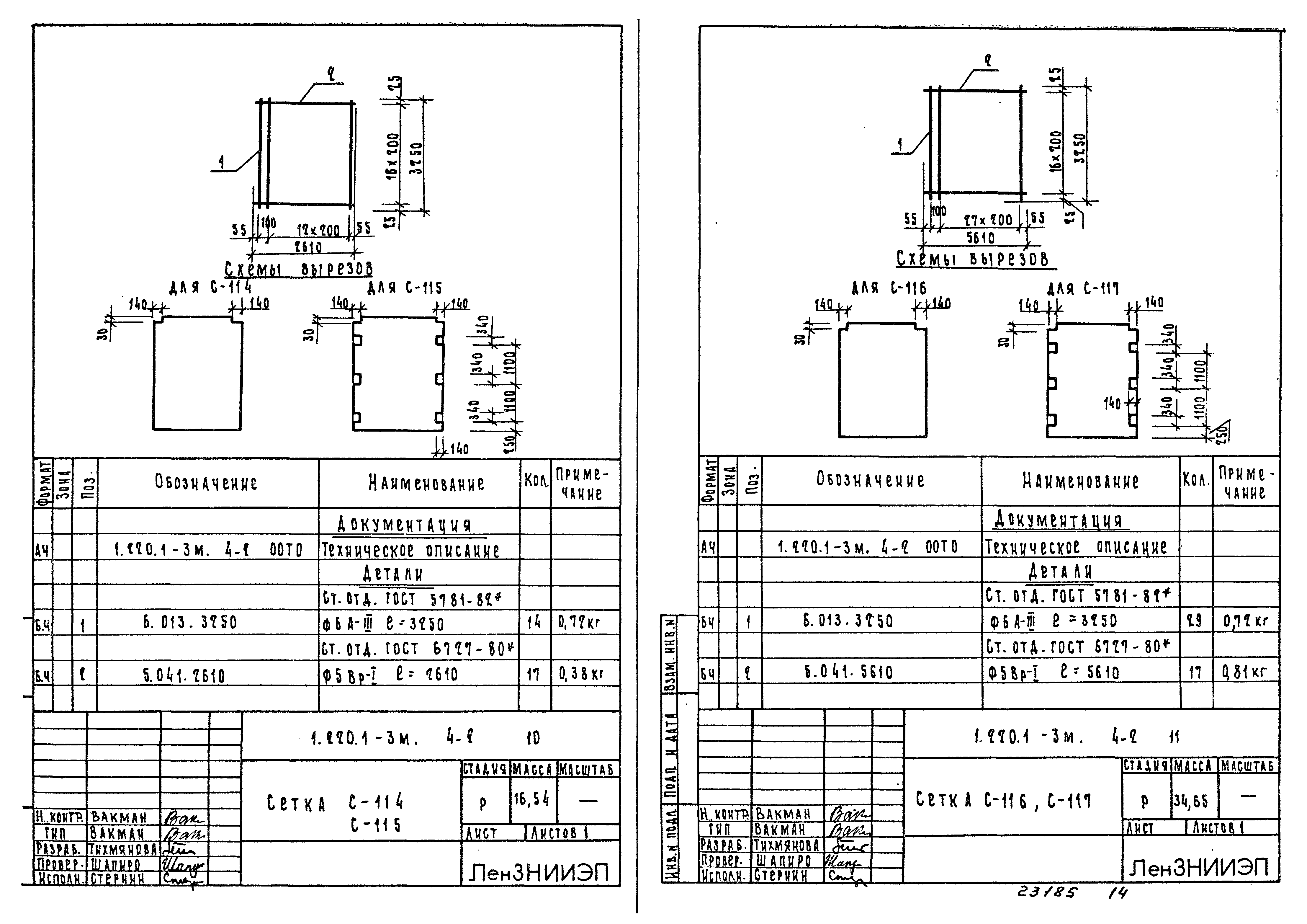
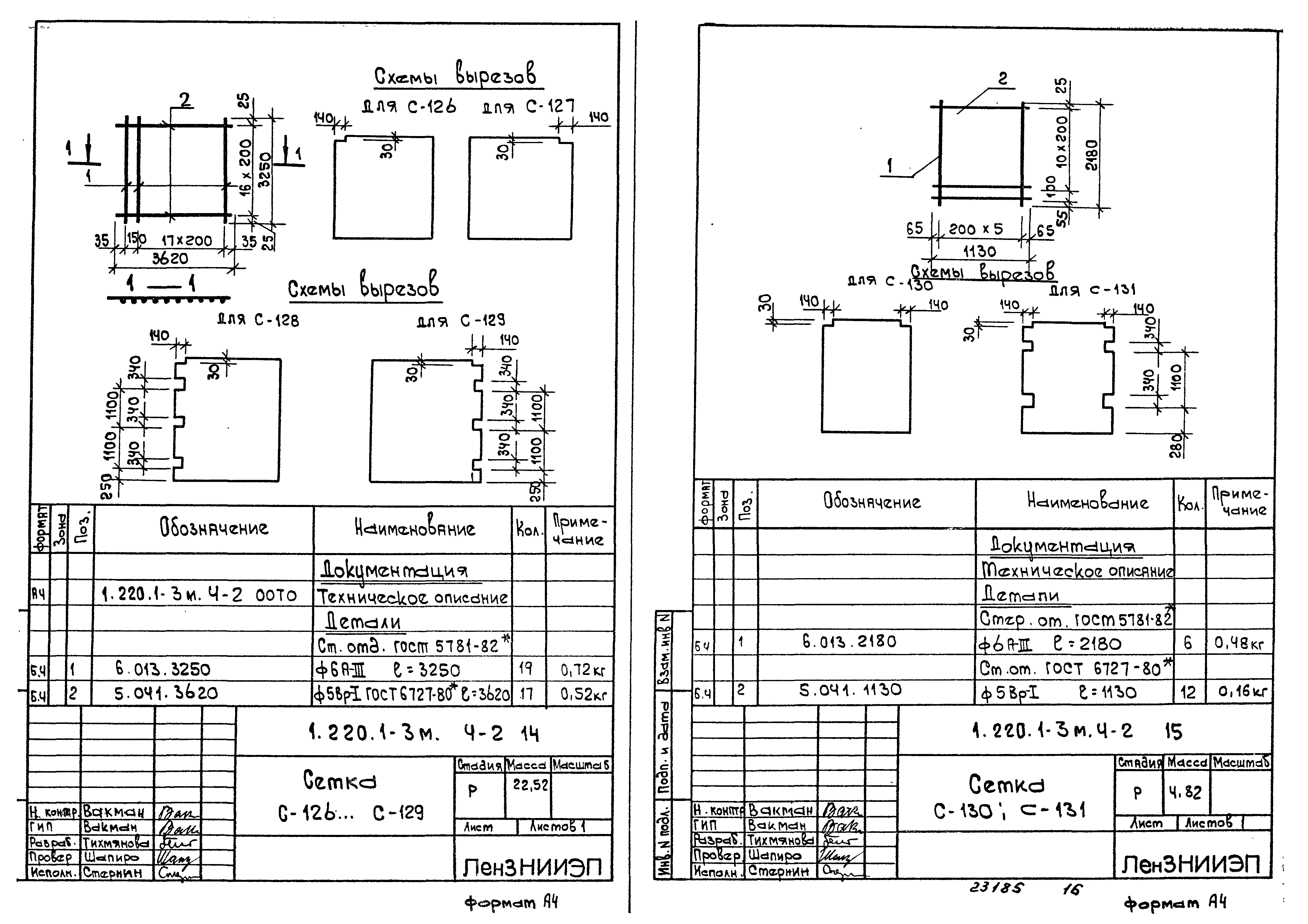
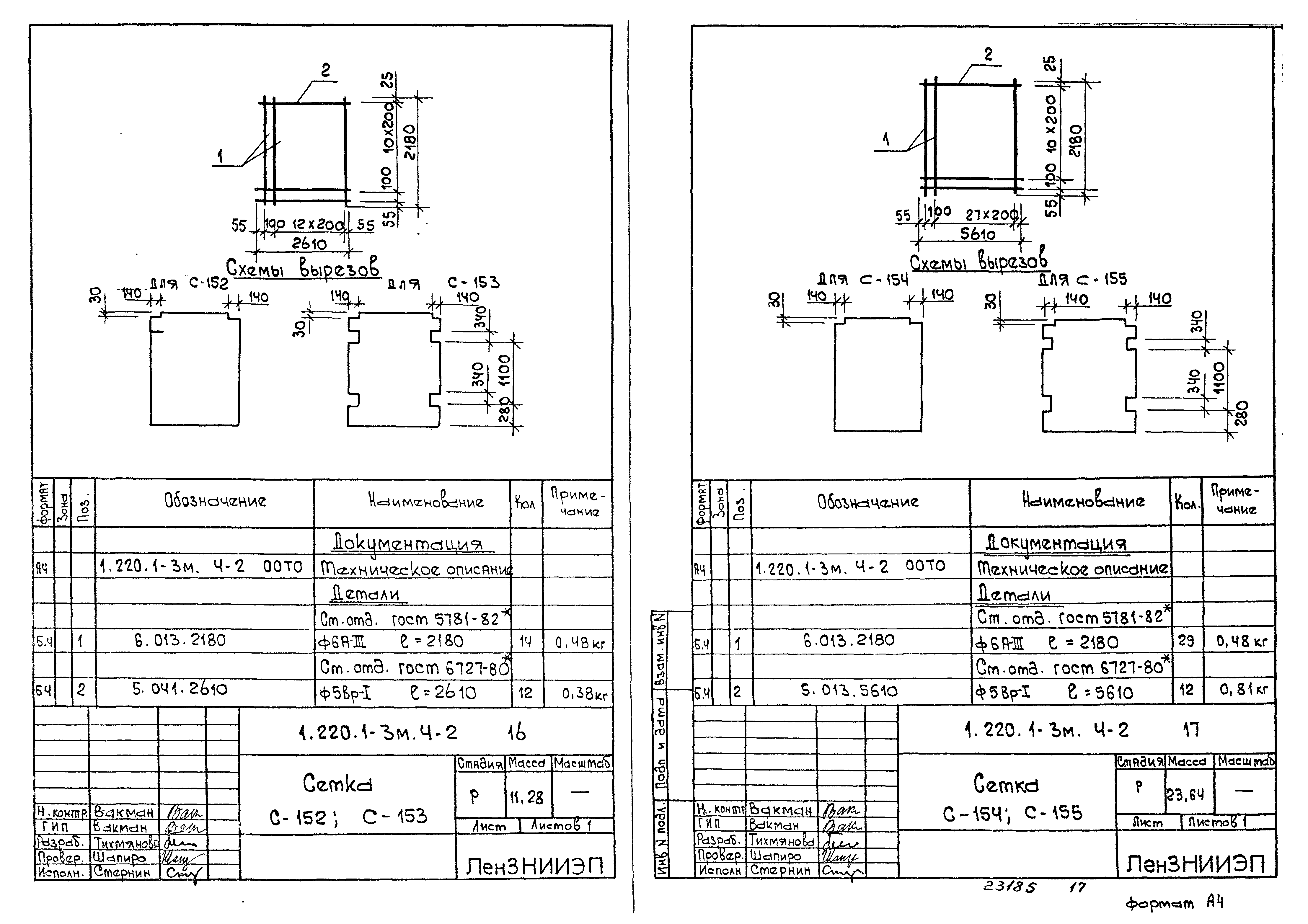
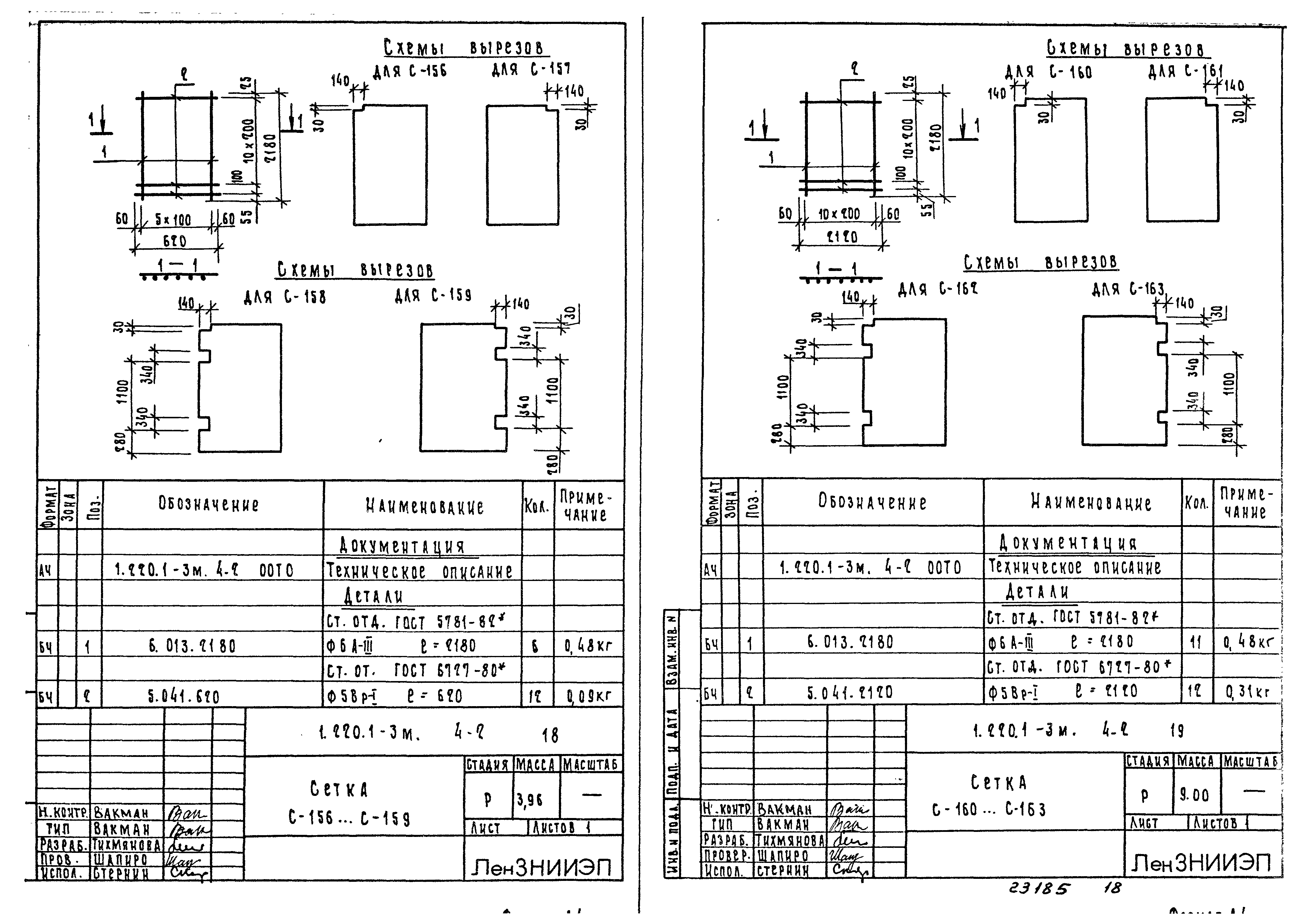
Скачать Серия 1.220.1-3м Выпуск 4-2. Диафрагмы жесткости. Арматурные и закладные изделия. Рабочие чертежиДата актуализации: 01.01.2021
|
| Обозначение: | Серия 1.220.1-3м |
| Обозначение англ: | Series 1.220.1-3м |
| Статус: | не определен законодательством |
| Название рус.: | Выпуск 4-2. Диафрагмы жесткости. Арматурные и закладные изделия. Рабочие чертежи |
| Дата добавления в базу: | 01.09.2013 |
| Дата актуализации: | 01.01.2021 |
| Дата введения: | 01.07.1988 |
| Дата окончания срока действия: | 30.06.2003 |
| Разработан: | ЛенЗНИИЭП Госгражданстроя КиевЗНИИЭП |
| Утверждён: | 23.05.1988 Госкомархитектура (146) |



















