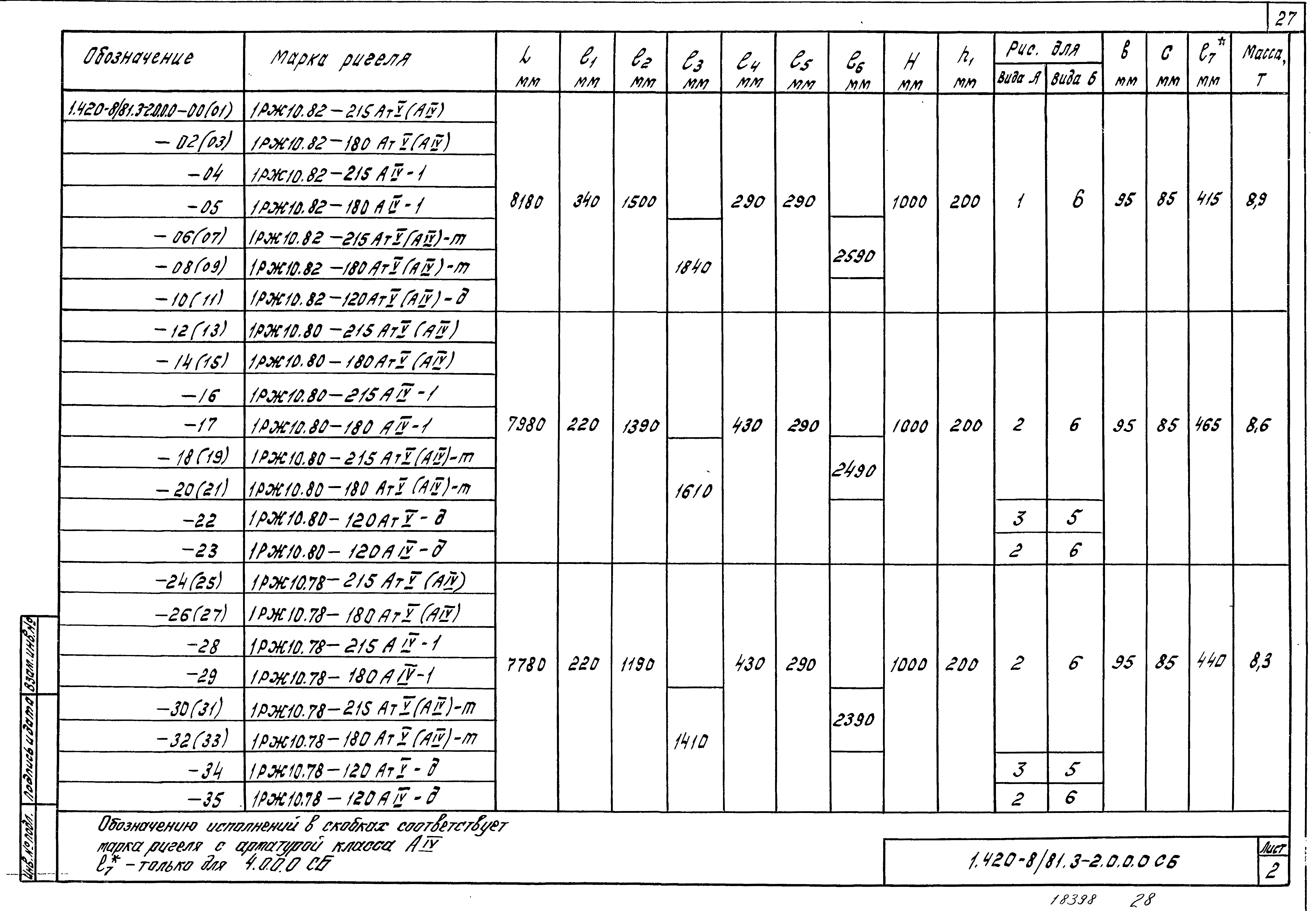
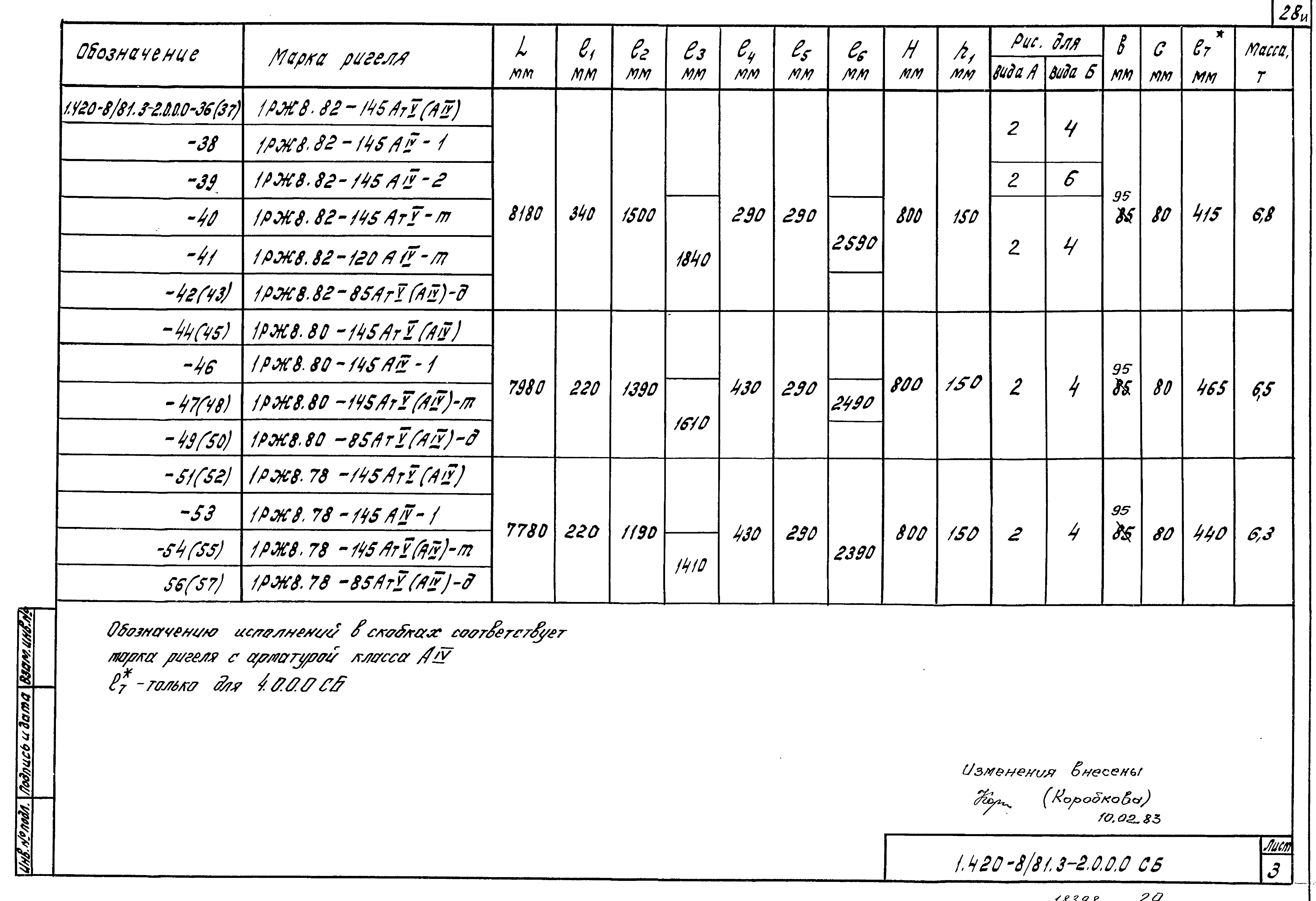
Скачать Серия 1.420-8/81 Выпуск 3. Ригели железобетонные пролетом 6, 9 и 12 м. Рабочие чертежиДата актуализации: 01.01.2021 Серия 1.420-8/81
Выпуск 3. Ригели железобетонные пролетом 6, 9 и 12 м. Рабочие чертежи| Обозначение: | Серия 1.420-8/81 | | Обозначение англ: | Series 1.420-8/81 | | Статус: | действует | | Название рус.: | Выпуск 3. Ригели железобетонные пролетом 6, 9 и 12 м. Рабочие чертежи | | Дата добавления в базу: | 01.09.2013 | | Дата актуализации: | 01.01.2021 | | Дата введения: | 01.03.1983 | | Разработан: | НИИЖБ АО ЦНИИпромзданий
| | Утверждён: | 03.10.1982 Госстрой СССР (Государственный комитет Совета Министров СССР по делам строительства) (USSR Gosstroy 268)
|
                                                                                     
|