Скачать Серия 1.420.1-25 Выпуск 0. Материалы для проектированияДата актуализации: 01.01.2021
|
| Обозначение: | Серия 1.420.1-25 |
| Обозначение англ: | Series 1.420.1-25 |
| Статус: | не определен законодательством |
| Название рус.: | Выпуск 0. Материалы для проектирования |
| Дата добавления в базу: | 01.09.2013 |
| Дата актуализации: | 01.01.2021 |
| Дата введения: | 01.03.1990 |
| Дата окончания срока действия: | 30.06.2003 |
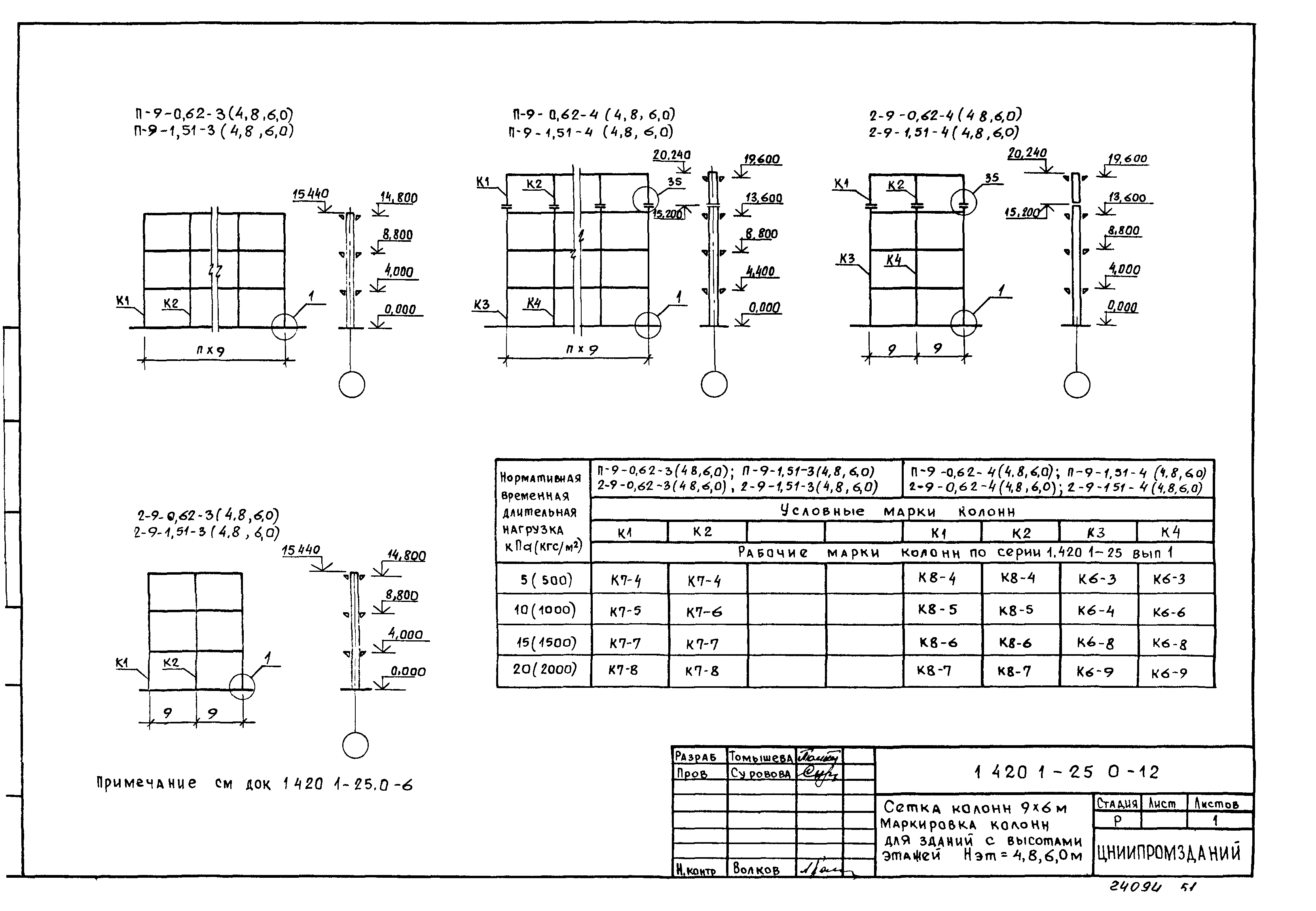
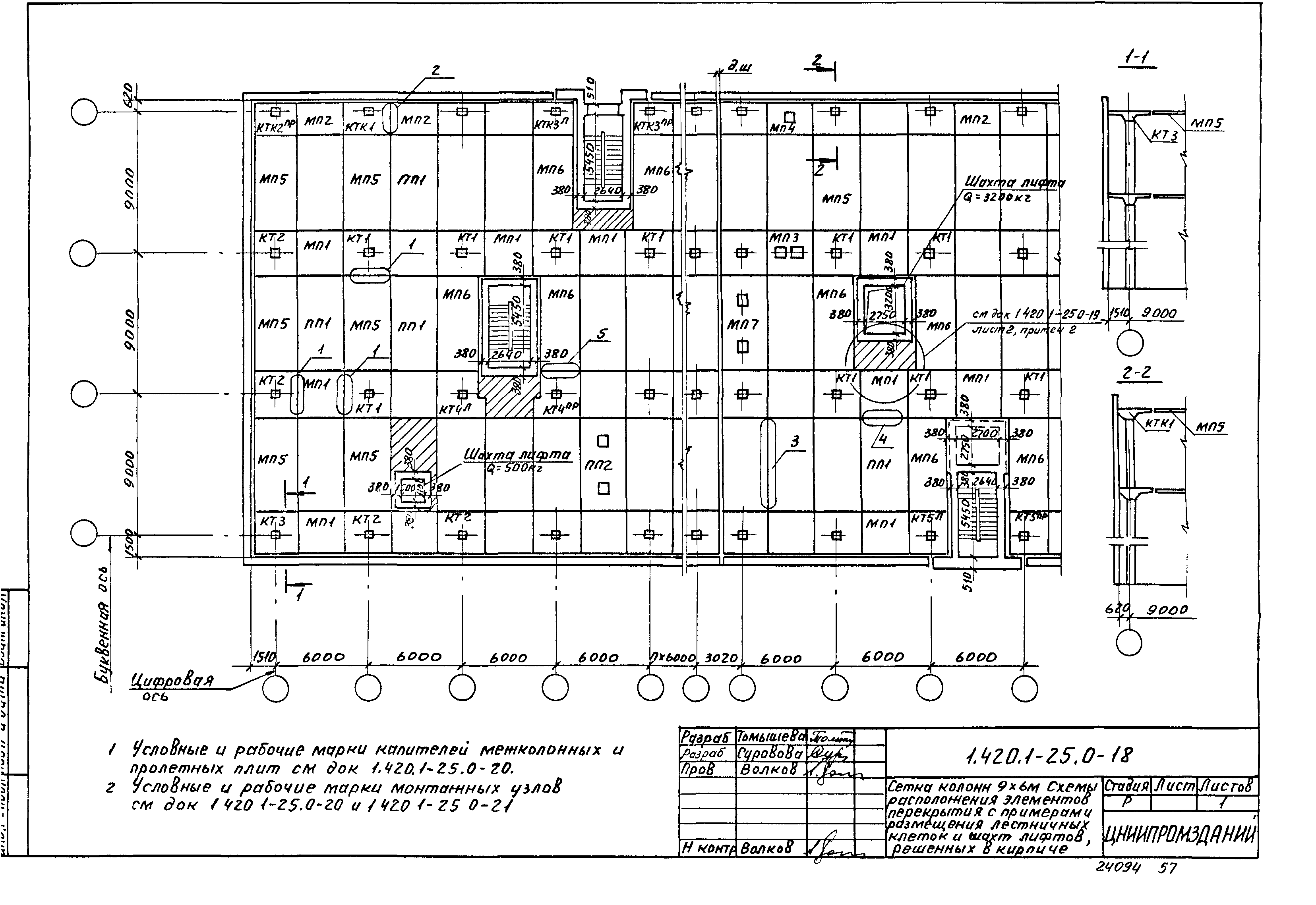
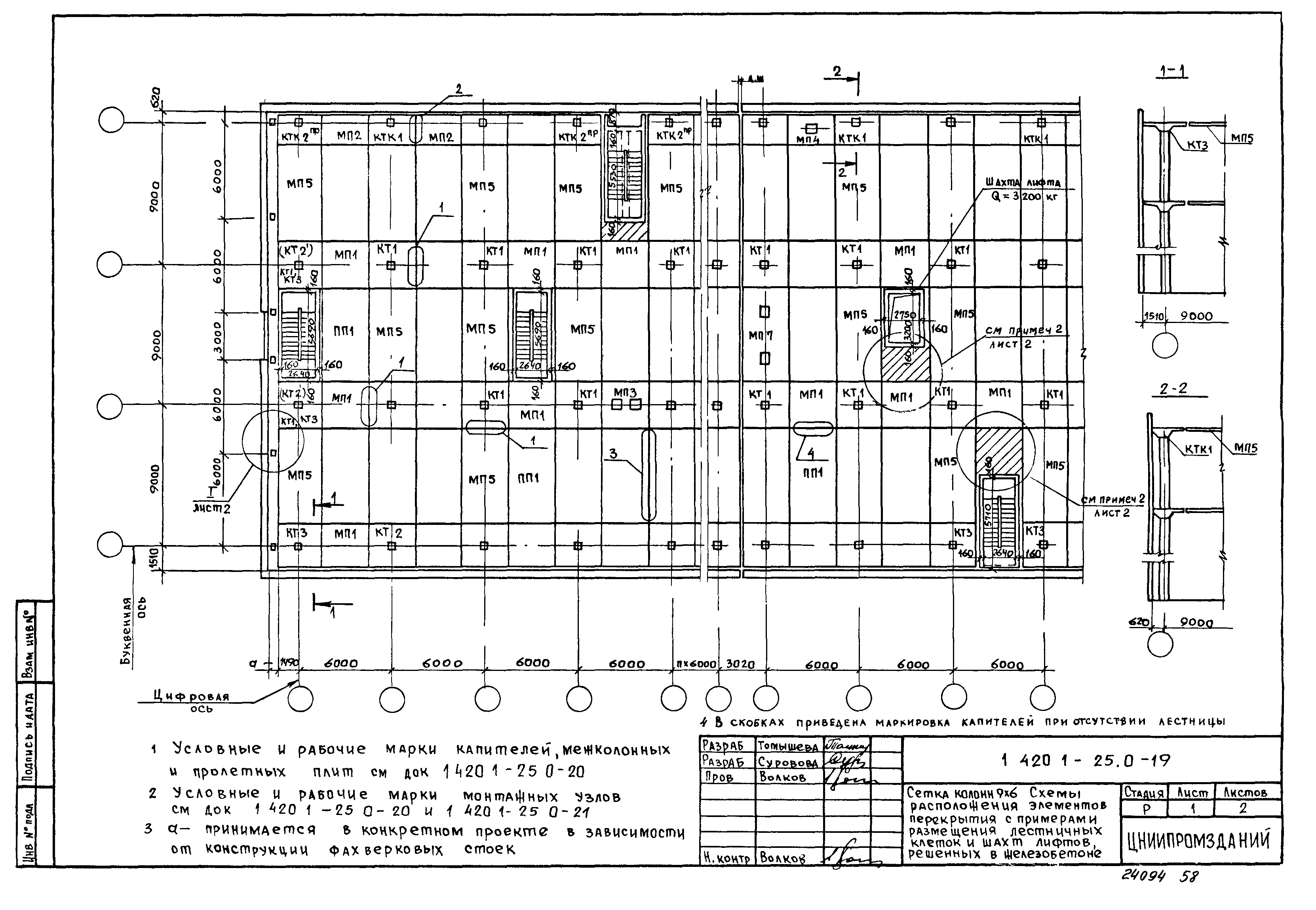
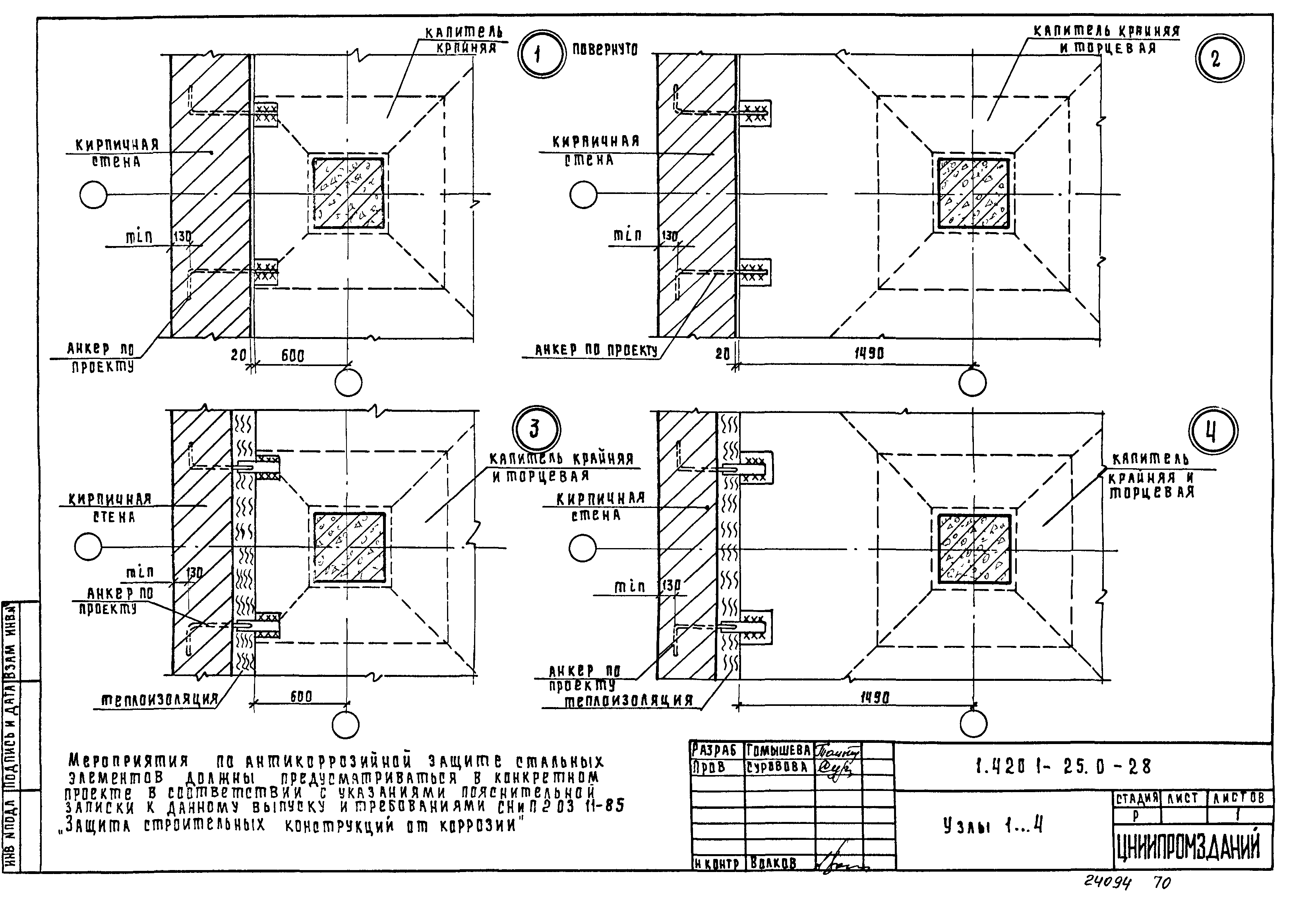
| Оглавление: | 1.420.1-25.0-1ПЗ Пояснительная записка 1.420.1-25.0-2НИ Номенклатура колонн 1.420.1-25.0-3НИ Номенклатура капителей 1.420.1-25.0-4НИ Номенклатура межколонных и пролетных плит для сетки колонн 6х6 м 1.420.1-25.0-5НИ Номенклатура межколонных и пролетных плит для сетки колонн 9х6 м 1.420.1-25.0-6 Сетка колонн 6х6 м. Маркировка колонн для зданий с высотами этажей Нэт = 3,6; 4,8 м (с подвалом) 1.420.1-25.0-7 Сетка колонн 6х6 м. Маркировка колонн для зданий с высотой этажа Нэт = 4,8 м 1.420.1-25.0-8 Сетка колонн 6х6 м. Маркировка колонн для зданий с высотами этажей Нэт = 4,8; 6,0 м 1.420.1-25.0-9 B4343Сетка колонн 6х6 м. Маркировка колонн для зданий с высотами этажей Нэт = 6,0; 4,8 м 1.420.1-25.0-10 Сетка колонн 6х6 м. Маркировка колонн для зданий с высотой этажа Нэт = 6,0 м 1.420.1-25.0-11 Сетка колонн 9х6 м. Маркировка колонн для зданий с высотой этажа Нэт = 4,8 м 1.420.1-25.0-12 Сетка колонн 9х6 м. Маркировка колонн для зданий с высотами этажей Нэт = 4,8; 6,0 м 1.420.1-25.0-13 Сетка колонн 9х6 м. Маркировка колонн для зданий с высотами этажей Нэт = 6,0; 4,8 м 1.420.1-25.0-14 Сетка колонн 9х6 м. Маркировка колонн для зданий с высотой этажа Нэт = 6,0 м 1.420.1-25.0-15 Сетка колонн 6х6 м. Схемы расположения элементов перекрытия с примерами размещения лестничных клеток и шахт лифтов, решенных в кирпиче 1.420.1-25.0-16 Сетка колонн 6х6 м. Схемы расположения элементов перекрытия с примерами размещения лестничных клеток и шахт лифтов, решенных в железобетоне 1.420.1-25.0-17 Условные и рабочие марки капителей, межколонных, пролетных плит и монтажных узлов для сетки колонн 6х6 м 1.420.1-25.0-18 Сетка колонн 9х6 м. Схемы расположения элементов перекрытия с примерами размещения лестничных клеток и шахт лифтов, решенных в кирпиче 1.420.1-25.0-19 Сетка колонн 9х6 м. Схемы расположения элементов перекрытия с примерами размещения лестничных клеток и шахт лифтов, решенных в железобетоне 1.420.1-25.0-20 Условные и рабочие марки капителей, межколонных, пролетных плит и монтажных узлов для сетки колонн 9х6 м 1.420.1-25.0-21 Маркировочные схемы монтажных узлов сопряжения капителей с колоннами 1.420.1-25.0-22 Пример устройства стен из горизонтальных панелей при привязке их к осям 1510 мм. Фасад, план, разрез 1.420.1-25.0-23 Пример устройства стен из горизонтальных панелей при привязке их к осям 620 мм. Фасад, план, разрез 1.420.1-25.0-24 Пример устройства стен из вертикальных панелей для холодильников с укладкой у продольных стен капителей марки КТ 1.420.1-25.0-25 Пример устройства стен из вертикальных панелей для холодильников с укладкой у продольных стен капителей марки КТК 1.420.1-25.0-26 Пример устройства стен из кирпичной кладки 1.420.1-25.0-27 Пример устройства стен из кирпичной кладки для холодильников 1.420.1-25.0-28 Узлы 1…4 1.420.1-25.0-29 Пояснения к таблицам усилий на фундаменты 1.420.1-25.0-30 Усилия на фундаменты для сетки колонн 6х6 м 1.420.1-25.0-31 Усилия на фундаменты для сетки колонн 9х6 м 1.420.1-25.0-32 Пояснения к таблицам по замене рабочей арматуры в колоннах на сталь Ат-IVС 1.420.1-25.0-33 Таблица по замене рабочей арматуры в колоннах на сталь Ат-IVС 1.420.1-25.0-34 Примеры устройства в капителях и плитах вырезов, закладных изделий для крепления стоек фахверков, отверстий для пропуска коммуникаций |
| Разработан: | Киевский Промстройпроект НИИЖБ ЦНИИЭПсельстрой АО ЦНИИпромзданий |
| Утверждён: | 27.09.1989 Главагропромнаучпроект Госкомиссии СМ СССР по продовольствию и закупкам (15/81-5) |
| Издан: | ЦИТП Госстроя СССР (CITP, Gosstroy (USSR) 1990 г. ) |
| Заменяет собой: |







































































































