Скачать Серия 1.420.1-25 Выпуск 2. Железобетонные капители. Рабочие чертежиДата актуализации: 01.01.2021
|
| Обозначение: | Серия 1.420.1-25 |
| Обозначение англ: | Series 1.420.1-25 |
| Статус: | не определен законодательством |
| Название рус.: | Выпуск 2. Железобетонные капители. Рабочие чертежи |
| Дата добавления в базу: | 01.09.2013 |
| Дата актуализации: | 01.01.2021 |
| Дата введения: | 01.03.1990 |
| Дата окончания срока действия: | 30.06.2003 |
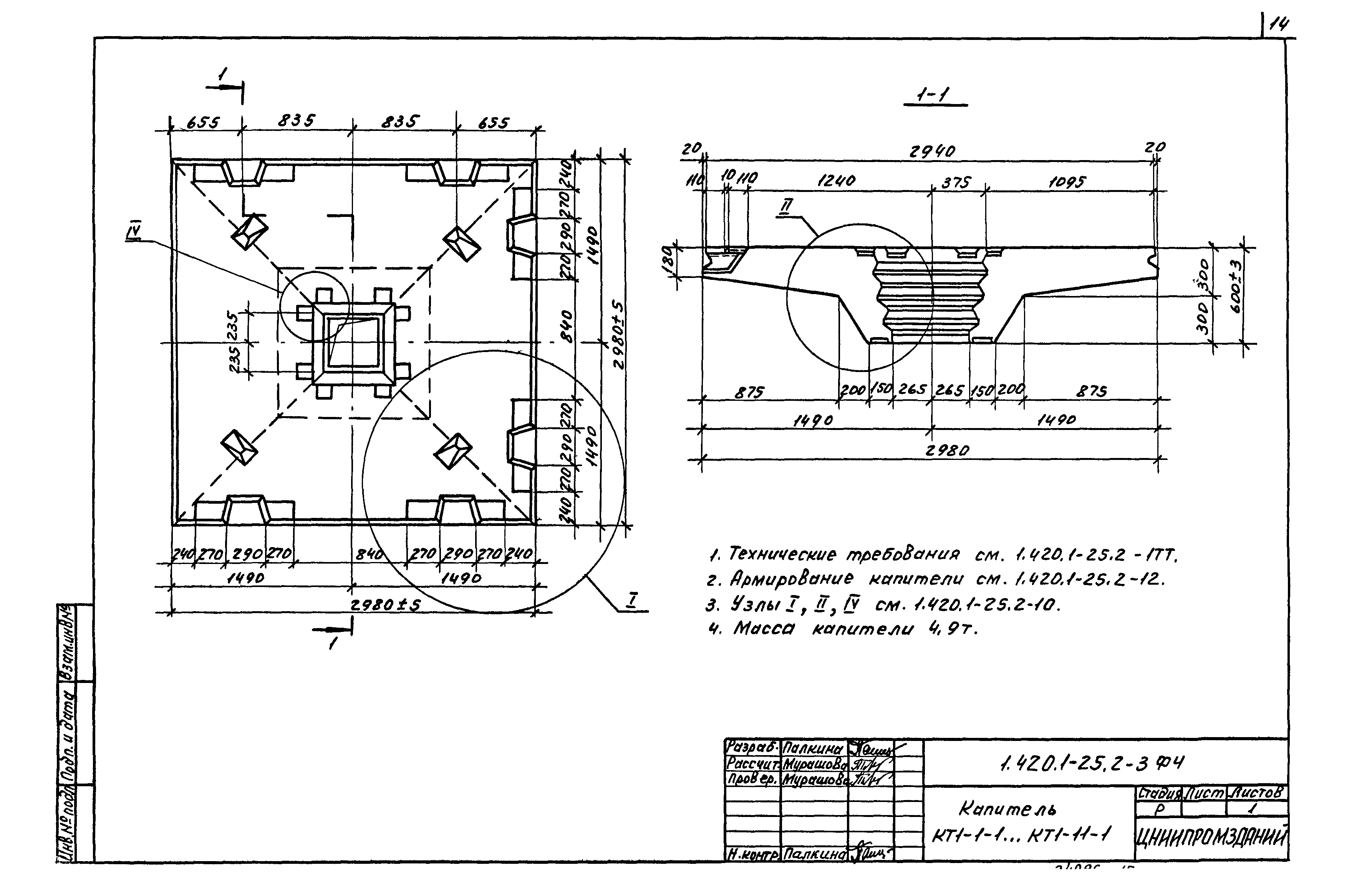
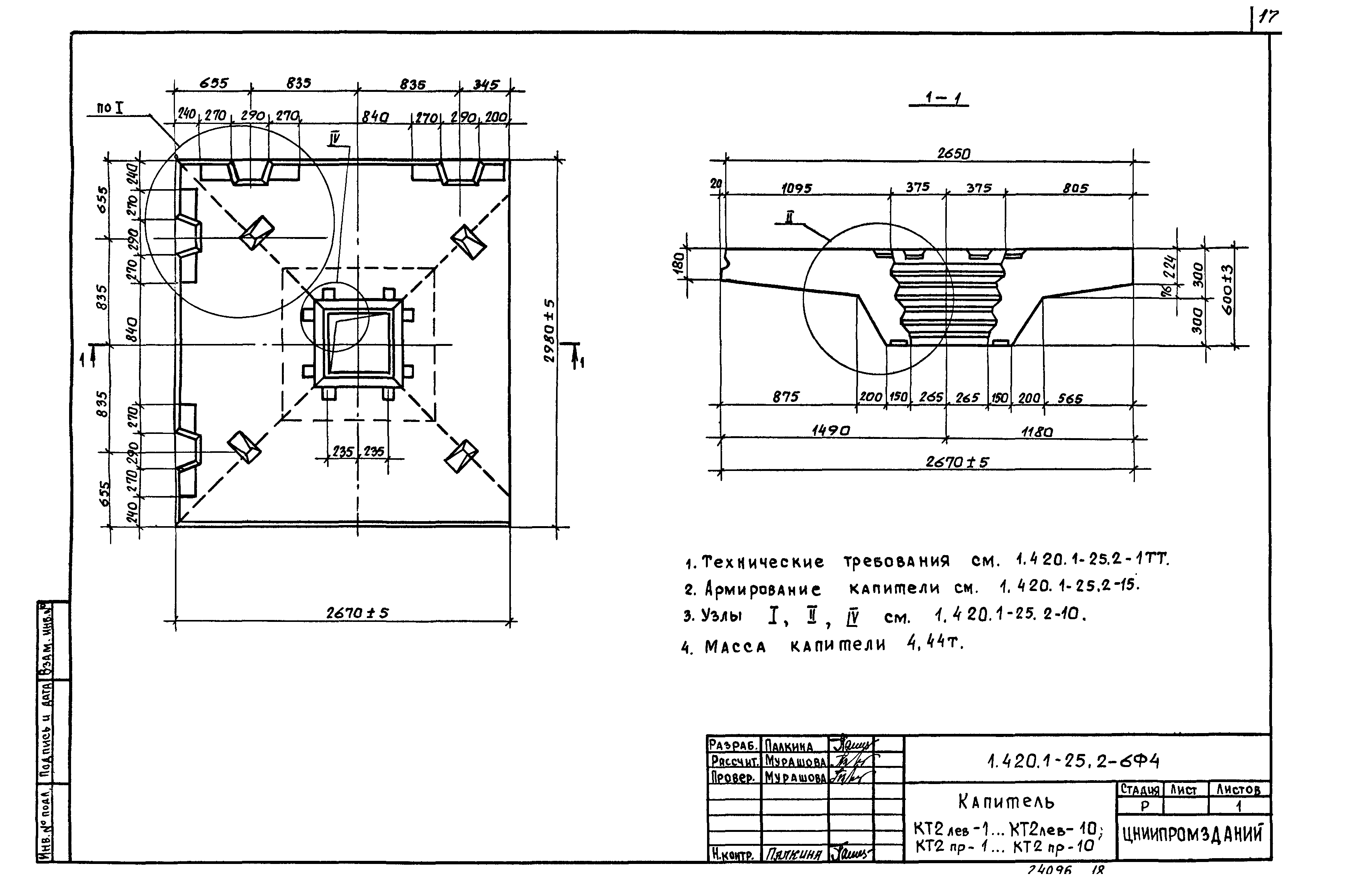
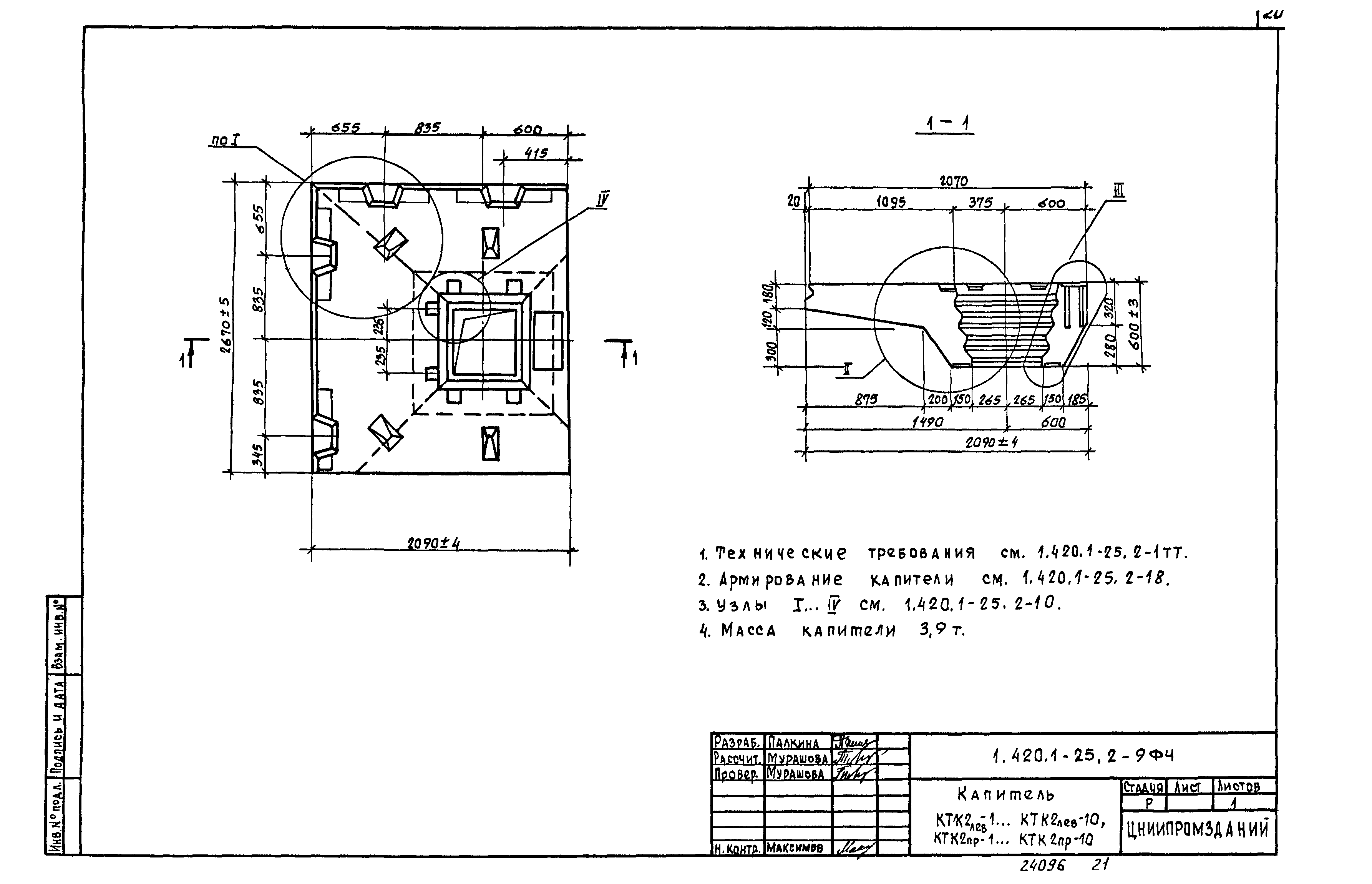
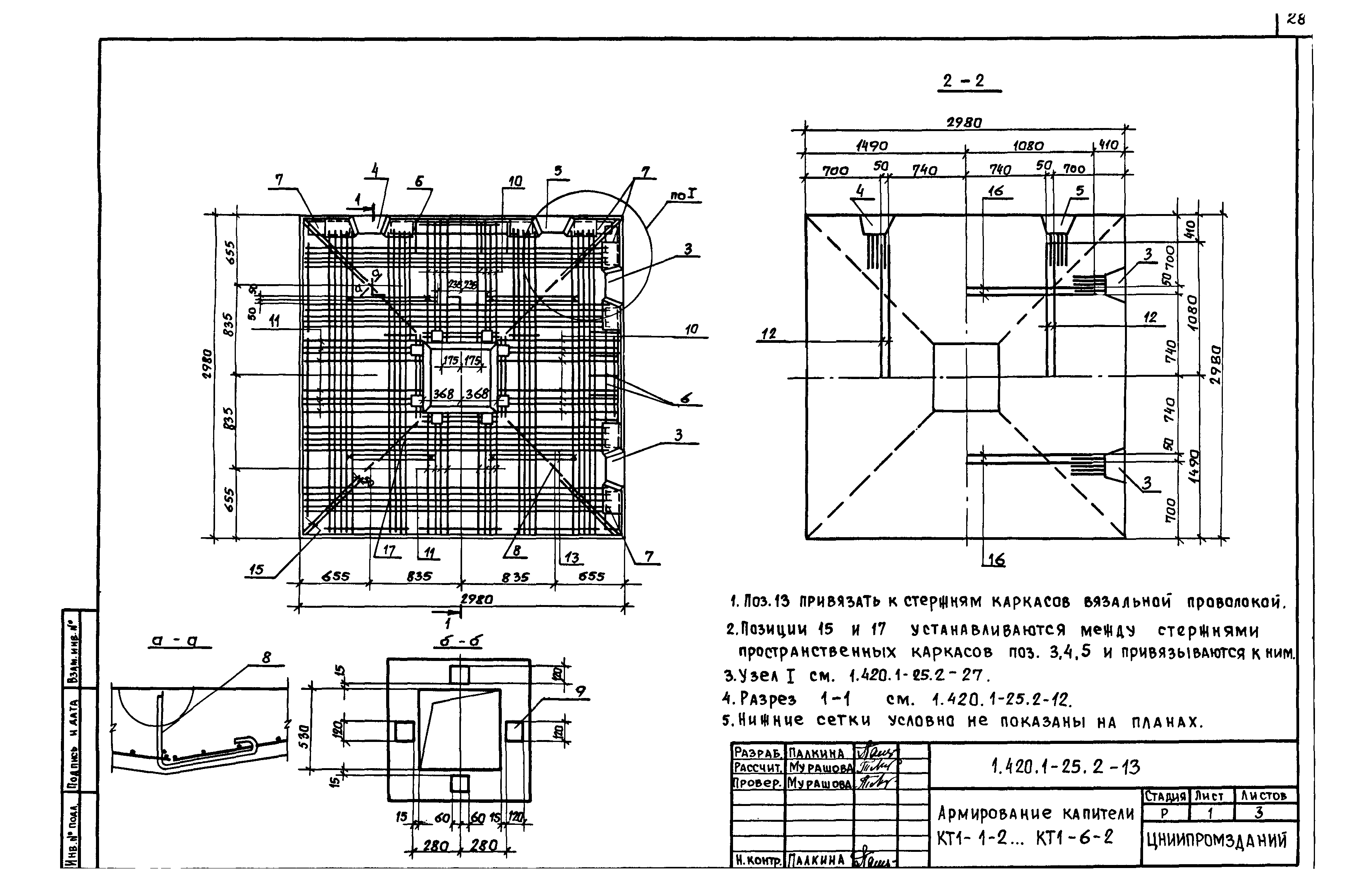
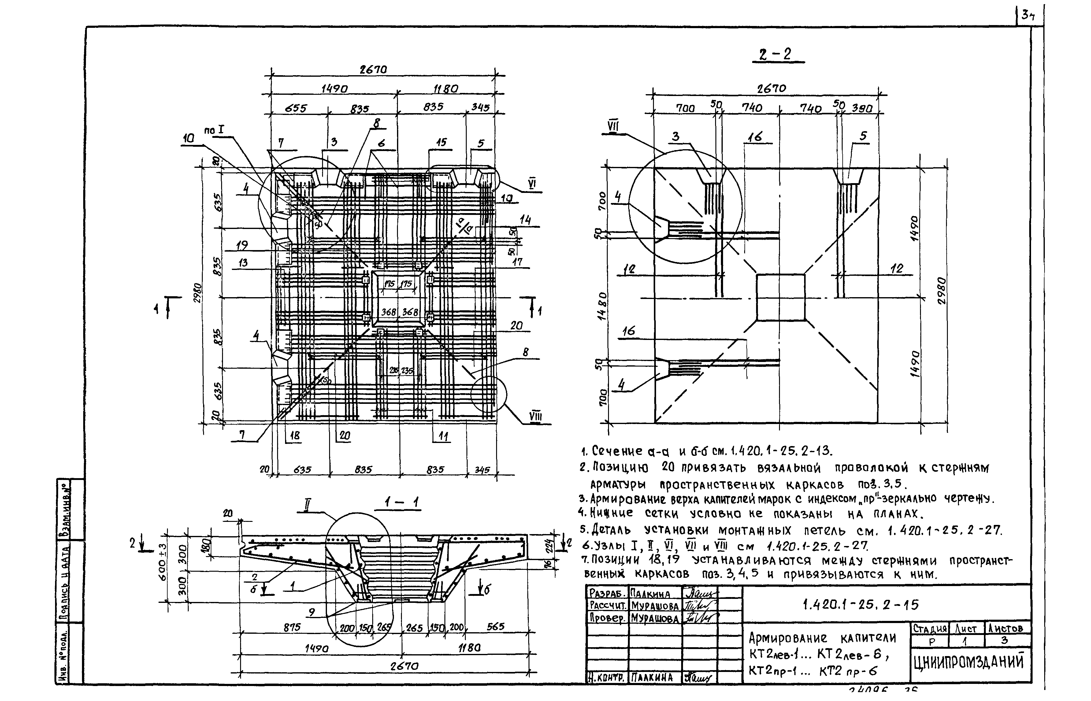
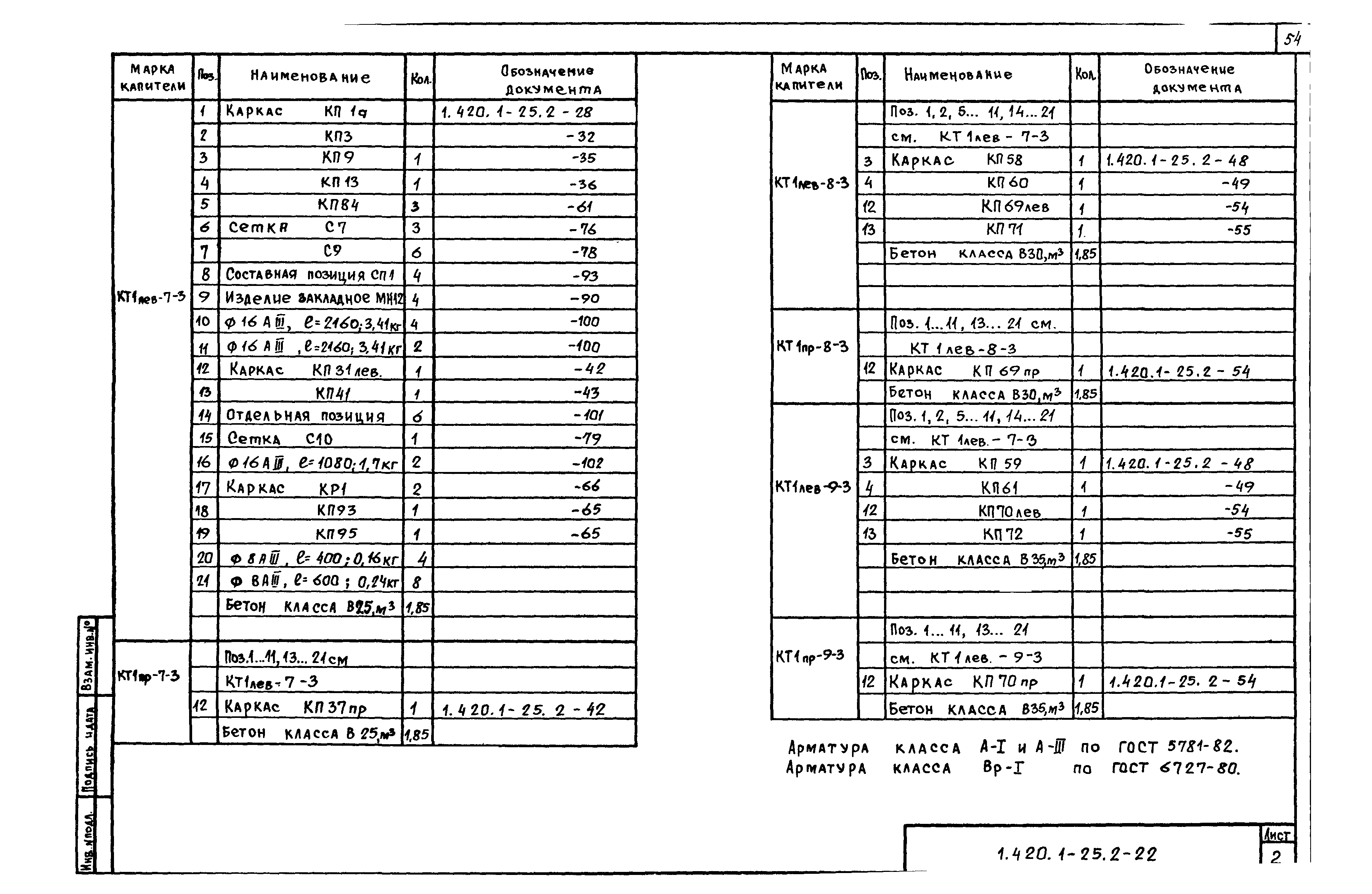
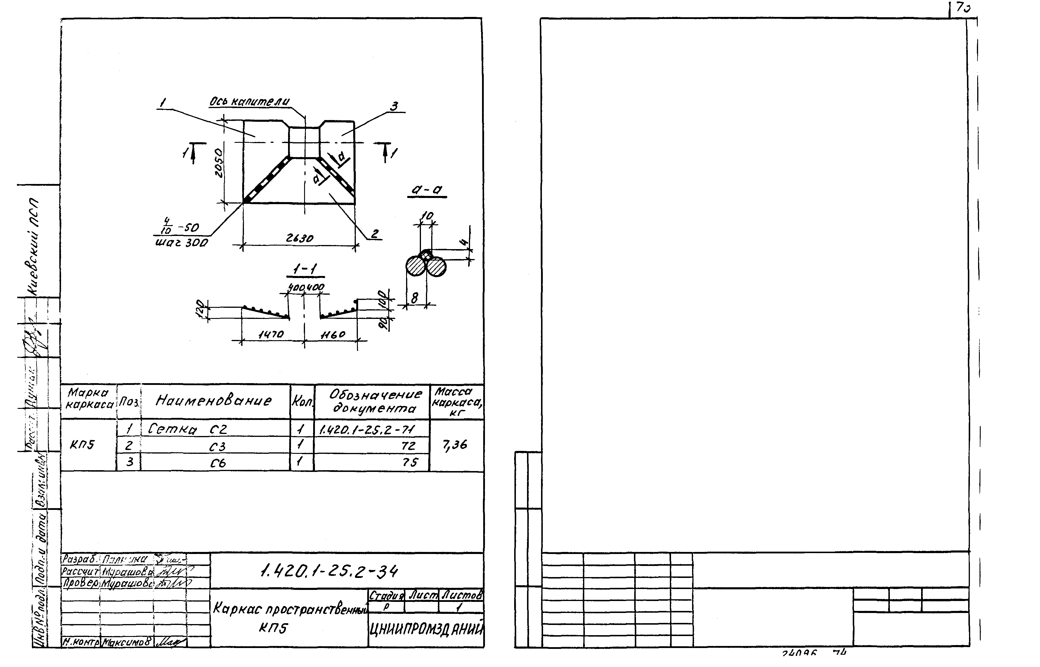
| Оглавление: | 1.420.1-25.2-1ТТ Технические требования 1.420.1-25.2-2ФЧ Капитель КТ1-1…КТ1-10. Опалубочный чертеж 1.420.1-25.2-3ФЧ Капитель КТ1-1-1…КТ1-11-1. Опалубочный чертеж 1.420.1-25.2-4ФЧ Капитель КТ1-1-2…КТ1-10-2. Опалубочный чертеж 1.420.1-25.2-5ФЧ Капитель КТ1лев-1-3…КТ1лев-10-3; КТ1пр-1-3…КТ1пр-10-3. Опалубочный чертеж 1.420.1-25.2-6ФЧ Капитель КТ2лев-1…КТ2лев-10; КТ2пр-1…КТ2пр-10. Опалубочный чертеж 1.420.1-25.2-7ФЧ Капитель КТ2-1…КТ1-10. Опалубочный чертеж 1.420.1-25.2-8ФЧ Капитель КТ1лев-1-1…КТ1лев-10-1; КТК1пр-1-1…КТК1пр-10-1. Опалубочный чертеж 1.420.1-25.2-9ФЧ Капитель КТ2лев-1…КТ2лев-10; КТК2пр-1…КТК2пр-10. Опалубочный чертеж 1.420.1-25.2-10 Узел 1…4 1.420.1-25.2-11 Армирование капители КТ1-1…КТ1-6 1.420.1-25.2-12 Армирование капители КТ1-1-1…КТ1-6-1 1.420.1-25.2-13 Армирование капители КТ1-1-2…КТ1-6-2 1.420.1-25.2-14 Армирование капители КТ1лев-1-3…КТ1лев-6-3; КТ1пр-1-3…КТ1пр-6-3 1.420.1-25.2-15 Армирование капители КТ2лев-1…КТ2лев-6; КТ2пр-1…КТ2пр-6 1.420.1-25.2-16 Армирование капители КТК1-1…КТК1-6 1.420.1-25.2-17 Армирование капители КТК1лев-1-1…КТК1лев-6-1; КТК1пр-1-1…КТК1пр-6-1 1.420.1-25.2-18 Армирование капители КТК2лев-1…КТК2лев-6; КТК2пр-1…КТК2пр-6 1.420.1-25.2-19 Армирование капители КТ1-7…КТК1-10 1.420.1-25.2-20 Армирование капители КТ1-7-1…КТК1-11-1 1.420.1-25.2-21 Армирование капители КТ1-7-2…КТК1-10-2 1.420.1-25.2-22 Армирование капители КТ1лев-7-3…КТК1лев-10-3; КТ1пр-7-3…КТ1пр-10-3 1.420.1-25.2-23 Армирование капители КТ2лев-7…КТК2лев-10; КТ2пр-7…КТ2пр-10 1.420.1-25.2-24 Армирование капители КТК1-7…КТК1-10 1.420.1-25.2-25 Армирование капители КТК1лев-7-1…КТК1лев-10-1; КТК1пр-7-1…КТК1пр-10 1.420.1-25.2-26 Армирование капители КТК2лев-7…КТК2лев-10; КТК2пр-7…КТК2пр-10 1.420.1-25.2-27 Узлы 1…8 (армирование) 1.420.1-25.2-28 Каркас пространственный КП1а 1.420.1-25.2-29 Каркас пространственный КП2а 1.420.1-25.2-30 Каркас пространственный КП1 1.420.1-25.2-31 Каркас пространственный КП2 1.420.1-25.2-32 Каркас пространственный КП3 1.420.1-25.2-33 Каркас пространственный КП4 1.420.1-25.2-34 Каркас пространственный КП5 1.420.1-25.2-35 Каркас пространственный КП6…КП9 1.420.1-25.2-36 Каркас пространственный КП10…КП13 1.420.1-25.2-37 Каркас пространственный КП14…КП17 1.420.1-25.2-38 Каркас пространственный КП18лев…КП21лев; КП18пр…КП21пр 1.420.1-25.2-39 Каркас пространственный КП22…КП25 1.420.1-25.2-40 Каркас пространственный КП26…КП29 1.420.1-25.2-41 Каркас пространственный КП30лев…КП33лев; КП30пр…КП33пр 1.420.1-25.2-42 Каркас пространственный КП34лев…КП37лев; КП34пр…КП37пр 1.420.1-25.2-43 Каркас пространственный КП38…КП41 1.420.1-25.2-44 Каркас пространственный КП42лев…КП45лев; КП42пр…КП45пр 1.420.1-25.2-45 Каркас пространственный КП46лев…КП49лев; КП46пр…КП49пр 1.420.1-25.2-46 Каркас пространственный КП50лев…КП53лев; КП50пр…КП53пр 1.420.1-25.2-47 Каркас пространственный КП54лев…КП57лев; КП54пр…КП57пр 1.420.1-25.2-48 Каркас пространственный КП58, КП59 1.420.1-25.2-49 Каркас пространственный КП60, КП61 1.420.1-25.2-50 Каркас пространственный КП62, КП63 1.420.1-25.2-51 Каркас пространственный КП64лев, КП65лев; КП64пр, КП65пр 1.420.1-25.2-52 Каркас пространственный КП66, КП67 1.420.1-25.2-53 Каркас пространственный КП68 1.420.1-25.2-54 Каркас пространственный КП69лев, КП70лев, КП69пр, КП70пр 1.420.1-25.2-55 Каркас пространственный КП71, КП72 1.420.1-25.2-56 Каркас пространственный КП73лев, КП74лев, КП73пр, 74пр 1.420.1-25.2-57 Каркас пространственный КП75лев, КП75пр 1.420.1-25.2-58 Каркас пространственный КП76лев, КП76пр 1.420.1-25.2-59 Каркас пространственный КП77лев, КП78лев, КП77пр, КП78пр 1.420.1-25.2-60 Каркас пространственный КП79лев, КП79пр 1.420.1-25.2-61 Каркас пространственный КП80...КП84; КП89…КП90 1.420.1-25.2-62 Каркас пространственный КП5, КП86 1.420.1-25.2-63 Каркас пространственный КП75лев, КП75пр 1.420.1-25.2-64 Каркас пространственный КП87 1.420.1-25.2-65 Каркас пространственный КП88, КП91, КП92 1.420.1-25.2-66 Каркас пространственный КП93…КП96 1.420.1-25.2-67 Каркас КР1 1.420.1-25.2-68 Каркас КР2…КР6 1.420.1-25.2-69 Каркас КР7…КР11 1.420.1-25.2-70 Каркас КР12…К16 1.420.1-25.2-71 Сетка С1 1.420.1-25.2-72 Сетка С2 1.420.1-25.2-73 Сетка С3 1.420.1-25.2-74 Сетка С4 1.420.1-25.2-75 Сетка С5 1.420.1-25.2-76 Сетка С6 1.420.1-25.2-77 Сетка С7 1.420.1-25.2-78 Сетка С8 1.420.1-25.2-79 Сетка С9 1.420.1-25.2-80 Сетка С10 1.420.1-25.2-81 Сетка С11 1.420.1-25.2-82 Сетка С12 1.420.1-25.2-83 Сетка С13 1.420.1-25.2-84 Сетка С13а 1.420.1-25.2-85 Сетка С14 1.420.1-25.2-86 Изделие закладное МН5лев, МН5пр, МН6лев, МН6пр 1.420.1-25.2-87 Изделие закладное МН7, МН8 1.420.1-25.2-88 Изделие закладное МН9 1.420.1-25.2-89 Изделие закладное МН10лев, МН10пр; МН11лев, МН11пр 1.420.1-25.2-90 Изделие закладное МН12 1.420.1-25.2-91 Изделие закладное МН13 1.420.1-25.2-92 Изделие закладное МН14 1.420.1-25.2-93 Составная позиция СП1 1.420.1-25.2-94 Отдельная позиция 1,2,5,6 для МН1…МН4 1.420.1-25.2-95 Отдельная позиция 7,8 для МН5, МН6 1.420.1-25.2-96 Отдельная позиция 9…11 для МН7…МН9 1.420.1-25.2-97 Отдельная позиция 12,13 для МН10…МН11 1.420.1-25.2-98 Отдельная позиция 3,4 для МН1…МН11 1.420.1-25.2-99 Отдельная позиция 3 для ПК6…МН79 1.420.1-25.2-100 Отдельная позиция 10,11 для армирования капители 1.420.1-25.2-101 Отдельная позиция 14 для армирования капители 1.420.1-25.2-102 Отдельная позиция 12,16 для армирования капители 1.420.1-25.2-103 Ведомость расхода стали, кг |
| Разработан: | Киевский Промстройпроект НИИЖБ ЦНИИЭПсельстрой АО ЦНИИпромзданий |
| Утверждён: | 27.09.1989 Главагропромнаучпроект Госкомиссии СМ СССР по продовольствию и закупкам (15-81/5) |
| Издан: | ЦИТП Госстроя СССР (CITP, Gosstroy (USSR) 1990 г. ) |
| Заменяет собой: |













































































































































