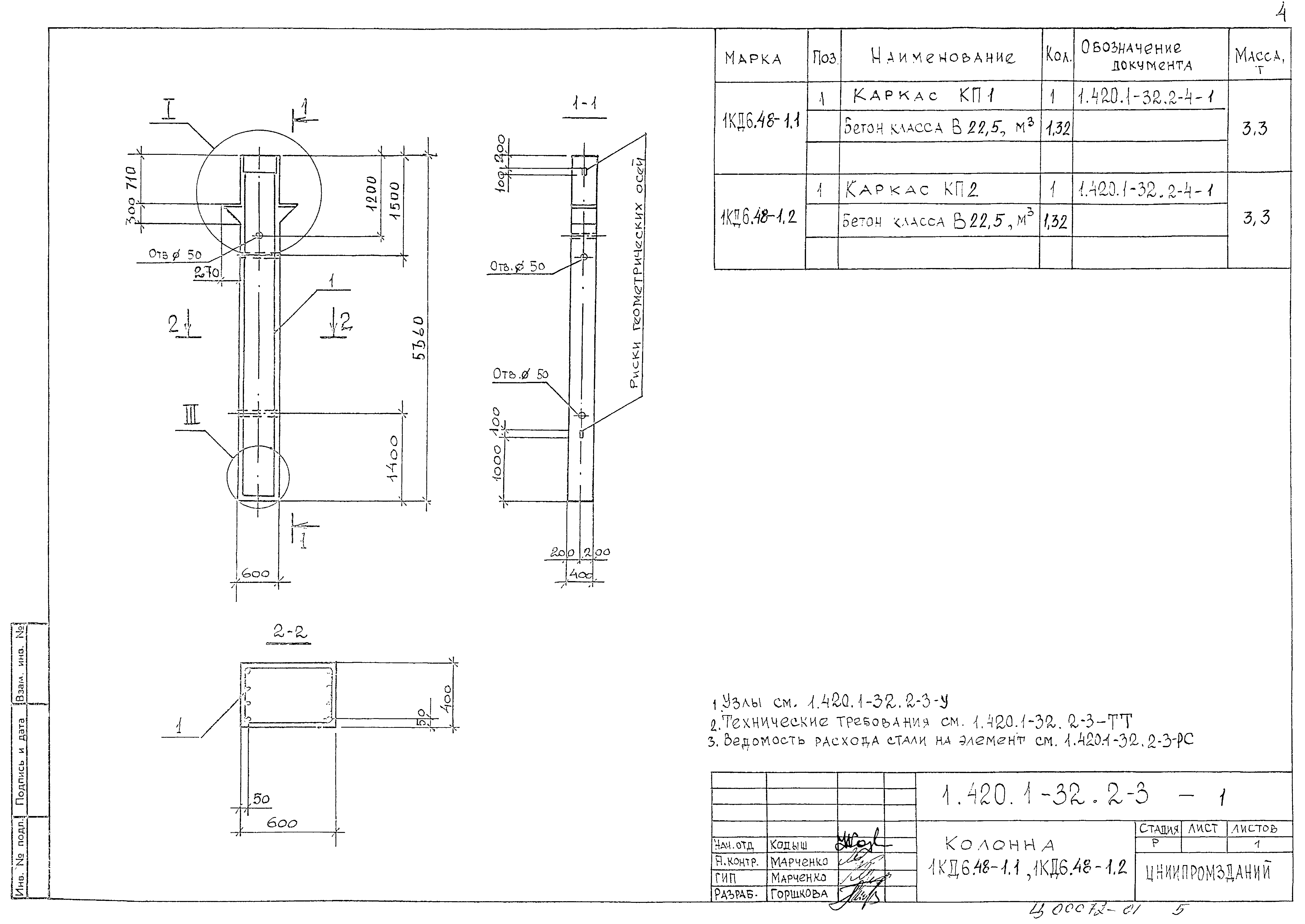
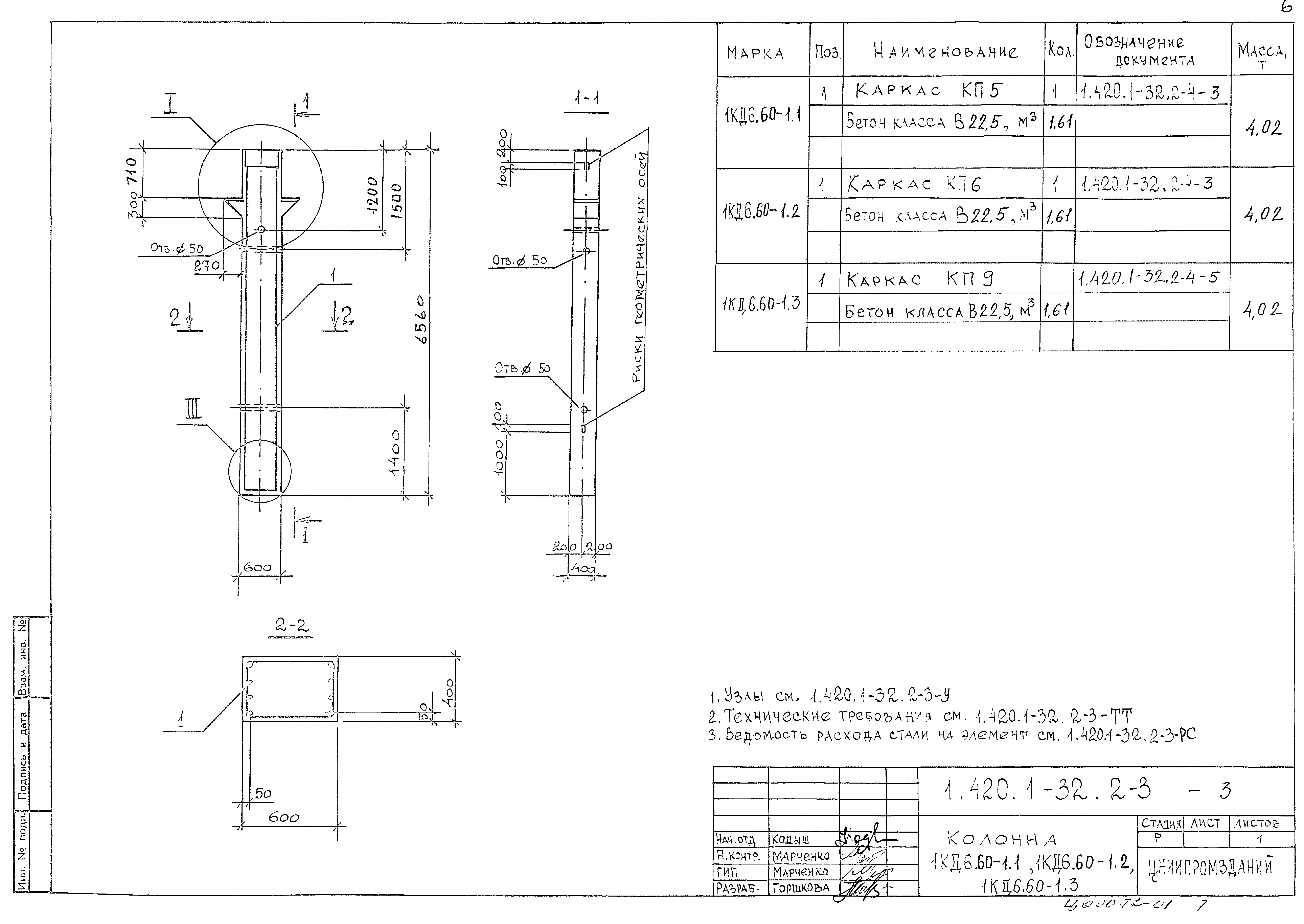
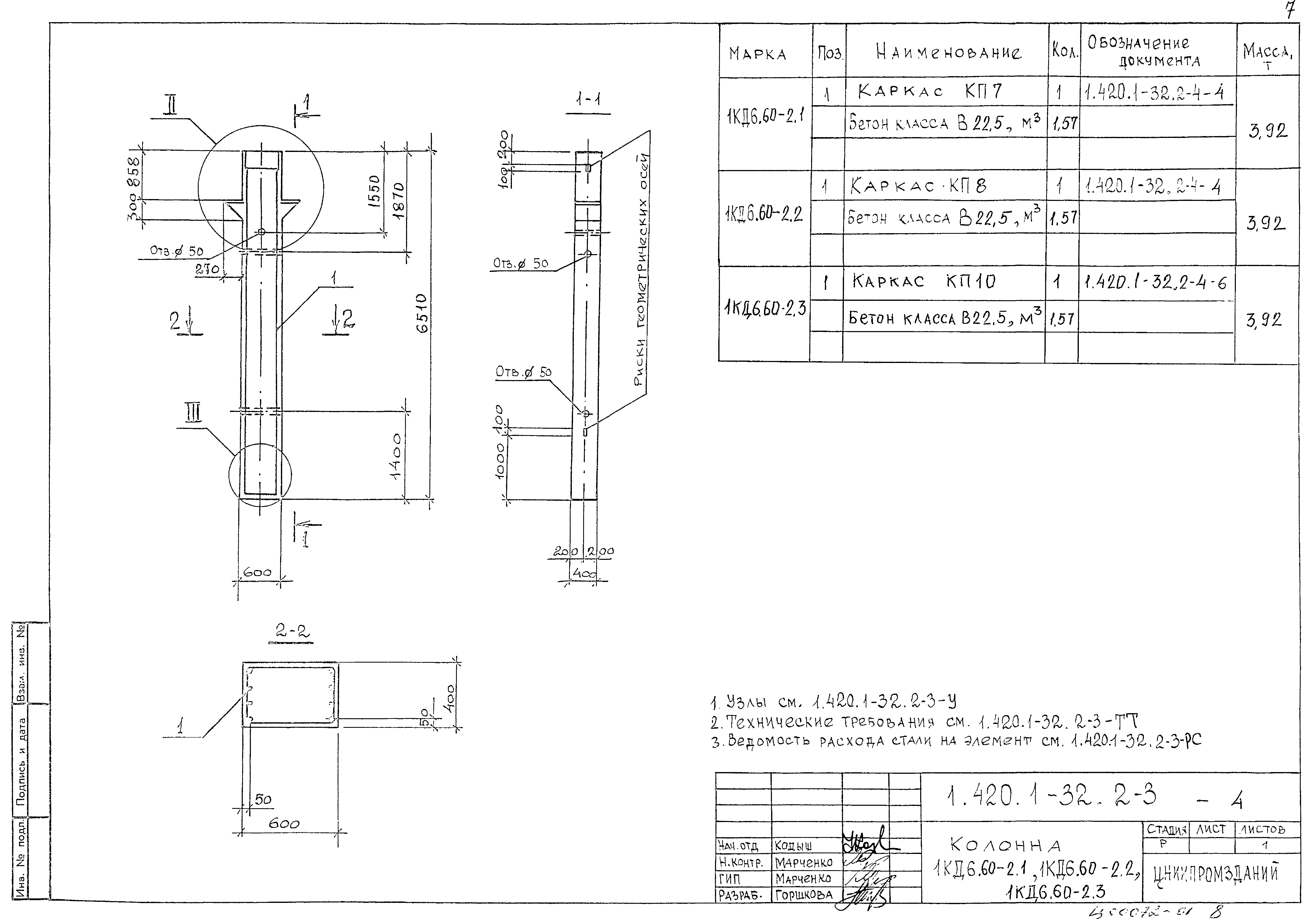
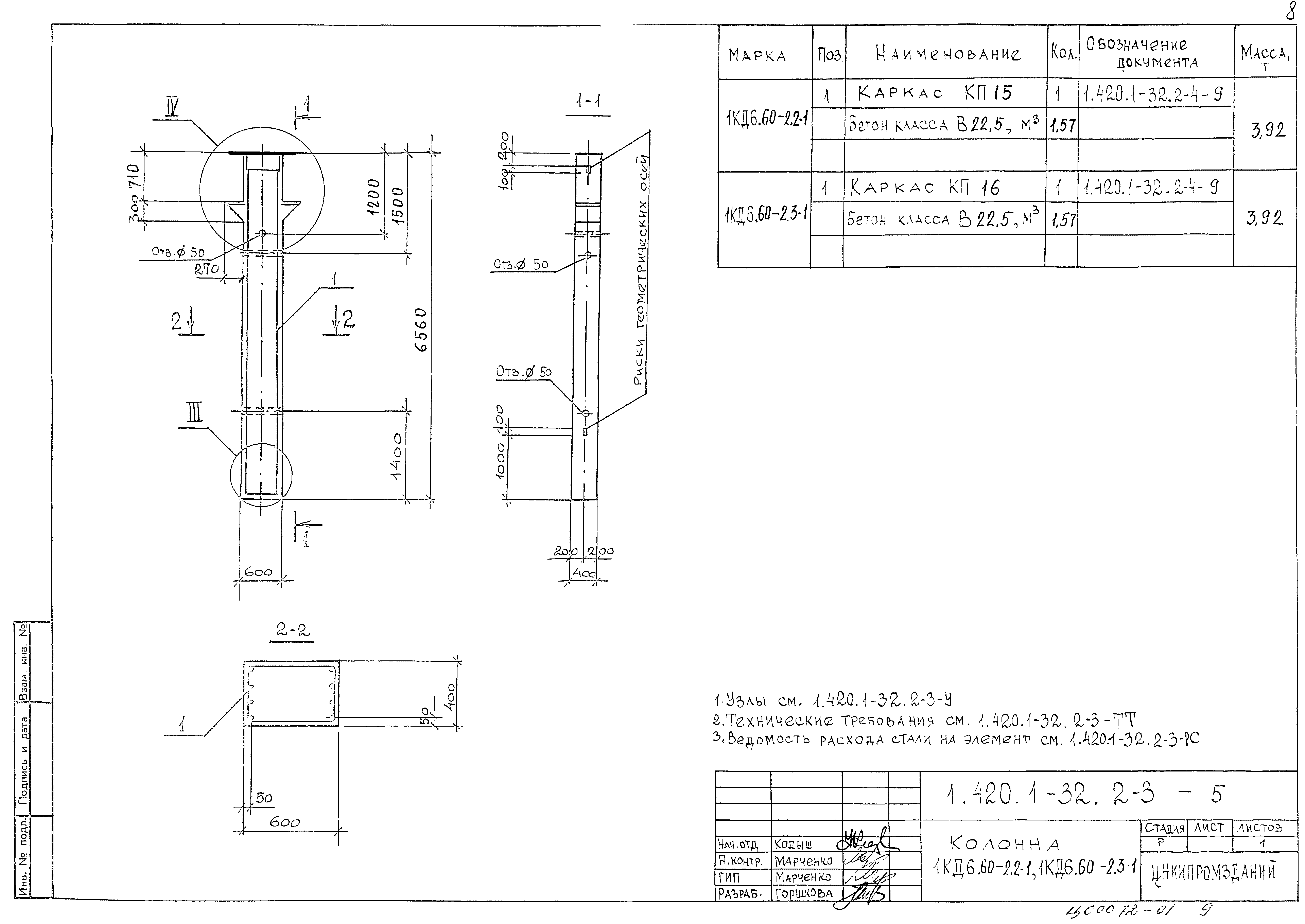
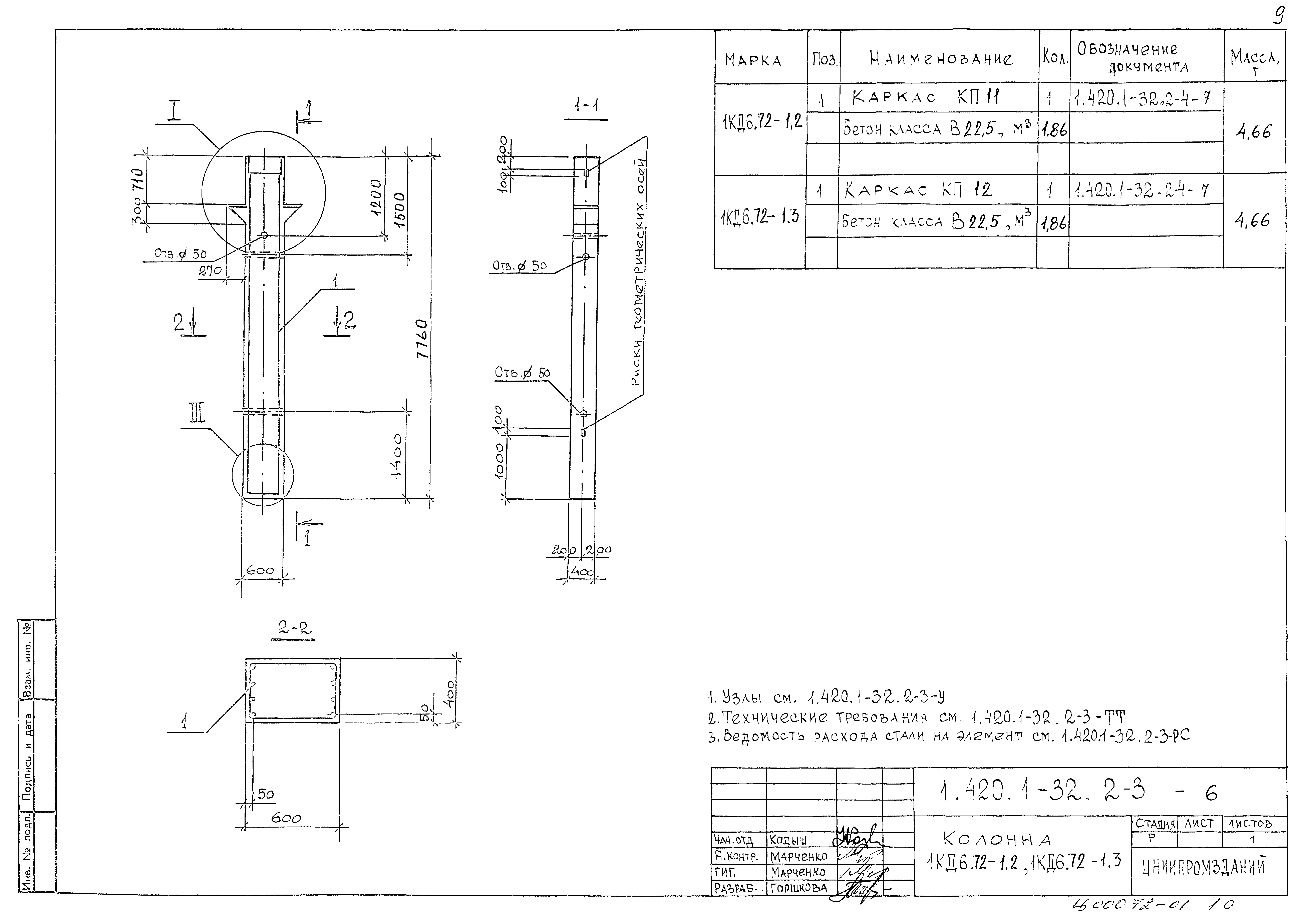
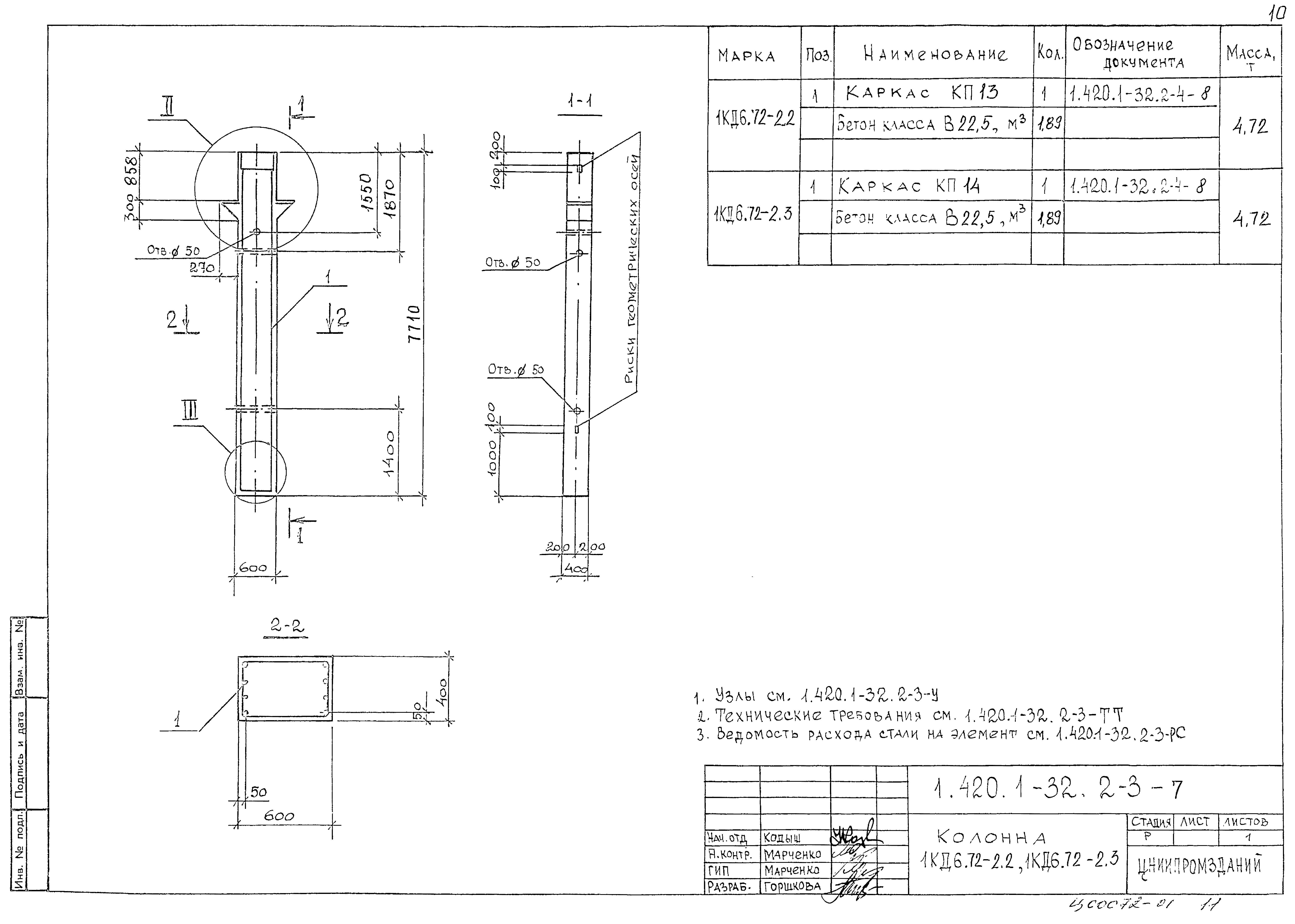
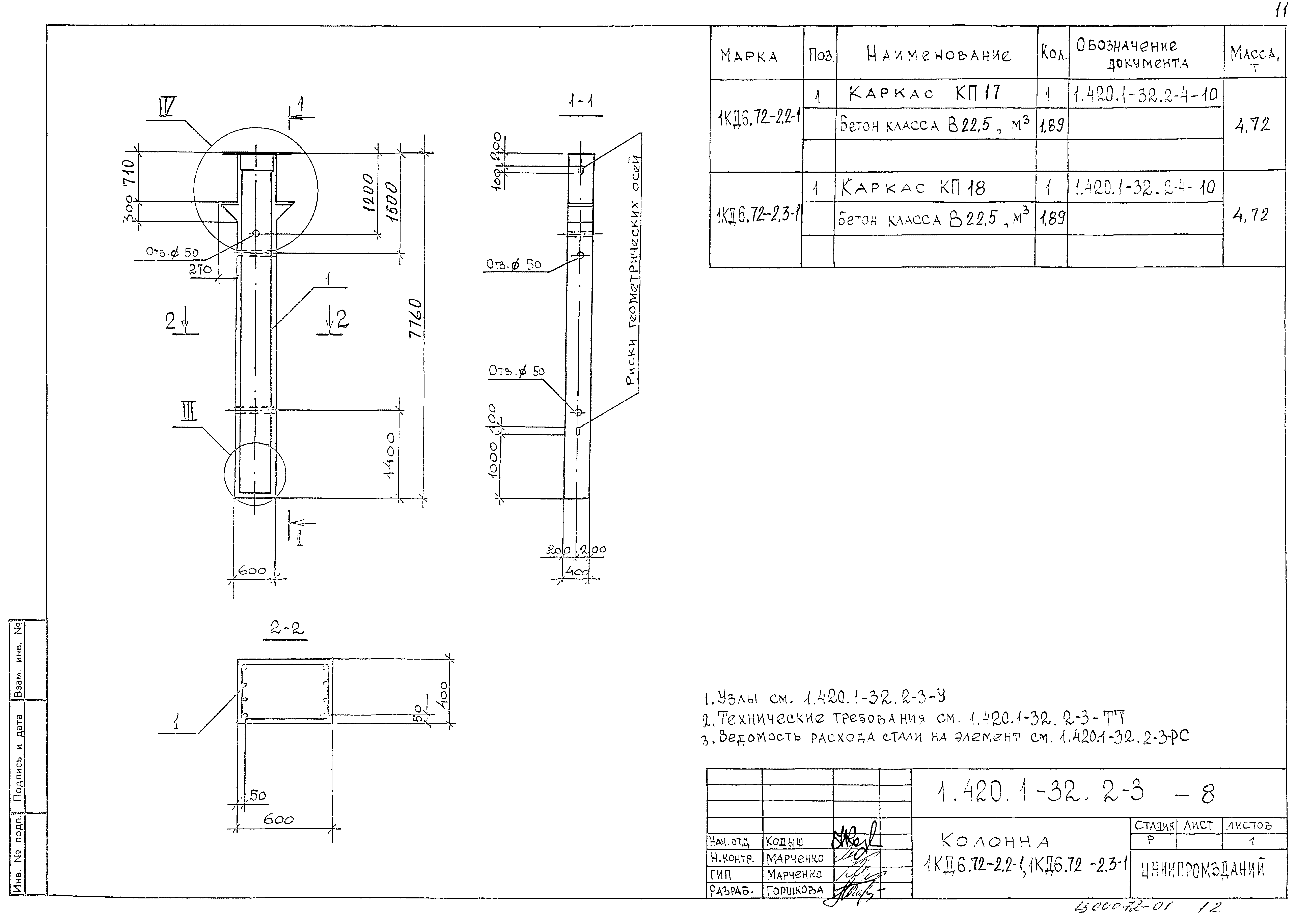
Скачать Серия 1.420.1-32 Выпуск 2-3. Колонны одноэтажные высотой 4,8; 6,0 и 7,2 м. Рабочие чертежиДата актуализации: 01.01.2021 Серия 1.420.1-32
Выпуск 2-3. Колонны одноэтажные высотой 4,8; 6,0 и 7,2 м. Рабочие чертежи| Обозначение: | Серия 1.420.1-32 | | Обозначение англ: | Series 1.420.1-32 | | Статус: | не определен законодательством | | Название рус.: | Выпуск 2-3. Колонны одноэтажные высотой 4,8; 6,0 и 7,2 м. Рабочие чертежи | | Дата добавления в базу: | 01.09.2013 | | Дата актуализации: | 01.01.2021 | | Дата введения: | 01.01.1994 | | Дата окончания срока действия: | 30.06.2003 | | Разработан: | ЦНИИпромзданий
| | Утверждён: | 21.12.1992 Минстрой России (Russian Federation Minstroy 9-1/395)
|
             
|