Скачать Серия 1.420-35.95 Выпуск 0-0. Состав серии. Общие положения. Указания по проектированию каркаса зданияДата актуализации: 01.01.2021
|
| Обозначение: | Серия 1.420-35.95 |
| Обозначение англ: | Series 1.420-35.95 |
| Статус: | не определен законодательством |
| Название рус.: | Выпуск 0-0. Состав серии. Общие положения. Указания по проектированию каркаса здания |
| Дата добавления в базу: | 01.09.2013 |
| Дата актуализации: | 01.01.2021 |
| Дата введения: | 01.03.1998 |
| Дата окончания срока действия: | 30.06.2003 |
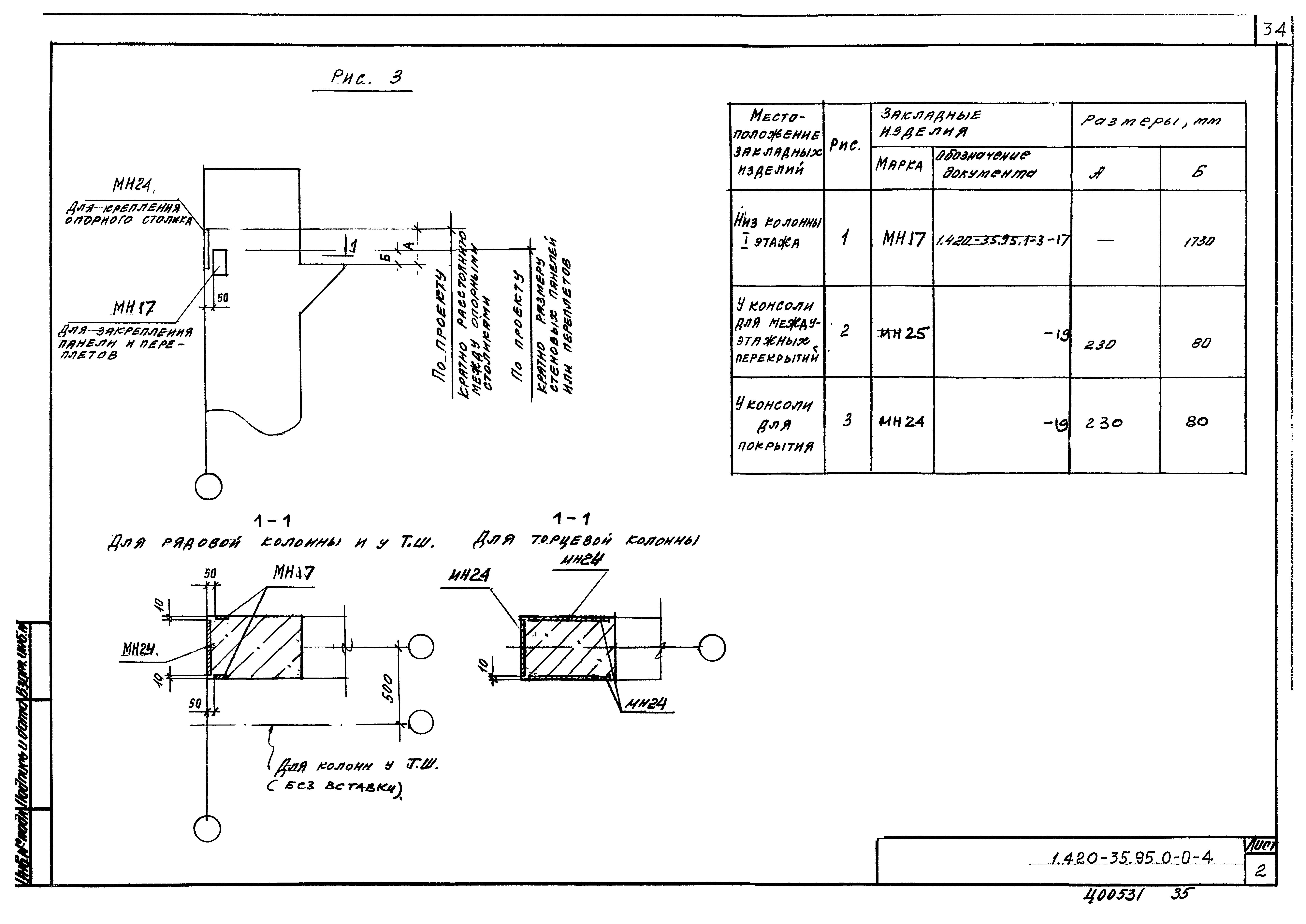
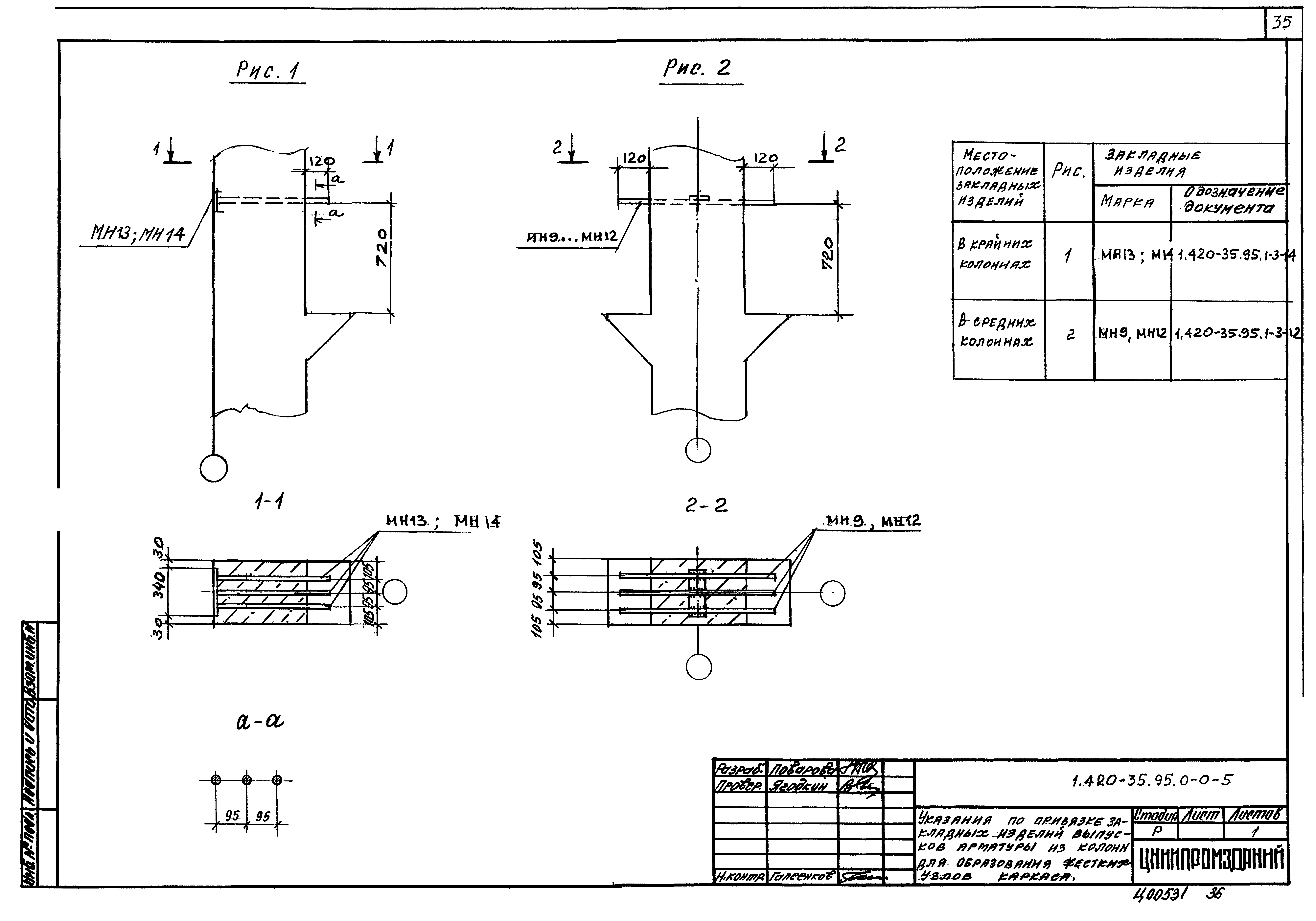
| Оглавление: | 1.420-35.95.0-0-ПЗ Пояснительная записка 1.420-35.95.0-0-1 Параметры габаритных схем зданий 1.420-35.95.0-0-2 Область применения ригелей пролетом 6,0 м для каркаса зданий с сеткой колонн 6х6 м 1.420-35.95.0-0-3 Область применения ригелей пролетом 9,0 м для каркаса зданий с сеткой колонн 9x6 м 1.420-35.95.0-0-1НИ Номенклатура колонн 1.420-35.95.0-0-2НИ Номенклатура ригелей 1.420-35.95.0-0-4 Указания по привязке закладных изделий для крепления стен в колоннах при высоте подоконной панели равной 900 мм 1.420-35.95.0-0-5 Указания по привязке закладных изделий выпусков арматуры из колонн для образования жестких узлов каркаса 1.420-35.95.0-0-6 Привязка в колоннах закладных изделий для крепления связей 1.420-35.95.0-0-7 Расход материалов на 1 кв. м площади перекрытия для зданий с сеткой колонн 9х6 м с плитами, опирающимися на полки ригелей 1.420-35.95.0-0-8 Расход материалов на 1 кв. м площади перекрытия для зданий с сеткой колонн 6х6 м с плитами, опирающимися на полки ригелей |
| Разработан: | АО ЦНИИпромзданий |
| Утверждён: | 09.12.1997 Департамент развития научно-технической политики и проектно-изыскательских работ Госстроя России (Department of Technical Research Policy and Design and Survey Operations, Russian Federation Gosstroy 9-1-1/160) |
| Заменяет собой: |






































