Скачать Серия 1.420-35.95 Выпуск 1-1. Колонны железобетонные. Высоты этажей 4,8 и 6,0 м. Армирование и пространственные каркасы. Рабочие чертежиДата актуализации: 01.01.2021
|
| Обозначение: | Серия 1.420-35.95 |
| Обозначение англ: | Series 1.420-35.95 |
| Статус: | не определен законодательством |
| Название рус.: | Выпуск 1-1. Колонны железобетонные. Высоты этажей 4,8 и 6,0 м. Армирование и пространственные каркасы. Рабочие чертежи |
| Дата добавления в базу: | 01.09.2013 |
| Дата актуализации: | 01.01.2021 |
| Дата введения: | 01.03.1998 |
| Дата окончания срока действия: | 30.06.2003 |
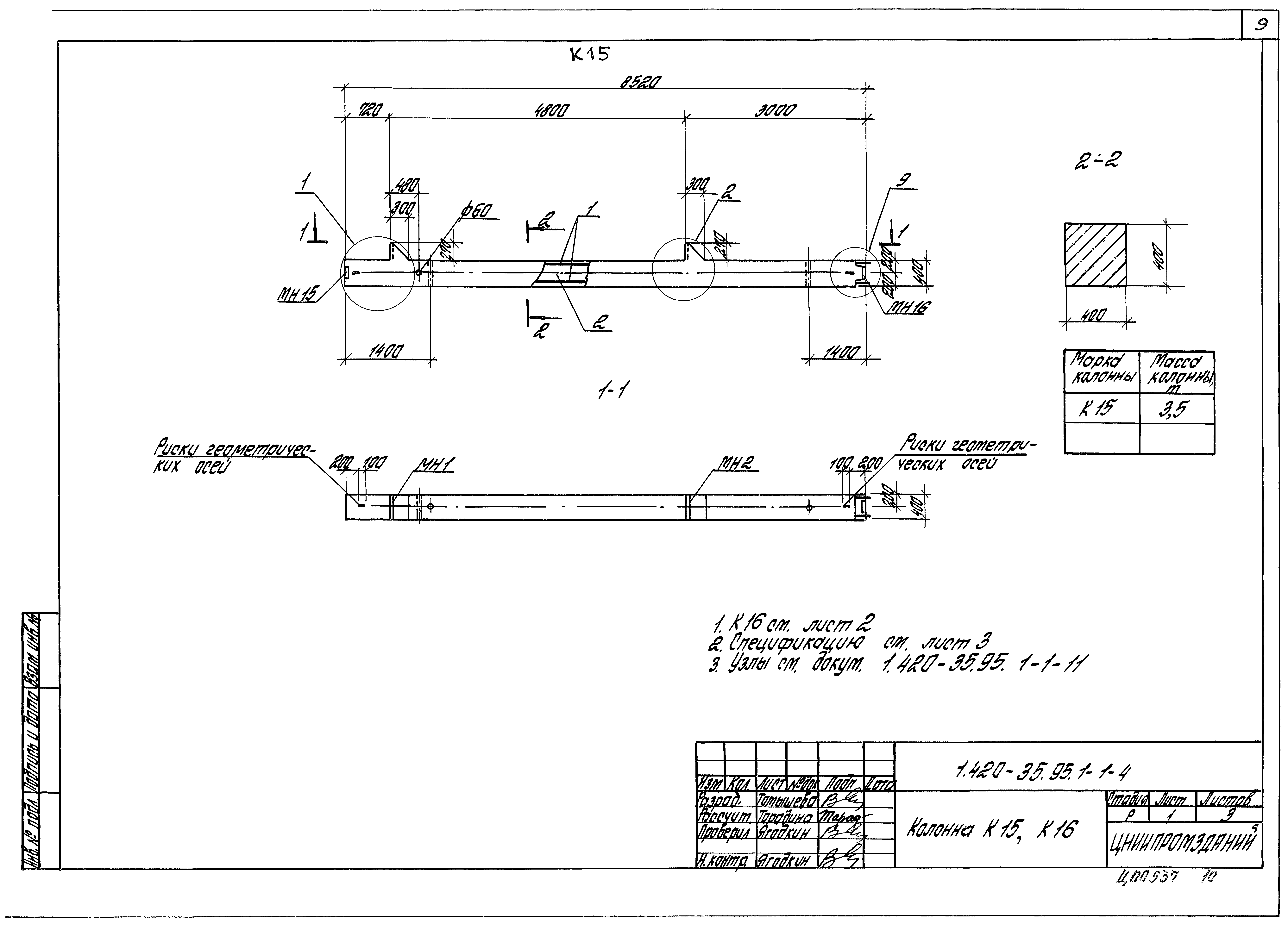
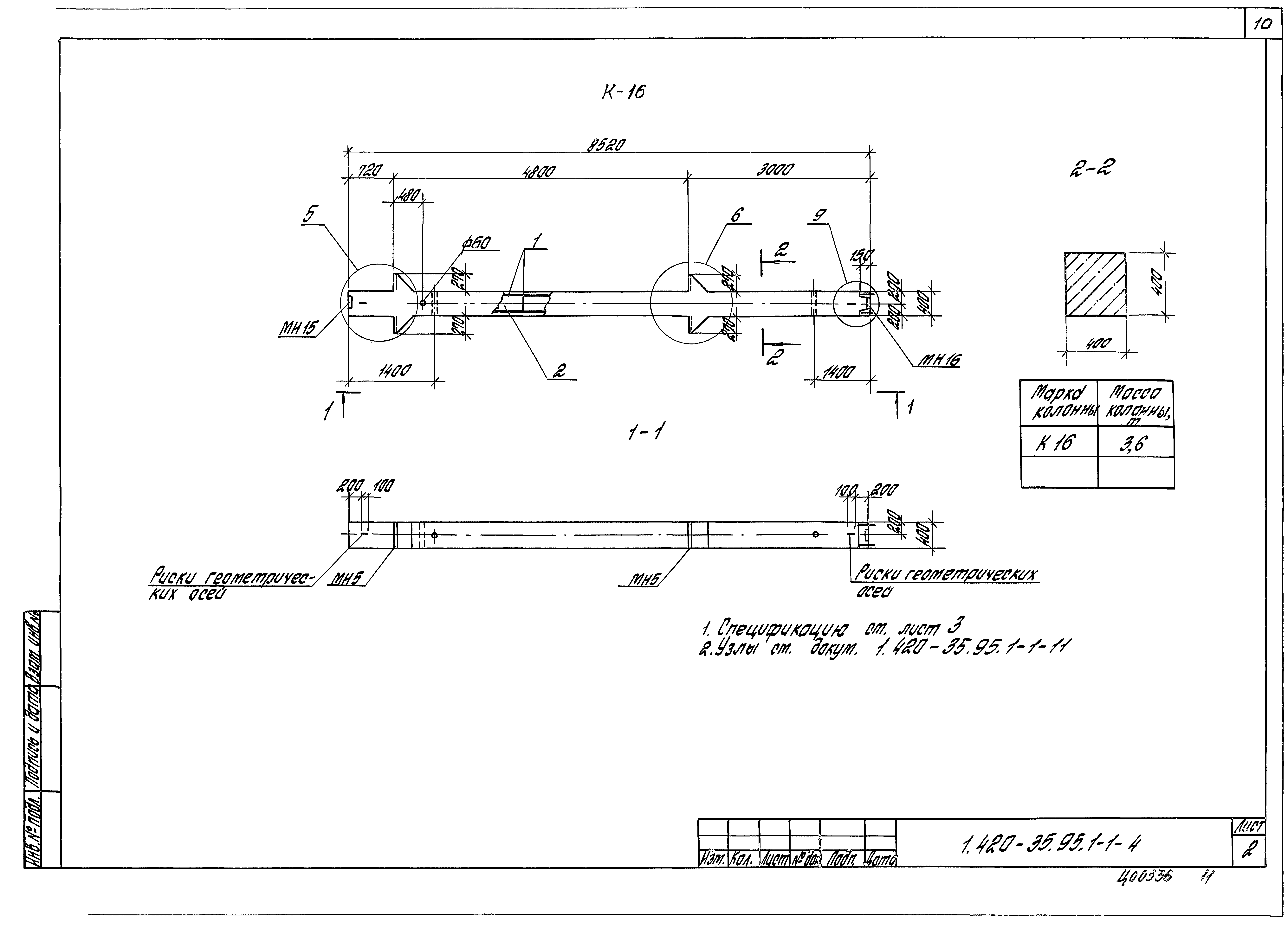
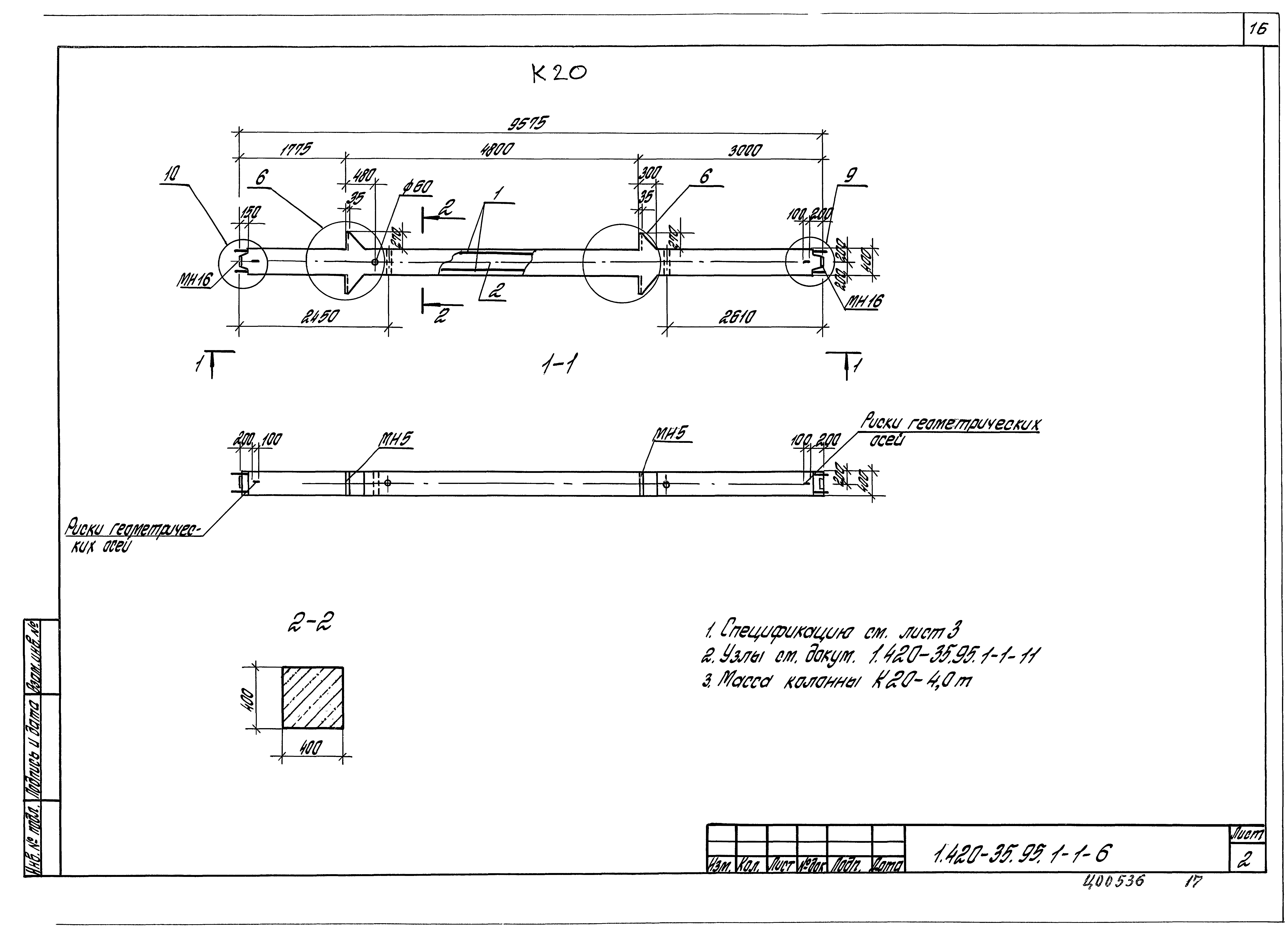
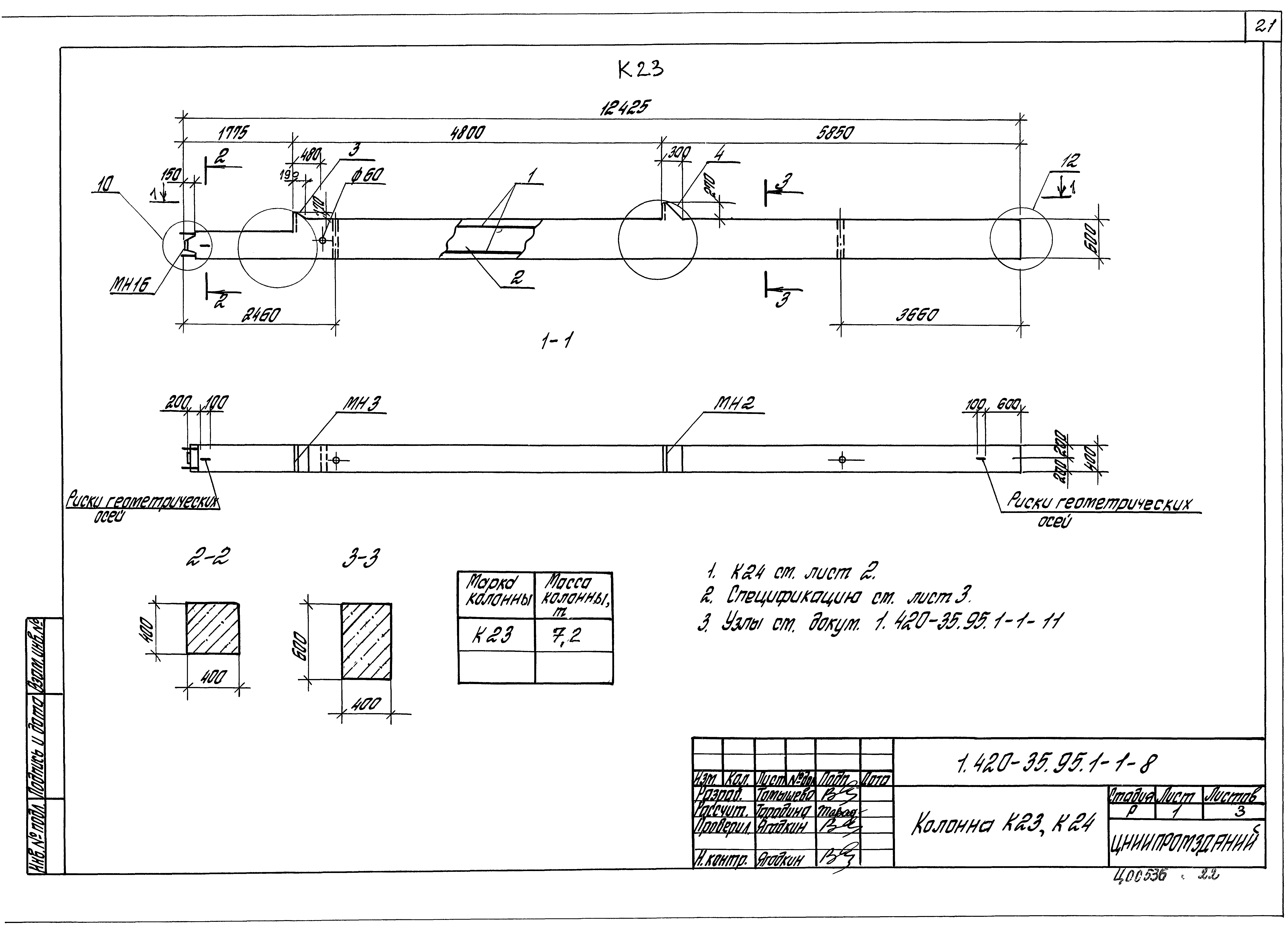
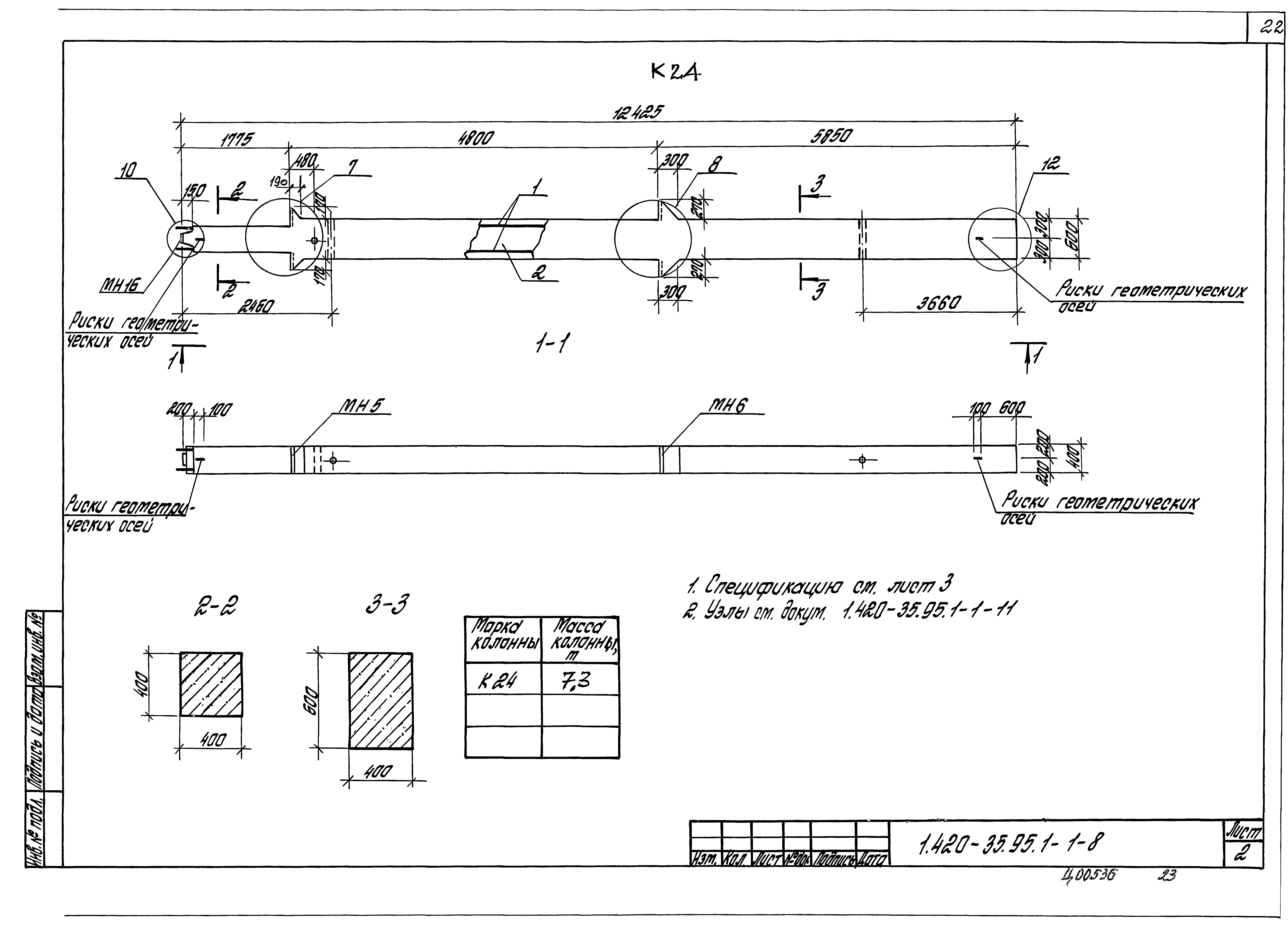
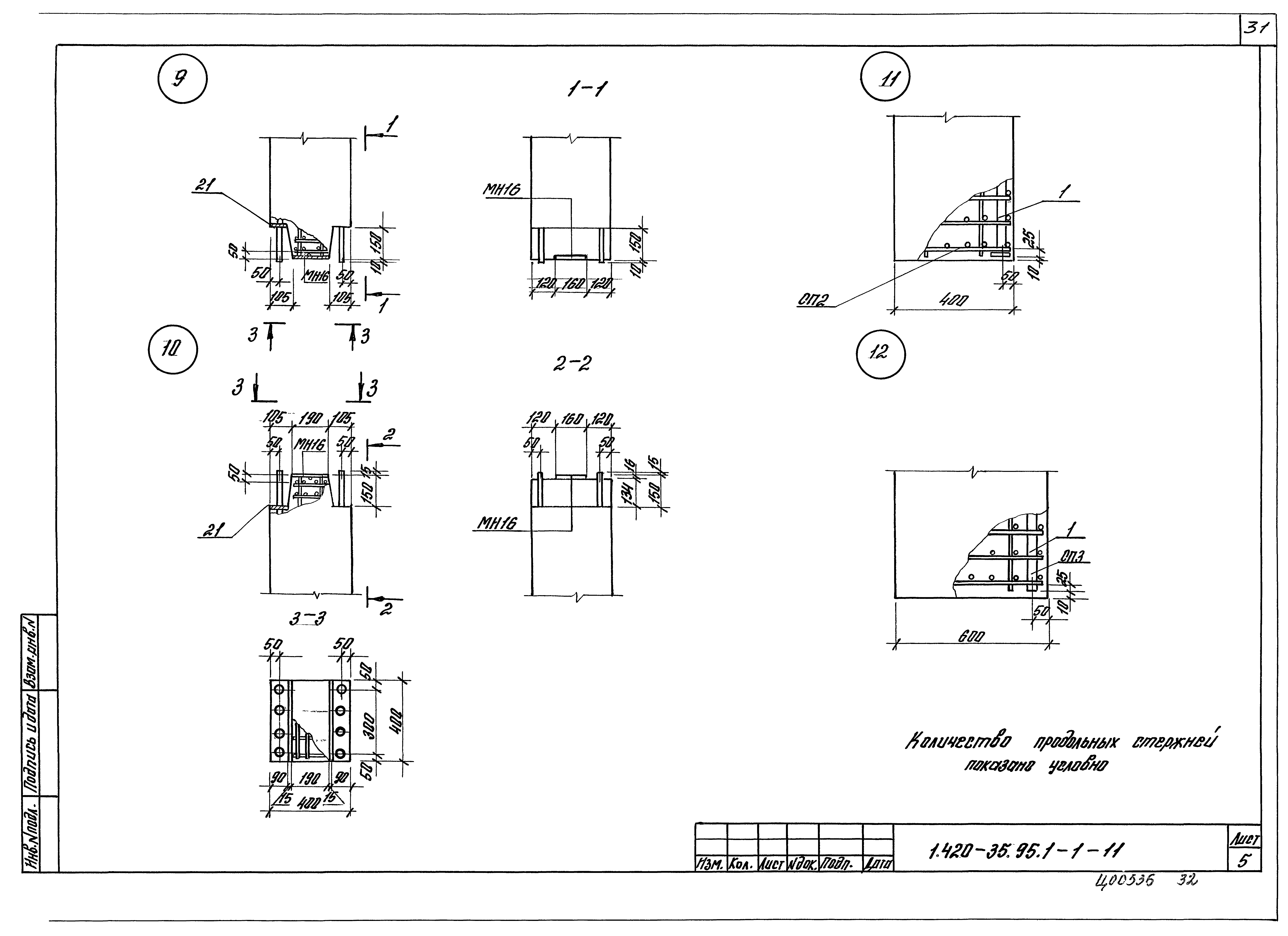
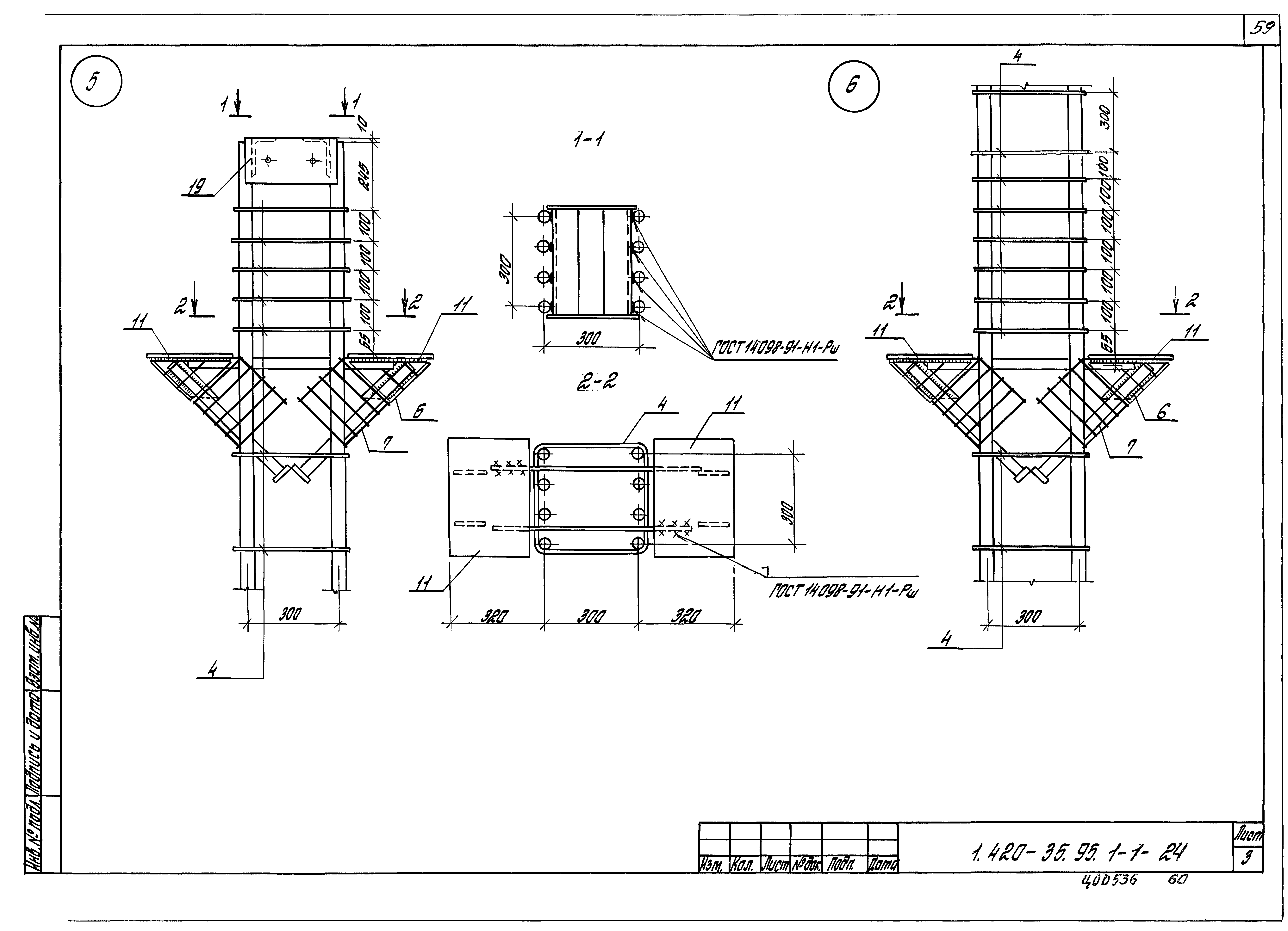
| Оглавление: | 1.420-35.95.1-1-1ПЗ Пояснительная записка 1.420-35.95.1-1-2 Колонна К11, К12 1.420-35.95.1-1-3 Колонна К13, К14 1.420-35.95.1-1-4 Колонна К15, К16 1.420-35.95.1-1-5 Колонна К17, К18 1.420-35.95.1-1-6 Колонна К19, К20 1.420-35.95.1-1-7 Колонна К21, К22 1.420-35.95.1-1-8 Колонна К23, К24 1.420-35.95.1-1-9 Колонна К35 1.420-35.95.1-1-10 Колонна К36 1.420-35.95.1-1-11 Узел 1…11 1.420-35.95.1-1-12 Каркас КП11-1…КП11-3 1.420-35.95.1-1-13 Каркас КП12-1…КП12-4 1.420-35.95.1-1-14 Каркас КП13-1…КП13-3, КП14-1…КП14-6 1.420-35.95.1-1-15 Каркас КП15-1…КП15-4, КП16-1…КП16-3 1.420-35.95.1-1-16 Каркас КП17-1…КП17-5 1.420-35.95.1-1-17 Каркас КП18-1…КП18-7 1.420-35.95.1-1-18 Каркас КП19-1…КП19-4, КП20-1…КП20-5 1.420-35.95.1-1-19 Каркас КП21-1…КП21-3, КП22-1…КП22-6 1.420-35.95.1-1-20 Каркас КП23-1…КП23-5 1.420-35.95.1-1-21 Каркас КП24-1…КП24-7 1.420-35.95.1-1-22 Каркас КП35-1…КП35-2 1.420-35.95.1-1-23 Каркас КП36-1…КП6-5 1.420-35.95.1-1-24 Узел 1…14 1.420-35.95.1-1-25РС Ведомость расхода стали, К2 |
| Разработан: | АО ЦНИИпромзданий |
| Утверждён: | 09.12.1997 Департамент развития научно-технической политики и проектно-изыскательских работ Госстроя России (Department of Technical Research Policy and Design and Survey Operations, Russian Federation Gosstroy 9-1-1/160) |
| Заменяет собой: |




































































