Скачать Серия 1.420-35.95 Выпуск 2-3. Ригели железобетонные пролетами 6,0 и 9,0 с полками для опирания плит. Изделия арматурные и закладные. Рабочие чертежиДата актуализации: 01.01.2021
|
| Обозначение: | Серия 1.420-35.95 |
| Обозначение англ: | Series 1.420-35.95 |
| Статус: | не определен законодательством |
| Название рус.: | Выпуск 2-3. Ригели железобетонные пролетами 6,0 и 9,0 с полками для опирания плит. Изделия арматурные и закладные. Рабочие чертежи |
| Дата добавления в базу: | 01.09.2013 |
| Дата актуализации: | 01.01.2021 |
| Дата введения: | 01.03.1998 |
| Дата окончания срока действия: | 30.06.2003 |
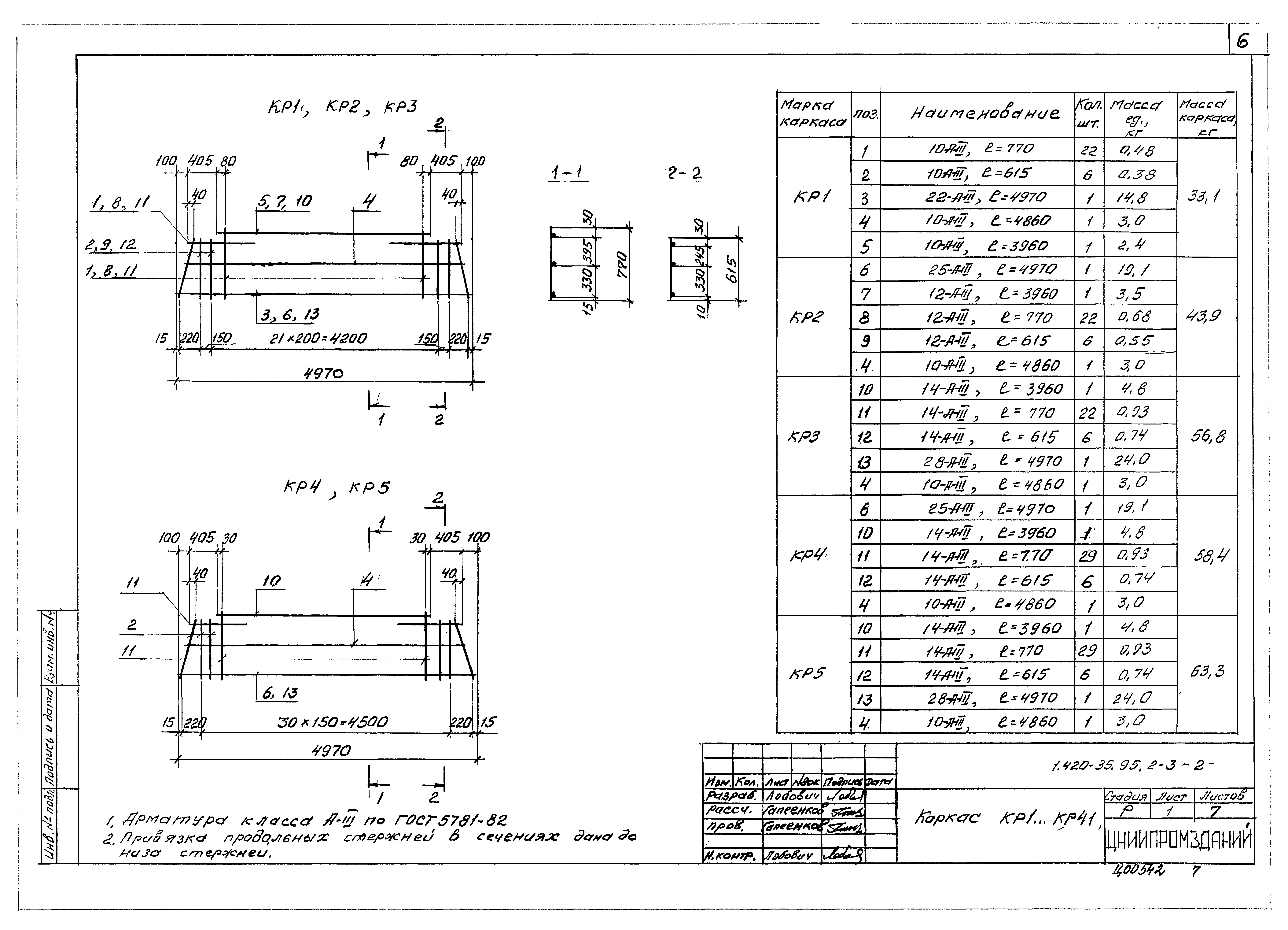
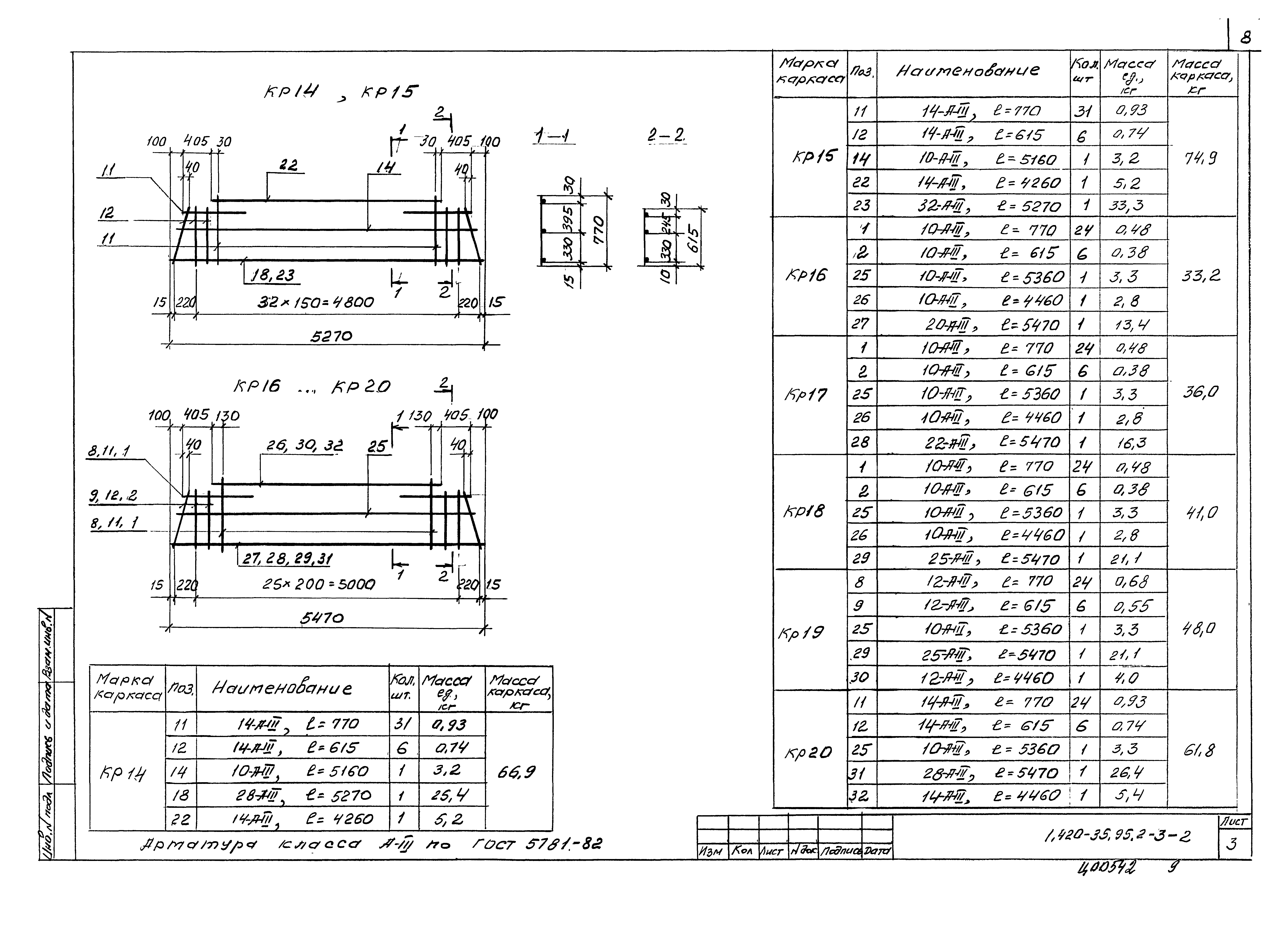
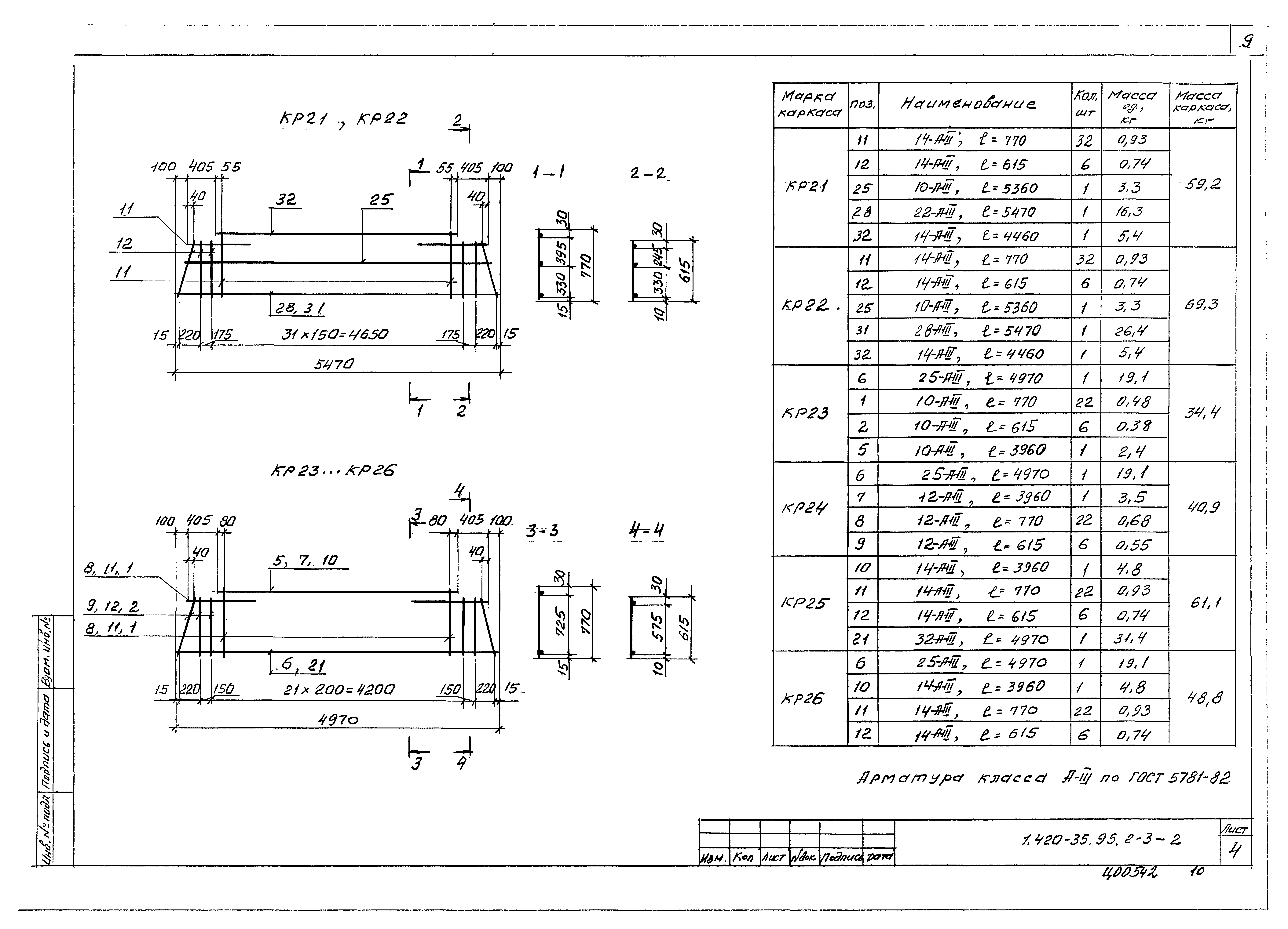
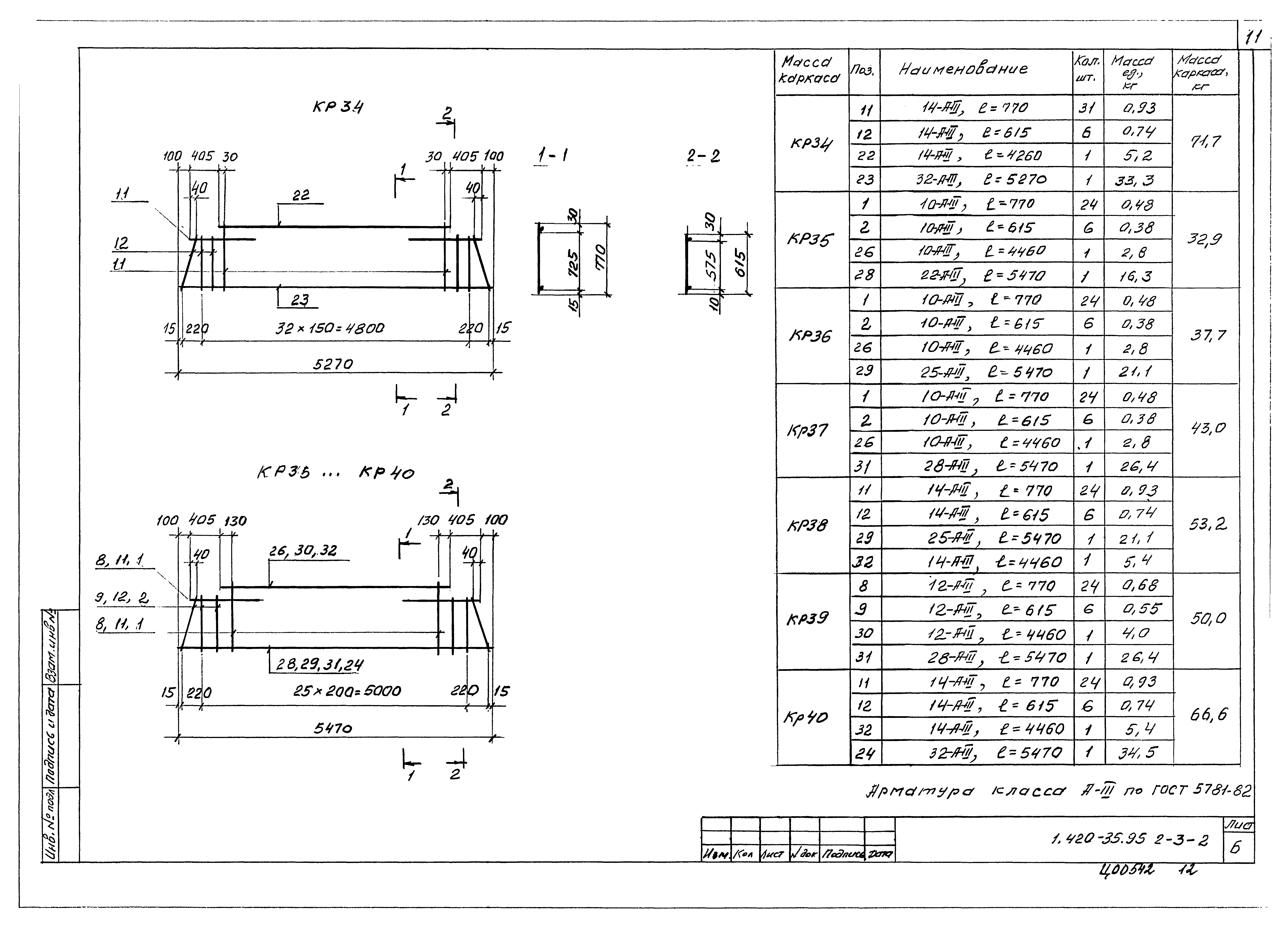
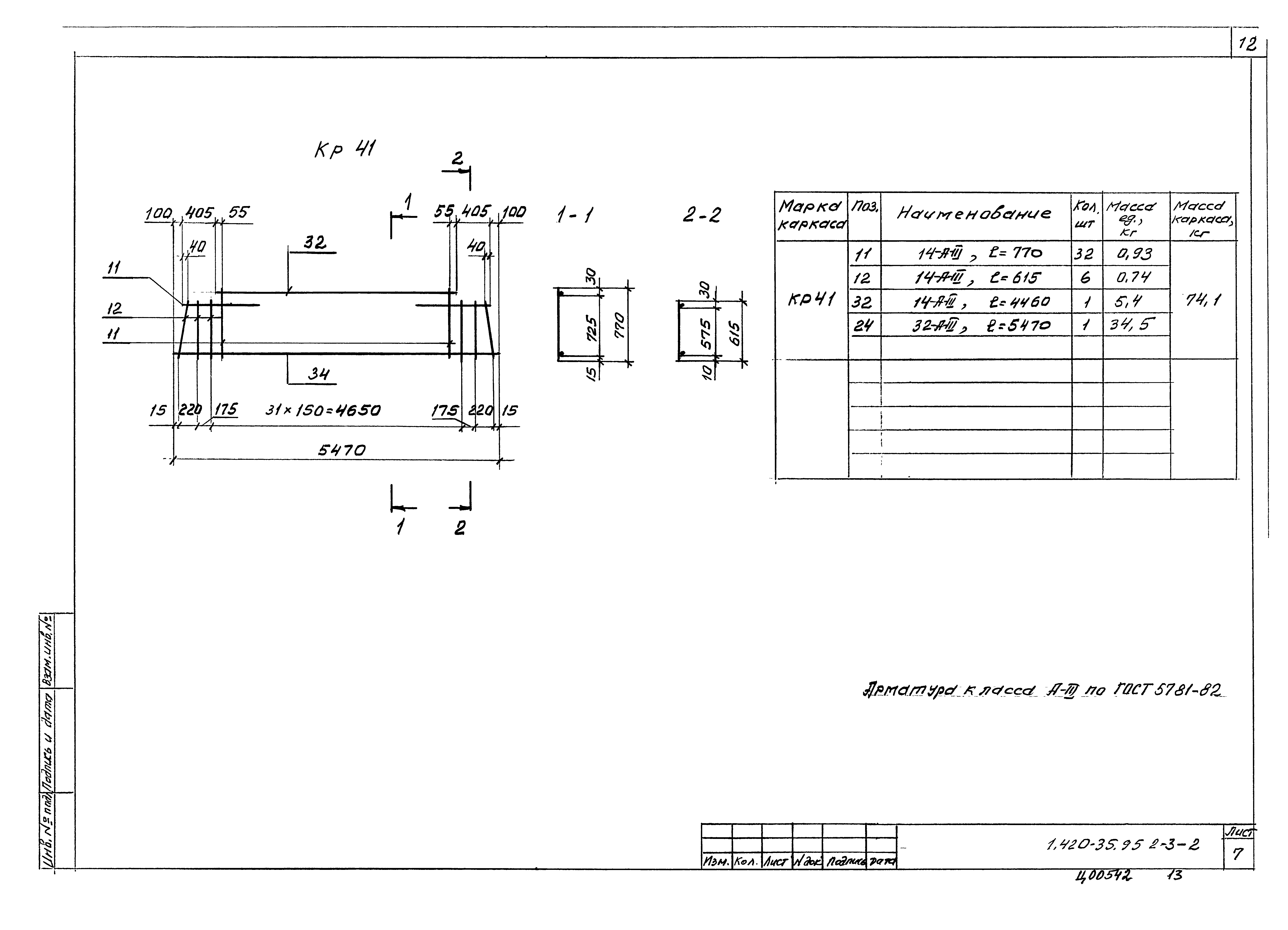
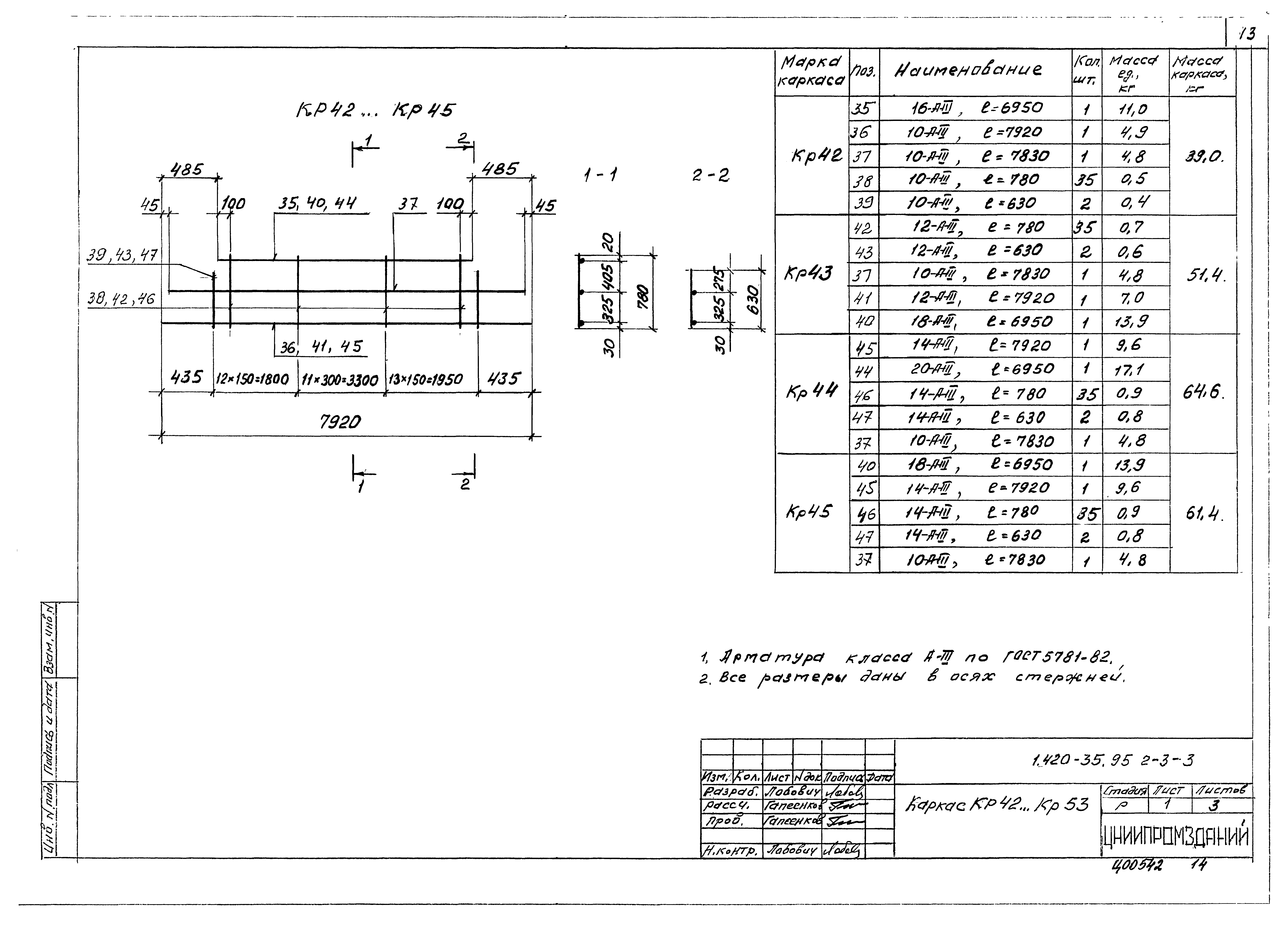
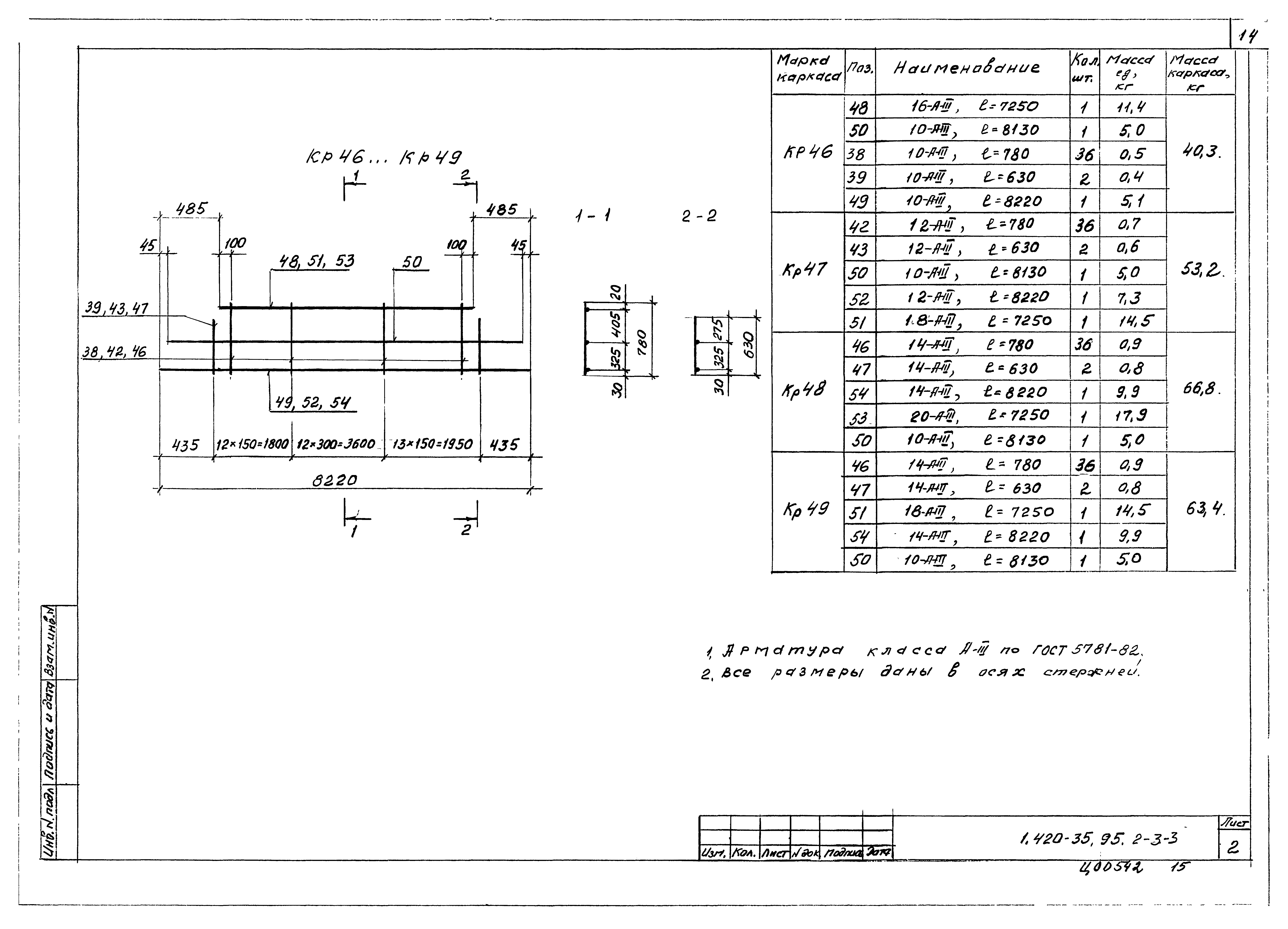
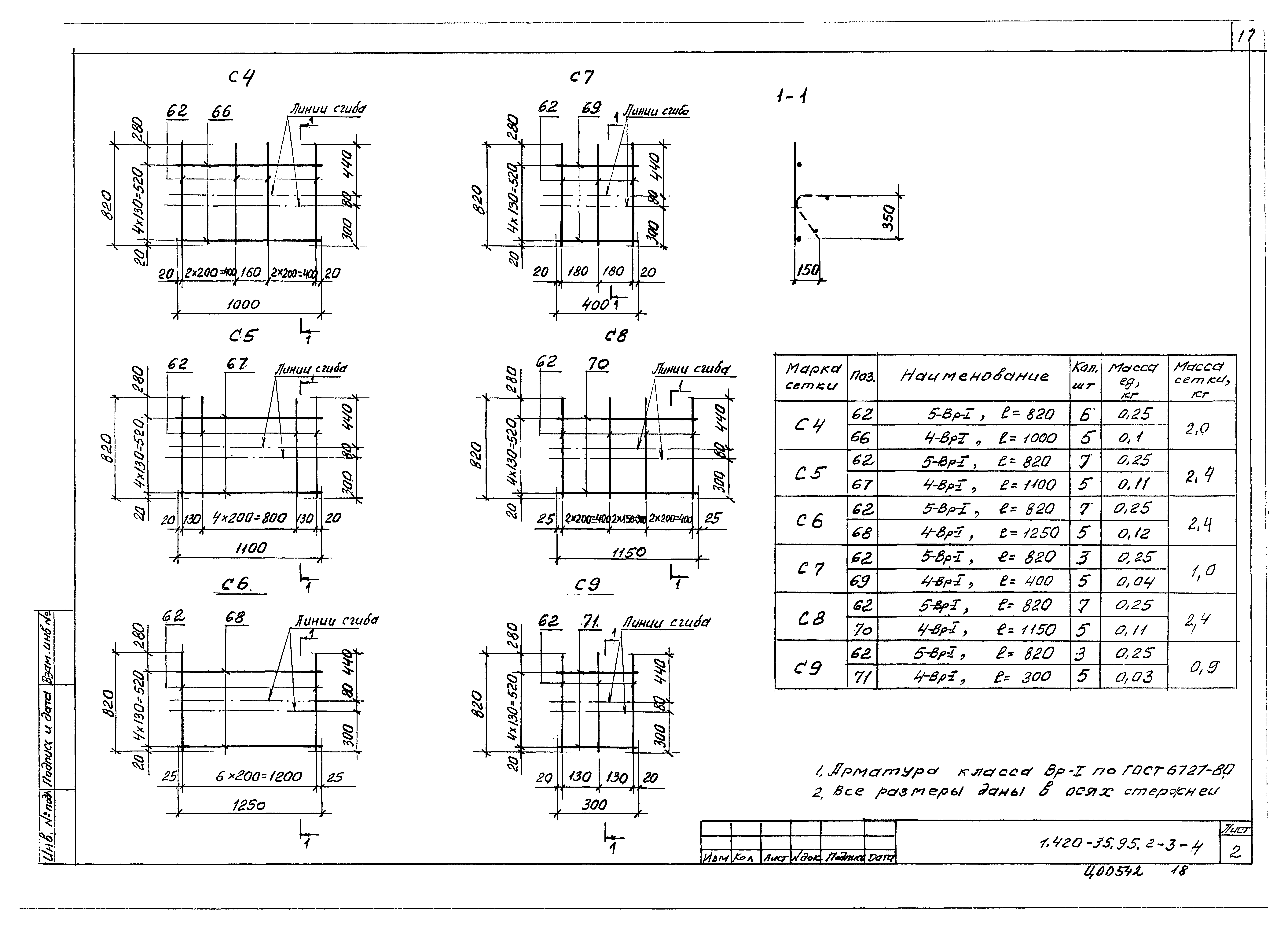
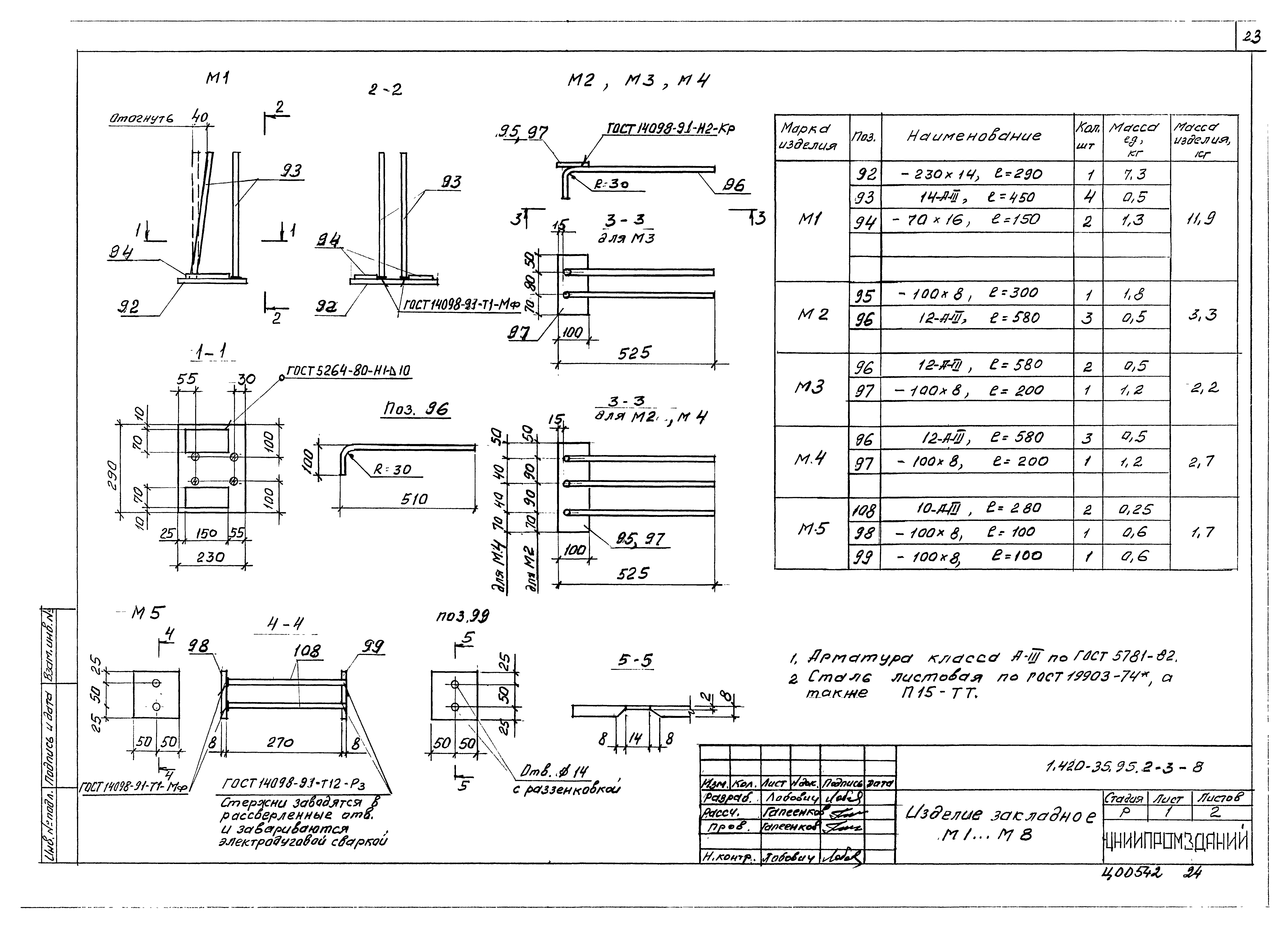
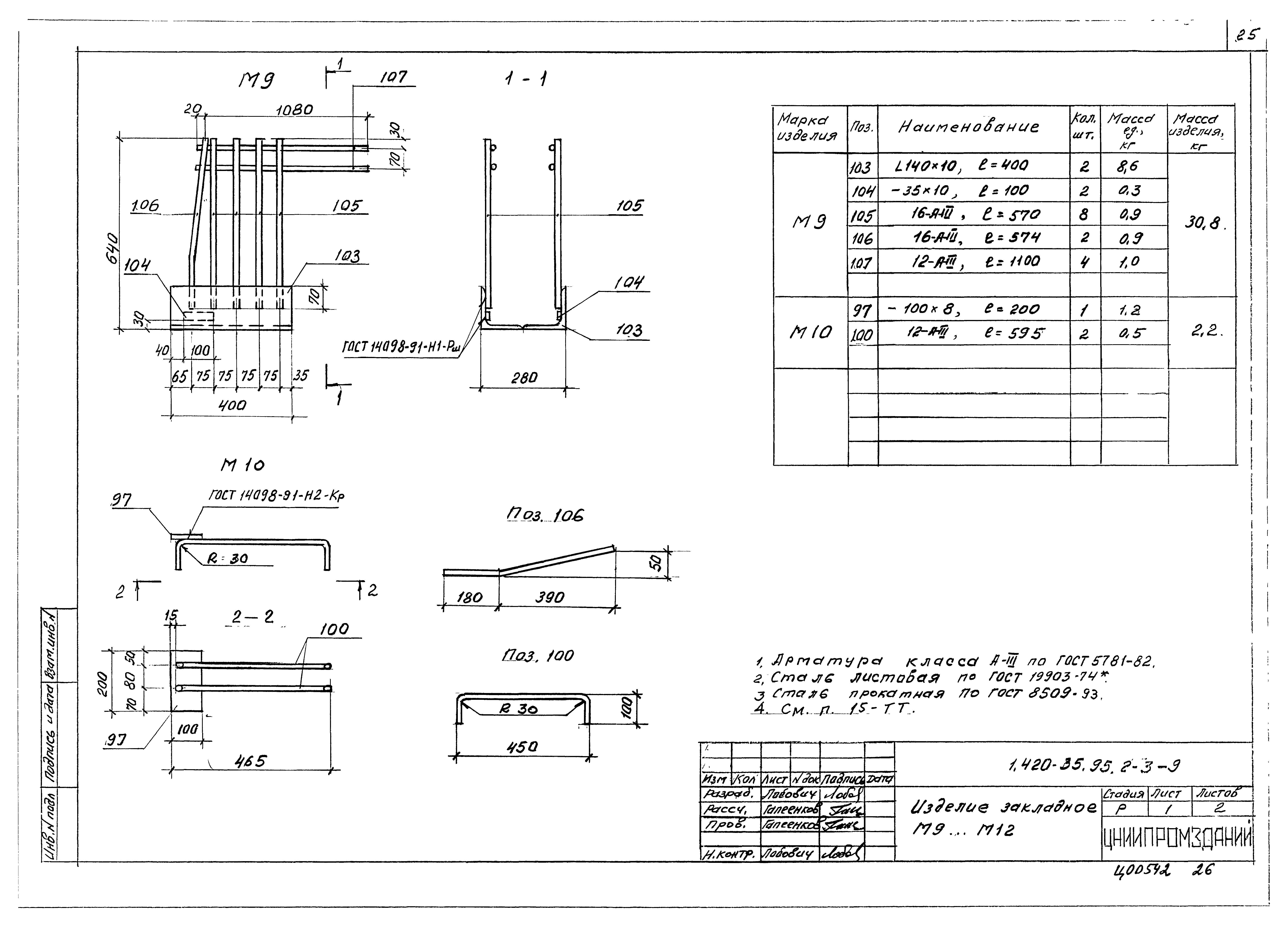
| Оглавление: | 1.420-35.95.2-3-1ТТ Технические требования 1.420-35.95.2-3-2 Каркас КР1…КР41 1.420-35.95.2-3-3 Каркас КР2…КР53 1.420-35.95.2-3-4 Сетка С1…С9, С1а…С3а. Скоба, отдельный стержень 1.420-35.95.2-3-5 Сетка С10…С19, С11а, С12а, С14а, С16а, С17а 1.420-35.95.2-3-6 Составная позиция СП1…СП8 1.420-35.95.2-3-7 Стержень напрягаемый 1.420-35.95.2-3-8 Изделие закладное М1…М8 1.420-35.95.2-3-9 Изделие закладное М9…М12 |
| Разработан: | АО ЦНИИпромзданий |
| Утверждён: | 09.12.1997 Департамент развития научно-технической политики и проектно-изыскательских работ Госстроя России (Department of Technical Research Policy and Design and Survey Operations, Russian Federation Gosstroy 9-1-1/160) |
| Заменяет собой: |


























