Скачать Типовые проектные решения 902-09-22.84 Альбом VIII.88. Дополнительные мероприятия для строительства в сейсмических районах (7-9 баллов)Дата актуализации: 01.01.2021
|
| Обозначение: | Типовые проектные решения 902-09-22.84 |
| Обозначение англ: | 902-09-22.84 |
| Статус: | справочные материалы, мп, тпр |
| Название рус.: | Альбом VIII.88. Дополнительные мероприятия для строительства в сейсмических районах (7-9 баллов) |
| Дата добавления в базу: | 01.09.2013 |
| Дата актуализации: | 01.01.2021 |
| Дата введения: | 25.02.1988 |
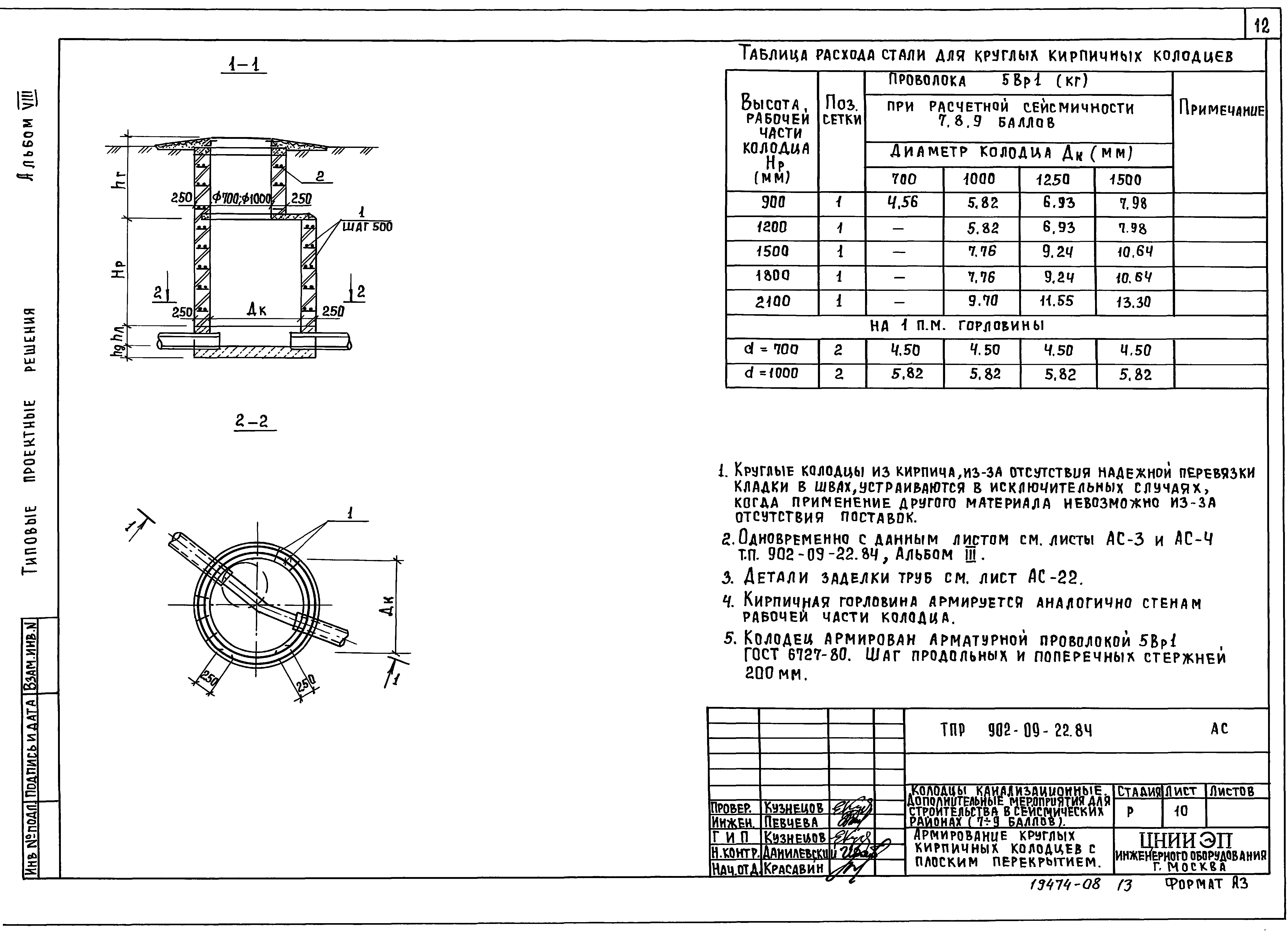
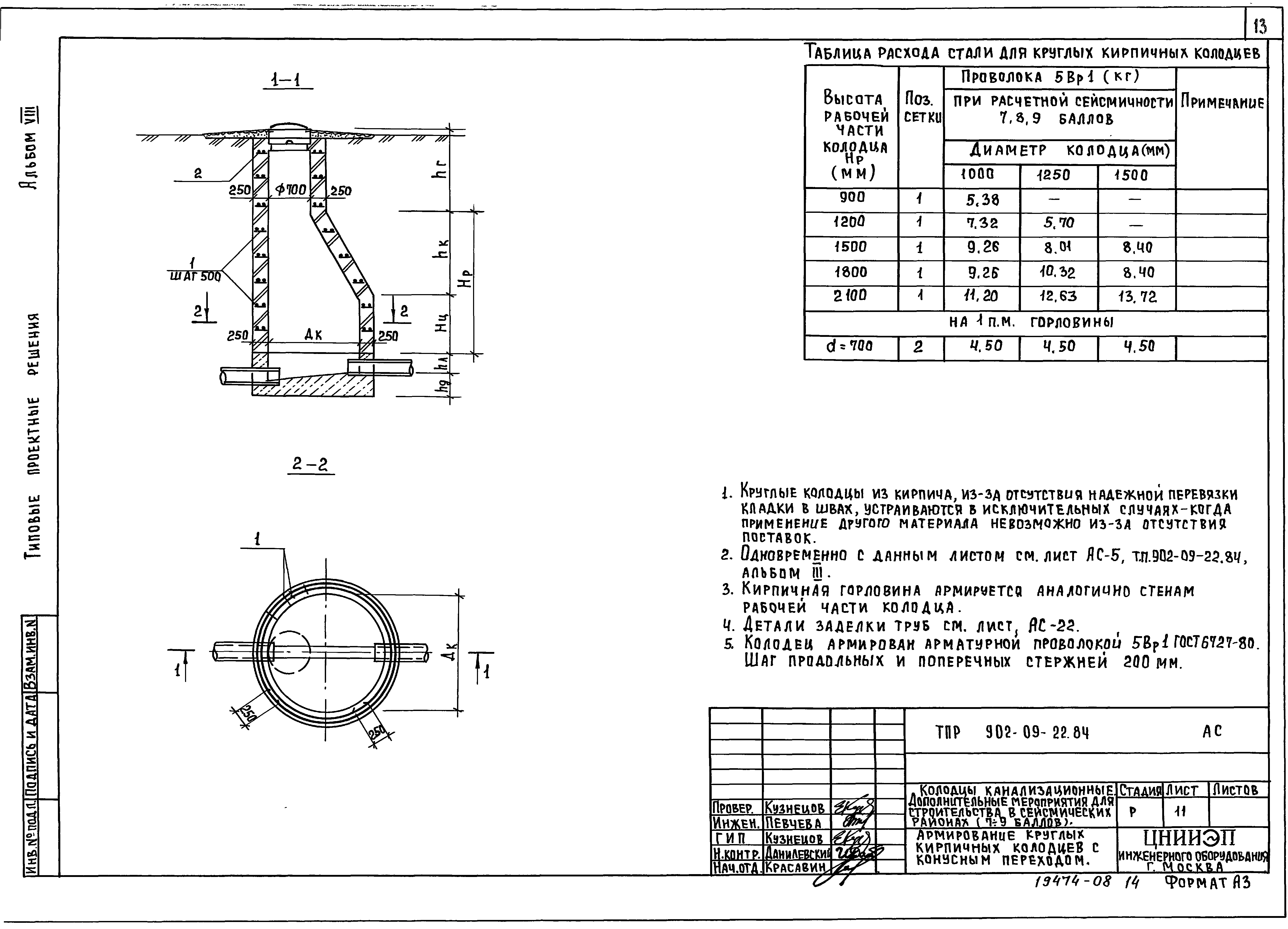
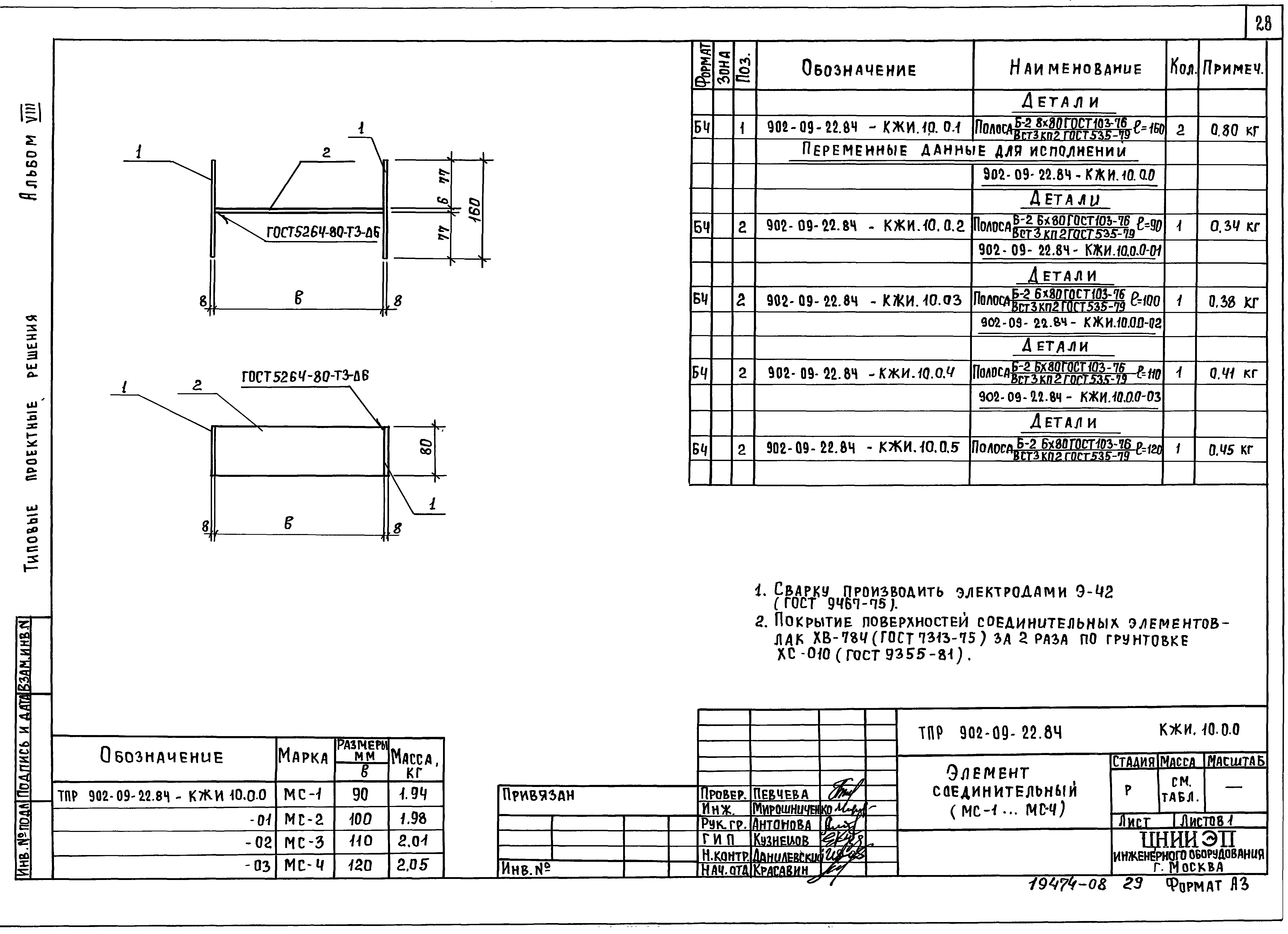
| Оглавление: | Содержание альбома Строительная часть АС-1 Общие данные АС-2 Пояснительная записка (начало) АС-3 Пояснительная записка (продолжение) АС-4 Пояснительная записка (окончание) АС-5 Схема расположения соединительных элементов для круглых колодцев из сборного железобетона АС-6 Таблица расхода стали на соединительные элементы для круглых колодцев из сборного железобетона (начало) АС-7 Таблица расхода стали на соединительные элементы для круглых колодцев из сборного железобетона (продолжение) АС-8 Таблица расхода стали на соединительные элементы для круглых колодцев из сборного железобетона (окончание) АС-9 Армирование круглых бетонных колодцев АС-10 Армирование круглых кирпичных колодцев с плоским перекрытием АС-11 Армирование круглых кирпичных колодцев с конусным переходом АС-12 Армирование прямоугольных колодцев из бетона АС-13 Таблица расхода стали для прямоугольных колодцев из бетона (начало) АС-14 Таблица расхода стали для прямоугольных колодцев из бетона (продолжение) АС-15 Таблица расхода стали для прямоугольных колодцев из бетона (окончание) АС-16 Таблица расхода стали на соединительные элементы для перепадных круглых колодцев из сборного железобетона (начало) АС-17 Таблица расхода стали на соединительные элементы для перепадных круглых колодцев из сборного железобетона (продолжение) АС-18 Таблица расхода стали на соединительные элементы для перепадных круглых колодцев из сборного железобетона (продолжение) АС-19 Таблица расхода стали на соединительные элементы для перепадных круглых колодцев из сборного железобетона (продолжение) АС-20 Таблица расхода стали на соединительные элементы для перепадных круглых колодцев из сборного железобетона (окончание) АС-21 Армирование перепадных круглых бетонных колодцев АС-22 Детали заделки труб Сметная часть СМ-1 Свободная таблица расхода стали. Таблица 1. Таблица 2. Таблица 3 СМ-2 Сводная таблица расхода стали. Таблица 4 СМ-3 Сводная таблица расхода стали. Таблица 5. Таблица 6. Таблица 7 Строительные изделия КЖИ.10.00 Элемент соединительный (МС-1…МС-4) КЖИ.11.00 Элемент соединительный (МС-5…МС-8) |
| Разработан: | ЦНИИЭП инженерного оборудования Госгражданстроя |
| Утверждён: | 25.02.1988 Госкомархитектура (54) |
| Издан: | ЦИТП Госстроя СССР (CITP, Gosstroy (USSR) 1988 г. ) |
| Заменяет собой: |





























