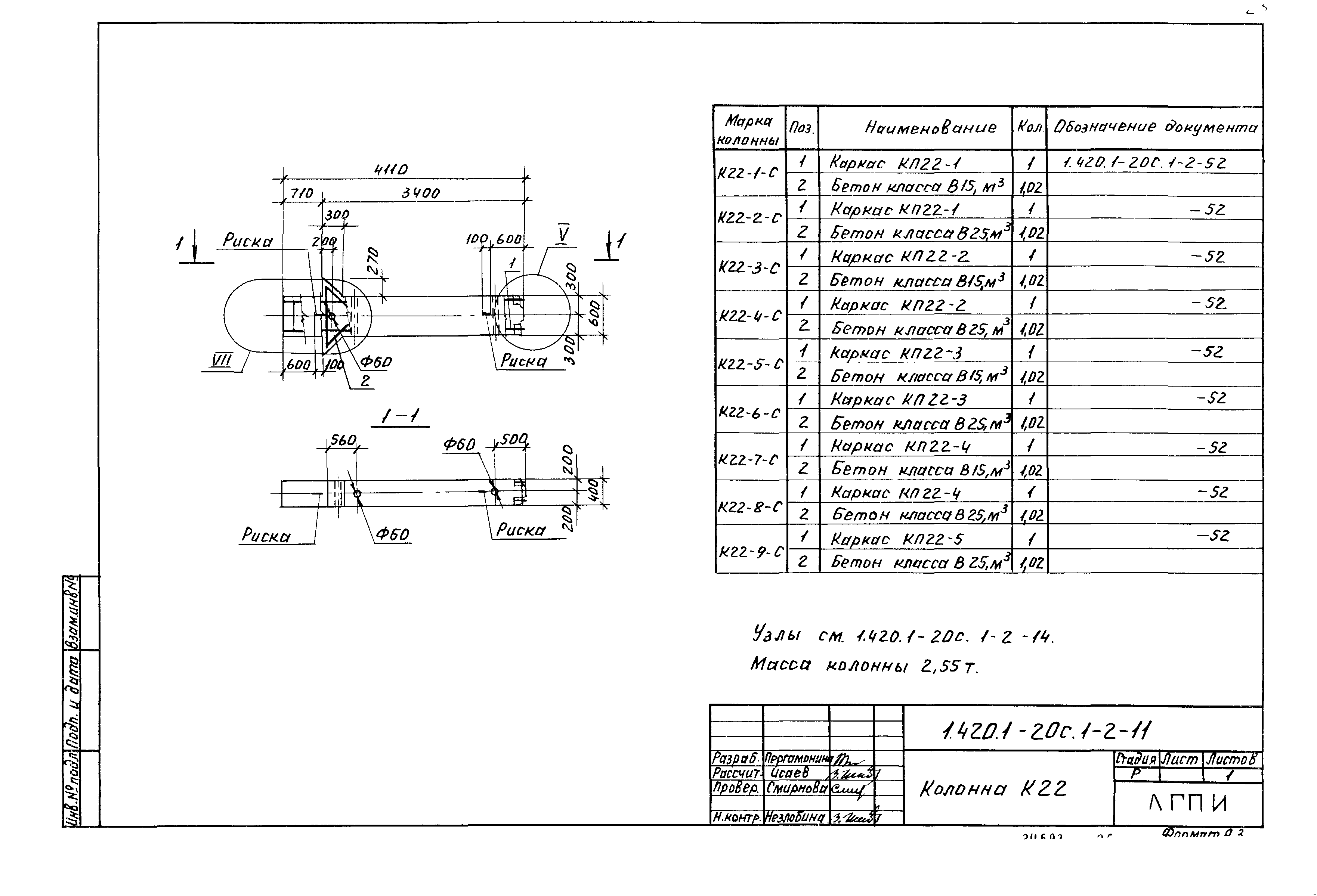
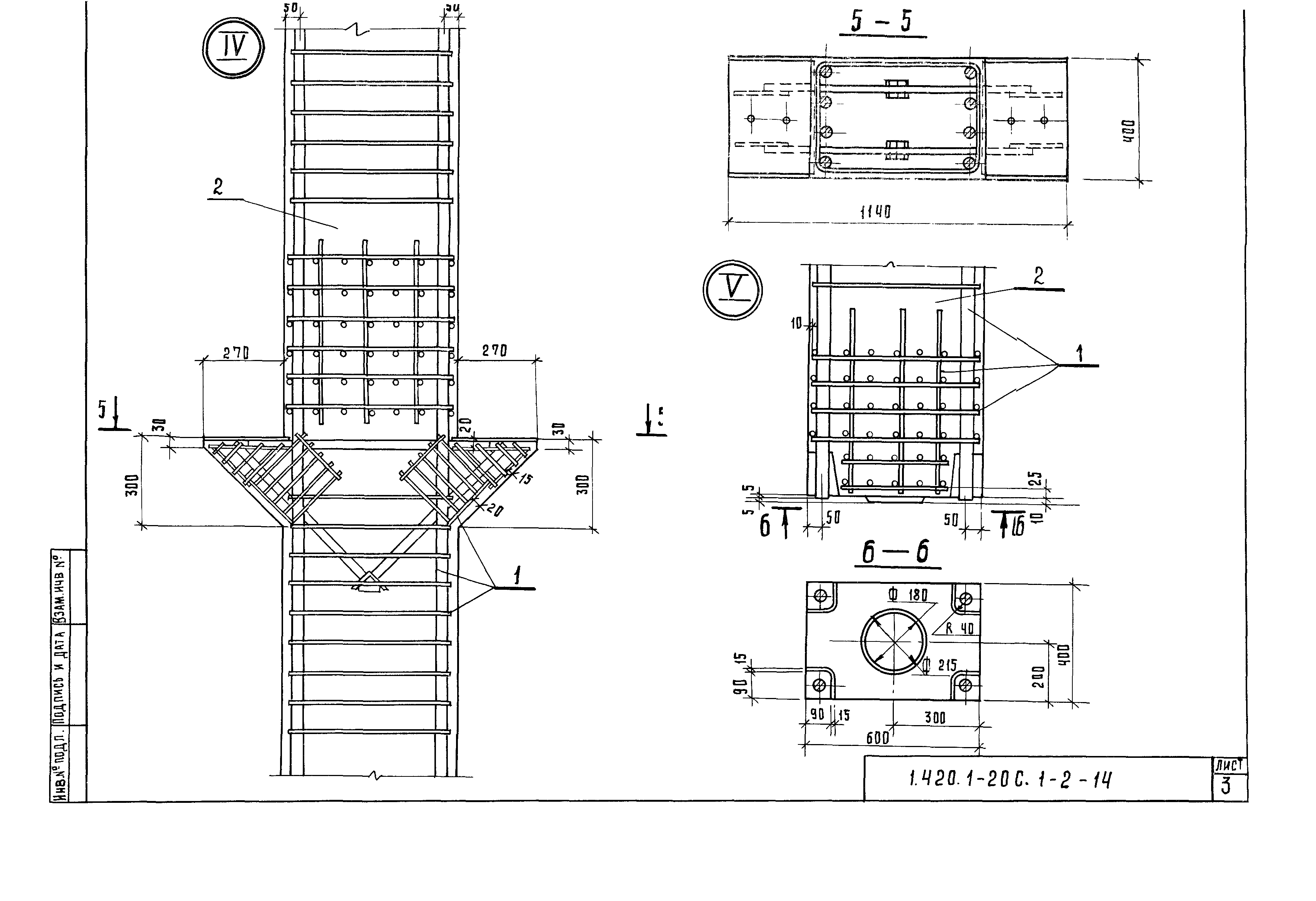
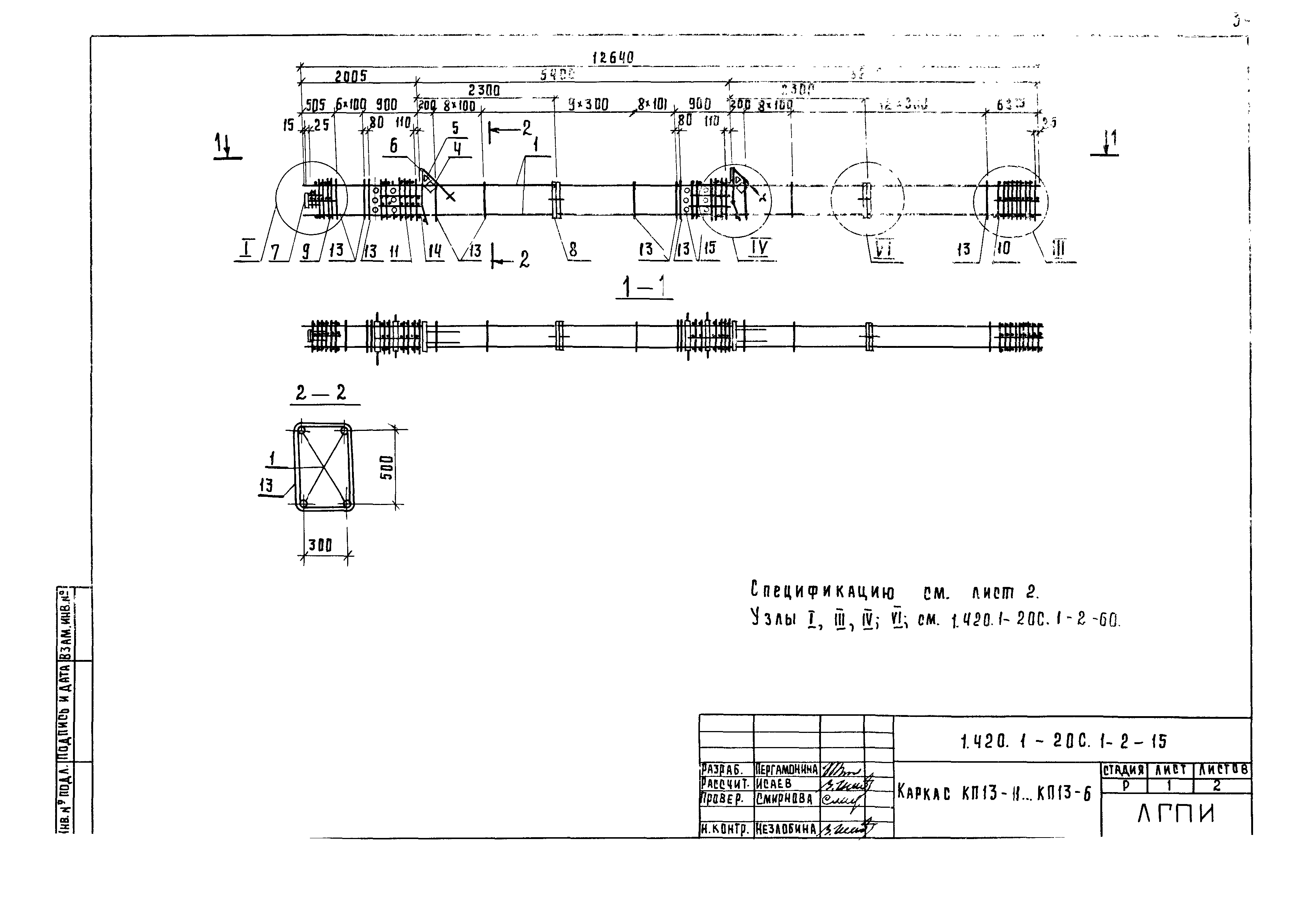
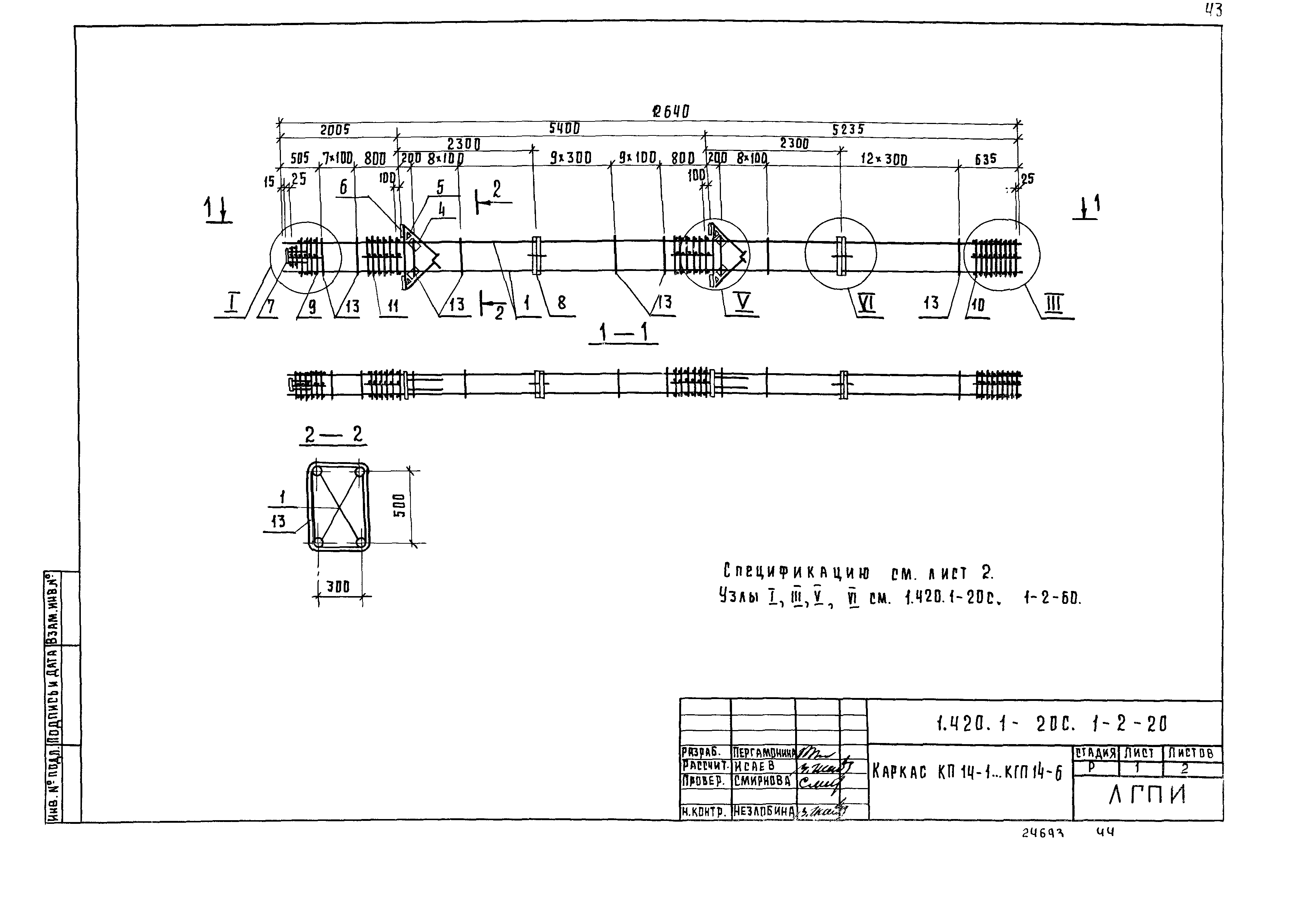
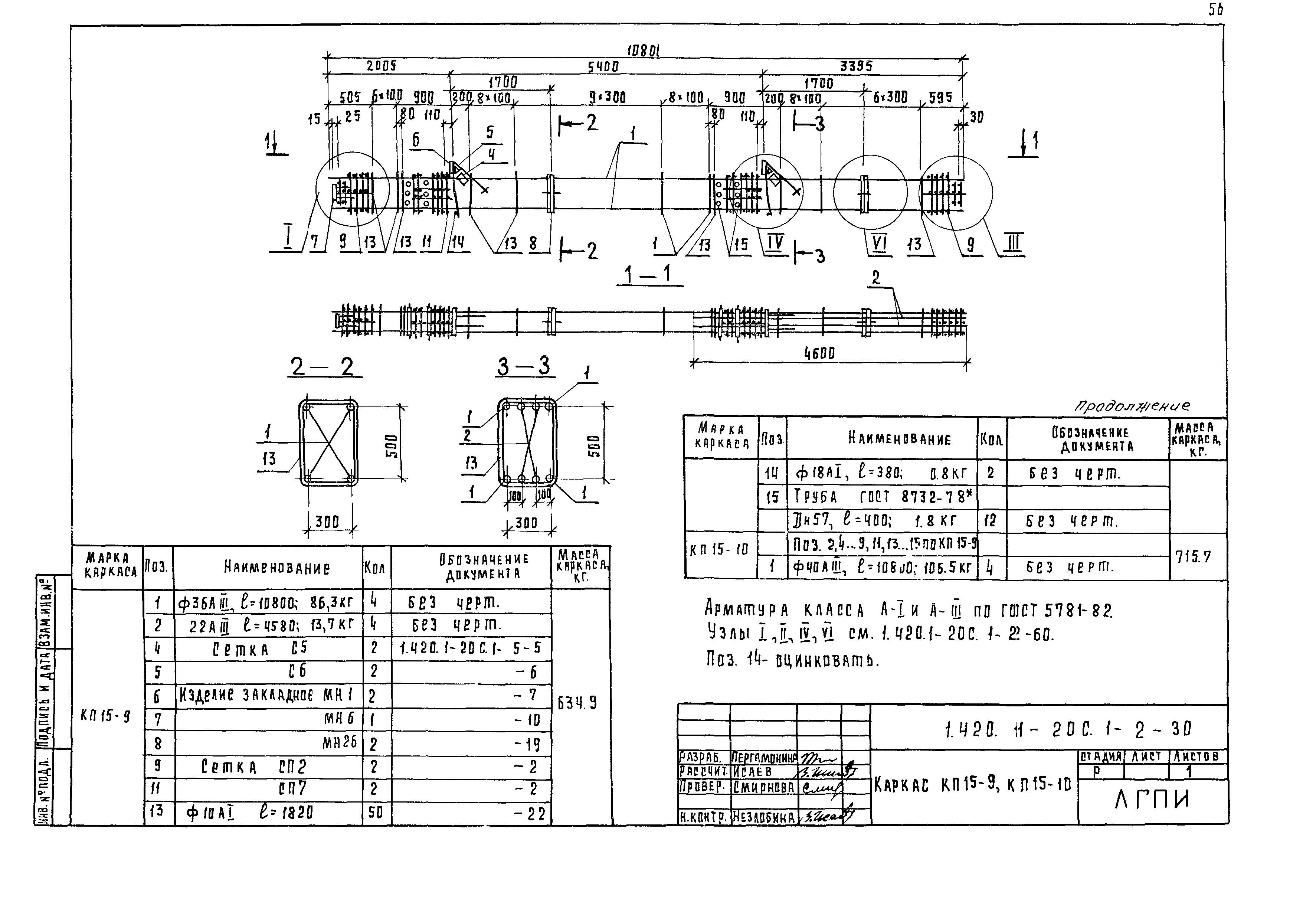
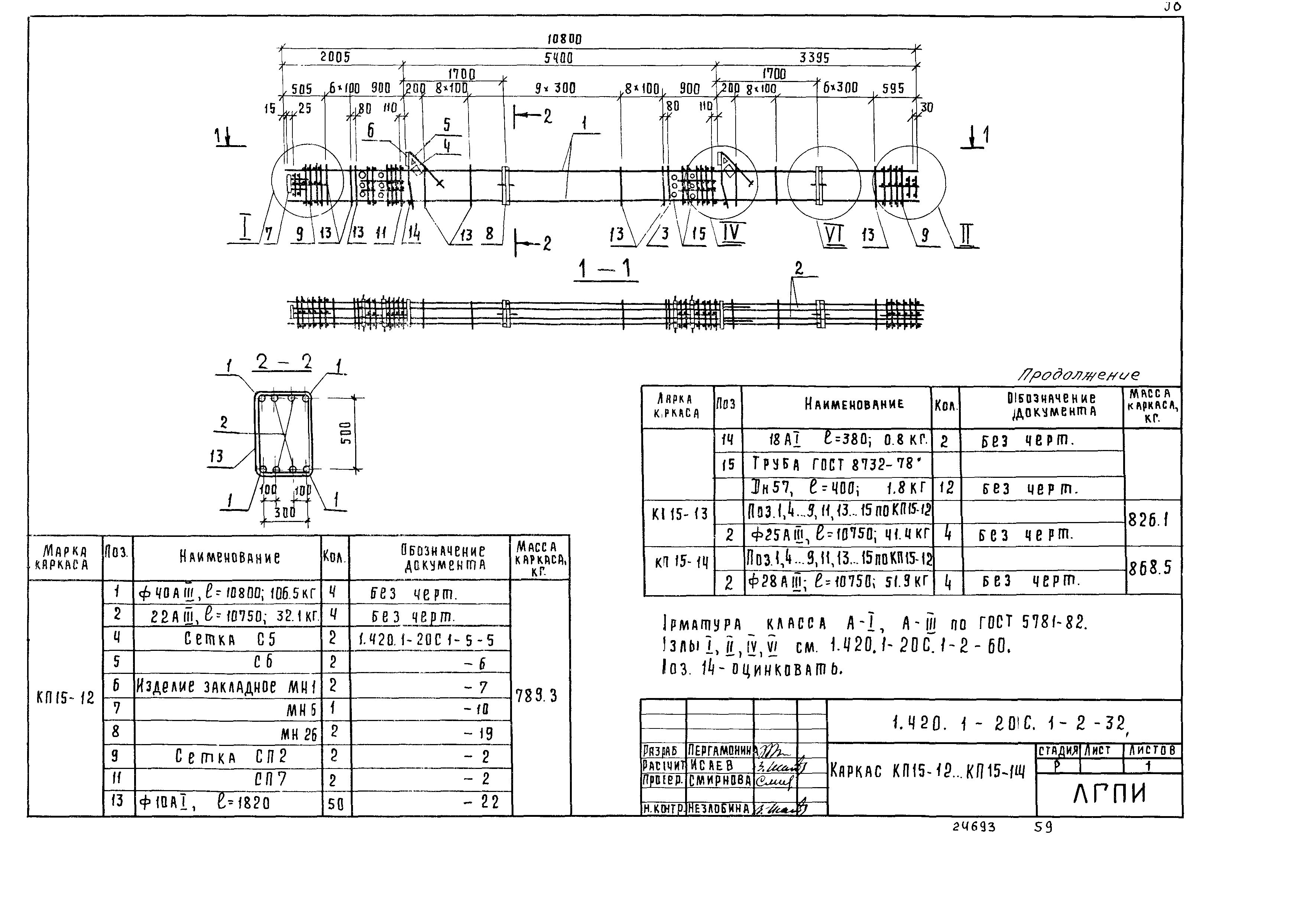
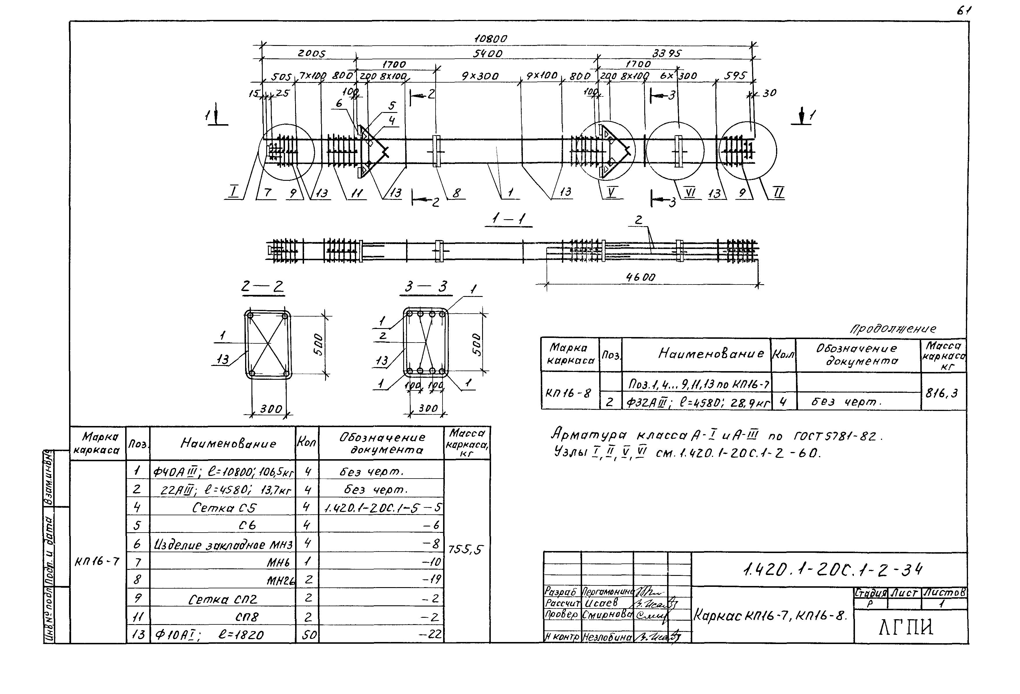
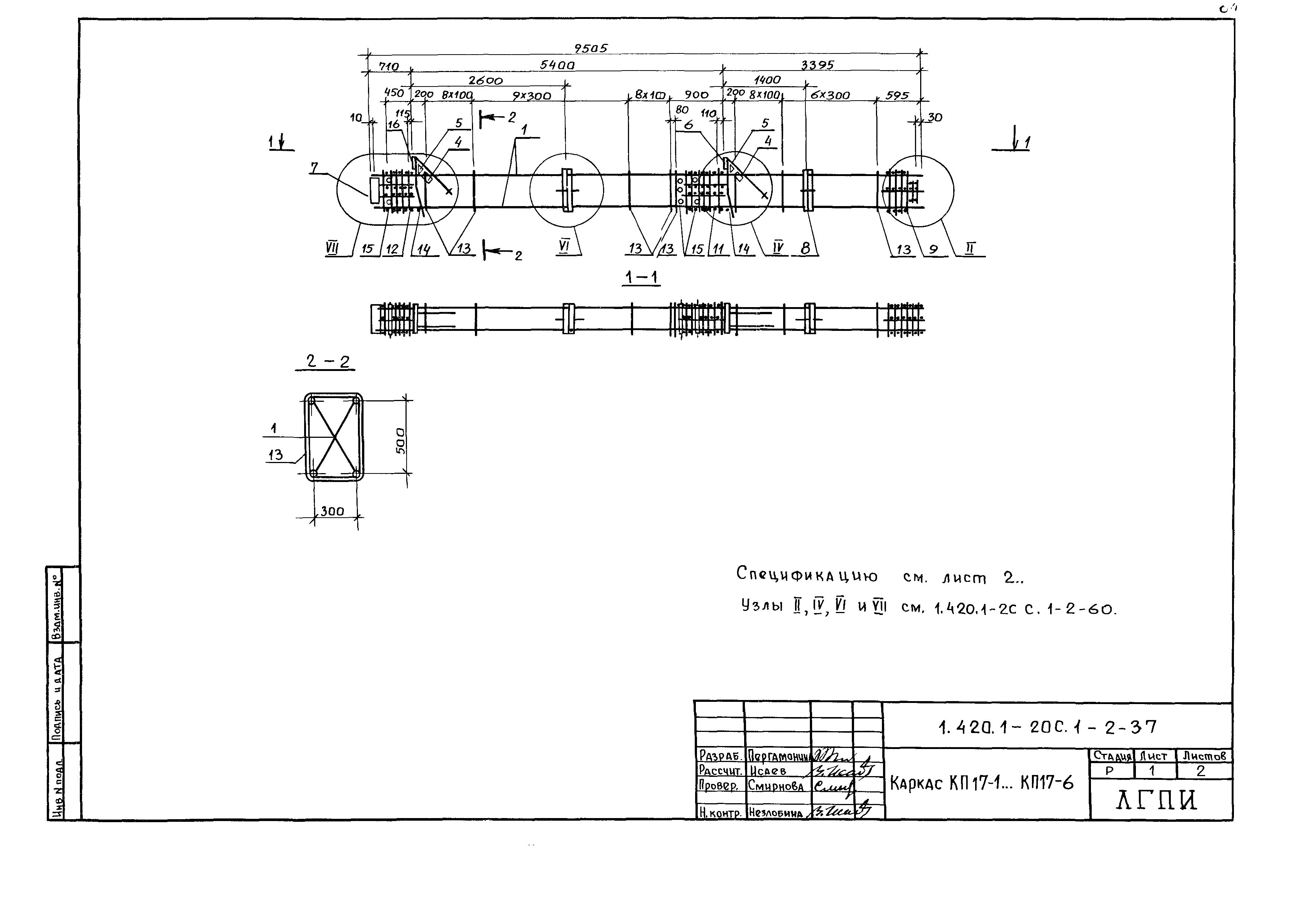
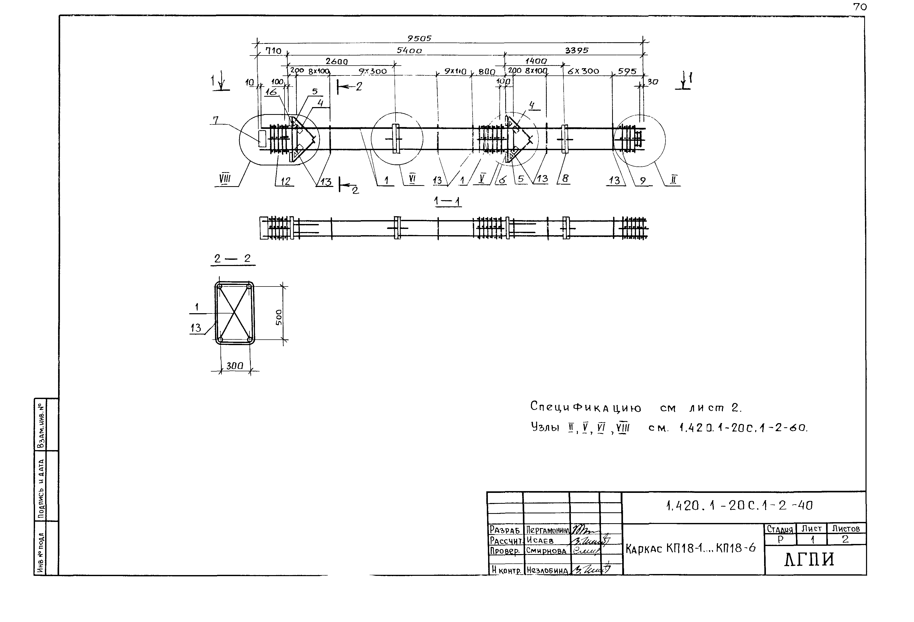
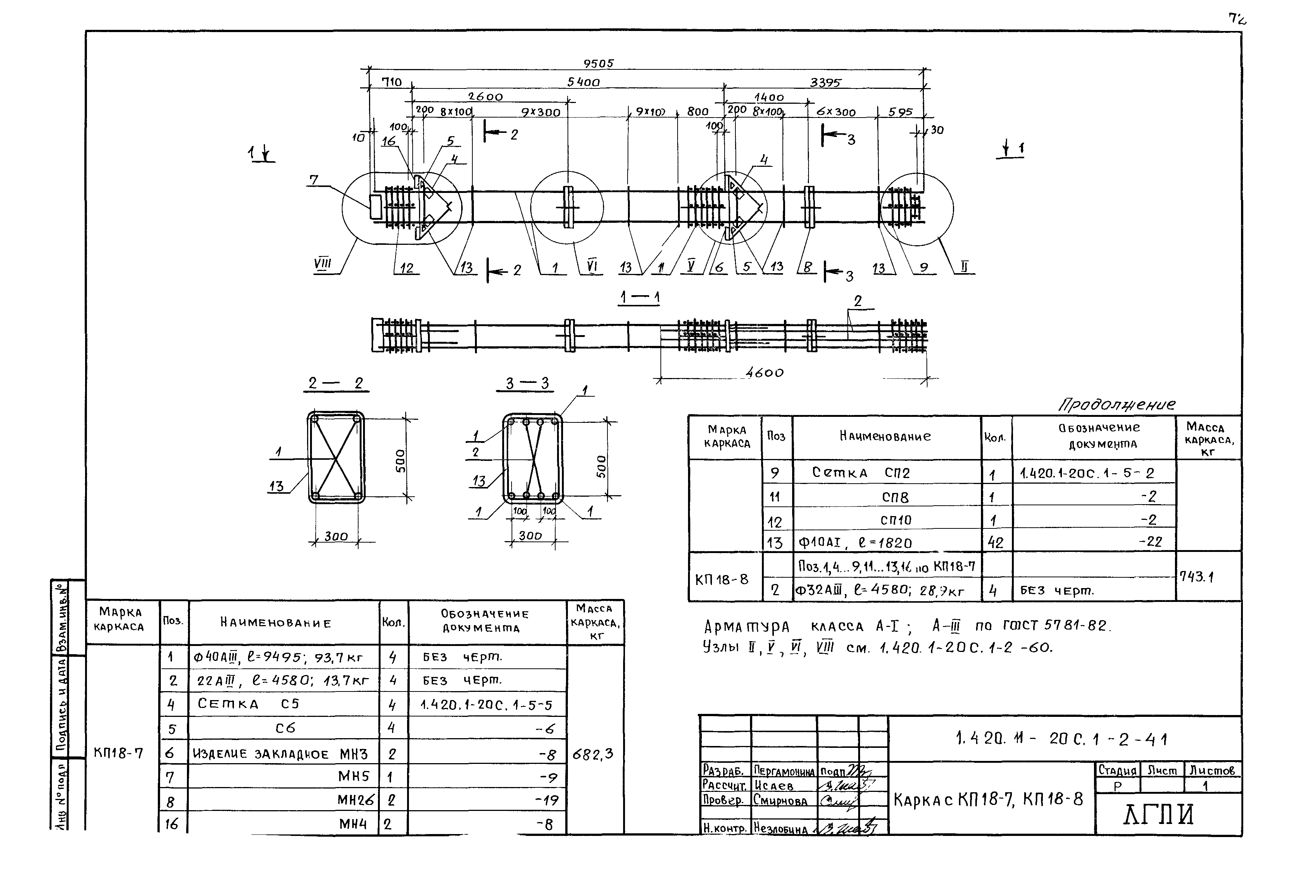
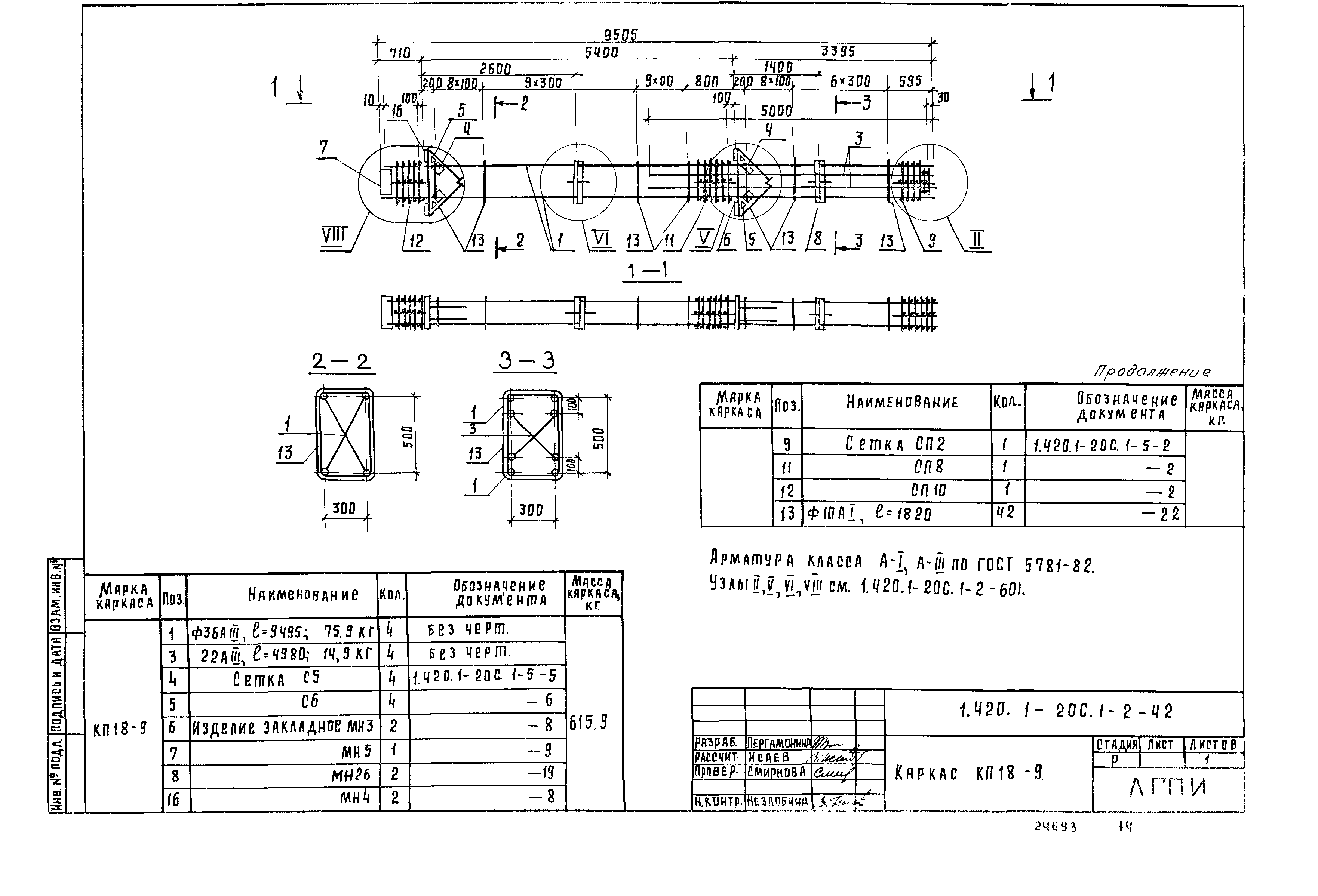
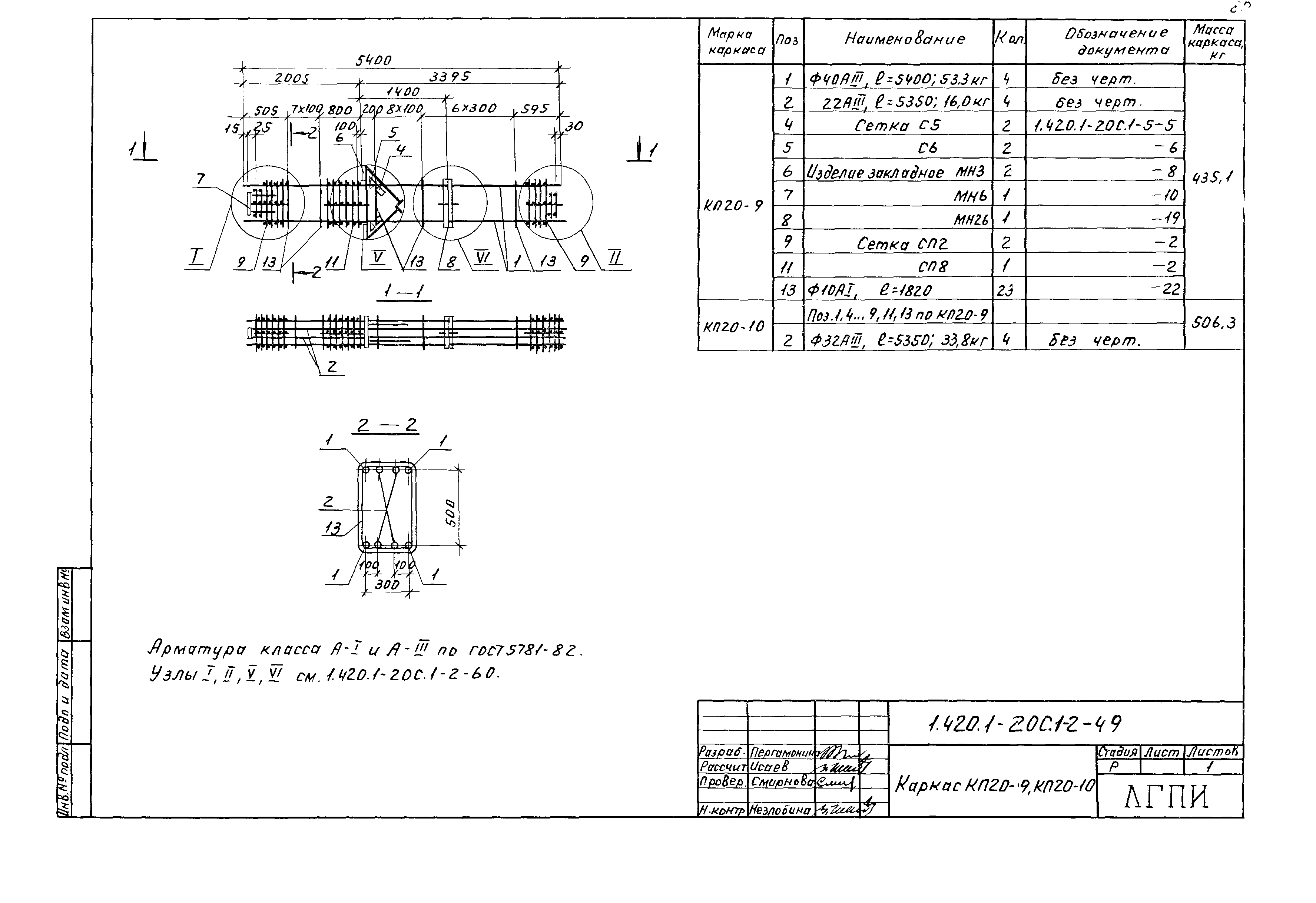
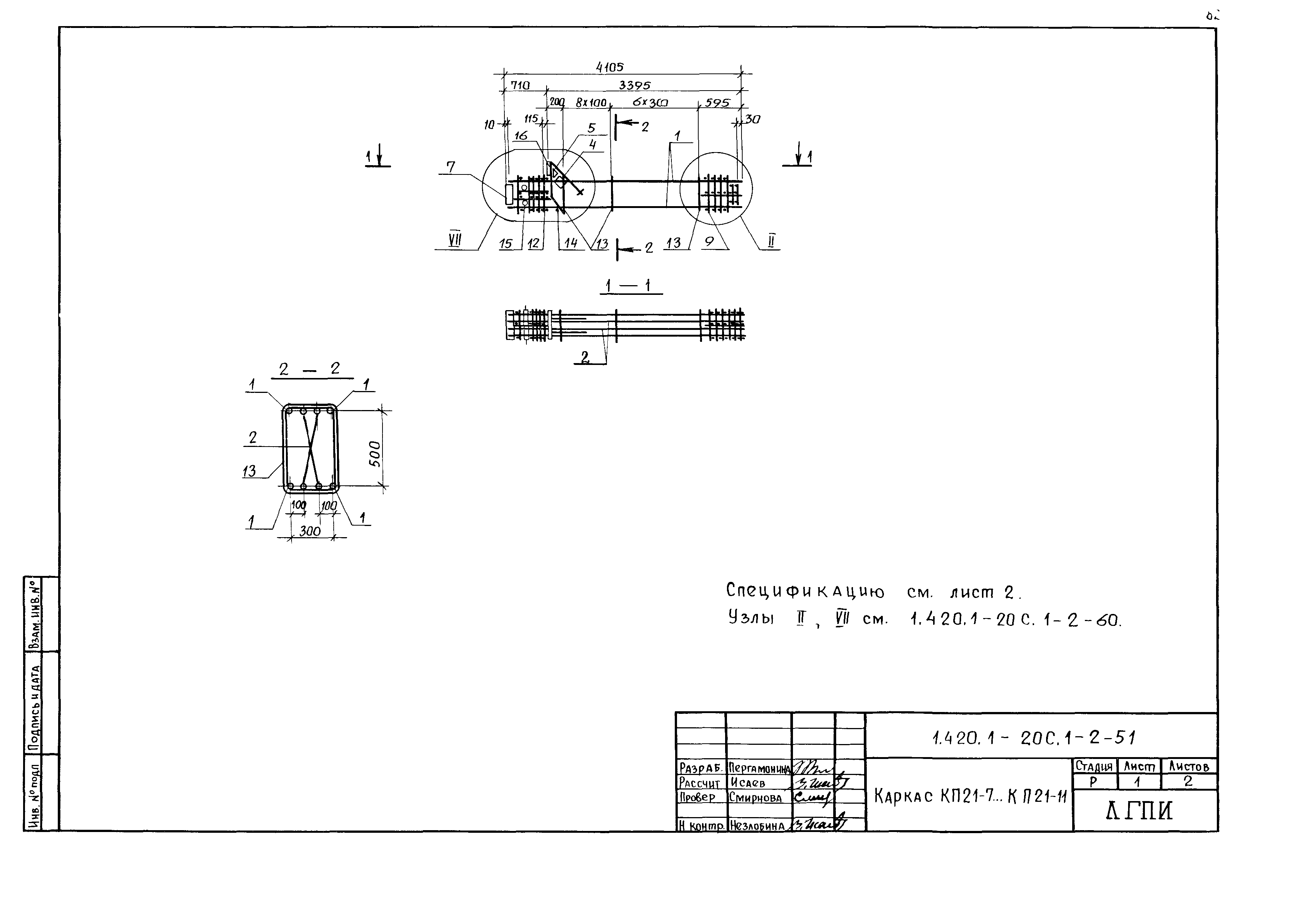
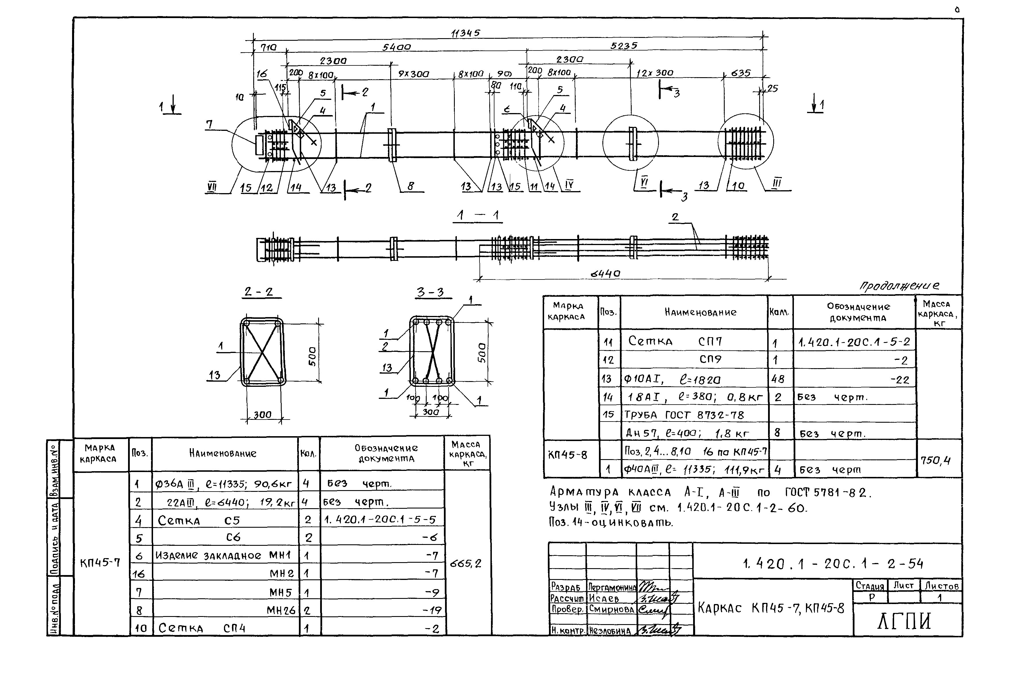
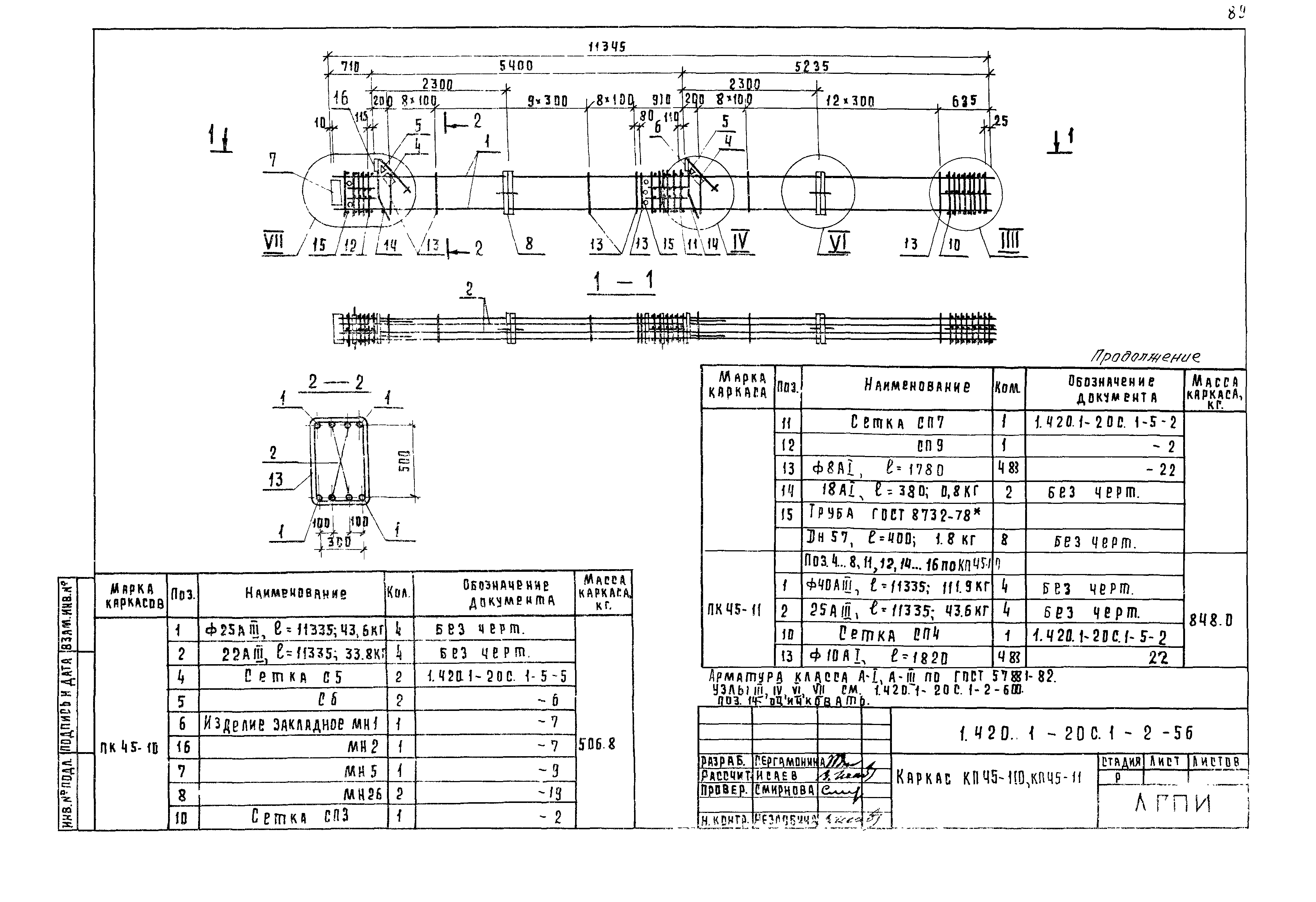
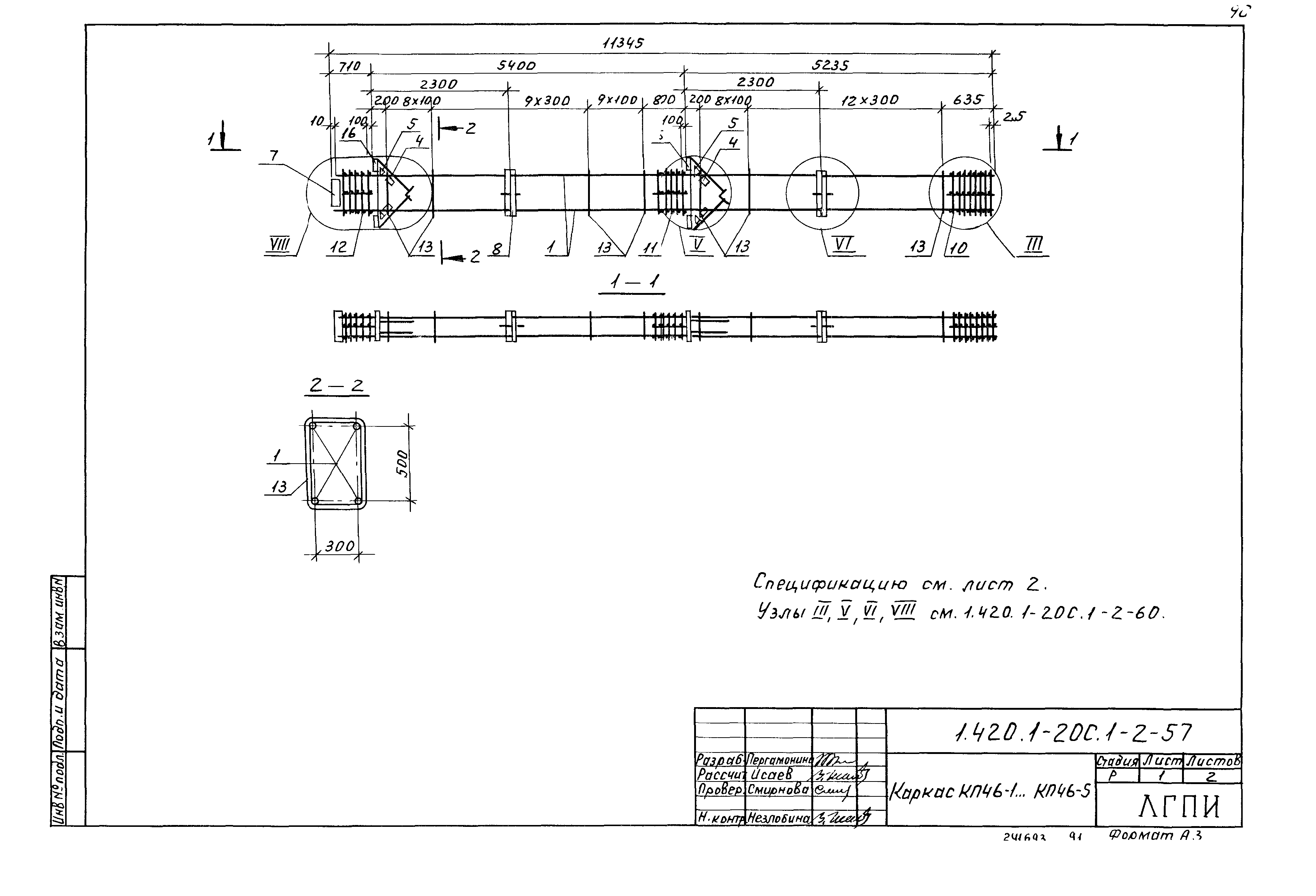
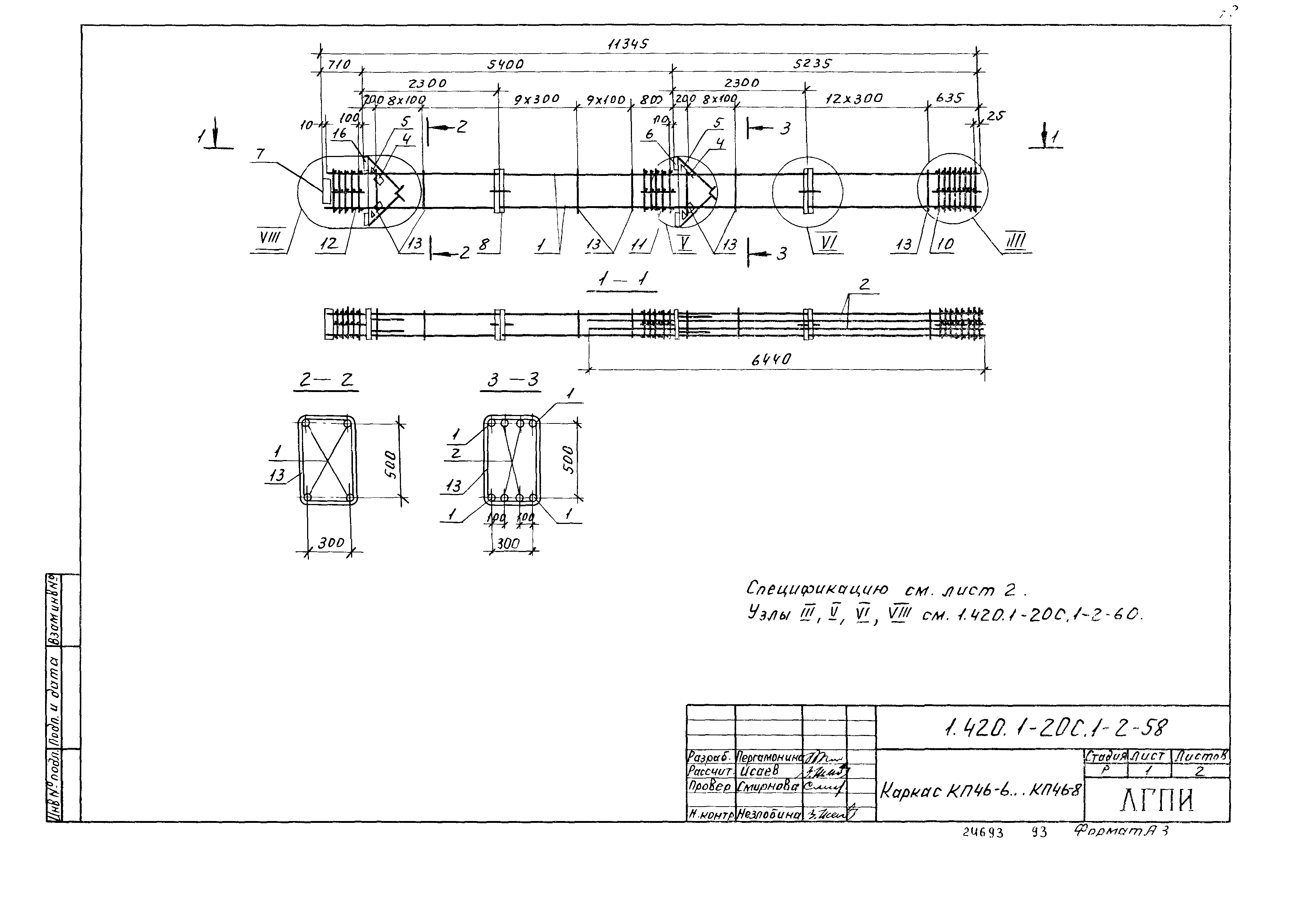
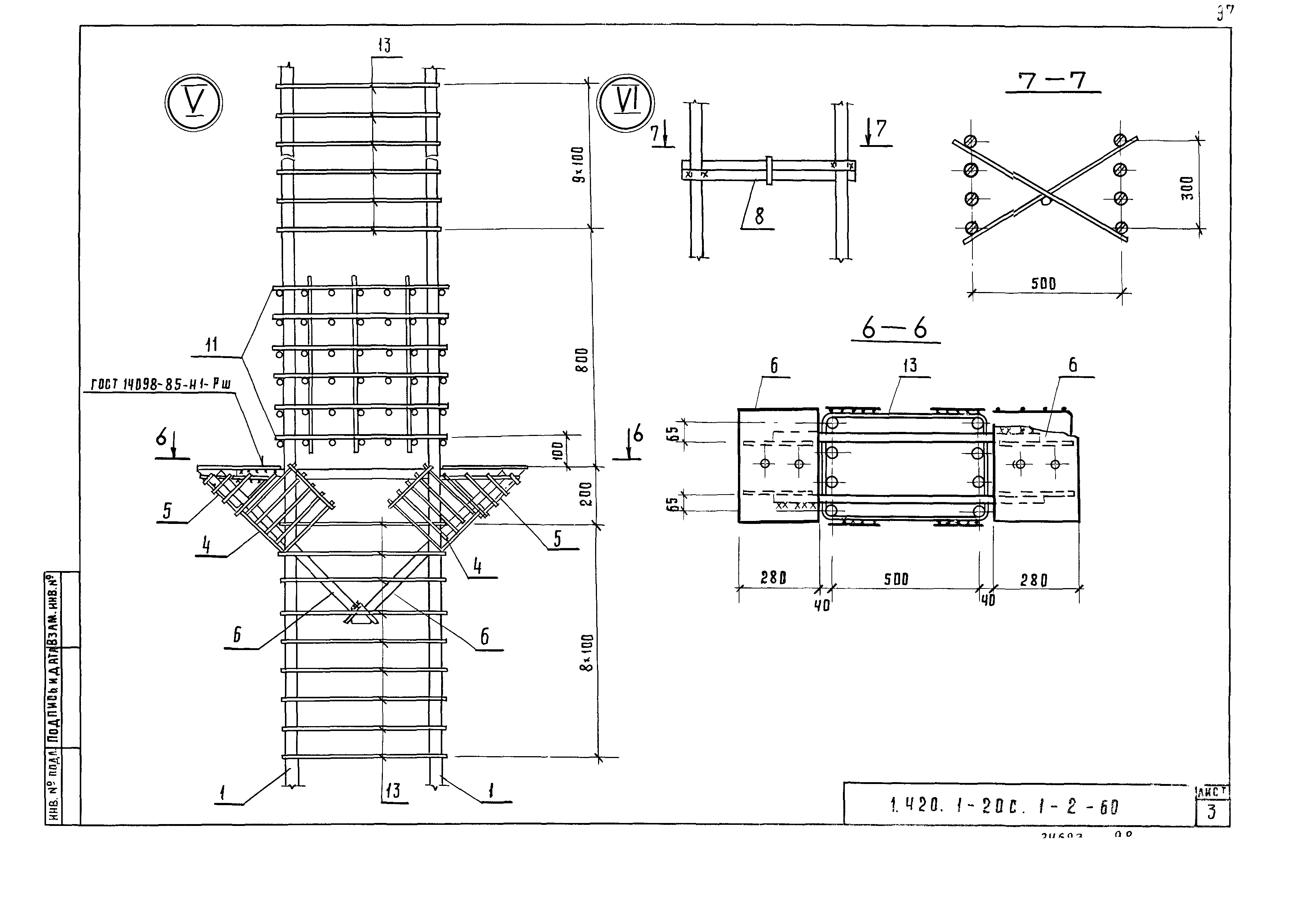
Скачать Серия 1.420.1-20с Выпуск 1-2. Колонны высотой 5,4 м. Армирование и пространственные каркасы. Рабочие чертежиДата актуализации: 01.01.2021
|
| Обозначение: | Серия 1.420.1-20с |
| Обозначение англ: | Series 1.420.1-20с |
| Статус: | не определен законодательством |
| Название рус.: | Выпуск 1-2. Колонны высотой 5,4 м. Армирование и пространственные каркасы. Рабочие чертежи |
| Дата добавления в базу: | 01.09.2013 |
| Дата актуализации: | 01.01.2021 |
| Дата введения: | 01.03.1991 |
| Дата окончания срока действия: | 30.06.2003 |
| Разработан: | НИИЖБ АО ЦНИИпромзданий ЛГПИ |
| Утверждён: | 19.09.1990 Госстрой СССР (Государственный комитет Совета Министров СССР по делам строительства) (USSR Gosstroy 5/6-796) |
| Издан: | АПП ЦИТП (1991 г. ) |

























































































































