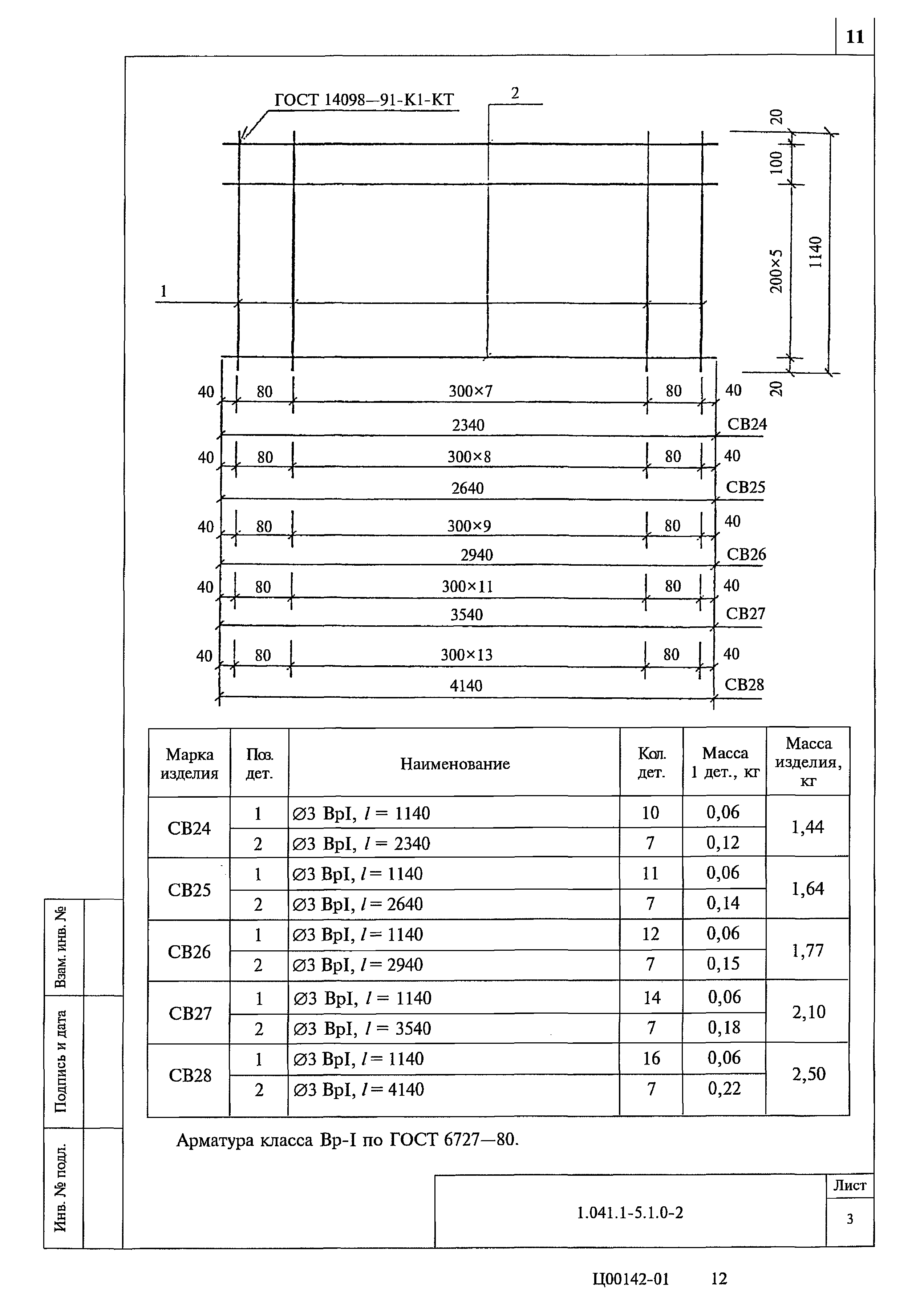
Скачать Серия 1.041.1-5 Выпуск 1.0. Арматурные изделия для рядовых плит длиной 2380...4180 мм без предварительного напряжения. Рабочие чертежиДата актуализации: 01.01.2021
|
| Обозначение: | Серия 1.041.1-5 |
| Обозначение англ: | Series 1.041.1-5 |
| Статус: | не определен законодательством |
| Название рус.: | Выпуск 1.0. Арматурные изделия для рядовых плит длиной 2380...4180 мм без предварительного напряжения. Рабочие чертежи |
| Дата добавления в базу: | 01.09.2013 |
| Дата актуализации: | 01.01.2021 |
| Дата введения: | 01.03.1994 |
| Дата окончания срока действия: | 30.06.2003 |
| Разработан: | ЦНИИпромзданий МГСУ Минвуза РФ НИИЖБ ИОЗ (институт общественных зданий) |
| Утверждён: | 15.12.1993 Главпроект Госстроя России (9-3-2/284) |
| Принят: | ЦНИИЭП жилища (TsNIIEPzhilishcha ) |




















































