Скачать Серия 1.041.1-5 Выпуск 2.3-1. Плиты длиной 2650 и шириной 1490 мм, связевые, с арматурой из стали классов А-III и Вр-I, из тяжелого бетона. Рабочие чертежиДата актуализации: 01.01.2021
|
| Обозначение: | Серия 1.041.1-5 |
| Обозначение англ: | Series 1.041.1-5 |
| Статус: | не определен законодательством |
| Название рус.: | Выпуск 2.3-1. Плиты длиной 2650 и шириной 1490 мм, связевые, с арматурой из стали классов А-III и Вр-I, из тяжелого бетона. Рабочие чертежи |
| Дата добавления в базу: | 01.09.2013 |
| Дата актуализации: | 01.01.2021 |
| Дата введения: | 01.03.1994 |
| Дата окончания срока действия: | 30.06.2003 |
| Область применения: | Выпуск содержит рабочие чертежи связевых плит длиной 2650 мм и шириной 1490 мм, отличающихся по потребительским свойствам - несущей способностью, по изготовлению - видом и классом арматуры, т.е. вариантом используемых основных материалов, который выбирается заводом-изготовителем. |
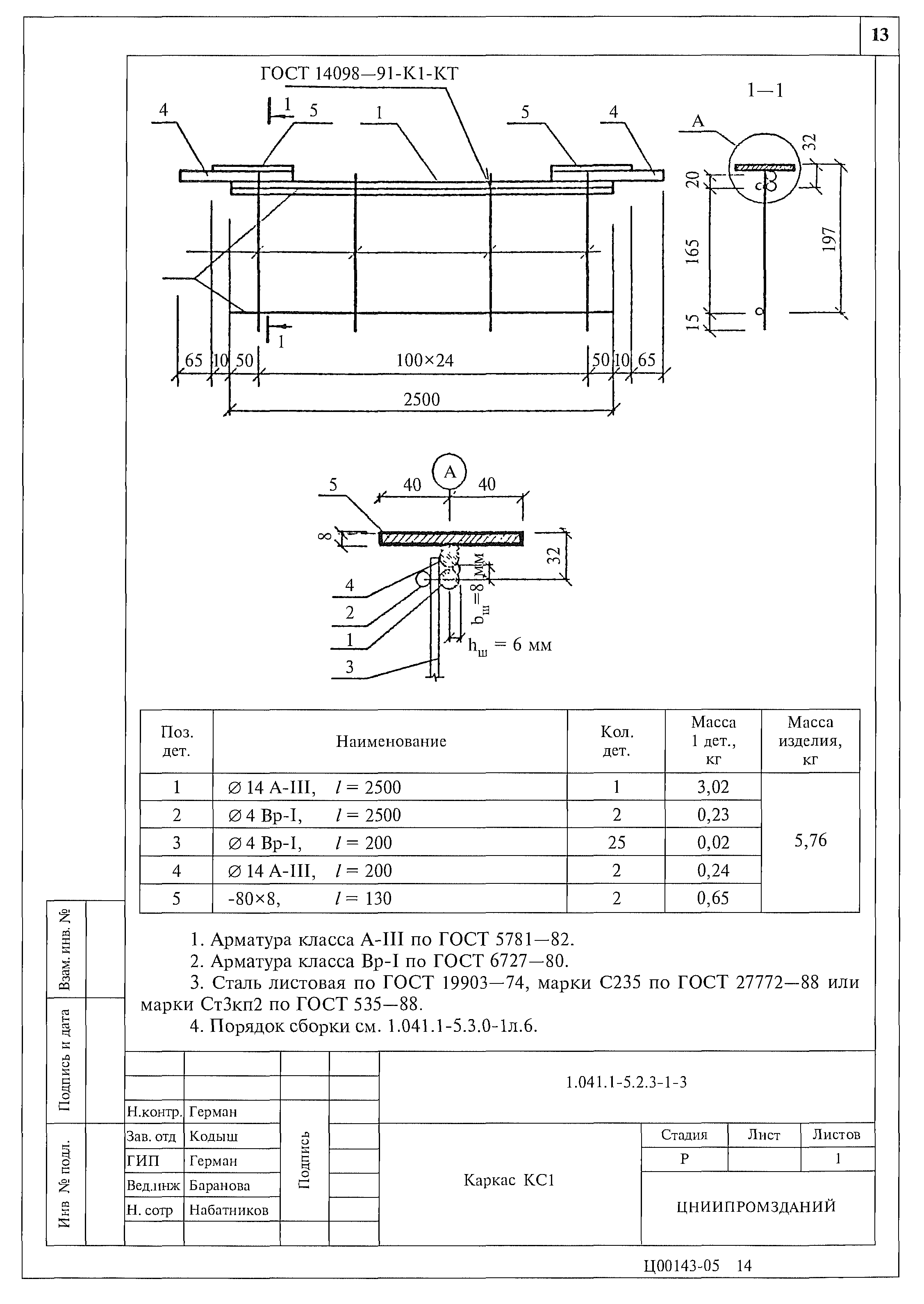
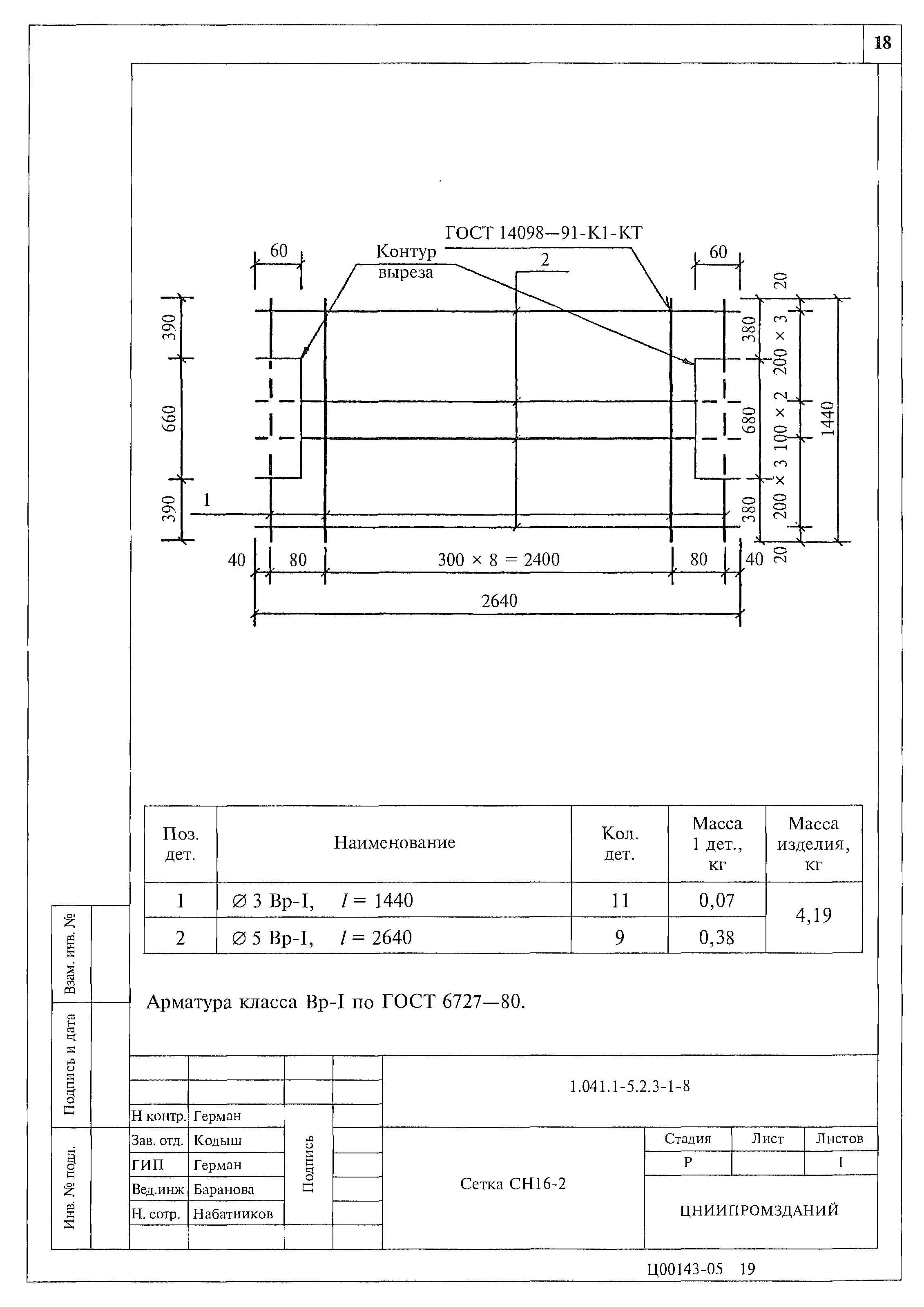
| Оглавление: | Пояснительная записка Плита 1ПК 26.15. Опалубочный чертеж Плита 1ПК 26.15. Армирование Каркас КР2 Каркас КС1 Сетка СВ38 Сетка СН12-2 Сетка СН14-2 Сетка СН15-2 Сетка СН16-2 Сетка СН17-2 Сетка СН18-2 Петля ПС1 Ведомость расхода стали, кг |
| Разработан: | ЦНИИпромзданий МГСУ Минвуза РФ НИИЖБ ЦНИИпроект Госстроя России |
| Утверждён: | 15.12.1993 Главпроект Госстроя России (9-3-2/284) |
| Нормативные ссылки: |






















