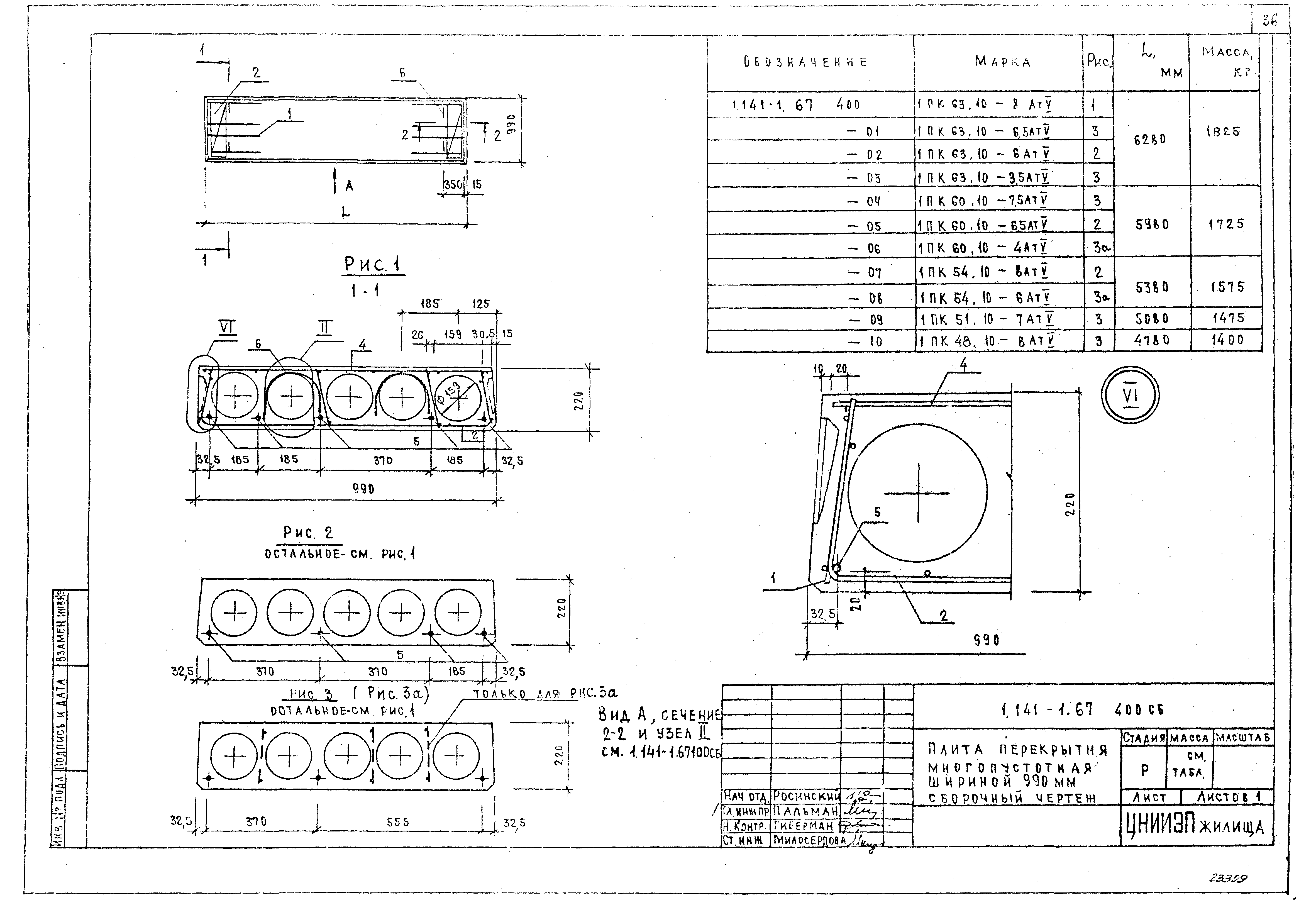
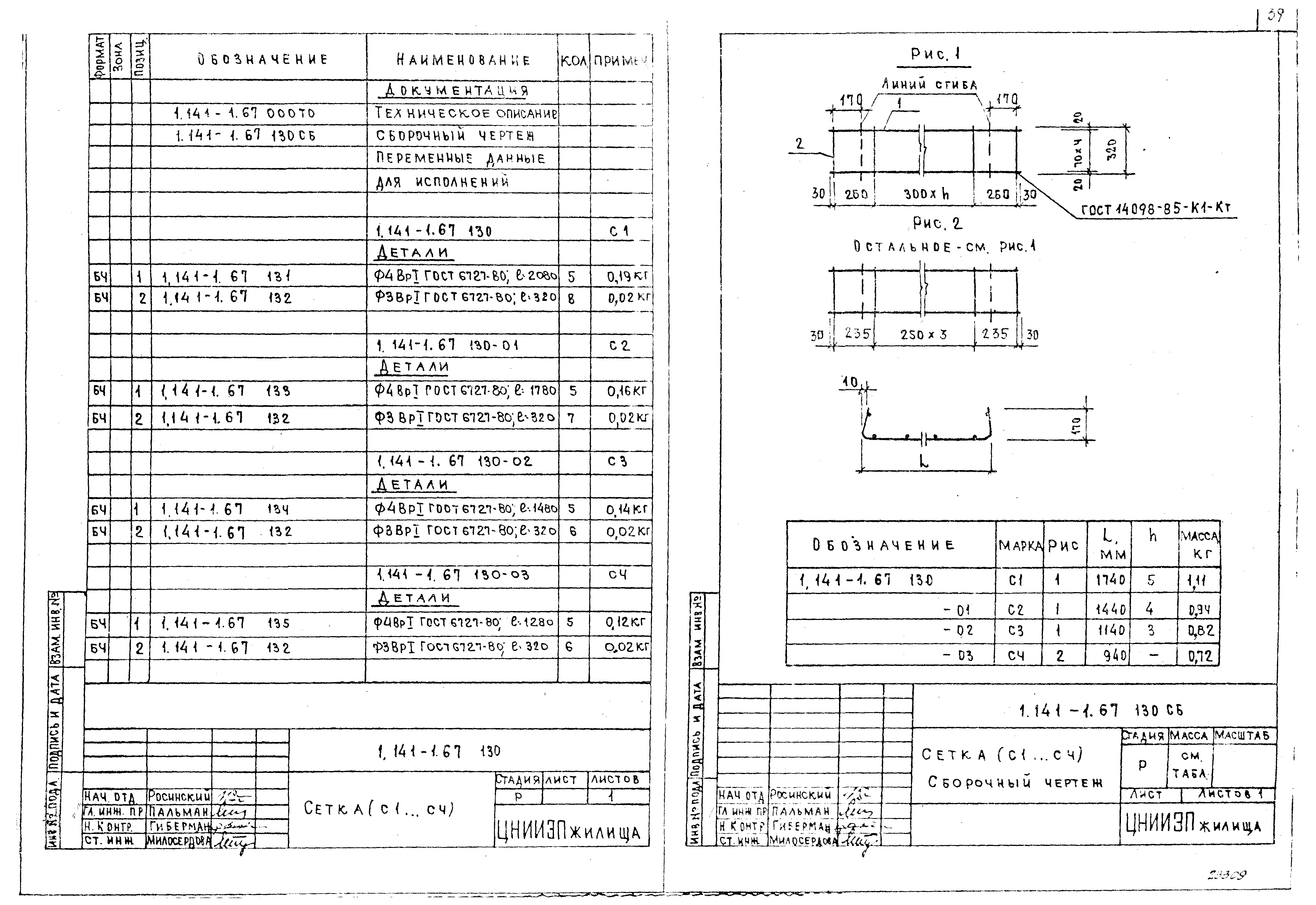
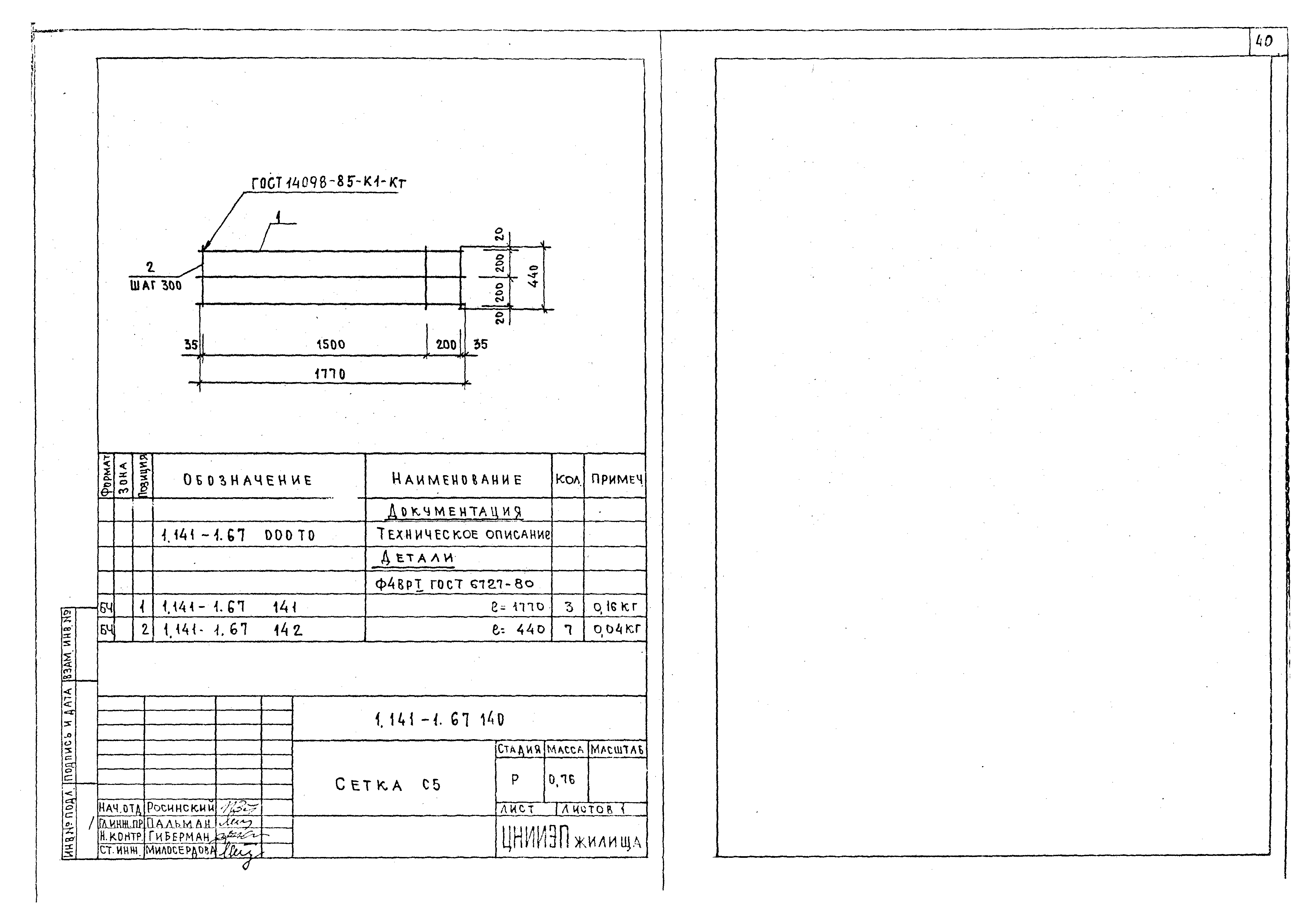
Скачать Серия 1.141-1 Выпуск 67. Предварительно напряженные плиты с круглыми пустотами диаметром 159 мм, длиной 6280, 5980, 5380, 5080 и 4780 мм, шириной 1790, 1490, 1190 и 990 мм, армированные стержнями из термически упрочненной стали класса Ат-V с автоматизированным натяжением арматуры. Технические условия и рабочие чертежиДата актуализации: 01.01.2021 Серия 1.141-1
Выпуск 67. Предварительно напряженные плиты с круглыми пустотами диаметром 159 мм, длиной 6280, 5980, 5380, 5080 и 4780 мм, шириной 1790, 1490, 1190 и 990 мм, армированные стержнями из термически упрочненной стали класса Ат-V с автоматизированным натяжением арматуры. Технические условия и рабочие чертежи| Обозначение: | Серия 1.141-1 | | Обозначение англ: | Series 1.141-1 | | Статус: | действует | | Название рус.: | Выпуск 67. Предварительно напряженные плиты с круглыми пустотами диаметром 159 мм, длиной 6280, 5980, 5380, 5080 и 4780 мм, шириной 1790, 1490, 1190 и 990 мм, армированные стержнями из термически упрочненной стали класса Ат-V с автоматизированным натяжением арматуры. Технические условия и рабочие чертежи | | Дата добавления в базу: | 01.09.2013 | | Дата актуализации: | 01.01.2021 | | Дата введения: | 01.09.1988 | | Разработан: | НИИЖБ ЦНИИЭП жилища
| | Утверждён: | 10.08.1988 Госкомархитектура (10)
| | Издан: | ЦИТП Госстроя СССР (CITP, Gosstroy (USSR) 1988 г. )
|
                                                       
|