Скачать Серия КЭ-03-1 Стальные лестницы, переходные площадки и ограждения. Деталировочные чертежи КМДДата актуализации: 01.01.2021
|
| Обозначение: | Серия КЭ-03-1 |
| Обозначение англ: | Series КЭ-03-1 |
| Статус: | заменен |
| Название рус.: | Стальные лестницы, переходные площадки и ограждения. Деталировочные чертежи КМД |
| Дата добавления в базу: | 01.09.2013 |
| Дата актуализации: | 01.01.2021 |
| Дата введения: | 01.03.1965 |
| Дата окончания срока действия: | 01.04.1974 |
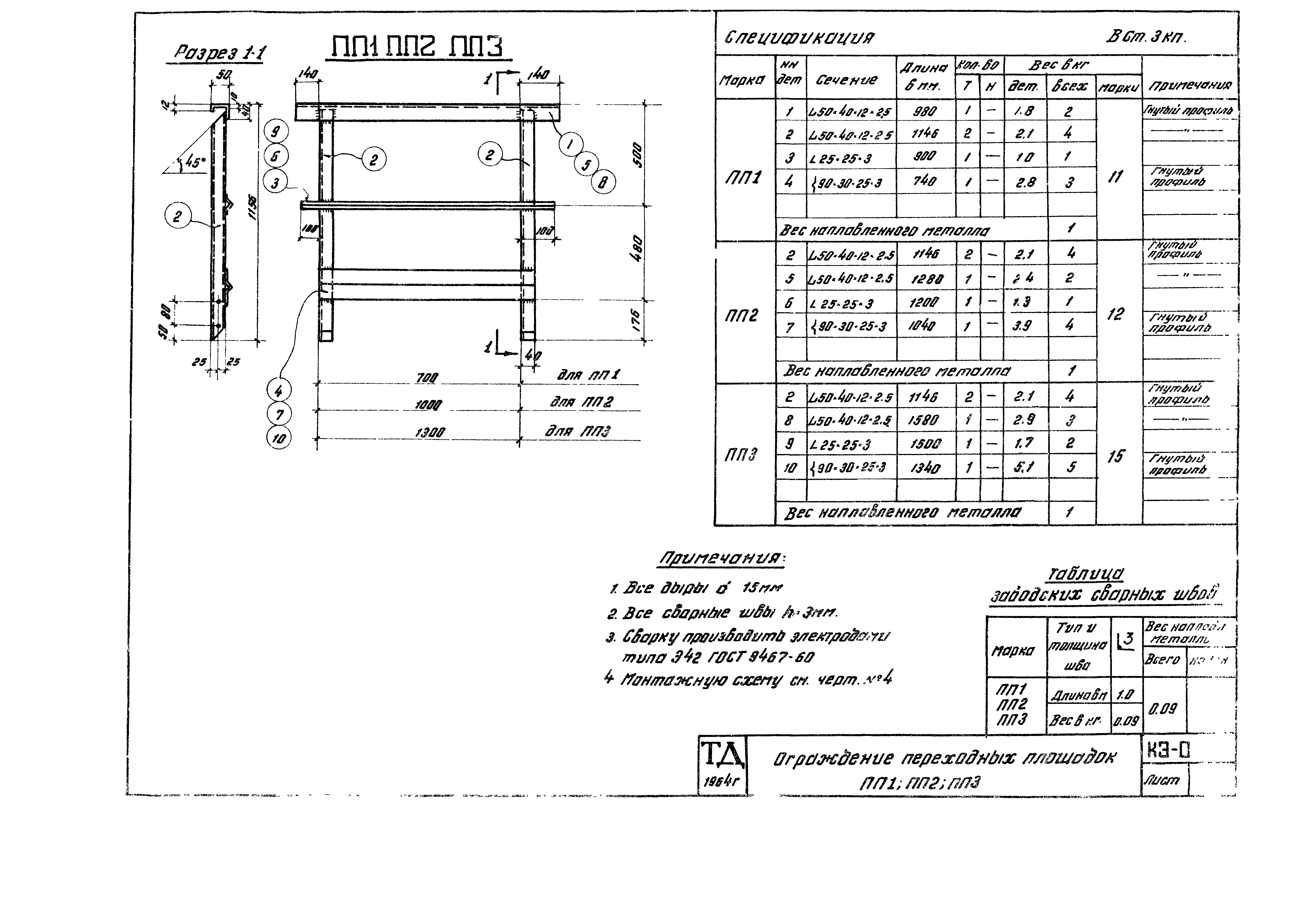
| Оглавление: | Титульный лист Содержание проекта Пояснительная записка Ключ для выбора марок лестничных маршей под углом 45 градусов и углом 60 градусов Ключ для выбора марок лестничных маршей под углом 60 градусов и переходных площадок Ключ для выбора марок переходных площадок Монтажные схемы лестничных маршей под углом 45 градусов и ограждений к ним Монтажные схемы лестничных маршей под углом 60 градусов и ограждений к ним Монтажные схемы переходных площадок и ограждений к ним Схема компоновки составных лестниц Лестничные марши Л1; Л2; Л3; Л4; Л5; Л6 Лестничные марши Л7; Л8; Л9; Л10; Л11; Л12 Лестничные марши Л13; Л14; Л15; Л16; Л17; Л18 Лестничные марши Л19; Л20; Л21; Л22; Л23; Л24 Лестничные марши Л25; Л26; Л27; Л28; Л29; Л30 Лестничные марши Л31; Л32; Л33; Л34; Л35; Л36 Лестничные марши Л37; Л38; Л39; Л40; Л41; Л42 Лестничные марши Л43; Л44; Л45 Лестничные марши Л46; Л47; Л48 Лестничные марши Л49; Л50; Л51 Лестничные марши Л52; Л53; Л54 Лестничные марши Л55; Л56; Л57 Лестничные марши Л58; Л59; Л60 Лестничные марши Л61; Л62; Л63 Лестничные марши М1; М2; М3; М4 Лестничные марши М5; М6; М7; М8 Лестничные марши М9; М10; М11; М12 Лестничные марши М13; М14; М15; М16 Лестничные марши М17; М18; М19; М20 Лестничные марши М21; М22; М23; М24 Лестничные марши М25; М26; М27; М28 Лестничные марши М29; М30; М31; М32 Лестничные марши М33; М34; М35; М36 Лестничные марши М37; М38; М99; М40 Лестничные марши М41; М42 Лестничные марши М43; М44 Лестничные марши М45; М46 Лестничные марши М47; М48 Лестничные марши М49; М50 Лестничные марши М51; М52 Лестничные марши М53; М54 Лестничные марши М55; М56 Лестничные марши М57; М58 Лестничные марши М59; М60 Стремянки С1; С2; С3; С4 Стремянки С5; С6; С7 Переходные площадки П1; П2; П3; П4; П5; П6 Переходные площадки П7; П8; П9; П10; П11; П12 Переходные площадки П13; П14; П15; П16; П17; П18 Переходные площадки П19; П20; П21; П22; П23; П24 Переходные площадки П25; П26; П27; П28; П29; П30 Переходные площадки П31; П32; П33; П34; П35; П36 Переходные площадки П37; П38; П39; П40; П41; П42 Переходные площадки П43; П44; П45; П46; П47; П48 Переходные площадки П49; П50; П51; П52 ;П53; П54 Переходные площадки П55; П56; П57; П58; П59; П60 Переходные площадки П61; П62; П63; П64; П65; П66 Переходные площадки П67; П68; П69; П70; П71; П72 Переходные площадки П73; П74; П75; П76; П77; П78 Переходные площадки П79; П80; П81; П82; П83; П84 Переходные площадки П85; П86; П87 Переходные площадки П88; П89; П90 Переходные площадки П91; П92; П93 Переходные площадки П94; П95; П96 Переходные площадки П97; П98; П99 Переходные площадки П100; П101; П102 Переходные площадки П103; П104; П105 Переходные площадки П106; П107; П108 Переходные площадки П109; П110; П111 Переходные площадки П112; П113; П114 Переходные площадки П115; П116; П117 Переходные площадки П118; П119; П120 Переходные площадки П121; П122; П123 Переходные площадки П124; П125; П126 Переходные площадки П127; П128 Ограждение лестничных маршей ПЛ1; ПЛ2 Ограждение лестничных маршей ПЛ3; ПЛ4 Ограждение лестничных маршей ПЛ5; ПЛ6 Ограждение лестничных маршей ПЛ7; ПЛ8 Ограждение лестничных маршей ПЛ9; ПЛ10 Ограждение лестничных маршей ПЛ11; ПЛ12 Ограждение лестничных маршей ПМ1; ПМ2 Ограждение лестничных маршей ПМ3; ПМ4 Ограждение лестничных маршей ПМ5; ПМ6 Ограждение лестничных маршей ПМ7; ПМ8 Ограждение лестничных маршей ПМ9; ПМ10 Ограждение лестничных маршей ПМ11; ПМ12 Ограждение лестничных маршей ПМ13; ПМ14 Ограждение лестничных маршей ПМ15; ПМ16 Ограждение лестничных маршей ПМ17; ПМ18 Ограждение лестничных маршей ПП1; ПП2; ПП3 Ограждение лестничных маршей ПП4; ПП5; ПП6 Ограждение лестничных маршей ПП7; ПП8; ПП9 Ограждение лестничных маршей ПП10; ПП11; ПП12 Ограждение лестничных маршей ПП13; ПП14 Ограждение лестничных маршей ПП17; ПП18; ПП19 Ограждение лестничных маршей ПП20; ПП21; ПП22 Ограждение лестничных маршей ПП15; ПП16 Ограждение стремянок СК1; СК2; СК3; СК4 Дополнительные элементы Д1 - Д9 Дополнительные элементы Д10 - Д20 Узлы |
| Разработан: | Проектстальконструкция Госстроя СССР НИИмонтажспецстрой |
| Утверждён: | 30.01.1965 Главпромстройпроект Госстроя СССР (1) |
| Издан: | ЦИТП Госстроя СССР (CITP, Gosstroy (USSR) ) |
| Чем заменён: |





















































































































