Скачать Серия 5.904-13 Выпуск 1-2. Заслонки воздушные круглого сечения. Рабочие чертежиДата актуализации: 01.01.2021
|
| Обозначение: | Серия 5.904-13 |
| Обозначение англ: | Series 5.904-13 |
| Статус: | не определен законодательством |
| Название рус.: | Выпуск 1-2. Заслонки воздушные круглого сечения. Рабочие чертежи |
| Дата добавления в базу: | 01.09.2013 |
| Дата актуализации: | 01.01.2021 |
| Дата введения: | 15.06.1982 |
| Дата окончания срока действия: | 30.06.2003 |
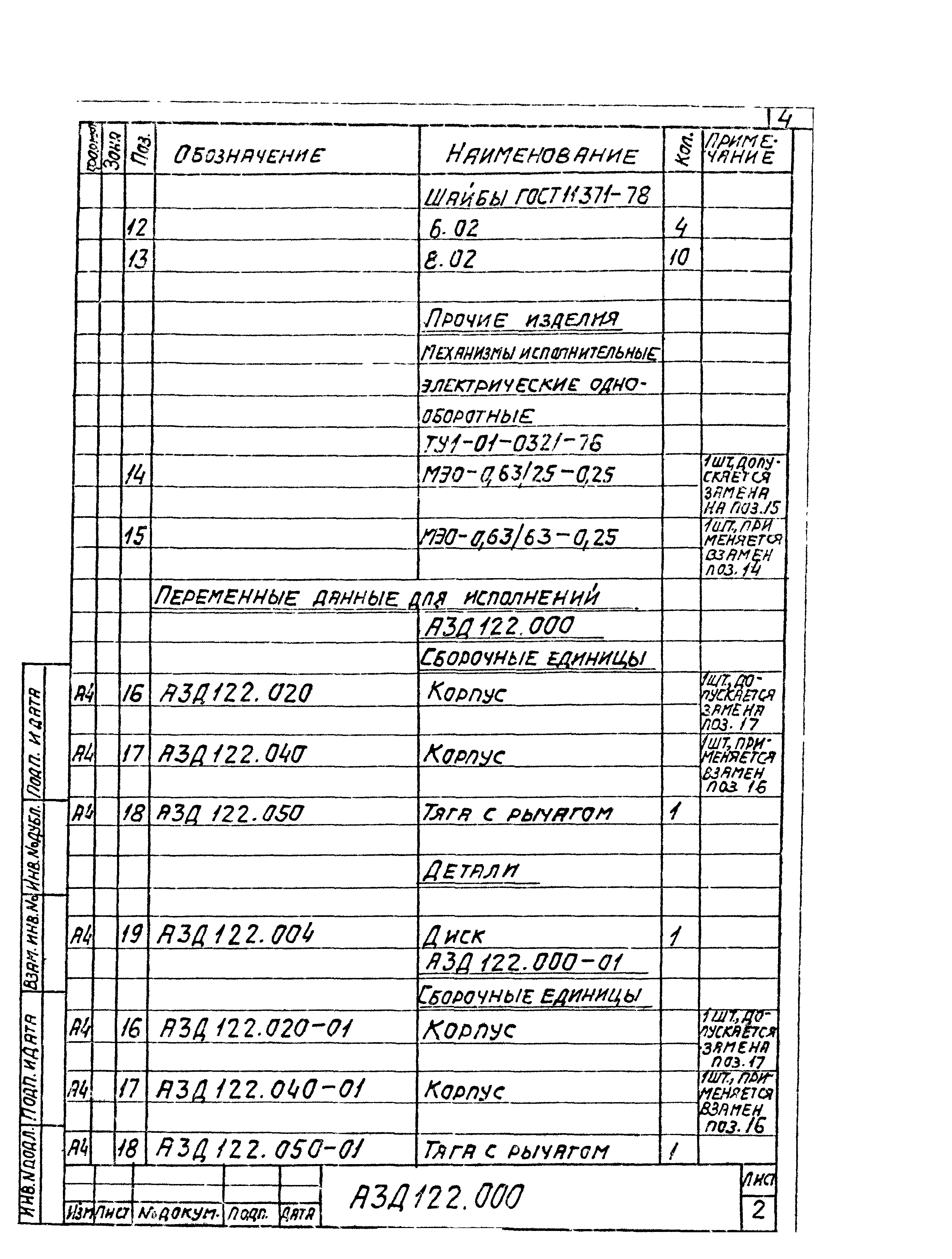
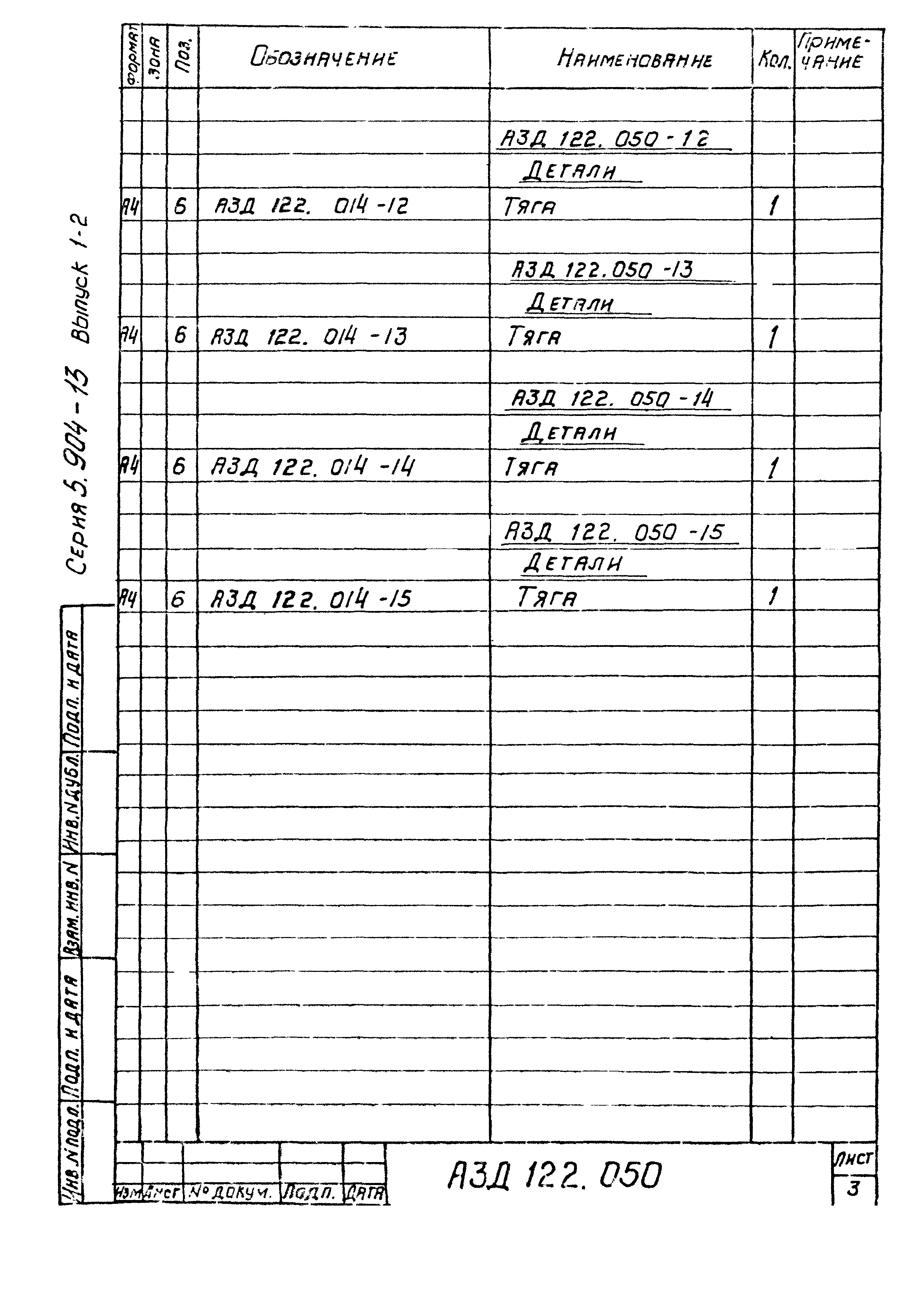
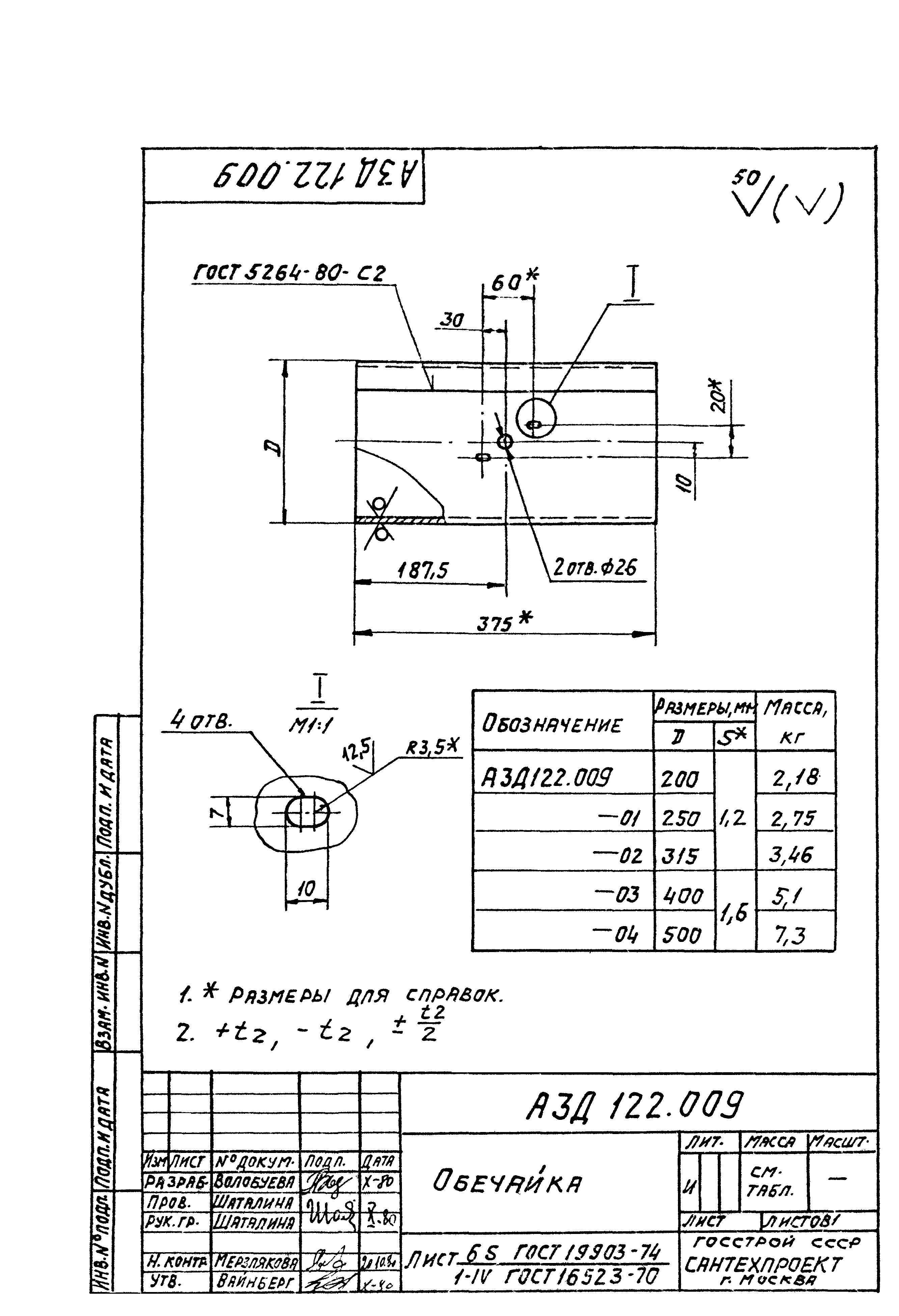
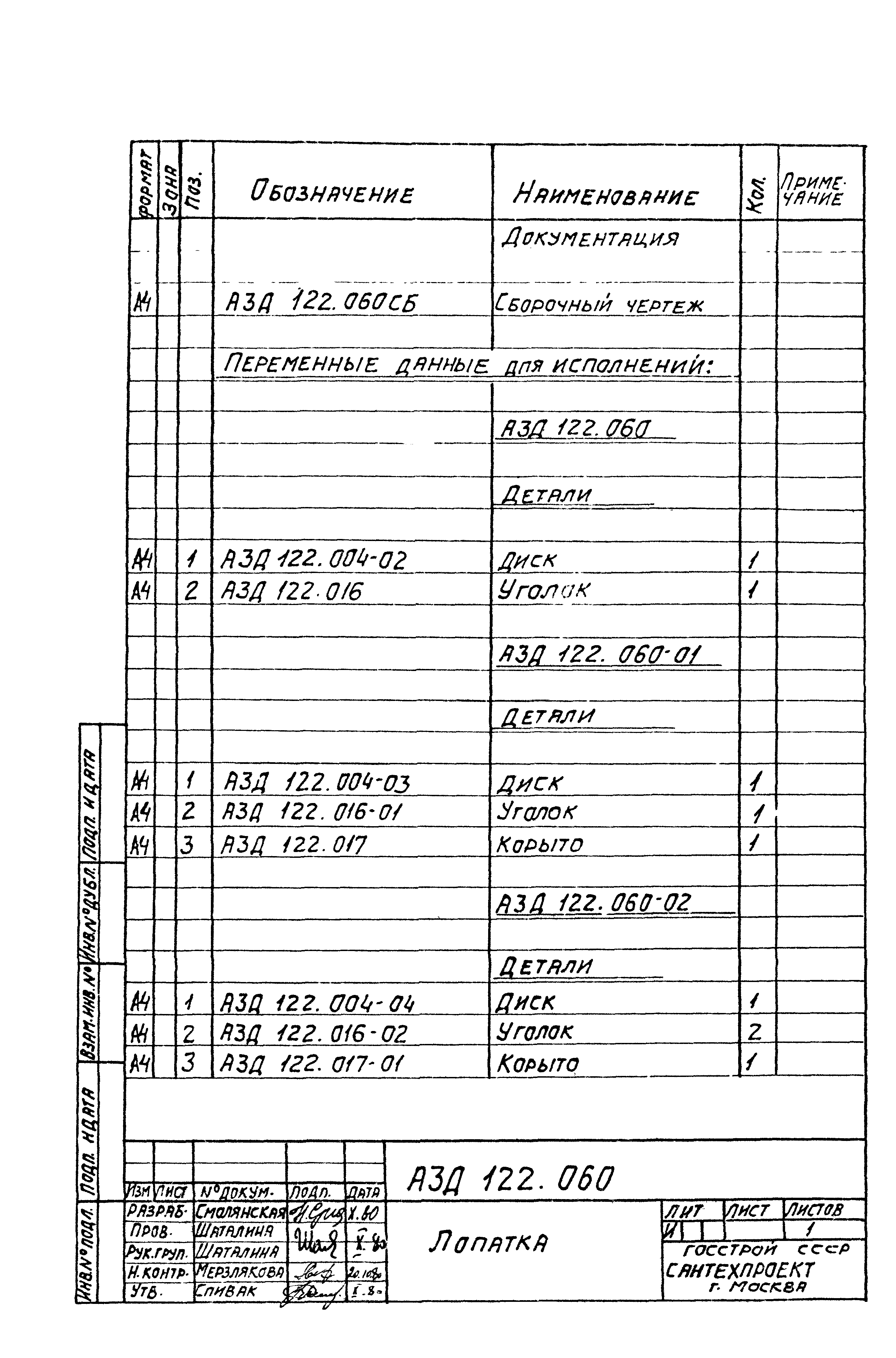
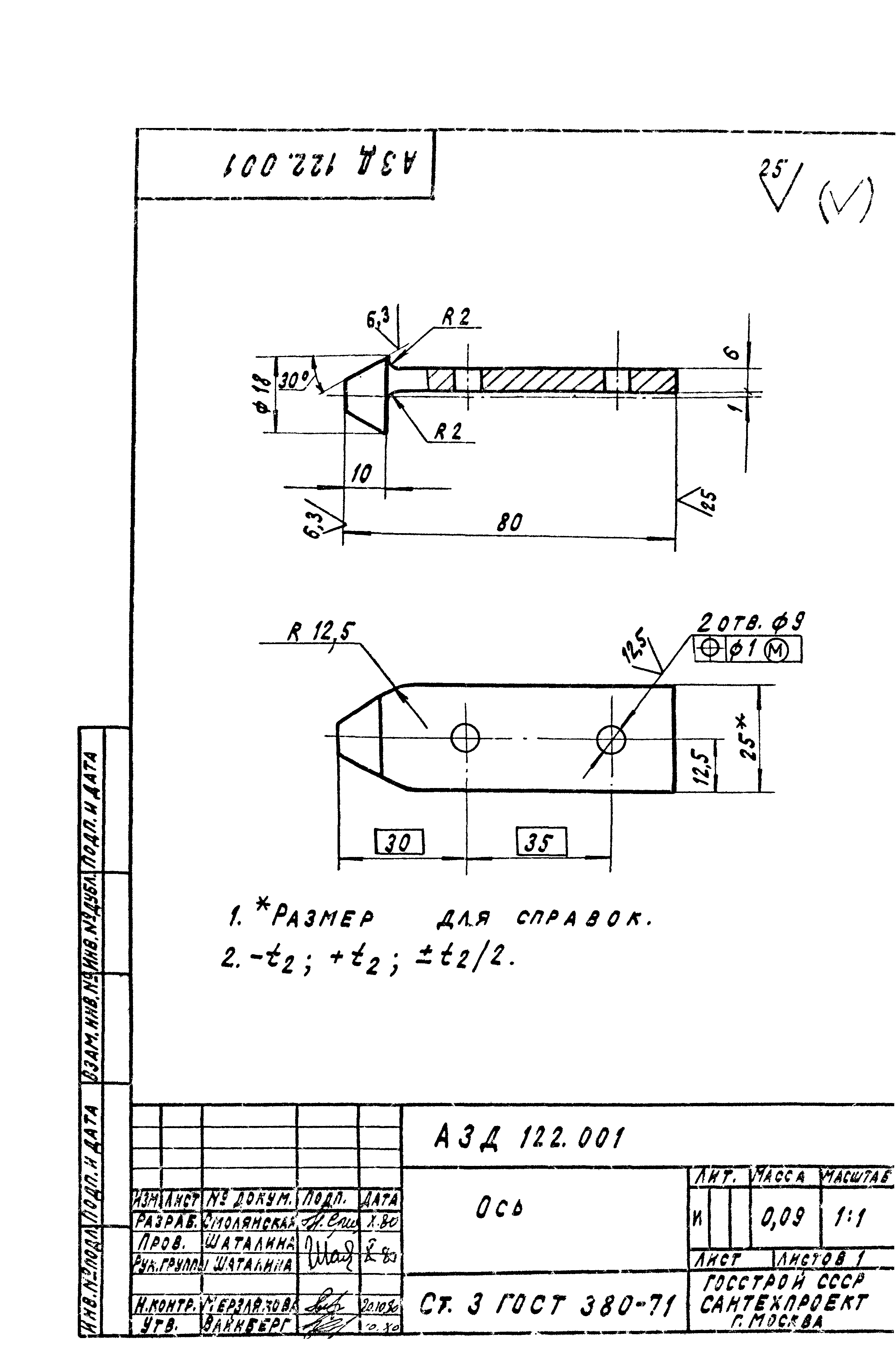
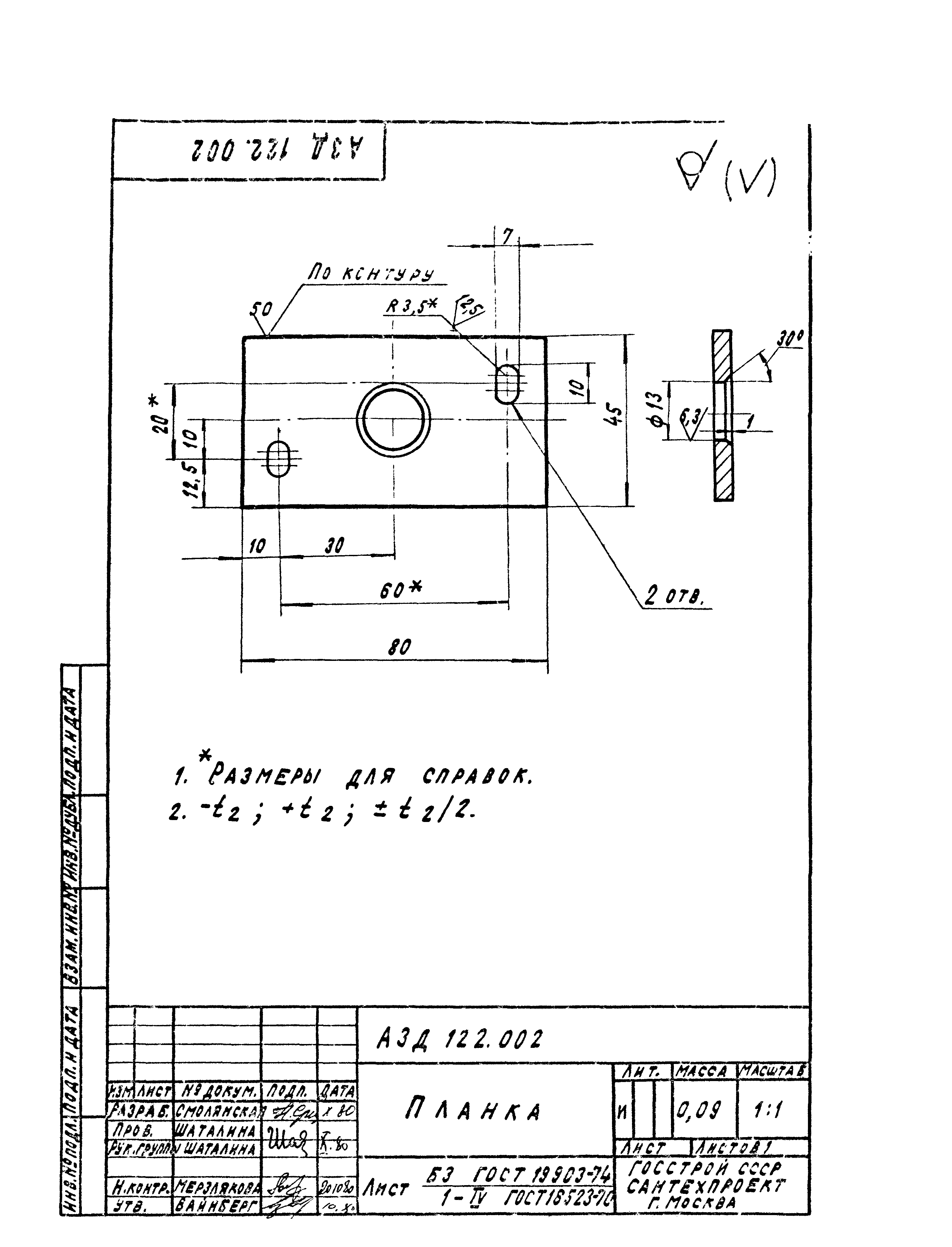
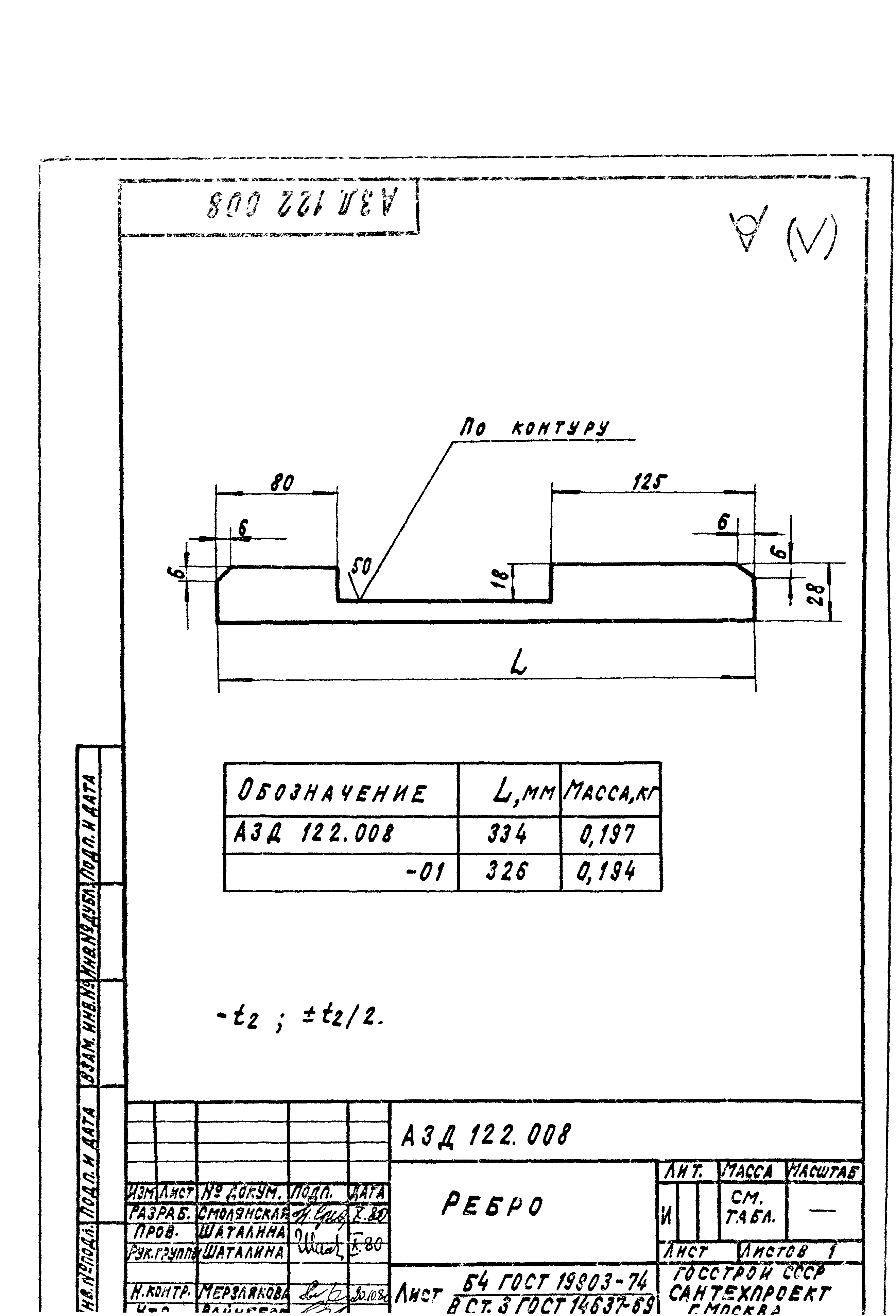
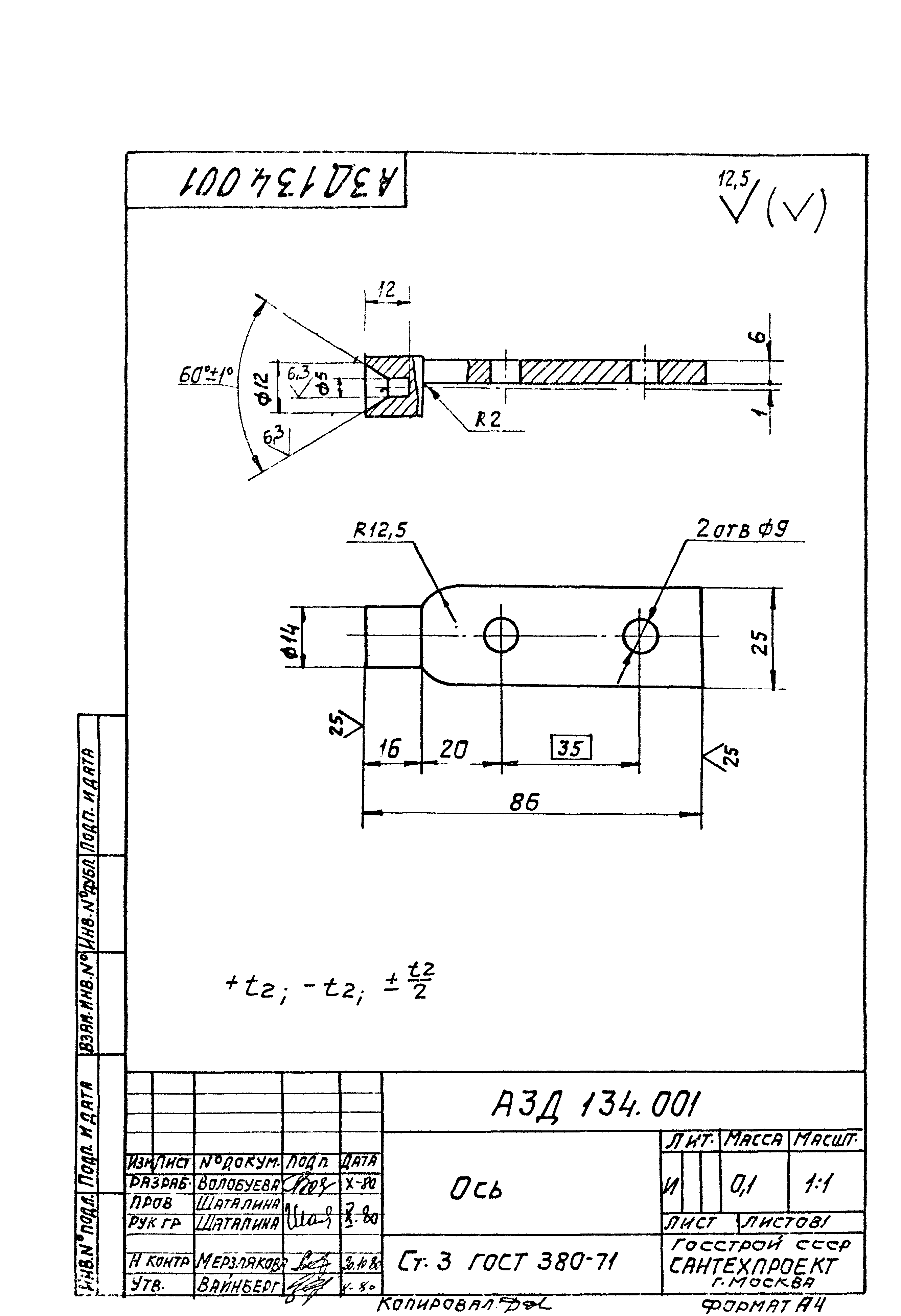
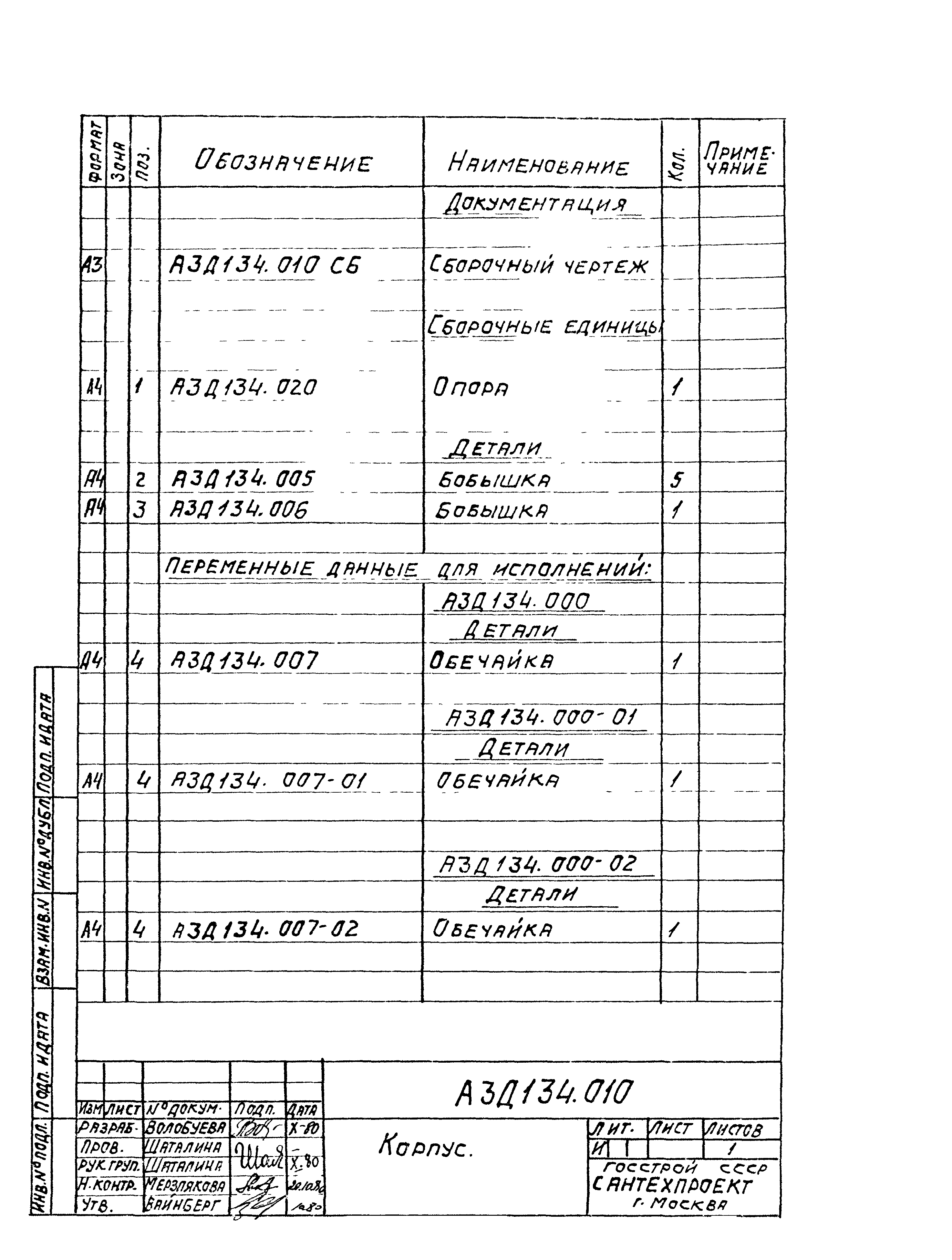
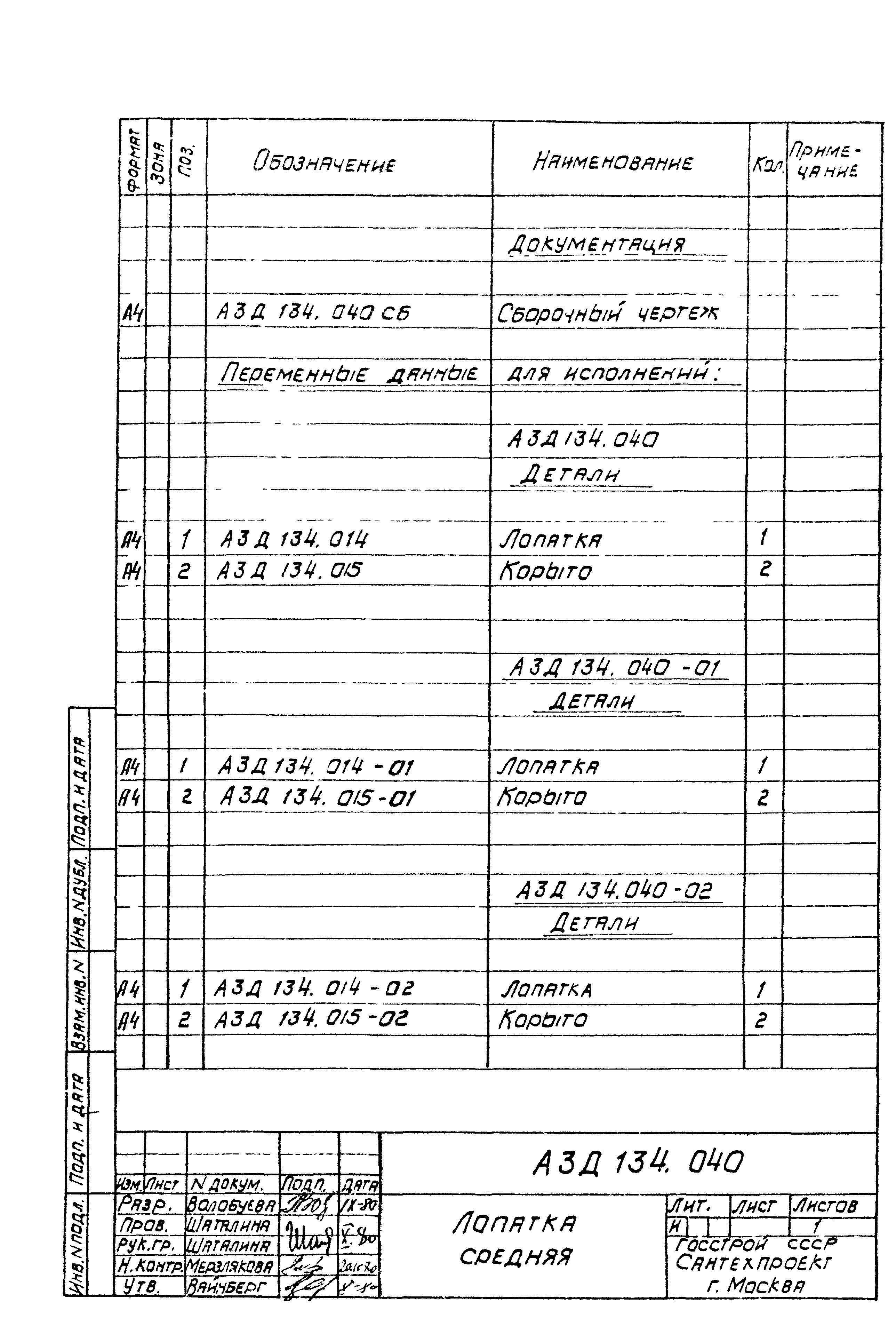
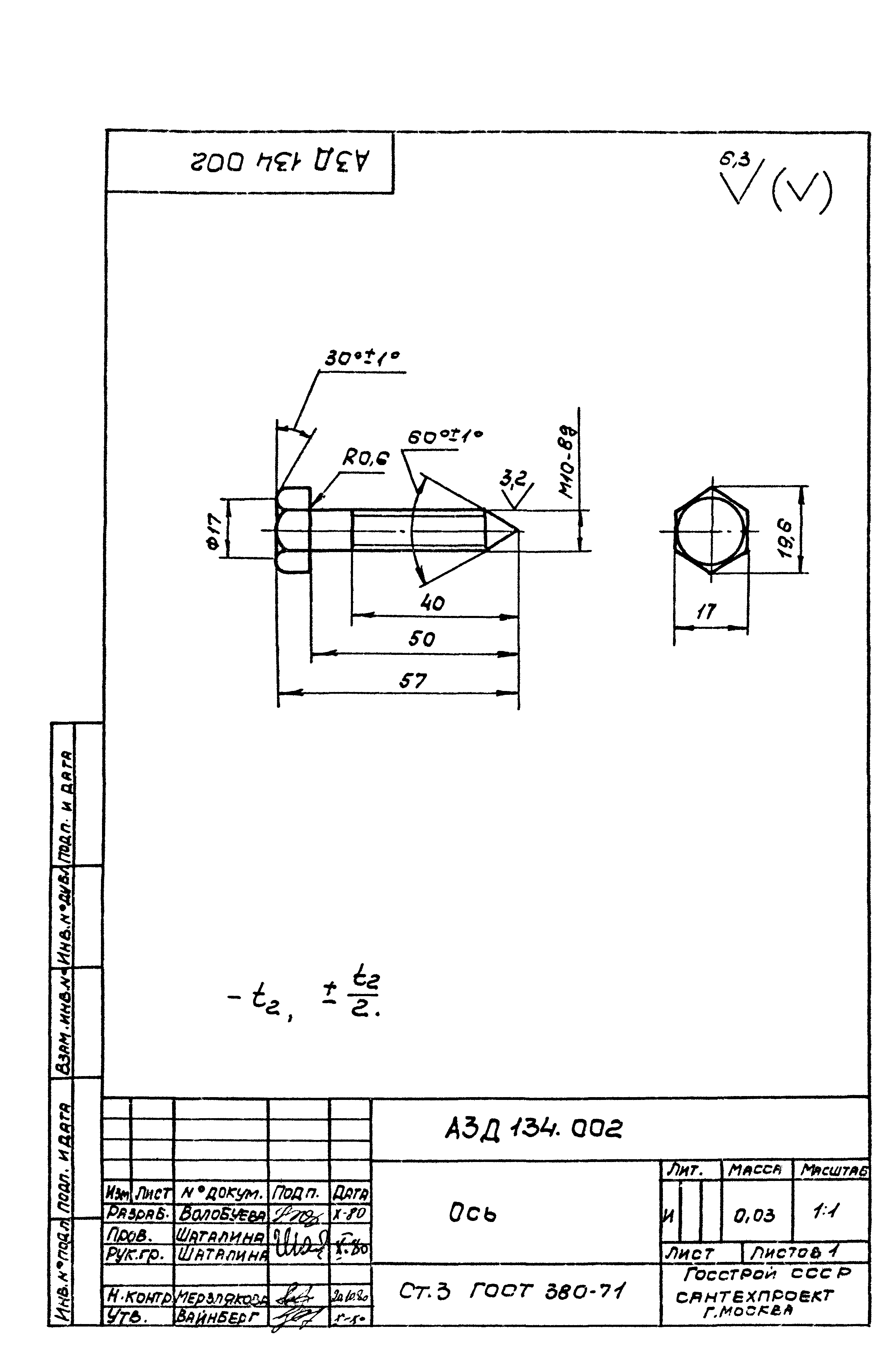
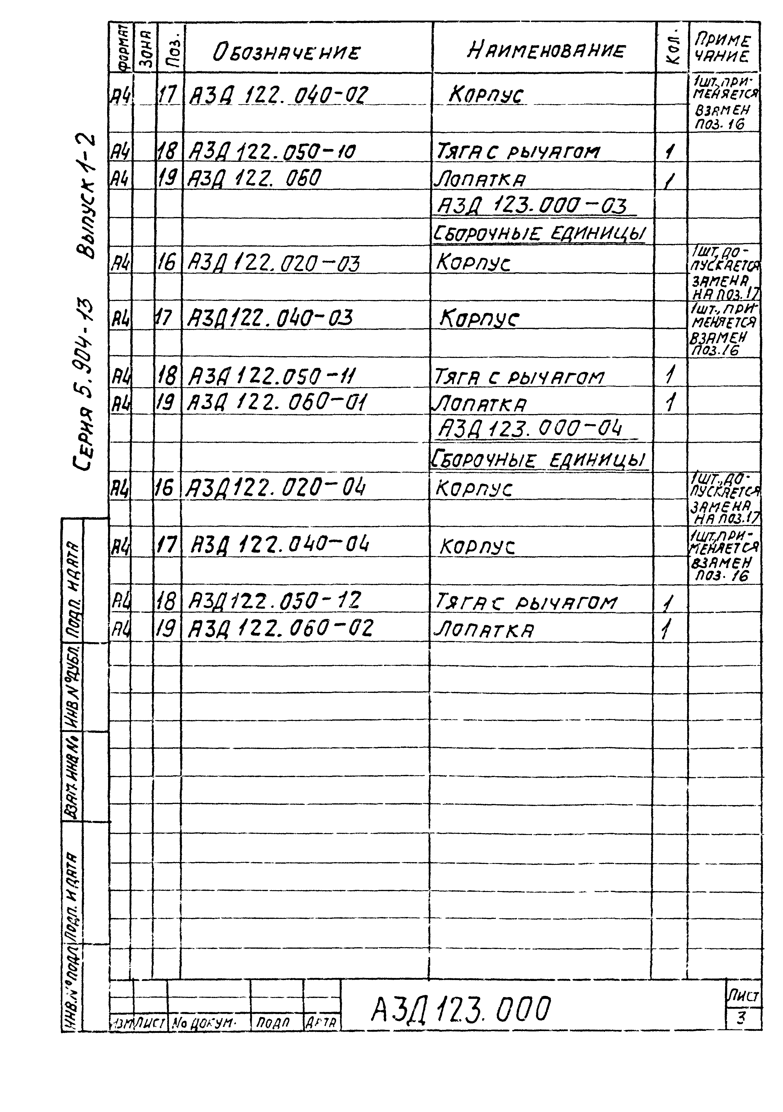
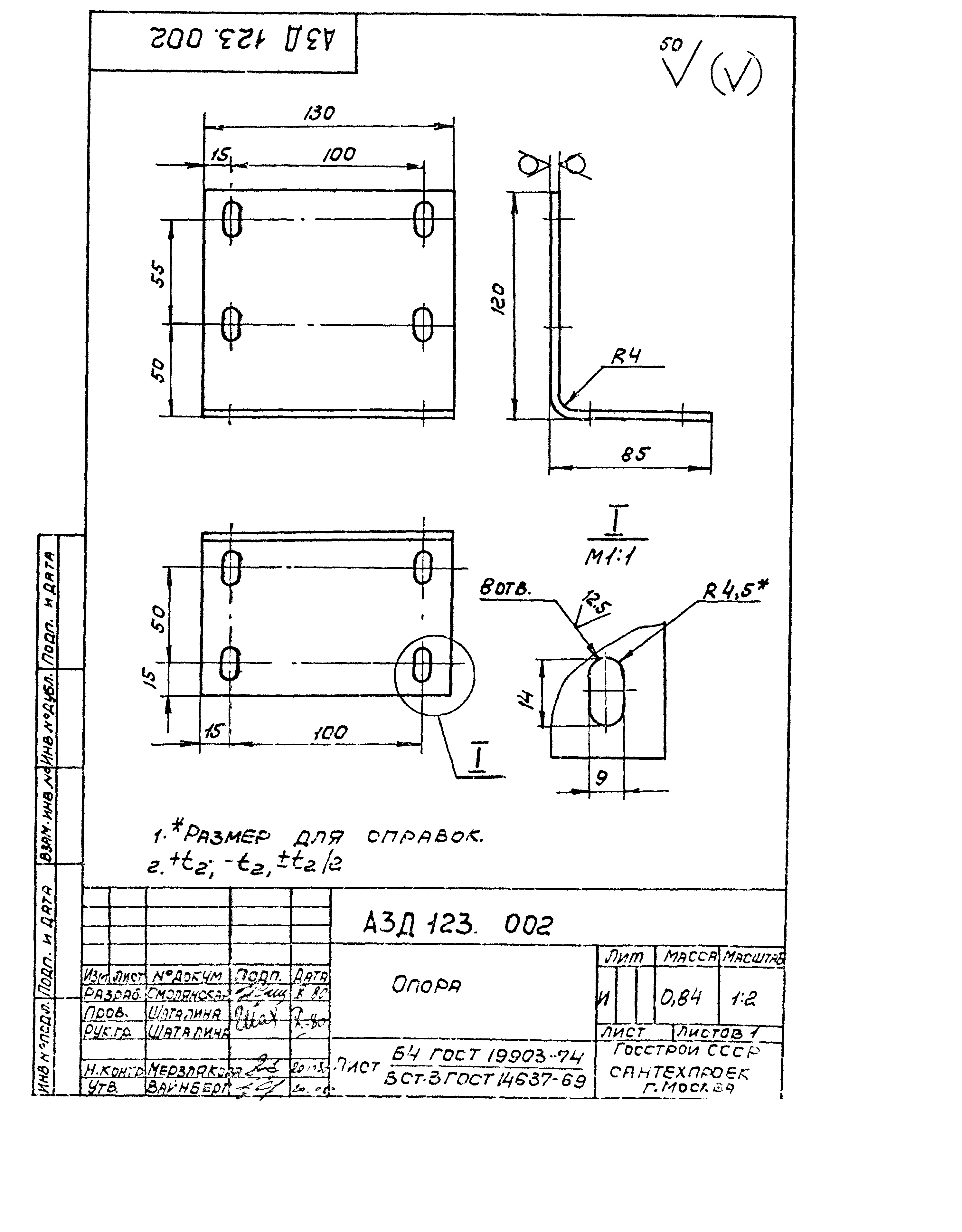
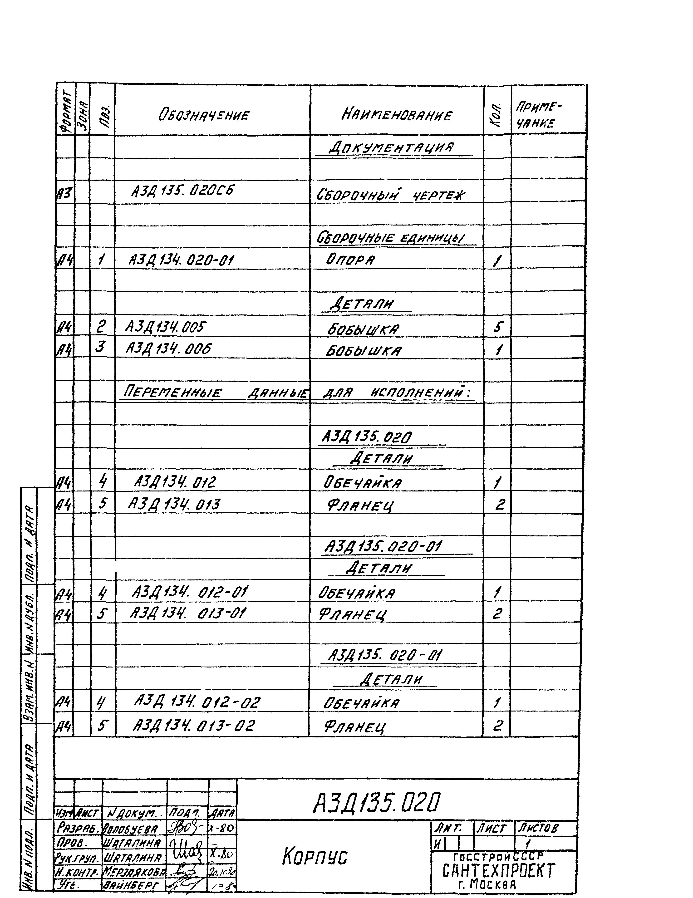
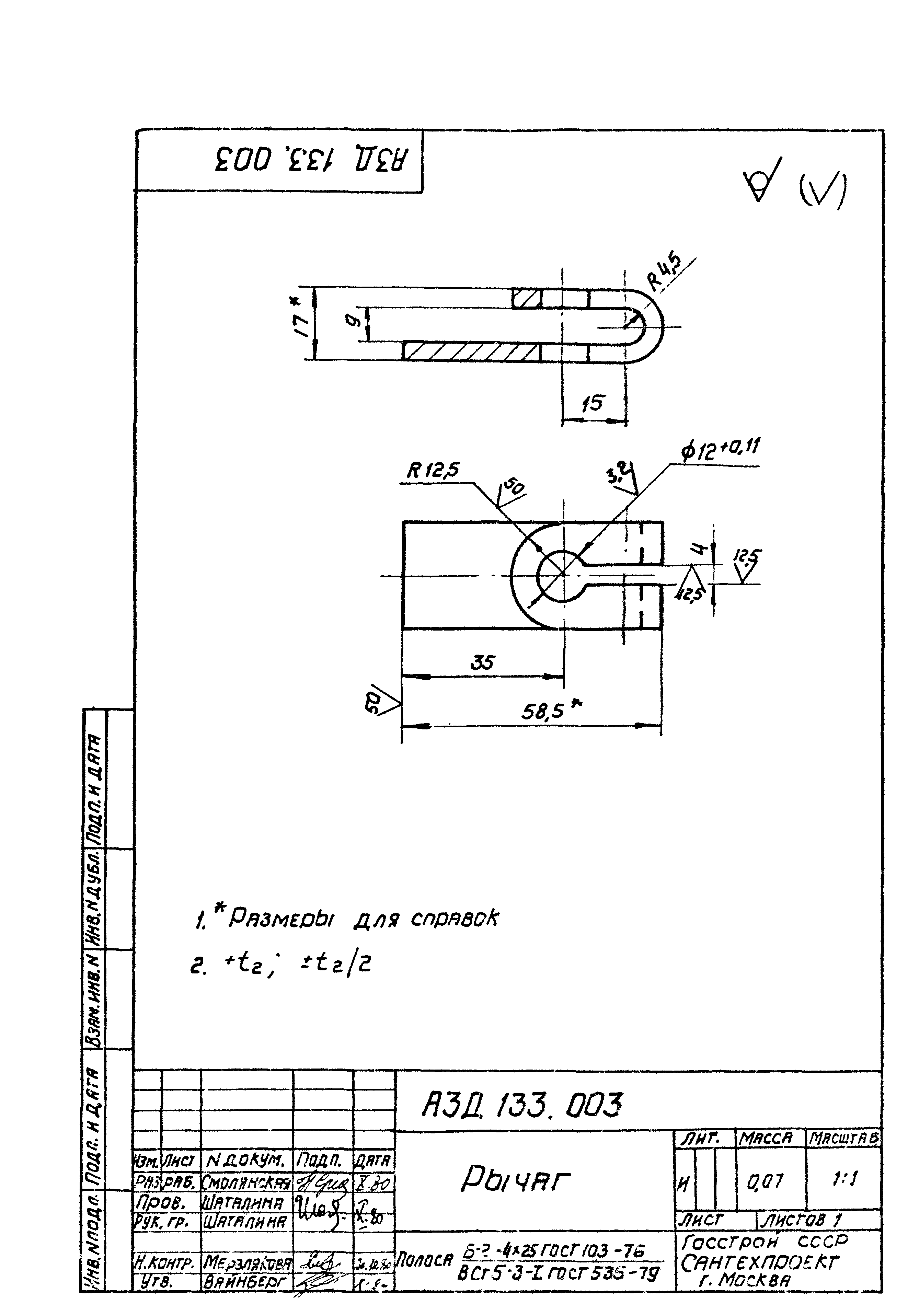
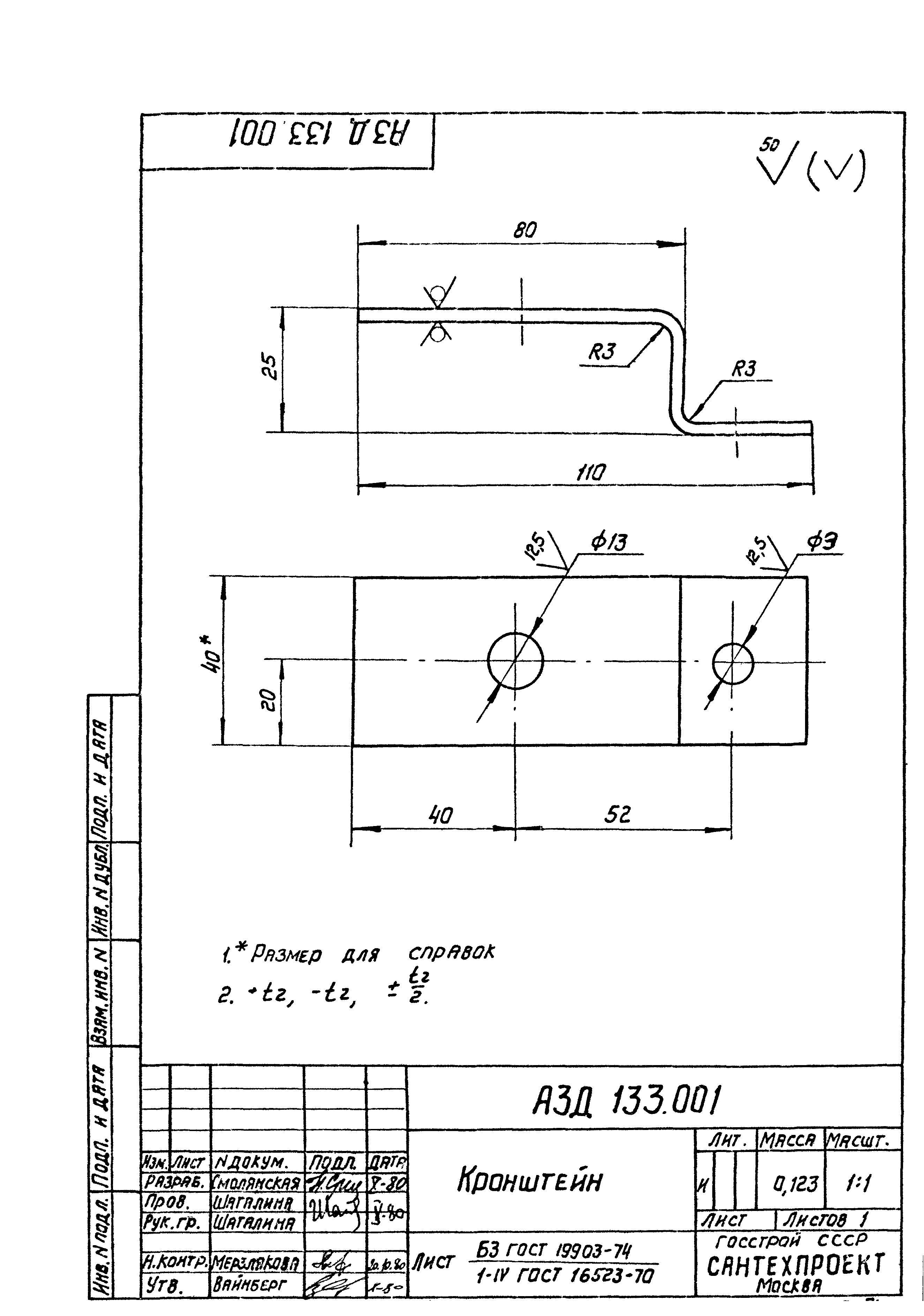
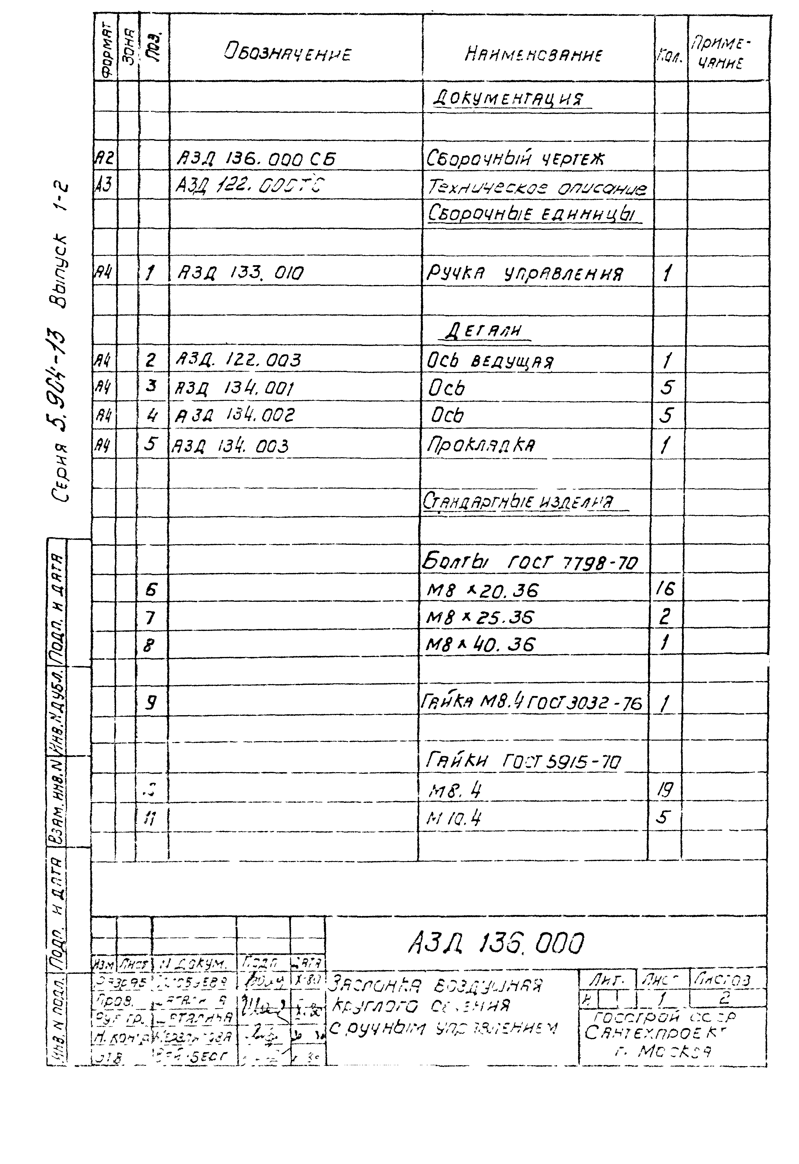
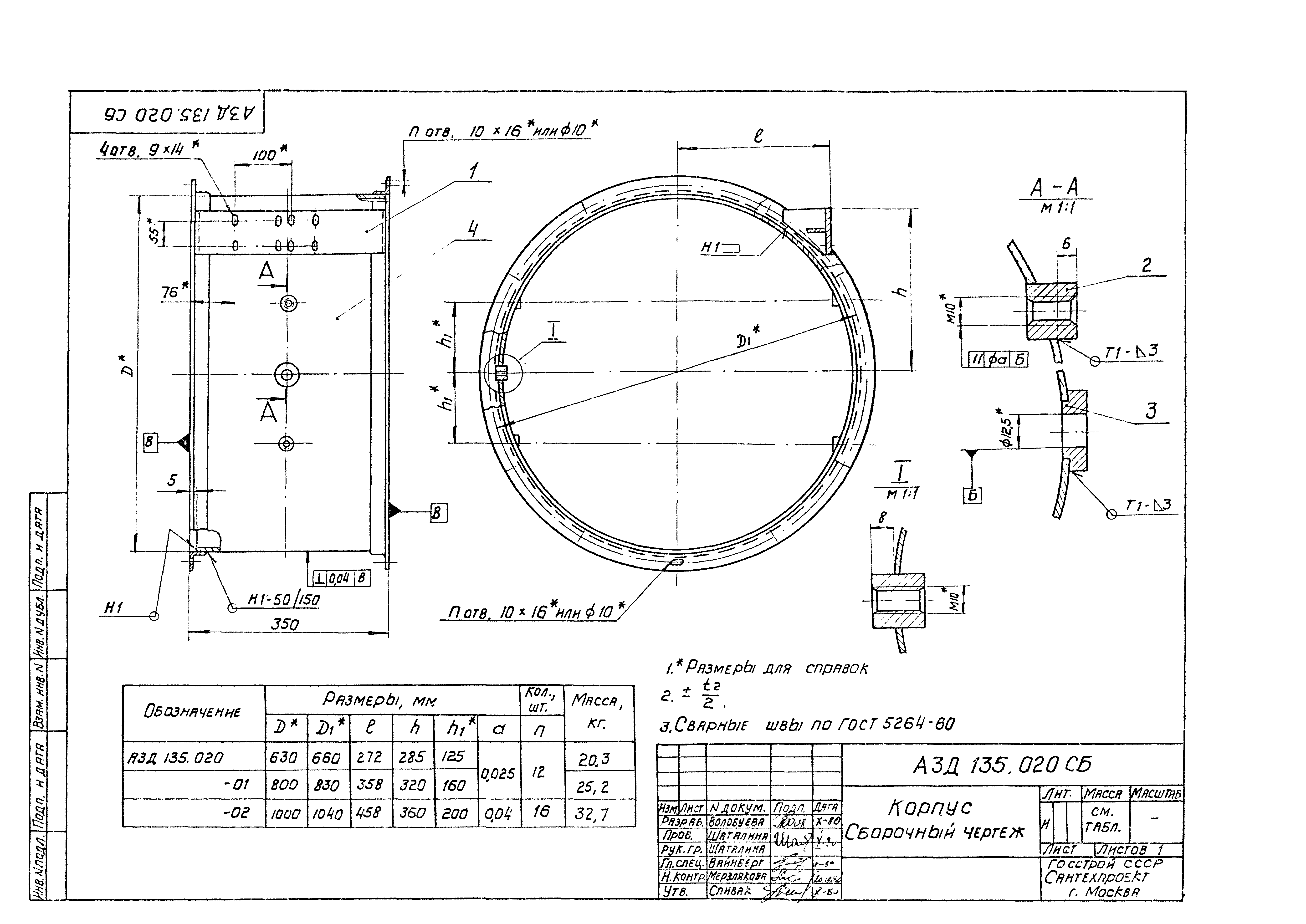
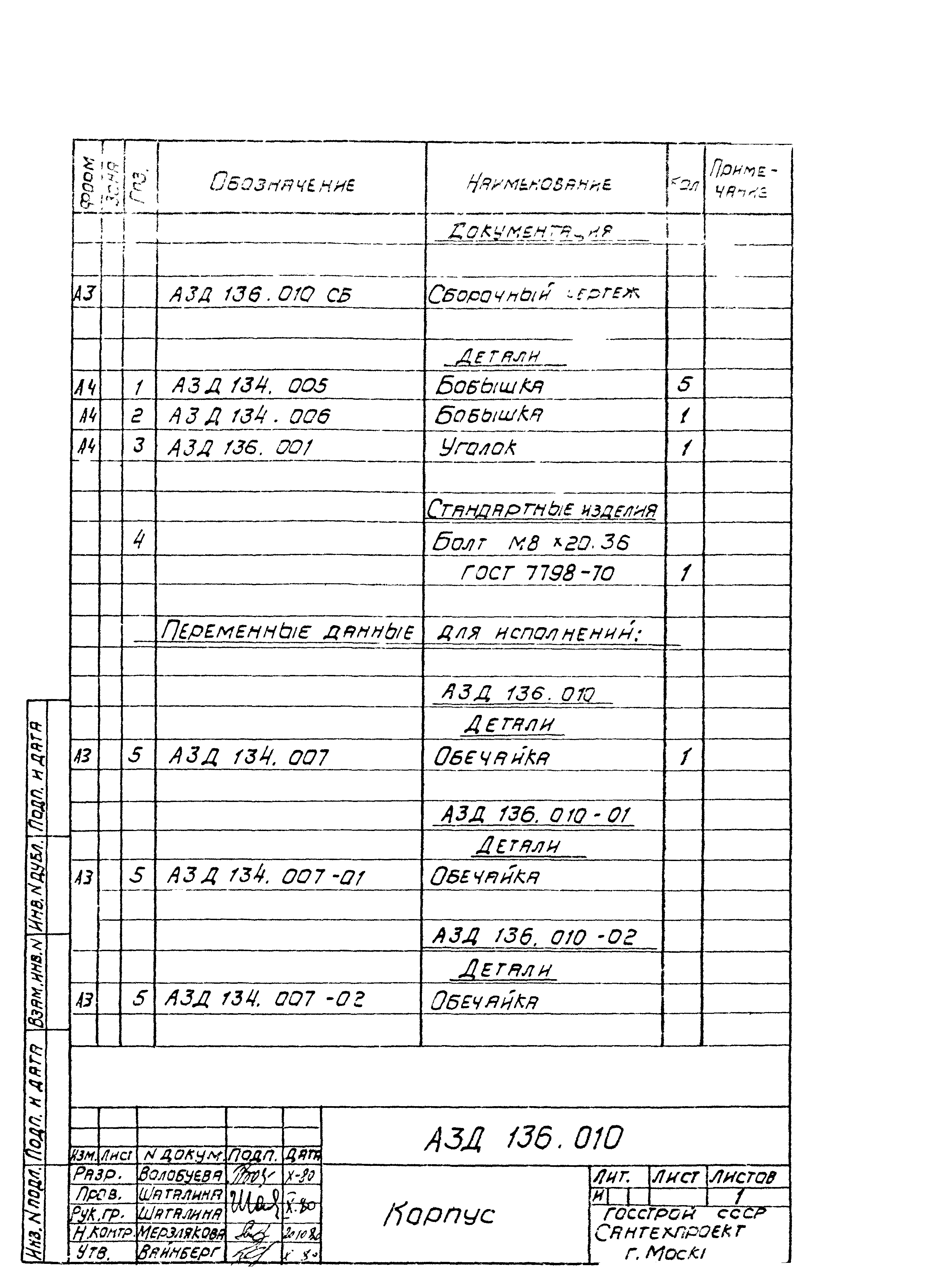
| Оглавление: | Заслонки воздушные круглого сечения. Техническое описание АЗД 122.000 Заслонки воздушные круглого сечения с электроприводом АЗД 122.017 Корыто АЗД 122.000СБ Заслонки воздушные круглого сечения с электроприводом. Сборочный чертеж АЗД 122.010 Кронштейн АЗД 122.010СБ Кронштейн. Сборочный чертеж АЗД 122.020 Корпус АЗД 122.020СБ Корпус. Сборочный чертеж АЗД 122.006 Обечайка АЗД 122.030 Опора АЗД 122.016 Уголок АЗД 122.030СБ Опора. Сборочный чертеж АЗД 122.009 Обечайка АЗД 122.040 Корпус АЗД 122.040СБ Корпус. Сборочный чертеж АЗД 122.050 Тяга с рычагом АЗД 122.050СБ Тяга с рычагом. Сборочный чертеж АЗД 122.060 Лопатка АЗД 122.011 Фланец АЗД 122.060СБ Лопатка. Сборочный чертеж АЗД 122.001 Ось АЗД 122.002 Планка АЗД 122.003 Ось ведущая АЗД 122.015 Косынка АЗД 122.005 Опора АЗД 122.007 Полоса АЗД 122.008 Ребро АЗД 122.013 Палец АЗД 122.014 Тяга АЗД 122.012 Рычаг АЗД 134.001 Ось АЗД 134.000 Заслонка воздушная круглого сечения с электроприводом АЗД 134.000СБ Заслонка воздушная круглого сечения с электроприводом. Сборочный чертеж АЗД 134.005 Бобышка АЗД 134.010 Корпус АЗД 134.010СБ Корпус. Сборочный чертеж АЗД 134.009 Ребро АЗД 134.020 Опора АЗД 134.020СБ Опора. Сборочный чертеж АЗД 134.006 Бобышка АЗД 134.030 Корпус АЗД 134.030СБ Корпус. Сборочный чертеж АЗД 134.040 Лопатка средняя АЗД 134.040СБ Лопатка средняя. Сборочный чертеж АЗД 134.050 Лопатка крайняя АЗД 134.050СБ Лопатка крайняя. Сборочный чертеж АЗД 134.060 Тяга с рычагами АЗД 134.060СБ Тяга с рычагом. Сборочный чертеж АЗД 134.002 Ось АЗД 134.003 Прокладка АЗД 134.007 Обечайка АЗД 134.008 Полоса АЗД 134.012 Обечайка АЗД 134.013 Фланец АЗД 134.014 Лопатка АЗД 134.015 Корыто АЗД 134.016 Лопатка АЗД 134.018 Рычаг АЗД 123.000 Заслонка воздушная круглого сечения с пневмоприводом АЗД 122.004 Диск АЗД 123.000СБ Заслонка воздушная круглого сечения с пневмоприводом. Сборочный чертеж АЗД 123.010 Кронштейн АЗД 123.020 Пневмопривод АЗД 123.001 Косынка АЗД 123.002 Опора АЗД 134.019 Тяга АЗД 135.000 Заслонка воздушная круглого сечения с пневмоприводом АЗД 135.000СБ Заслонка воздушная круглого сечения с пневмоприводом. Сборочный чертеж АЗД 135.010 Корпус АЗД 135.020 Корпус АЗД 135.010СБ Корпус. Сборочный чертеж АЗД 133.003 Рычаг АЗД 133.002 Рукоятка АЗД 133.000 Заслонка воздушная круглого сечения с ручным управлением АЗД 133.000СБ Заслонка воздушная круглого сечения с ручным управлением. Сборочный чертеж АЗД 133.001 Кронштейн АЗД 133.020 Корпус АЗД 133.020СБ Корпус. Сборочный чертеж АЗД 135.020СБ Корпус. Сборочный чертеж АЗД 136.000 Заслонка воздушная круглого сечения с ручным управлением АЗД 136.000СБ Заслонка воздушная круглого сечения с ручным управлением. Сборочный чертеж АЗД 136.001 Уголок АЗД 136.010 Корпус АЗД 136.010СБ Корпус. Сборочный чертеж |
| Разработан: | ГПИ Сантехпроект Госстроя СССР |
| Утверждён: | 08.06.1982 Главпромстройпроект Госстроя СССР (36) |





































































































