Скачать Серия 3.407.1-148 Выпуск 2. Строительные изделия. Рабочие чертежиДата актуализации: 01.01.2021
|
| Обозначение: | Серия 3.407.1-148 |
| Обозначение англ: | Series 3.407.1-148 |
| Статус: | действует |
| Название рус.: | Выпуск 2. Строительные изделия. Рабочие чертежи |
| Дата добавления в базу: | 01.09.2013 |
| Дата актуализации: | 01.01.2021 |
| Дата введения: | 22.01.1988 |
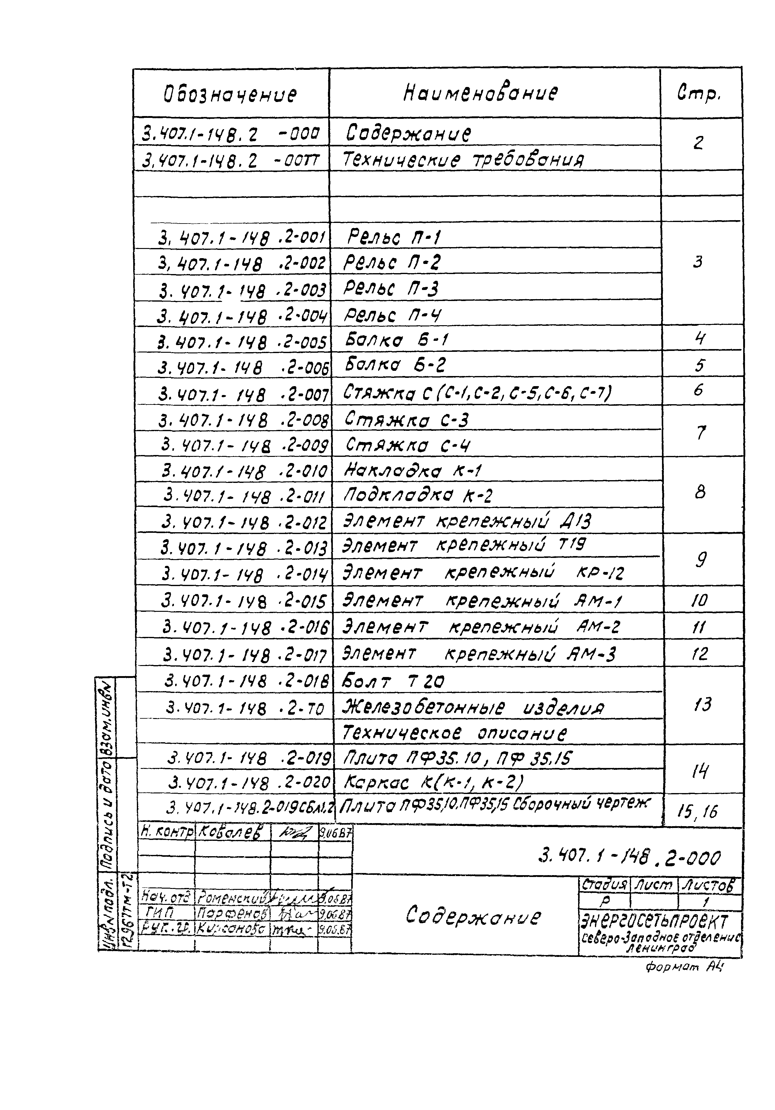
| Оглавление: | 3.407.1-148.2-000 Содержание 3.407.1-148.2-00ТТ Технические требования 3.407.1-148.2-001 Рельс П-1 3.407.1-148.2-002 Рельс П-2 3.407.1-148.2-003 Рельс П-3 3.407.1-148.2-004 Рельс П-4 3.407.1-148.2-005 Балка Б-1 3.407.1-148.2-006 Балка Б-2 3.407.1-148.2-007 Стяжка С(С-1,С-2,С-5,С-6,С-7) 3.407.1-148.2-008 Стяжка С-3 3.407.1-148.2-009 Стяжка С-4 3.407.1-148.2-010 Накладка К-1 3.407.1-148.2-011 Подкладка К-2 3.407.1-148.2-012 Элемент крепежный Д13 3.407.1-148.2-013 Элемент крепежный Т19 3.407.1-148.2-014 Элемент крепежный КР-12 3.407.1-148.2-015 Элемент крепежный АМ-1 3.407.1-148.2-016 Элемент крепежный АМ-2 3.407.1-148.2-017 Элемент крепежный АМ-3 3.407.1-148.2-018 Болт Т20 3.407.1-148.2-ТО Железобетонный изделия Техническое описание 3.407.1-148.2-019 Плита ПФ35.10, ПФ35.15 3.407.1-148.2-020 Каркас К(К-1;К-2) 3.407.1-148.2-019СБ Плита ПФ35.10, ПФ35.15. Сборочный чертеж |
| Разработан: | Северо-западное отделение института Энергосетьпроект |
| Утверждён: | 22.01.1988 Минэнерго СССР (USSR Minenergo 11) |
| Издан: | ЦИТП Госстроя СССР (CITP, Gosstroy (USSR) 1988 г. ) |
| Заменяет собой: |




























